
LG KSS104M RF Module

Features
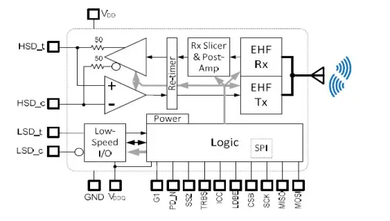
The Keyssa Glass KSS104M Product family provides Generic High-Speed solid-state convector solutions. Each Glass KSS104M contains one Keyssa transceiver (SCVR) that can be configured to be a transmitter (Tx) or a receiver (Rx), allowing for unidirectional communication capability. When placed in proximity paired Glass KSS105Ms can establish an Extremely High Frequency (EHF) communication link. For applications that use multiple Glass KSS104Ms on the same board, the KSS104Ms must be separated by a minimum of 15 mm center to center. The High-Speed data must be DC-balanced 8b/10b coded to allow for clock recovery within the KSS105Ms and AC coupling of the high speed I/Os
Picture of Product
Installation and function
Install the module(s) like below at the upper and(or) lower of the LED display for transmitting and receiving data such as videos, pictures and operational log.
Block Diagram
Operating Conditions
| Parameter | Min | Typ | Max | Unit |
| Operating Temperature | 0 | – | 40 | ℃ |
| Operating Humidity | 10 | – | 80 | % |
| Storage Temperature | -20 | – | 60 | ℃ |
| Storage Humidity | 5 | – | 85 | % |
| Supply Voltage | 1.14 | 1.2 | 1.3 | Vdc |
RF specifications
| ASK (Amplitude Shift Keying) | |
| Frequency Range | Output power (Max. dBm e.i.r.p) |
| 57 GHz to 64 GHz | 9 |
FCC ID: BEJKSS104M IC: 2703H-KSS104M
Compliance statements
FCC Statements
FCC Part 15.19 Statements
This device complies with Part 15 of the FCC Rules. Operation is subject to the following two conditions:
- this device may not cause harmful interference, and
- this device must accept any interference received, including interference that may cause undesired operation.
FCC Part 15.21 statement
Any changes or modifications not expressly approved by the party responsible for compliance could void the user’s authority to operate this equipment. Regulatory notice to host manufacturer according to KDB 996369 D03 OEM Manual v01 List of applicable FCC rules This module has been granted modular approval as below listed FCC rule parts. – FCC Rule parts 15C(15.255)
Summarize the specific operational use conditions
The OEM integrator should use equivalent antennas which is the same type and equal or less gain then an antenna listed below in this instruction manual.
RF exposure considerations
The module has been certified for integration into products only by OEM integrators under the following condition:
- The antenna(s) must be installed such that a minimum separation distance of at least 20 cm is maintained between the radiator (antenna) and all persons at all times.
- The transmitter module must not be co-located or operating in conjunction with any other antenna or transmitter except the simultaneous transmission condition described in the operational description and in accordance with FCC multi-transmitter product procedures.
- Mobile use As long as the three conditions above are met, further transmitter testing will not be required. OEM integrators should provide the minimum separation distance to end-users in their end-product manuals.
Compliance statements
FCC Statements
Antennas list
This module is certified with the following integrated antenna Type: Differential patch antenna (Peak gain (dBi): 5.3 dBi) Any new antenna type, with a higher gain than the listed antenna, should be met the requirements of FCC rules 15.203 and 2.1043 as permissive change procedure.
Label and compliance information End Product Labeling
The module is not be labeled with its own FCC ID and IC Certification Number since impractical to be labeled on it. So, final end product in which the module is installed must be labeled in a visible area with the following:
“Contains FCC ID: BEJKSS104M
“Contains IC: 2703H-KSS104M
Information on test modes and additional testing requirements
OEM integrator is still responsible for testing their end-product for any additional compliance requirements required with this module installed (for example, digital device emissions, PC peripheral requirements, the additional transmitter in the host, etc.).
Additional testing, Part 15 Subpart B disclaimer
- The final host product also requires Part 15 subpart B compliance testing with the modular transmitter installed to be properly authorized for operation as a Part 15 digital device. Specific Host Device Platform
- This 60 GHz transmitter module was tested while equipped with the LG`s LED Screen. So, this transmitter must be installed into only a series model of this LG`s LED Screens with the identical area of concern for this module installation. Otherwise, C2PC is required according to FCC Rule 2.1043 before installing into any other host device.
Test requirements about not Shielding
Since this transmitter module is not shielded, the module manufacturer should perform the test that the module is compliant with the host device.



















