![]()
99739-92100
Service Manual
Jesse Adams
329 GIBBTOWN RD
MERRITT, NC 28556-9515
Email address:
[email protected]
Phone:
3527773090
Options Supplement
GC15K AT81C-00001-99999
GC18K AT81C-00001-99999
GC20K AT82C-00001-89999
GC20K-HP AT82C-90001-99999
GC25K AT82C-00001-89999
GC25K-HP AT82C-90001-99999
GC30K AT83C-00001-99999
For use with Chassis & Mast
Lift Trucks
FOREWORD
This service manual is a guide to servicing of the options for Caterpillar® Lift Truck models from 1.5-ton to 3.0-ton.
Long productive life of your lift trucks depends to a great extent on correct servicing – the servicing consistent with what you will learn from this service manual. We hope you read the respective sections of this manual carefully and know all the components you will work on before attempting to start a test, repair or rebuild job.
The descriptions, illustrations and specifications contained in this manual were of the trucks of serial numbers in effect at the time it was approved for printing. Caterpillar reserves the right to change specifications or design without notice and without incurring obligation.
The following safety related signs are used in this service manual to emphasize important and critical instructions:
Indicates a specific potential hazard resulting in serious bodily injury or death.
Indicates a specific potential hazard resulting in bodily injury, or damage to, or destruction of, the machine.
Indicates a condition that can cause damage to, or shorten service life of, the machine.
Pub. No. 99739-92100
![]()
SAFETY
![]()
The proper and safe lubrication and maintenance for this lift truck, recommended by Caterpillar, are outlined in the OPERATION & MAINTENANCE MANUAL for these trucks.
Improper performance of lubrication or maintenance procedures is dangerous and could result in injury or death. Read and understand the OPERATION & MAINTENANCE MANUAL before performing any lubrication or maintenance.
The serviceman or mechanic may be unfamiliar with many of the systems on this truck. This makes it important to use caution when performing service work. A knowledge of the system and/or components is important before the removal or disassembly of any component.
Because of the size of some of the truck components, the serviceman or mechanic should check the weights noted in this Manual. Use proper lifting procedures when removing any components.
Following is a list of basic precautions that should always be observed.
1. Read and understand all warning plates and decals on the truck before operating, lubricating or repairing the product.
2. Always wear protective glasses and protective shoes when working around trucks. In particular, wear protective glasses when pounding on any part of the truck or its attachments with a hammer or sledge. Use welder’s gloves, hood/goggles, apron and other protective clothing appropriate to the welding job being performed. Do not wear loose-fitting or torn clothing. Remove all rings from fingers when working on machinery.
3. Do not work on any truck that is supported only by lift jacks or a hoist. Always use blocks or jack stands to support the truck before performing any disassembly.
4. Lower the forks or other implements to the ground before performing any work on the truck. If this cannot be done, make sure the forks or other implements are blocked correctly to prevent them from dropping unexpectedly.
![]()
Do not operate this truck unless you have read and understand the instructions in the OPERATION & MAINTENANCE MANUAL. Improper truck operation is dangerous and could result in injury or death.
5. Use steps and grab handles (if applicable) when mounting or dismounting a truck. Clean any mud or debris from steps, walkways or work platforms before using. Always face truck when using steps, ladders and walkways. When it is not possible to use the designed access system, provide ladders, scaffolds, or work platforms to perform safe repair operations.
6. To avoid back injury, use a hoist when lifting components which weigh 23 kg (50 lb.) or more. Make sure all chains, hooks, slings, etc., are in good condition and are of the correct capacity. Be sure hooks are positioned correctly. Lifting eyes are not to be side loaded during a lifting operation.
7. To avoid burns, be alert for hot parts on trucks which have just been stopped and hot fluids in lines, tubes and compartments.
8. Be careful when removing cover plates. Gradually back off the last two bolts or nuts located at opposite ends of the cover or device and pry cover loose to relieve any spring or other pressure, before removing the last two bolts or nuts completely.
9. Be careful when removing filler caps, breathers and plugs on the truck. Hold a rag over the cap or plug to prevent being sprayed or splashed by liquids under pressure. The danger is even greater if the truck has just been stopped because fluids can be hot.
10. Always use tools that are in good condition and be sure you understand how to use them before performing any service work.
11. Reinstall all fasteners with same part number. Do not use a lesser quality fastener if replacements are necessary. Do not mix metric fasteners with standard nuts and bolts.
12. If possible, make all repairs with the truck parked on a level, hard surface. Block truck so it does not roll while working on or under truck.
13. Disconnect battery and discharge any capacitors (electric trucks) before starting to work on truck. Hang “Do not Operate” tag in the Operator’s Compartment.
14. Repairs, which require welding, should be performed only with the benefit of the appropriate reference information and by personnel adequately trained and knowledgeable in welding procedures. Determine type of metal being welded and select correct welding procedure and electrodes, rods or wire to provide a weld metal strength equivalent at least to that of parent metal.
15. Do not damage wiring during removal operations. Reinstall the wiring so it is not damaged nor will it be damaged in operation by contacting sharp corners, or by rubbing against some object or hot surface. Do not connect wiring to a line containing fluid.
16. Be sure all protective devices including guards and shields are properly installed and functioning correctly before starting a repair. If a guard or shield must be removed to perform the repair work, use extra caution.
17. Always support the mast and carriage to keep carriage or attachments raised when maintenance or repair work is performed, which requires the mast in the raised position.
18. Loose or damaged fuel, lubricant and hydraulic lines, tubes and hoses can cause fires. Do not bend or strike high pressure lines or install ones which have been bent or damaged. Inspect lines, tubes and hoses carefully. Do not check for leaks with your hands. Pin hole (very small) leaks can result in a high velocity oil stream that will be invisible close to the hose. This oil can penetrate the skin and cause personal injury. Use cardboard or paper to locate pin hole leaks.
19. Tighten connections to the correct torque. Make sure that all heat shields, clamps and guards are installed correctly to avoid excessive heat, vibration or rubbing against other parts during operation. Shields that protect against oil spray onto hot exhaust components in event of a line, tube or seal failure, must be installed correctly.
20. Relieve all pressure in air, oil or water systems before any lines, fittings or related items are disconnected or removed. Always make sure all raised components are blocked correctly and be alert for possible pressure when disconnecting any device from a system that utilizes pressure.
21. Do not operate a truck if any rotating part is damaged or contacts any other part during operation. Any high speed rotating component that has been damaged or altered should be checked for balance before reusing.
REAR COMBINATION LAMP KIT
Description
This rear combination stop/back-up lamp alerts traffic approaching from the rear of the truck.
Installation
(1) Install the stop lamp switch to brake pedal bracket as shown. Adjust the switch to turn on when the pedal is depressed.
(2) Connect harness 1 to main harness B.
(3) Route harness 2 through inside of overhead guard legs and connect to main harness B.
(4) Drill a ϕ20 mm (ϕ0.8 in.) hole and tap two threads (M6 x 1) in the rear overhead guard legs as shown.
(5) Mount the bracket to overhead guard legs.
(6) Mount the lamp to bracket using screws provided in the kit.

- Switch
- Harness 1
- Connect to harness B.
- Bracket
- Lamp
- Bolt, Spring washer
- Harness 2
- 2 – M6 x 1
Left and right - ϕ20 (ϕ0.8)
Left and right - Bulb
(12 V – 2 3/8 W) - Bulb
(12 V – 27 W) - Bulb
(12 V – 10 W)
WORKING LAMP KIT
Description
This kit provides an auxiliary rear lamp for night or dark area of work.
Installation
(1) Install the bracket to the left rear head guard leg with U-bolt.
(2) Connect the cord to harness B.
![]()
Lamp works at second position of standard lighting switch.

- U-bolt
- Bracket
- Nut
- Spring washer
- Cord
- Grommet
- Lamp
(12 V – 27 W)
Description
This amber strobe lamp warns traffic that there is a lift truck approaching.
Installation
(1) Install the strobe lamp at the right rear overhead guard leg as shown. Position the lamp as high as possible allowing clearance to the top of guard.
(2) Route cord through inside of the right rear head guard leg and along main harness B. Tie up as required.
(3) Connect the male terminal to red strobe lamp wire and connect the female terminal to black strobe lamp wire.
(4) Wrap strobe lamp wires with corrugated tube.
(5) Connect wires as shown in wiring diagram.
(6) Connect the ground wire to grounding strap screw on frame.

- Connect to harness B
(Light green wire) - Aux. power supply
- Connect to grounding strap screw on frame.
- Clip band
- Harness B
- Cord
- Strobe lamp
- Bolt, Plain washer, Spring washer, nut
- Bracket
- U-bolt, Plain washer, Spring washer, nut
- Male terminal
(Red wire) - Female terminal
(Black wire) - Corrugated tube
- Grommet
- Strobe lamp
- Black
- Green/Yellow
Aux. power supply - Barness B
Aux. power - Light green
- Green/White
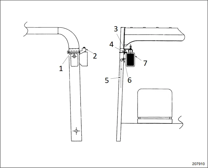
BACK BUZZER PIEZO KIT
Description
This kit provides acoustic warning when the truck is driven backward.
Installation
(1) Drill and thread (M8 x 1.25) on the right side of rear cross member as shown in the illustration.
(2) Install the buzzer.
(3) Tie the excessive length of buzzer cable to harness B with clip bands.

- M8 x 1.25
Thread - To chassis harness
- Back buzzer
- Plain washer
- Spring washer
- Bolt
BACK MIRROR KIT
Description
(1) The back mirror is secured with the bracket and bolts and is adjustable in the vertical position.
(2) The back mirror is normally located outside the cabin. However, it can also be located inside the cabin with ease.

- Nut
- Spring washer
- Back mirror bracket
- Bolt
- Back mirror
- When installed inside
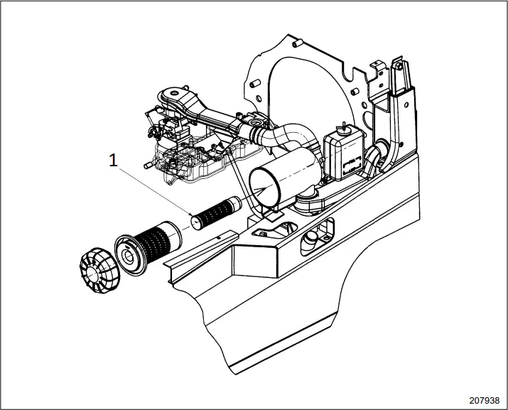
OIL FILTER KIT (1-ton model)
Description
This kit offers an extra filter for keeping torque converter oil clean even in extremely dusty conditions.
Installation
(1) Weld the plate to the R.H. side frame by referring to the illustration.
(2) Install the filter with bracket, and connect the hoses as shown in the illustration.
![]()
(1) When installing oil filter cover, pay attention to the attitude.
(2) Change the filter element every 1200 hours of operation.

- Spiral tube
- Rubber hose
- Elbow
- Oil element
- Union
- Oil filter cover
- Washer assembled bolt
- Oil filter bracket
- Clamp
- Plate
- Attitude of oil filter cover
- Detail of plate welding location
OIL FILTER KIT (2-, 3-ton models)
Description
This kit offers an extra filter for keeping torque converter oil clean even in extremely dusty conditions.
Installation
(1) Weld the plate to the R.H. side frame by referring to the illustration.
(2) Install the filter with bracket, and connect the hoses as shown in the illustration.
![]()
(1) When installing oil filter cover, pay attention to the attitude.
(2) Change the filter element every 1200 hours of operation.

- Spiral tube
- Rubber hose
- Plate
- Elbow
- Union
- Oil element
- Oil filter cover
- Washer assembled bolt
- Oil filter bracket
- Clamp
- Attitude of oil filter cover
- Detail of plate welding location
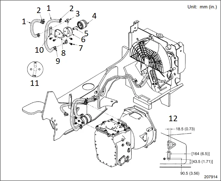
ENCLOSED ALTERNATOR KIT
Description
This kit provides an alternator of dust proof type or DS-type of UL standard.
Installation
(1) Remove the standard type alternator and install the enclosed type alternator.
(2) All connectors included in this kit are to be sealed with RTV silicone or equivalent.
System check
(1) With key on, engine off, console should have three engine lights turned on.
(2) With engine running, battery charging voltage should be 14 V (± 0.5 V).
(3) Battery disconnect switch should function properly (if equipped).

- Pully nut
Tightening torque: 61 ± 7 N·m
(6.2 ± 0.7 kgf·m)
[45 ± 5 lbf·ft] - Terminal B+
Tightening torque: 6 ± 1 N·m
(0.6 ± 0.1 kgf·m)
[4.3 ± 0.7 lbf·ft] - Terminal D+
Tightening torque: 7 ± 1 N·m
(0.7 ± 0.1 kgf·m)
[5.1 ± 0.7 lbf·ft] - Ground
- Exciter
- Terminal B+
- Exciter
- Terminal D+
- Battery (+)
- Ignition switch
SPARK PLUG KIT
Description
This kit offers spark plugs which meet CEN EMC directive.
Installation
Remove standard spark plugs from engine and install the furnished spark plugs. Tighten the plugs to 19.6 to 29.4 N·m (200 to 300 kgf·cm) [14.5 to 21.7 lbf·ft].

- Spark plug
FASTENER KIT
Description
This kit makes access to engine compartment possible only by means of a tool such as the rod in the kit.
Installation
(1) Fastener of engine cover
Fix the fastener assembly to engine cover with existing bolts and washers.
(2) Bolts of radiator cover
Replace the knob bolts securing radiator cover with bolts furnished in the kit.
(3) Keep the rod at hand (for example, in a key ring together with engine start key).

- Bolt
- Washer
- Fastner assembly
- Rod
- Detail of A
FRONT AXLE BREATHER KIT
Description
This kit prevents dust from getting inside the differential case when operating in extremely dusty condition.
Installation
Install this kit in the breather hole in the front axle housing.

- Breather
- Connector
WIDE AXLE KIT (2-, 3-ton models)
Installation
(1) Change housing, shafts and supports.
(2) Change brake pipes.
(3) Bleed air out of the brake fluid line. (Refer to appropriate Service Manual “Chassis & Mast”.)

- Fender R.H.
- Brake pipe R.H.
- Brake pipe L.H.
- Fender L.H.
- Front axle shaft
- Support L.H.
- Front axle housing
- Support R.H.
- O-ring
SEMI WIDE AXLE KIT (1-ton model)
Description
This kit improves lateral stability of the truck.
Installation
Press-fit the tire until its side becomes flush with the rim edge. And install the wheels to widen the tread.
![]()
Be sure to tighten the wheel nuts to the specified torque.

- Tire
- Rim
SEMI WIDE AXLE KIT (2-, 3-ton models)
Description
This kit improves lateral stability of the truck.
Installation
Press-fit the tire until its side becomes flush with the rim edge. And install the wheels to widen the tread.
![]()
Be sure to tighten the wheel nuts to the specified torque.

- Rim
- Tire
DUAL ELEMENT KIT
Description
This kit contains the following features:
(1) High filtering efficiency
(2) Protection of engine parts in extremely dusty conditions
Installation
Open the cap and remove the primary element. Install primary and inner elements in the indicated direction and install the cap firmly.
![]()
If inner element has to be removed (replaced), remove it in clean conditions. (Stop the engine for installation.)

- Inner element
DUST INDICATOR KIT
Description
This kit, installed on the OK monitor, warns the operator of clogging of the air cleaner element. (This is for single element type.)
Installation
(1) Install the dust indicator unit to the port on elbow intake side.
(2) Install the bulb to the console box (by removing the cover and tape). Refer to View D.
(3) Connect the harness to the indicator. Insert the 1.25LR of harness in the receptacle of white case of 12-pole connector (the connector of harness B).
(4) Route the harness along the harness B (secure with clip bands as required).
![]()
(1) The harness includes the circuit for radiator coolant level warning lamp. This makes it necessary to tape the wire LW to the main harness when installing this kit only.
(2) When routing the harness, be careful not to make the harness interfere with engine cover at the place indicated as B.

- Clip band
- Harness
- Air cleaner assembly
- Dust indicator
- Ground: To be secured together with reverse tank bracket.

- Bulb (14 V – 3 W)
- Clip band
- Bulb Position of installation
- View D
- View A
- Terminal B
- Terminal A
- Detail of B
- Harness B
CN3 (White) connector - Detail of C
(Detail of terminal position)


















