![]()
Installation and operating manual
Wiegand Interface

HmIP-FWI


- 12 V
- GND
- Door bell
- Key pad






Package contents
Quantity Description
1 Homematic IP Wiegand interface
1 Operating manual
Documentation © 2022 eQ-3 AG, Germany
All rights reserved. Translation from the original version in German. This manual may not be reproduced in any format, either in whole or in part, nor may it be duplicated or edited by electronic, mechanical or chemical means, without the written consent of the publisher.
Typographical and printing errors cannot be excluded. However, the information contained in this manual is reviewed on a regular basis and any necessary corrections will be implemented in the next edition. We accept no liability for technical or typographical errors or the consequences thereof.
All trademarks and industrial property rights are acknowledged.
Printed in Hong Kong
Changes may be made without prior notice as a result of technical advances.
155188 (web)
Version 1.1 (01/2023)
1 Information about this manual
Please read this manual carefully before beginning operation with your Homematic IP device. Keep the manual so you can refer to it at a later date if you need to.
If you hand over the device to other persons for use, please hand over this manual as well.
Symbols used:
Attention!
This indicates a hazard.
Note. This section contains important additional information.
2 Hazard information
Do not open the device. It does not contain any parts that need to be maintained by the user. In the event of an error, please have the device checked by an expert.
For safety and licensing reasons (CE), unauthorized changes and/or modifications of the device is not permitted.
The device may only be operated in dry and dust-free environment and must be protected from the effects of moisture, vibrations, solar or other methods of heat radiation, cold and mechanical loads.
The device is not a toy: do not allow children to play with it. Do not leave packaging material lying around. Plastic films/bags, pieces of polystyrene, etc. can be dangerous in the hands of a child.
We accept no liability for damage to property or personal injury caused by improper use or the failure to observe the hazard warnings. In such cases, all warranty claims are void. We accept no liability for any consequential damage.
The device must only be operated within residential buildings.
Using the device for any purpose other than that described in this operating manual does not fall within the scope of intended use and will invalidate any warranty or liability.
3 Function and device overview
With the Homematic IP Wiegand interface, you can integrate devices that have a Wiegand interface (e.g. a code lock, fingerprint or card/transponder reader) into your Homematic IP smart home system. You then have the option of combining Wiegand devices with Homematic IP devices via the free WebUI user interface.
Any 20 Wiegand codes can be transmitted to the Wiegand interface.
The Wiegand interface has 8 virtual input channels that can be individually linked to the Wiegand codes. A Wiegand code can then control one or more virtual input channels and thus trigger one or more actions (e.g. switching a switch actuator, opening a door via a door lock drive or activating/deactivating alarm functions).
In addition to the Wiegand inputs, the device also features an input for connecting a doorbell button, an input for connecting a tamper contact and an open-collector switching output.
Device overview (see figure 1):
(A) System button (pairing button and LED)
(B) Supply voltage
(C) Connecting terminal for open-drain output
(D) Connecting terminal for Wiegand interface
(E) Antenna
(F) Connecting terminal for tamper contact
(G) Connecting terminal for doorbell button
4 General system information
This device is part of the Homematic IP smart home system and works with the Homematic IP radio protocol. All devices in the Homematic IP system can be configured easily and individually with a smartphone using the Homematic IP app. Alternatively, you have the option of operating Homematic IP devices via the CCU3 or in conjunction with many partner solutions. The available functions provided by the system in combination with other components are described in the Homematic IP User Guide. All current technical documents and updates are provided at www.homematic-ip.com.
5 Start-up
5.1 Selecting the supply voltage
The power supply for the Wiegand interface is provided by a separate power supply unit (not included in delivery).
The basic requirements for this power supply unit are:
- Safety extra-low voltage (SELV)
- Voltage: 12 VDC, SELV (max. 40 mA)
5.2 Installation instructions
Please read this entire section before starting to install the device.
Before installation, please note the device number (SGTIN) labelled on the device as well as the exact installation location in order to make later allocation easier. You can also find the device number on the QR code sticker supplied.
Please note! Only to be installed by persons with the relevant electro-technical knowledge and experience!*
Incorrect installation can endanger
- your own life,
- and the lives of other users of the electrical system.
Incorrect installation also means that you are running the risk of serious damage to property, e.g. from fire. You risk personal liability for personal injury and property damage.
Consult an electrician!
*Specialist knowledge required for installation:
The following specialist knowledge is particularly important during installation:
- The “5 safety rules” to be used: Disconnect from mains; Safeguard from switching on again; Check that system is deenergised; Earth and short circuit; Cover or cordon off neighbouring live parts;
- Select suitable tool, measuring equipment and, if necessary, personal safety equipment;
- Evaluation of measuring results;
- Selection of electrical installation material for safeguarding shut-off conditions;
- IP protection types;
- Installation of electrical installation material;
- Type of supply network (TN system, IT system, TT system) and the resulting connecting conditions (classical zero balancing, protective earthing, required additional measures etc.).
Installation may only take place in normal commercial switch boxes (device boxes) in accordance with DIN 49073-1 or surface-mounting boxes in accordance with DIN 60670-1 (e.g. Abox 025 or Abox 040).
Please observe the hazard information in section “2 Hazard information” on page 13 during installation.
To ensure electrical safety, all terminals are to be connected only with safety extra-low voltage (SELV).
It is absolutely essential to ensure that all connecting cables are laid so that they are physically separate from cables carrying mains voltage (e.g. in separate cable ducts or wiring conduits).
Permitted cable cross sections for connecting to the device are:
| Rigid cable [mm²] | Flexible cable without ferrule [mm²] |
| 0.2 – 1.50 | 0.2 – 1.50 |
5.3 Installation
To install the device in a flush-mounting box, please proceed as follows:
- Switch off the power supply unit.
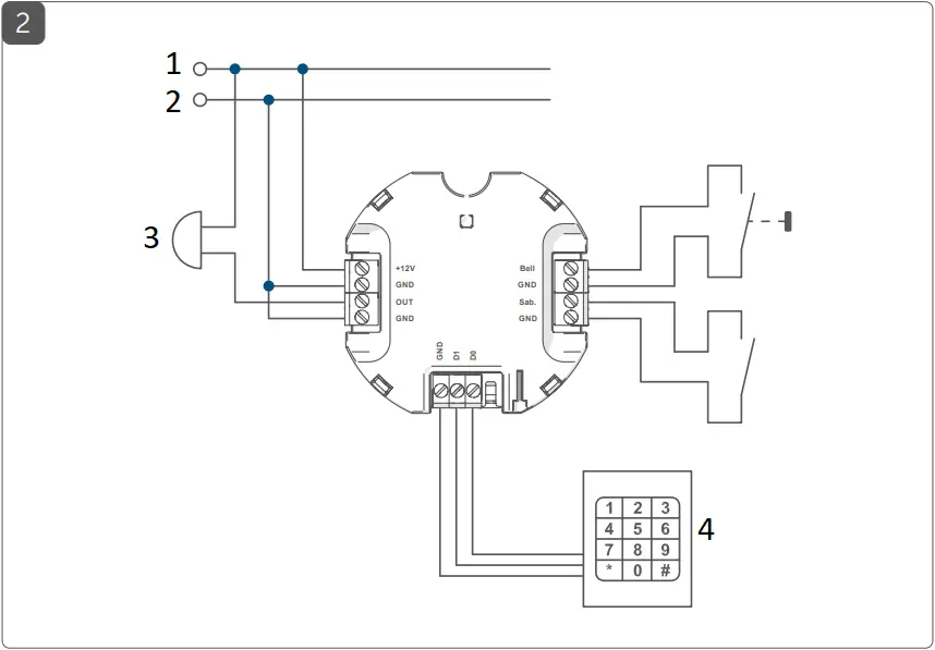
- Connect the device according to the connecting diagram in figure 2. You have the following connection options:
– Supply voltage (B)
– Open-drain output (C)
– Wiegand interface (D)
– Tamper contact (F)
– Doorbell button (G) - Fix the actuator to an appropriate flush-mounting box (see figure 3).
- Supply the device with voltage (12 V) via the power supply unit to activate the device’s pairing mode (see figure 4) (see “5.3 Pairing” on page 15).
5.4 Pairing
Please read this entire section before starting the pairing procedure.
First set up your Homematic IP access point via the Homematic IP app to enable operation of other Homematic IP devices within your system. For further information, please refer to the access point operating manual.
You can connect the device either to the access point or to the Homematic Central Control Unit CCU3. For detailed information, please refer to the Homematic IP User Guide, available for download in the download area of www.homematic-ip.com.
To integrate the device into your system and enable it to communicate with other Homematic IP devices, you must first add the device to your Homematic IP access point.
To add the device, please proceed as follows:
- Open the Homematic IP app on your smartphone.
- Select the menu item “Add device”.
- After installation, the pairing mode remains activated for 3 minutes (see figure 5).
You can manually start the pairing mode for another 3 minutes by briefly pressing the system button (A) (see fig. 5).
- Your device will automatically appear in the Homematic IP app.
- To confirm, enter the last four digits of the device number (SG-TIN) in your app or scan the QR code. The device number can be found on the sticker supplied or attached to the device.
- Wait until pairing is completed.
- If pairing was successful, the LED (A) lights up green. The device is now ready for use.
- If the LED lights up red, please try again. · Select in which application the device will be used.
- In the app, give the device a name and allocate it to a room.
- After installation, close the flush-mounted box with a suitable cover or a masking frame for flush-mounted boxes (see figure 6).
6 Troubleshooting
6.1 Command not confirmed
If at least one receiver does not confirm a command, the device LED (A) lights up red at the end of the failed transmission process. The failed transmission may be caused by radio interference (see see “9 General information about radio operation” on page 31). This may be caused by the following:
- Receiver cannot be reached.
- Receiver is unable to execute the command (load failure, mechanical blockade, etc.).
- Receiver is faulty.
6.2 Duty cycle
The duty cycle is a legally regulated limit of the transmission time of devices in the 868 MHz range. The aim of this regulation is to safeguard the operation of all devices working in the 868 MHz range.
In the 868 MHz frequency range we use, the maximum transmission time of any device is 1% of an hour (i.e. 36 seconds in an hour). Devices must cease transmission when they reach the 1% limit until this time restriction comes to an end. Homematic IP devices are designed and produced with 100% conformity to this regulation.
During normal operation, the duty cycle is not usually reached. However, repeated and radio-intensive pairing processes mean that it may be reached in isolated instances during start-up or initial installation of a system. If the duty cycle is exceeded, this is indicated by one long flash of the device LED (A), and may manifest itself in the device temporarily not working. The device will start working correctly again after a short period (max. 1 hour).
6.3 Error codes and flashing sequences
| Flashing code | Meaning | Solution |
| Short orange flashing | Radio transmission/ attempting to transmit/ data transmission | Wait until the transmission is completed. |
| 1x long green lighting | Transmission confirmed | You can continue operation. |
| 1x long red flash | Transmission failed or duty cycle limit reached | Please try again (see “6.1 Command not confirmed” on page 28 or see “6.2 Duty cycle” on page 28). |
| Short orange flashing (every 10 s) | Pairing mode active | Enter the last four numbers of the device serial number to confirm (see see “5.4 Pairing” on page 26). |
| 6x long red flashes | Device defective | Please see your app for error message or contact your retailer. |
| 1x orange and 1x green flash (after connecting the power supply) | Test display | You can continue once the test display has stopped. |
7 Restoring factory settings
The device’s factory settings can be restored. If you do this, you will lose all your settings.
To restore the factory settings of the device, please proceed as follows:
- Press and hold down the system button (A) using a pen for 4 seconds until the LED (A) quickly starts flashing orange (see figure 7).
- Release the system button.
- Press and hold down the system button again for 4 seconds, until the LED lights up green (see figure 8).
- Release the system button again to conclude the procedure. The device will perform a restart. After the restart, you can again integrate your device into your Homematic IP system.
8 Maintenance and cleaning
The product does not require any maintenance. Enlist the help of an expert to carry out any repairs.
Clean the device using a soft, lint-free cloth that is clean and dry. Do not use any detergents containing solvents, as they could corrode the plastic housing and label.
9 General information about radio operation
Radio transmission is performed on a non-exclusive transmission path, which means that there is a possibility of interference occurring. Interference can also be caused by switching operations, electrical motors or defective electrical devices.
The transmission range within buildings can differ greatly from that available in the open air. Besides the transmitting power and the reception characteristics of the receiver, environmental factors such as humidity in the vicinity have an important role to play, as do onsite structural/screening conditions.
eQ-3 AG, Maiburger Straße 29, 26789 Leer, Germany hereby declares that the radio equipment type Homematic IP HmIP-FWI is compliant with Directive 2014/53/EU. The full text of the EU declaration of conformity is available at www.homematic-ip.com
10 Technical specifications
| Device short description: | HmIP-FWI |
| Supply voltage: | 5 – 12 VDC |
| Current consumption: | 40 mA max. |
| Power consumption Standby: | 60 mW |
| Open-drain output Max. switching voltage: | 20 V |
| Cable type and cross section: | 0.2 – 1.5 mm |
| Installation: | only in switch boxes (device boxes) in accordance with DIN 49073-1 or surface-mounting boxes in accordance with DIN 60670-1 (e.g. Abox 025 or Abox 040) |
| Protection rating: | IP20 |
| Protection class: | III |
| Pollution degree: | 2 |
| Ambient temperature: | -10 to +55 °C |
| Dimensions (W x H x D): | 52 x 52 x 14 mm |
| Weight: | 20 g |
| Radio frequency band: | 868.0-868.6 MHz 869.4-869.65 MHz |
| Max. radio transmission power: | 10 dBm |
| Receiver category: | SRD category 2 |
| Type radio free-field range: | 210 m |
| Duty cycle: | < 1 % per h/< 10 % per h |
Subject to modifications.
Instructions for disposal
Do not dispose of the device with normal domestic waste! Electronic equipment must be disposed of at local collection points for waste electronic equipment in compliance with the Waste Electrical and Electronic Equipment Directive.
Information about conformity
The CE mark is a free trademark that is intended exclusively for the authorities and does not imply any assurance of properties.
For technical support, please contact your retailer.
Free download of the Homematic IP app!
Manufacturer’s authorised representative:
![]()
eQ-3 AG
Maiburger Straße 29
26789 Leer / GERMANY
www.eQ-3.de






















