Charnwood 1420V Electronic Variable Speed Lathe

GENERAL SAFETY RULES
WARNING: Do not attempt to operate the machine until you have read thoroughly and understood completely all instructions, rules, etc. contained in this manual. Failure to comply may result in accidents involving fire, electric shock, or serious personal injury. Keep this owner’s manual and review frequently for continuous safe operation.
- Know your machine. For your own safety, read the owner’s manual carefully. Learn its application and limitations, as well as specific potential hazards pertinent to this machine.
- Make sure all tools are properly earthed.
- Keep guards in place and in working order. If a guard must be removed for maintenance or cleaning, make sure it is properly replaced before using the machine again.
- Remove adjusting keys and spanners. Form a habit of checking to see that the keys and adjusting spanners are removed from the machine before switched it on.
- Keep your work area clean. Cluttered areas and workbenches increase the chance of an accident.
- Do not use in dangerous environments. Do not use power tools in damp or wet locations, or expose them to rain. Keep work areas well illuminated.
- Keep children away. All visitors should be kept a safe distance from the work area.
- Make workshop childproof. Use padlocks, master switches and remove starter keys.
- Do not force the machine. It will do the job better and be safer at the rate for which it is designed.
- Use the right tools. Do not force the machine or attachments to do a job for which they are not designed. Contact the manufacturer or distributor if there is any question about the machine’s suitability for a particular job.
- Wear proper apparel. Avoid loose clothing, gloves, ties, rings, bracelets, and jewellery which could get caught in moving parts. Non-slip footwear is recommended. Wear protective hair covering to contain long hair.
- Always use safety glasses. Normal spectacles only have impact resistant lenses. They are not safety glasses.
- Do not over-reach. Keep proper footing and balance at all times.
- Maintain machine in good condition. Keep machine clean for best and safest performance. Follow instructions for lubrication and changing accessories.
- Disconnect the machine from power source before servicing and when changing the drive belt.
- To avoid accidental starting, make sure the switch is in the OFF position before plugging in the mains cable.
- Never leave the machine running unattended. Turn the power off. Do not leave the machine until it comes to a complete stop.
- Do not use any power tools while under the effects of drugs, alcohol or medication.
- Always wear a face or dust mask if operation creates a lot of dust and/or chips. Always operate the tool in a well a ventilated area and provide for proper dust removal. Use a suitable dust extractor.
ADDITIONAL RULES FOR LATHES
Never attempt to adjust any part of the workpiece whilst the lathe is still in motion. Wait until the workpiece has come to a complete stop.
- Ensure that chuck keys, tommy bars and similar items are removed before the lathe is started.
- Always stand to one side when you start the lathe so that if anything does fly off e.g. a loose piece of bark, you will be out of the line-of-fire.
- When mounting a new piece of timber, rotate the wood through 360o by hand to ensure that it will not hit the tool rest or the bed of the lathe and then start the lathe at its slowest speed. When you are certain that that the work is secure and not too out of balance set the lathe to the normal turning speed.
- Always check the rotation speed before switching the lathe on to avoid the risk of starting it whilst it is set to run at too high a speed.
- The speed of the lathe must be adjusted to suit the size, balance, length and condition of the timber being turned. The greater the diameter of the work, the slower the rotation speed needs to be. If the piece you are turning is out of balance, then you must start turning at a low speed, until it is balanced.
- The tool must rest firmly on the tool rest before it is brought into contact with the rotating wood and must never be lifted off the tool rest as long as it is in contact with the timber.
- Before sanding, polishing or doing anything else that brings your fingers close to the work, remove the tool rest. Getting your fingers trapped between the tool rest and the work will at least be very painful and may cause serious injury.
- Never wrap the sandpaper of polishing cloth round the work. If it tightens up it will pull your fingers into contact with the timber and may lead to serious injury.
Important
- Risk of injury!
Never reach into Moving parts
- Wear Eye Protection

- Wear Ear protection

Introduction
In order to get the most out of your lathe, please read through this manual and safety instructions before use. Please keep the manual in case you need it in the future.
Rating Description
Hobby: Suitable for Weekend DIY’ers and woodworking enthusiasts.
Generally lighter weight machines with lower power ratings and smaller tooling capacities. Typically only ever used by one person for short periods of time or longer periods of time infrequently. Machinery should be well maintained in a clean, dry environment such as a home workshop, garage or timber shed.
Expected maximum use of 100 hours annually.
Please Note: Using a product in excess of its rating will void the manufacturer’s free warranty
Technical Data
N.B. The distance between centres will vary and be dependent on the type of centres or accessories used. Maximum distance is 500mm (20”).
Max. spindle length (without centres fitted) 500mm (20″)
Max. spindle length (with centres fitted) 430mm (17″)
Distance over bed 350mm (14″)
Motor DC (Carbon Brush) 750w (1hp) 50hz, 240v
Speed Range (Forward & Reverse) Low Medium High
250 – 750rpm
600 – 1700rpm
1200 – 3550rpm
Spindle thread size
Spindle tapers
Indexing Positions 24
Dimensions (WxDxH)
Weight
Rating
Product Guarantee
Main Components

Unpacking

The Lathe is packed in 1 carton.
Do not dispose of the packaging until the lathe has been fully assembled and tested. It will be required in the unlikely event that a return is required.
This part of the assembly requires 2 people:
Unpack the carton and remove the contents.
Check the loose items are all present. If anything is missing, please contact us.

Decide where you wish to mount your lathe. Ideally, the height of the spindle should be approximately level with your elbow when standing/sitting in a working position.
The lathe is sufficiently heavy and stable to be used without fixing to a base provided the workpiece is not too large and the blank well balanced. For larger diameter blanks (6” plus) and unbalanced pieces, it is recommended that the lathe is fixed to a suitable stand or bench.
In that case, do not install the rubber feet and mount directly using the threaded holes.
Assembly

Fit the feet
If you decide to bench mount your lathe, without permanently fixing it, you should now fit the four rubber feet into the four threaded holes in the underside.
Assemble The Tool rest
Rotate the Tailstock Cam Lock Lever, then slide the complete tailstock off the right end of the Bed.
Line up the Tool Rest Banjo and rotate the Tool Rest Cam Lock Lever so that the Clamping Plate is in its lowest position. Slide the Tool Rest Banjo onto the bed.
Fit the Tool Rest into the banjo and lock in place with the Tool Rest Height Lock ratchet handle.
Refit the Tailstock.
Fit the Carry Handles
Use a 5mm Hex key to remove 2 bolts from the end of the bed. Fit the handle and re-tighten the 2 bolts.
The Carry Handles Double as onboard storage for the accessories and service tools.
Remove the faceplate

Unscrew the Face Plate
The faceplate supplied with the lathe has two locking grub screws.
It is very important to engage these when running the lathe in reverse direction.
Adjusting the Spindle Speed
The lathe has electronic variable speed control. There are three ranges of speeds which are obtained by changing the position of the drive belt.
To adjust the drive belt position:
The approximate speed ranges are:
Left Hand Pulleys: 250 – 750rpm
Centre Pulleys: 600 – 1700rpm
Right Hand Pulleys: 1200 – 3550rpm
The approximate speed ranges are:
Left Hand Pulleys: 250 – 750rpm
Centre Pulleys: 600 – 1700rpm
Right Hand Pulleys: 1200 – 3550rpm


Move the slack belt to the alternate set of pulleys. Always remove the belt from the larger pulley first.
Release the locking lever, apply light pressure to tension the belt and then retighten the locking handle.
Close the belt cover and re-fit the pulley door.
After switching on the lathe, adjust the speed using the variable speed control dial.
The actual spindle speed will be displayed on the Digital Read Out.
Recommended Turning Speeds
| Workpiece Diameter mm | Roughing Cuts RPM | General Cutting RPM | Finishing Cuts RPM |
| Under 50 | 1500 | 3200 | 3200 |
| 50-100 | 750 | 1600 | 2500 |
| 100-150 | 500 | 1000 | 1700 |
| 150-200 | 500 | 800 | 1250 |
| 200-250 | 500 | 650 | 1000 |
| 250-300 | 500 | 530 | 850 |
Forward / Reverse Direction
The Forward / Reverse switch should never be used when the lathe spindle is still rotating. Always stop the lathe by using the OFF switch and wait for the workpiece to come to a standstill before switching direction.
IMPORTANT
When turning a bowl: The lathe should only be used in reverse direction if the accessory mounted to the headstock spindle is locked onto the spindle with grub screws.
Some chucks are not equipped with any form of locking and should never be used in reverse.
The faceplate supplied with the lathe has two thread-locking grub screws.
Using the Lathe

The tool rest can now freely slide along the bed. When it is positioned where required, clamp it firmly in place by rotating the lever back to the locked position.
Using the Indexing System
The lathe is fitted with an indexing system which allows the spindle to be locked in any of 24 positions in a full 360 degree rotation, therefore in 15 degree intervals.
The indexing facility is useful for fluted columns, clock faces and accurate hole placements.
![]() | Index Pin Disengaged | |
![]() | Index Pin Engaged | |
![]() | Open the top belt pulley cover to expose the indexing ring. Mark a convenient position on the headstock casting and turn the faceplate to line up indexing position 1 with the mark. Then pull out and rotate the indexing pin, until it springs forward and locks the spindle. To move onto the next position, pull out the indexing pin, rotate the spindle by hand until the next number required is lined up with the mark, release the indexing pin to engage the lock. | |
| IMPORTANT: The indexing pin should never be used as a spindle lock To remove accessories from the spindle, always use the spanner provided to hold the spindle. Failure to do so, may result in damage to the pin and indexing wheel. | ||
Routine Maintenance
Replacing the Drive Belt
Eventually, the drive belt will become worn and require replacement.
1) Use a 3mm Hex key to remove the bottom pulley access door.
2) Remove the chrome hand wheel from the spindle by unscrewing it from the spindle. Hold the spindle with the spanner and unscrew the handwheel anticlockwise using the knock-out bar as a lever.
4) Open the top belt pulley access cover
5) Release the tension on the drive belt.
6) Remove the old belt by feeding it out of the pulley access port.
7) Fit the new belt by following the instructions in reverse. Ensure that the V- grooves are on the inside of the belt and correctly seated into the grooves on the pulleys.
Replacing the Motor Brushes
The carbon brushes should be regularly inspected and will need changing after approximately 500 hours use, or when the block has worn down to a length of 7mm.
1) Remove the motor from the machine by removing the tension adjusting lever and the pivot bolt on the rear side.
Withdraw the worn brush and spring, then
replace it with a new one.
Always replace both brushes at the same time.
CHARNWOOD 1420V LATHE TROUBLESHOOTING GUIDE
| Fault | Possible Cause | Remedy |
| Machine will not start | Power supply not connected | Check plug connections in rear of control unit |
| Fuse in plug blown | Replace fuse | |
| Fuse in Control Box blown | Replace Fuse | |
| Break in power supply cable | Visually check cable – replace if necessary | |
| Loose terminal on switch | Remove switch and check connections | |
| Switch failed | Replace switch | |
| Machine will not start, Speed Display Lit | Indexing Pin Engaged | Disengage Indexing Pin |
| Fuse in Control Box blown | Replace fuse | |
| Speed controller failed | Replace speed controller | |
| Carbon brushes worn | Replace carbon brushes | |
| Machine starts only when green button held | Switch has failed | Replace Switch |
| Machine starts to turn but slow speed only | Failed variable speed circuit | Check connection to speed dial |
| Spindle stalls but motor still running | Loose drive belt | Increase belt tension |
| Motor is running but spindle not turning | Broken drive belt | Replace drive belt |
| Motor is overheating | Too much load on motor | Reduce load – make shallower cuts |
| Airflow around motor restricted | Keep motor clear of shavings | |
| Spindle rotation slows during cut | Excessive depth of cut | Make shallower cuts |
| Chisels are dull | Sharpen chisels | |
| Worn carbon brushes | Replace brushes | |
| Loose drive belt | Increase belt tension |
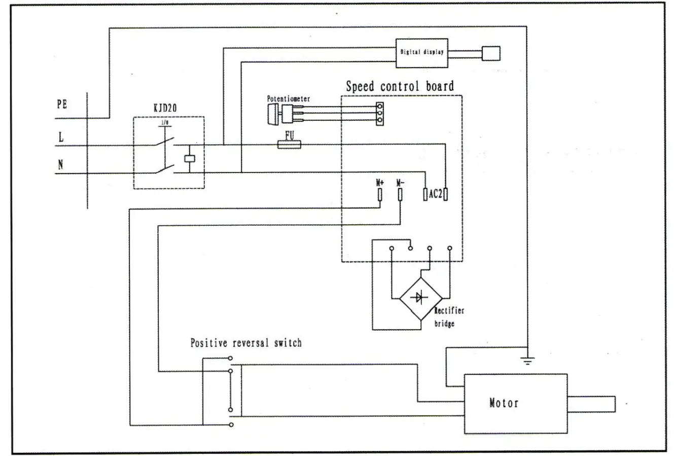
Charnwood 1420V Wiring Diagram

Declaration of Conformity
Charnwood Declare that Woodworking Lathe, Model 1420V Conforms with the following Directives: Machinery Directive 2006/42/EC EMC Directive 2014/30/EU
Conforms with the following UK Regulations: Supply of Machinery (Safety) Regulations 2008 Electrical Equipment (Safety) Regulations 2016 And further conforms to the machinery example for which the EC type examination Certificate No. AM 50387407 which has been issued by TUV Rheinland LGA Products GmbH, Tillystrasse 2, 90431, Nurnberg, Germany.
I hereby declare that equipment named above has been tested and found to comply with the relevant sections of the above referenced specifications. The machinery complies with all essential requirements of the directives and regulations.
Signed: 
Dated: 08/02/2022
Location: Leicestershire
Please dispose of packaging for the product in a responsible manner. It is suitable for recycling. Help to protect the environment, take the packaging to the local amenity tip and place into the appropriate recycling bin.
Only for EU countries
Do not dispose of electric tools together with household waste material!
In observance of European Directive 2002/96/EC on waste electrical and electronic equipment (EEE) and its implementation in accordance with national law, electric tools that have reached the end of their life must be collected separately and returned to an environmentally compatible recycling facility.
Your local refuse amenity will have a separate collection area for EEE goods
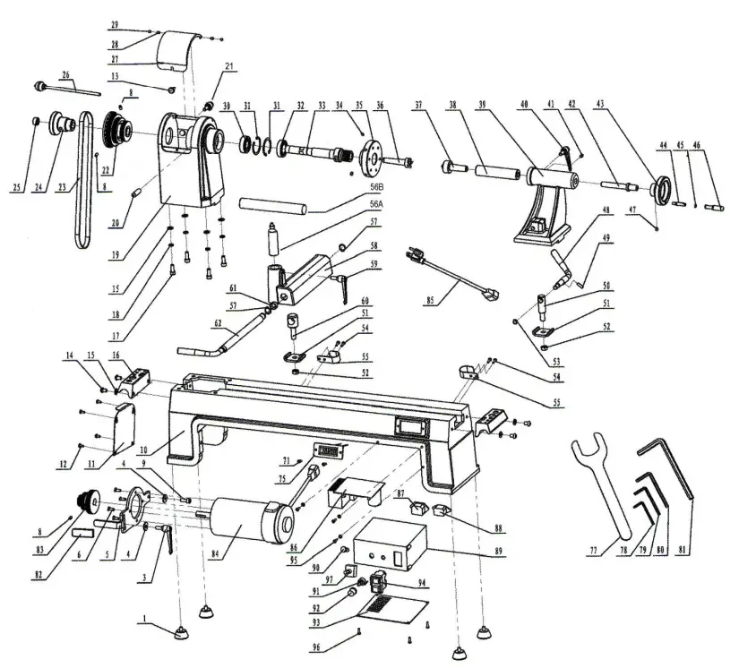
Charnwood 1420V Parts List
| Part No | Description | Part No | Description | |
| 01 | Rubber Foot | 02 | D.C. Motor | |
| 03 | Belt Tension Lock Lever | 04 | Flat Washer | |
| 05 | Motor Plate | 06 | Cap Head Screw | |
| 08 | Grub Screw | 09 | Cap Head Screw | |
| 10 | Bed | 11 | Belt Door | |
| 12 | Cross Head Screw | 13 | Screw | |
| 14 | Cap Head Screw | 15 | Flat Washer | |
| 16 | Carry Handle | 17 | Cap Head Screw | |
| 18 | Spring Washer | 19 | Headstock | |
| 20 | Digital Readout Sensor | 21 | Location Pin Assembly | |
| 22 | Spindle Pulley | 23 | Drive Belt 310J | |
| 24 | Headstock Wheel | 25 | Locking Nut | |
| 26 | Knockout Rod Assembly | 27 | Cover For Motor Pulley | |
| 28 | Cap Head Screw | 29 | Grub Screw | |
| 30 | Bearing | 31 | Circlip | |
| 32 | Bearing 6005 | 33 | Spindle | |
| 34 | Cap Head Screw | 35 | Face Plate | |
| 36 | Drive Centre | 37 | Revolving Tail Centre | |
| 38 | Sleeve | 39 | Tailstock | |
| 40 | Quill Lock Lever | 41 | Pin | |
| 42 | Leadscrew | 43 | Tailstock Handwheel | |
| 44 | Handwheel Axle | 45 | Washer | |
| 46 | Handwheel Handle | 47 | Grub Screw | |
| 48 | Tailstock Cam Lock Lever | 49 | Grub Screw | |
| 50 | Tailstock Clamp Bolt | 51 | Clamping Plate | |
| 52 | Nut | 53 | Circlip | |
| 54 | Cross Head Screw | 55 | Cable Hook | |
| 56A | Tool Rest Stem 25mm Dia. | 56B | Tool Rest Crossbar | |
| 57 | Circlip | 58 | Tool Rest Banjo | |
| 59 | Tool Rest Height Lock | 60 | Tool Rest Clamp Bolt | |
| 61 | Tube | 62 | Tool Rest Cam Lock Lever | |
| 71 | Cross Head Screw | 75 | RPM Digital Readout | |
| 77 | Spanner | 78 | Allen Key 3mm | |
| 79 | Allen Key 4mm | 80 | Allen Key 5mm | |
| 81 | Allen Key 12mm | 82 | Knob | |
| 83 | Motor Pulley | 84 | Motor | |
| 85 | Power Lead | 86 | Circuit Board | |
| 87 | Connector for Motor Plug | 88 | Connector for Power Lead | |
| 89 | Electrical Box | 90 | Rubber Grommet | |
| 91 | Speed Controller | 92 | Variable Speed Knob | |
| 93 | Box Cover | 94 | Switch – KJD20 | |
| 95 | Cross Head Screw | 96 | Cross Head Screw | |
| 97 | FWD/REV Toggle Switch | BRUSH | Carbon Brushes x2 | |
| VS | Control Unit Complete Parts # 86-94 + 96 |
Charnwood 1420V Parts Drawing

wood working machinery at its best!
Updated: March 2022
Charnwood, Cedar Court, Walker Road,
Hilltop Industrial Estate, Bardon Hill, Leicestershire, LE67 1TU
Tel. 01530 516 926 Fax. 01530 516 929
email: [email protected] website: www.charnwood.net
Charnwood, Cedar Court, Walker Road,
Hilltop Industrial Estate, Bardon Hill, Leicestershire, LE67 1TU
Tel. 01530 516 926 Fax. 01530 516 929
email: [email protected] website: www.charnwood.net![]()

























