NOXAIR Biosafety Cabinet BIO II A2 ECO
Technical drawing

Getting started
After the installation has been prepared, the Biosafety cabinet can be inspected, installed and tested. The information below will guide you in performing the following actions:
- Unpacking and moving the Biosafety cabinet.
- Installing the hood.
- Connecting the electrical supply source.
- Connecting the service lines.
- Testing and certifying.
Note: The Biosafety cabinet weighs between 180-260 kg. The shipping pallet allows for lifting with a mechanical lift truck or floor jack. If you must lift the cabinet manually, at least 2 people are required, and guidelines for safety must be strictly followed.
Unpacking the Biosafety cabinet
Carefully remove the outer wrapping and inspect the hood for damage that could have occurred during the transportation of the unit. If damage has taken place, please notify the delivery carrier immediately and leave the entire box as is, intact for the carrier’s inspection. Please do not return the product without the prior authorization of Noxair Life Sciences. Unauthorized returns will not be accepted.
If the cabinet was damaged during the transportation, please file a claim directly with the freight carrier. Noxair Life Sciences. is not responsible for shipping damages. Do not discard the package in which the cabinet is wrapped until all of the components have been checked, installed and tested. The hood is secured to the pallet on both sides. To access the nuts and bolts, remove the side panels by unscrewing the Philips screws on both panels (Keep the screws). Swing the front of each panel away from the cabinet, and lift it straight up to remove the panel from the cabinet. The following articles are packed in a box located underneath the work surface:
- User manual
- Test report
If any of the components listed for the cabinet are not present, or in the case that any of the components are damaged, contact Noxair immediately for further instructions.
Moving the Biosafety cabinet
Moving the hood should be performed with care. You can move the hood while it’s attached to its pallet, by using a floor jack, or a furniture dolly located underneath the unit. Do tilt the hood onto a hand truck.
Installation of the Biosafety cabinet on an Existing Work Surface
Note: The Biosafety cabinet is heavy. Use caution when lifting or moving it. During the installation of the Biosafety cabinet on an existing work surface or benchtop, please make sure that the structure can safely support the weight of the hood along with the weight of any related equipment. The work surface should be at least as wide as the Hood for proper support. A hole or notch may be added in the supporting surface in the front right corner for the optional drain valve.
Installing the Hood on a Noxair Life Sciences. Base Stand
Noxair Life Sciences offers a Base Stand in a variety of configurations to suit a variety of customer needs.
WARNING: Lift and support the weight of the cabinet only from the sides and back. Damage will occur if the cabinet is lifted or supported from the front edge. Move the base stand into its final location. Using a carpenter’s level, adjust each leveling foot until the stand is level on both planes. At this point, the hood can be lifted on to the designated stand.
Before using the Noxair Life Sciences cabinet a qualified certifier must certify it. Under normal operating conditions, the Biosafety cabinet should be recertified at least once a year. It should also be recertified when it is relocated or serviced. The certifier should perform tests, in accordance with the local market.
Biosafety cabinet Check and Certification
- Noise level test,
- Lightening intensity test
- down flow velocity test
- particle counting test
- D.O.P test
Location Requirements
The cabinet must be in a location which is not in the proximity of doors, fans, ventilation registers, fume hoods and air-handling units that could cause damage to its airflow patterns. The windows in the room should be shut. The drawing below provides guidelines for the preferred location assigned to the Biosafety cabinet.
Environment limits
- 41ºF a 104ºF / 5ºC a 40ºC
- Max RH: 80% for temp up to 88ºF / 31ºC
Electricity information
PCB connections
Electricity Specifications
Various models of the Biosafety cabinet models have these electrical requirements:
| Referencia | Requerimientos eléctricos |
| BIO II A2 080 ECO 115V | 115 VAC, 60 Hz, 2 Amps |
| BIO II A2 080 ECO 230V | 230 VAC, 50/60 Hz, 1 Amps |
| BIO II A2 120 ECO 115V | 115 VAC, 60 Hz, 2 Amps |
| BIO II A2 120 ECO 230V | 230 VAC, 50/60 Hz, 1 Amps |
| BIO II A2 150 ECO 115V | 115 VAC, 60 Hz, 3 Amps |
| BIO II A2 150 ECO 230V | 230 VAC, 50/60 Hz, 1,5 Amps |
| BIO II A2 180 ECO 115V | 115 VAC, 60 Hz, 3 Amps |
| BIO II A2 180 ECO 230V | 230 VAC, 50/60 Hz, 1,5 Amps |
Filters
HEPA/ULPA Product Overview:
- Tested to ensure certified performance
- Reduces operation costs with lowest possible pressure drop from microglass media
- Gasket seal design
- Optional media ribbon or hot melt separators
- Choice of efficiencies
- Lightweight, compact
Filter Replacement
- Open the screws and take off the stainless steel perforated board

- Open de pressing screws and take off the support frame and the filter

- Upper filter is the same method, foof location
Front glass replacement
- Open the front panel, and use a stable post to hold it

- Release the 4 screws of sash motor and take it out

- Take out the stripe at the right side, which has 3 pcs micro switches on it

- Putt he new glass inside the follow position, then down the glass throught the sash track carefully

- Use tapping screw to fasten the glass to the belt.

Sistema de control
- Electric Socket – Click this button to activate the electric socket of the unit.
- On/Off – Click this button to shut the unit on and off. It is recommended to switch on the unit five or ten minutes prior to any activity.
- LED light – Click this button to operate the fluorescent lights. When the sash is fully closed, the fluorescent lights automatically shut off.
- UV light – Click this button to operate the UV (germicidal) light. When the sash is fully closed, the UV light can be programmed to automatically turn on. When the sash is raised, the light automatically turns off, to prevent exposure to UV radiation.
- Fan Button – Click this button to turns the fan on and off.
Settings:

Calibration: Go to calibration screen, and press the password. For your security it is not printed in this manual, please ask it to Noxair Life Sciences after sales service.
Locate a calibrated air velocity vane, on the perforated roof of the cabinet. Use the up/down arrows until you will get air velocity of 0.5 m/s on the vane – press “save” and go with the right arrow to the next page. Use the up/down arrows until you will get air velocity of 0.5 m/s on the vane – press “save”.
Maintaining the cabinet
The service operations required for maintenance of the Biosafety cabinet to ensure top level performance are listed below.
Routine Maintenance Schedule
Weekly
- Using 70% ethanol, or another disinfectant, disinfect the surface of the hood interior and the work surface.
- Operate the hood blower, and record the remaining filter life % in an operational log.
Monthly
- Using a damp cloth, clean the exterior surfaces of the hood, especially the front and top of the cabinet, to remove dust.
- Disinfect and lift the work surface. Disinfect the surface of the lower plenum with a solution of 70% ethanol or another disinfectant.
- Check all service valves for proper operation.
Semiannually or Annually
- Have the cabinet re-certified by a qualified certification technician.
Storage
If the cabinet is not used for over a month, it should be placed in storage conditions..
Note:
- The hood should not be stored in areas of excess humidity or extreme temperatures.
- If the hood is moved during storage, it must be recertified before use.
- Close the sash to the end and seal the bottom edge and the exhaust outlet with plastic sheets.
- Unplug the cabinet.
- Make sure that the hood is not moved or disturbed during storage. antes de su nuevo uso.
Alarms

Troubleshooting

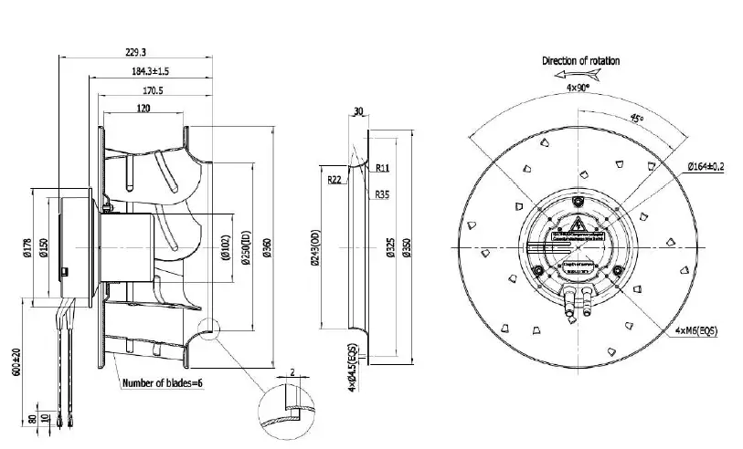
Fan and Filter information
- Rated Voltage 230VAC
- Frequency 50/60Hz
- Operating Voltage 200~277 VAC
- Low-Start Voltage ≤199VAC
- Rated Speed 1930 RPM
- Input Current 2,02A
- Input Power 467W
- Air Flow 2190 CFM /3720 m3/h
- Static Pressure 2.96inH2O / 740Pa
- Acoustical Noise 73 dB(A)
- Life Expectance 50,000 Hours (L10) At 40℃ room, humidity 15%~65%RH.
- Direction of Rotation Anti-clockwise seen on motor


High Quality HEPA and ULPA Filters for Dry Seal Applications


Specifications
- Efficiency: HEPA ULPA
- Media type: Fiberglass
- Frame material – aluminum
- Separator style – hot melt
- Special size available – yes
- Antimicrobial available – n9o
- Max operation temp. 66 degrees Celsius
- Filter depth – several options
- Air filter specification: UL900
NOXAIR LIFE SCIENCES, S.L.
Calle Caponata, 8
08034 – Barcelona
España























![Biobidet Personlal Hygiene Appliance [bb-800, Bb-1000] User Manual Biobidet Personlal Hygiene Appliance [bb-800, Bb-1000] User Manual](https://static-data1.manualsee.com/1/img/363/18080/2020/12/Biobidet-Personlal-Hygiene-Appliance-BB-800-BB-1000-User-Manual.jpg)



