
Instruction manual
Breton PIR Wall Light
94348, 97820

Thank you for purchasing this light fitting. Please read the instruction carefully before use to ensure safe and satisfactory operation of this product. Please retain these instruction for future reference.
Warning
This is a Class 1 product and must be earthed. Please read these instructions carefully before commencing any work. This unit must be fitted by a competent and qualified electrician. Install in accordance with the IEE Wiring regulations and current Building Regulations. Check the pack and make sure you have all the parts listed. To prevent electrocution switch off at the mains supply before installing or maintaining this fitting. Ensure other persons cannot restore the electrical supply without your knowledge. This light fitting should be connected to a fused circuit. If you are in any doubt, please consult a qualified electrician. This product contains glass so care must be taken when fitting or handling to prevent personal injury or damage to the product. If replacing an existing fitting, make a careful note of the connections. This product is suitable for installation on surfaces with normal flammability e.g. wood, masonry. It is not suitable for use on highly flammable surfaces or in flammable atmospheres. Never put anything on the product or hang anything on any part of this product. Waste electrical products should not be disposed of with household waste. Please recycle where facilities exist. Check with
your local authority or retailer for recycling advice.
Layout
Plan the desired layout of these fittings carefully, ensuring the cables will reach the distances between the junction box and the each light fitting. Cables in walls must be protected using suitable conduit or plastic trunking. The mains supply cable must have a minimum cross-sectional area of 1.0mm² Take care not to drill into any pipes or mains cables beneath the surface during mounting holes preparation.
Installation
Existing fittings must be completely removed before installation of a new product. Before removing the existing fitting, carefully note the position of each set of wires. Note that the switch is turned off before installation. Ensure that the screws and cable entry points are sealed to maintain the IP rating of the product. After deciding the layout of the light fitting ensure that the cables are long enough to connect to desired positions. Ensure the wall is capable of holding the weight of the product. Take care to avoid damaging any concealed wiring and pipes. The correct fixings should be used for brick, cavity walls, or plasterboard.
- Remove the fixing bracket by undoing the 2 screws, retain these for re-use.
- Follow the installation steps below to install.
- Fix the product into position.
- Replace fuse or circuit breaker and switch on. Your light is now ready for use.

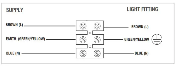
Wiring
Having correctly identified the wiring from your existing light fitting, pull the wire through the hole and connect to the connection block inside the product in the following way:

Check that…
You have correctly identified the wires The connections are tight No loose strands have been left out of the connection block When completed, ensure that there are no bare or loose strands of wire exposed, and cover all exposed areas of the connection block with 2 layers of insulation tape.
PIR Adjustment
To access the adjustment screws flip down the black cover over the PIR sensor. Take great care when adjusting the sensor screws, not to over tighten as they can be easily broken.
- The unit must be installed in a vertical position and fitted 1.8-2.5m above the ground.
- The PIR sensor can be adjusted, allowing the detection distance to be altered to suit the location. The detection angle is set at 110º. The duration that lamp stays on can also be altered from 5 seconds – 5 minutes. The LUX rang is 10-2000 lux. Use a small screwdriver to adjust the “TIME” and “SENS” screws. When adjusting the sensitivity (detection distance) in daylight it will be necessary to cover the sensor to simulate nighttime.

The PIR sensor has a manual override function which can be operated by taking the following steps:
- When first switched on, the PIR sensor “warms up” for approx 1 minute and then goes into AUTO mode.
- In AUTO mode, switch the power OFF and ON twice within 3 seconds, the PIR sensor will switch to MANUAL mode. In MANUAL mode, the light will remain ON permanently, without the PIR function.
- To return to AUTO mode, switch the power OFF and ON twice within 3 seconds.
- In either mode, if the power is switched OFF more than 6 seconds, the PIR sensor will go through ‘warm up’ process again when you turn it on next time.

Technical data
Supply Voltage: 220-240 V~, 50 Hz
Bulb Type: 1 x Max. 28W E27 Eco GLS (check bulb dimensions in relation to space available)
Conformity with all relevant UKCA Directive requirements.
Conformity with all relevant EC Directive requirements.
This is a Class 1 product and must be earthed.
Waste electrical products should not be disposed of with household waste. Please recycle where facilities exist. Check with your Local Authority or local store for recycling advice.
This product is rated at IP44.
Care and Safety
We recommend cleaning with a soft dry cloth. Do not use solvents or abrasive cleaners as these could damage the finish. For your safety, always switch off the power supply before changing lightbulbs, or cleaning.

The bulb source is protected by the clear glass body. The glass must be replaced immediately should it become cracked or damaged. This fitting must not be used without the glass in place.

V2 10/07/2021
UK Manufacturer: BH17 7BY
EU Manufacturer: 1 Gnarrenburg, 27442














