
Powering Business Worldwide
AT18HM – INSTALLATION INSTRUCTION FOR ASTRONOMIC PROGRAMMABLE TIMER
Model: AT18HM
Astronomic Programmable Timer
FEATURES:
- Astronomical feature: Automatically adjusts dusk to dawn times
- Total of 7 on, 7 off programmable settings
- Single pole or three way installations
- Random ON/OFF operation for security
- Manual override
- Battery backup: Programs will be saved during power outages
- Daylight Savings: Auto adjusts for daylight savings time
- Replaces standard wall switch
- Back-lit LCD screen
- Works with CFL, LED and incandescent bulbs

SPECIFICATIONS
Voltage……………………………………………………………………………………………………120VAC, 60Hz
Resistive………………………………………………………………………………………………………….15Amps
Tungsten……………………………………………………………………………………………………………1200W
Standard Ballast………………………………………………………………………………………………1200VA
Electronic Ballast/ LED………………………………………………………………………………..5A (600W)
Motor………………………………………………………………………………………………………………….1/2HP
WARNING
Turn the power off at the circuit breaker before installing the timer.
Read and understand these instructions before installing. This device is intended for installation in accordance with the National Electrical Code as well as local regulations. It is recommended that a qualified electrician performs this installation. Make sure to turn off the circuit breaker or fuse(s) before wiring the device. Use copper wire only.
Pre-Installation Requirements:
- This timer requires that your switch box have a neutral wire for proper installation in order to operate correctly. If you open up your switch box and only see 2 wires, this indicates that your switch box does not have a neutral wire and this timer will not work.
- This timer will work in a single pole or 3-way installation. It will not work in a 4-way installation.
- This timer is rated for loads up to 15 amps.
Single-Pole Installation:
- Take the existing wall switch out of the wall box, but do not remove the wires.
- Identify and label all the wires, then remove existing switch
- Connect the timer to the wires as shown. See Figure 1. Connect the HOT (Line) to the HOT terminal of the timer. Connect the load wire to the LOAD terminal of the timer. Connect the neutral wire to the NEUTRAL terminal of the timer. Connect the ground wire to the GROUND terminal of the timer. Be sure that all the terminal screws are tight.
- Tuck the wires into the wall box and leave room for the timer.
- Mount the timer to the wall box and install the wallplate.
- Restore power at the circuit breaker.

FIGURE 1:
Single pole installation Installation unipolaire 1 polo
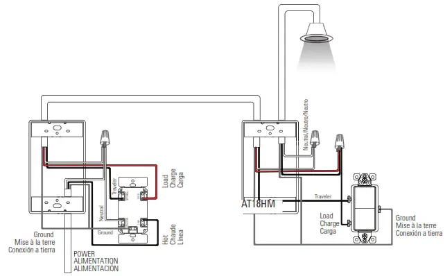
FIGURE 2
3-way installation
Installation
Timer at load side
Temporizador en el lado de carga

Part | Description |
1 | DISPLAY: easy-to-read digital display |
2 | SET: press to set the calendar, clock, region and daylight saving setting |
3 | PROG: press to set daily on/off times |
4 | DAWN/DUSK: press to change the default dawn/dusk times |
5 | MODE/DELETE: press to choose from auto, manual or random modes, when the timer is in program mode, this button deletes program settings |
6 | ON/OFF AND TIMER OVERRIDE: press to turn load on/off and hold to start the countdown function |
| UP/DOWN BUTTON: press to change selected value | |
8 | RESET: press to reset the timer to return to default settings. |
9 | HOME: press to return to Home scr een |


SETTING TIME AND REGION:
- Open the faceplate. Gently press RESET to clear all programs and set timer to default settings. Press the SET button to begin setting the timer and calendar. The time “12:00 am” will be flashing. See Figure 6.
- Use the UP/DOWN buttons to set the current time, taking note of the AM/PM on the display. Press SET when the current time is displayed.
- Use the UP/DOWN buttons to select the year then press SET.
- Use the UP/DOWN buttons to set the month then press SET.
- Use the UP/DOWN buttons to set the day then press SET.
- Use the UP/DOWN buttons to set the region zone then press SET. The options are NOR: North, CENT: Central, SOU: South, HAW: Hawaii, PRI: Puerto Rico and MEX: Mexico. See Figure 5.
- Use the UP/DOWN buttons to turn DST (Daylight Savings Time) on/off then press SET.
Note: In DST ON mode, the timer will automatically adjust backwards and forwards 1 hour for daylight savings.
SETTING THE DAWN/DUSK TIME:
- Press the ☼/☽ button to begin setting the dawn/dusk time.
- Use the UP/DOWN buttons to set the dusk time then press ☼/☽ button. See Figure 8.
- Use the UP/DOWN buttons to set the dawn time, then press HOME button to exit and return to home screen. See Figure 9.

PROGRAMMING ON/OFF TIMES:
- Press the PROGRAM button to set the programming times. The display will show “ON PG 1.” See Figure 10.
- Press PROGRAM to scroll through the remaining On/Off programs until you reach an available program. There are 7 On/Off programs total. Press SET when you are on the right program.
- Use the UP/DOWN buttons to set the time, taking note of the AM/PM on the display. See Figure 11.
- Once you are on the current time, press SET again to set the day.

- Use the UP/DOWN buttons to scroll the days of the week, choose one of the options:
• MO, TU, WE, TH, FR, SA, SU (Default)
• MO, TU, WE, TH, FR
• MO through SU: Individual days
• SA, SU - Press HOME button to save and exit
Note: During the setting progress, the length of time that you stop operating should not exceed 6 seconds, otherwise the setting will fail and screen will return to the original state.
ASTRONOMICAL SETTING:
Prior to using the astronomical feature, be sure to set the correct dawn/dusk times.
Then follow the instructions below to use the feature.
- Press the PROGRAM button to set the program times. The display will show “ON PG. 1”
- Press PROGRAM to scroll through the remaining ON/OFF programs until you reach an available program. Press SET when you are on the right program.
- Press the ☼/☽ button to display the dusk time. (Press again to display the dawn time.)
- Press SET again to set the day
- Press HOME button to save and exit
COUNTDOWN MODE:
Press and hold the ON/OFF button for 3 seconds to enter countdown setting.
- Use UP/DOWN buttons to select countdown time (default time is 1 hour). See Figure 12.
- Stop on the time desired, then wait about 10 seconds and the time displayed will stop flashing. The timer is now counting down and the lights will turn off once countdown had completed. The time selected will become the new default setting. During the countdown, hold the ON/OFF buttons for 3 seconds to cancel.

OTHER PROGRAMMING:
REVIEWING PROGRAMS
- Press the PROGRAM button to scroll through all On/Off programs.
DELETING PROGRAMS
- Press the PROGRAM button to scroll to the program to be deleted and press MODE/DELETE button to delete. The screen will show the program has been deleted. See Figure 13.
SETTING RANDOM MODE
- To turn on, press MODE/DELETE button until RND is displayed on the screen. To turn off, press MODE/DELETE button again to enter the manual or utomatic setting. See Figure 14.
° With random feature (RND), the timer can add additional security by varying the ON/OFF times within 30 minutes of the programmed settings.
° There must be a time set in the program in order for this feature to work
OTHER FEATURES:
USING THE THREE AVAILABLE TIMER MODES (OPTIONAL)
REVIEWING PROGRAMS
• Auto – (Automatic) Timer is in Automatic mode and will operate by the pro grammed times
• MANU – (Manual) This overrides the programmed times and the lights can only be turned ON and OFF by pressing the ON/OFF button
• RND – (Random) The timer will randomly turn ON/OFF times within 30 minutes of the programmed times.
TROUBLESHOOTING TIPS:
Q: Lights flickering or intermittent power to the load
A: Load has a bad connection
A: Wires not secured firmly with connectors of timer switch
A: Missing load Neutral wire
Q: Program scheduled turn on but does not turn off
A: Check scheduled off program to ensure all day are selected
Q: Timer does not switch ON/OFF but display looks normal
A: Timer is set to manual mode. Press Mode button to select Auto Mode.
WARRANTY INFORMATION
EATON WIRING DEVICES LIMITED 2 YEAR WARRANTY Eaton Wiring Devices warrants its Astronomic Programmable Timer to be free of defects in materials and workmanship in normal use and service for a period of two years from date of original purchase. THIS TWO (2) YEAR LIMITED WARRANTY IS IN LIEU OF ALL OTHER WARRANTIES, OBLIGATIONS, OR LIABILITIES, EXPRESSED OR IMPLIED (INCLUDING ANY IMPLIED WARRANTY OF MERCHANTABILITY OR FITNESS FOR A PARTICULAR PURPOSE THAT IS IN DURATION IN EXCESS OF TWO YEARS FROM THE DATE OF ORIGINAL CONSUMER PURCHASE). NO AGENT, REPRESENTATIVE, OR EMPLOYEE OF EATON HAS AUTHORITY TO INCREASE OR ALTER THE OBLIGATIONS OF EATON UNDER THIS WARRANTY. To obtain warranty service for any properly installed Eaton Astronomic Programmable Timer that proves defective in normal use send the defective Astronomic Programmable Timer prepaid and insured to Quality Control Dept., Eaton Wiring Devices, 203 Cooper Circle, Peachtree City, GA 30269; in Canada: Eaton Wiring Devices, 5925 McLaughlin Road, Mississauga, Ontario L5R 1B8. Eaton will repair or replace the defective unit, at its option. Eaton will not be responsible under this warranty if examination shows that the defective condition of the unit was caused by misuse, abuse, improper installation, alteration, improper maintenance or repair of damage in shipment to Eaton. EATON SHALL HAVE NO RESPONSIBILITY FOR INSTALLATION OF THE ASTRONOMIC PROGRAMMABLE TIMER, OR FOR ANY PERSONAL INJURY, PROPERTY DAMAGE, OR ANY SPECIAL, INCIDENTAL, CONTINGENT, OR CONSEQUENTIAL DAMAGES OF ANY KIND, RESULTING FROM DEFECTS IN THE ASTRONOMIC PROGRAMMABLE TIMER OR FOR BREACH OF ANY EXPRESS OR IMPLIED WARRANTY ON THIS PRODUCT. THE EXCLUSIVE REMEDY FOR BREACH OF THE LIMITED WARRANTY CONTAINED HEREIN IS THE REPAIR OR REPLACEMENT OF THE DEFECTIVE PRODUCT AT EATON’S OPTION. IMPLIED WARRANTIES (IF ANY) INCLUDING, BUT NOT LIMITED TO IMPLIED WARRANTIES OF FITNESS FOR A PARTICULAR PURPOSE AND MERCHANTABILITY, ARE LIMITED IN DURATION TO A PERIOD ENDING TWO YEARS FROM THE DATE OF ORIGINAL CONSUMER PURCHASE. IN NO CASE SHALL EATON’S LIABILITY UNDER ANY OTHER REMEDY PRESCRIBED BY LAW EXCEED THE PURCHASE PRICE. Some states do not allow the exclusion or limitation of incidental or consequential damages or allow disclaimers or modifications of or limitations on how long an implied warranty lasts, so the above limitations may not apply to you. Some Canadian provinces do not allow exclusion or variance of implied warranties so that some or all of the above limitations may not apply to you. This warranty gives you specific legal rights and you may also have other rights which vary from state to state and province to province. Read enclosed instructions carefully. If you have any questions concerning use or care of this product, please write: Consumer Service Division, Eaton Wiring Devices, 203 Cooper Circle, Peachtree City, GA 30269.
www.eaton.com
www.eaton.com/wiringdevices
EIS-0269-EFS (REV. A)
Folding and Printing InstructionsDocument Dimensions: 8.5” W x 11”H
2-sided printing, Accordian fold in fourths
logo at top, fold in fourths again.
Final Size: 2.25” W x 2.75” H























