KICHLER 49776BK Northland 1-Light 16.75-Inch Black Outdoor Wall Light

INSTALLATION
CAUTION
RISK OF SHOCK
Disconnect Power at the main circuit breaker panel or main fuse box before starting and during the installation.
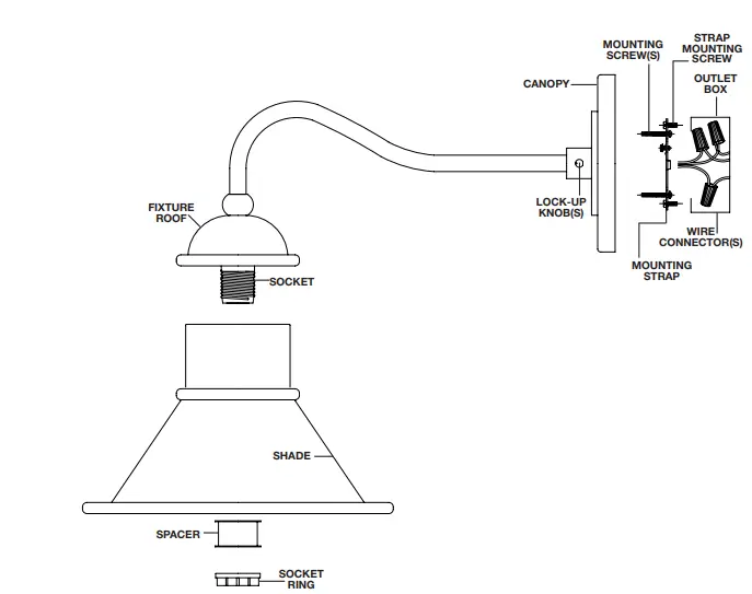
- Find the appropriate threaded holes on mounting strap that align with hole distance in canopy. Thread mounting screws into threaded holes starting from outlet box side.
- Attach mounting strap to outlet box with strap mounting screws. Mounting strap can be adjusted to suit position of fixture.
- Grounding instructions: (See Illus. A or B)
- A) On fixtures where mounting strap is provided with a hole and two raise dimples. Wrap ground wire from out let box around green ground screw, and thread into hole.
- B) On fixtures where a cupped washer is provided. Put ground wire from outlet box under cupped washer and green ground screw and thread screw into hole in mounting strap.
If fixture is provided with ground wire. Connect fixture ground wire to outlet box ground wire with wire connector, after following the above steps. Never connect ground wire to black or white power supply wires.
- Make wire connections. Reference chart below for correct connections and wire accordingly.
Connect Black or Red Supply Wire to: Connect White Supply Wire to:
Black White *Parallel cord (round & smooth) *Parallel cord (square & ridged) Clear, Brown, Gold or Black without tracer Clear, Brown, Gold or Black with tracer Insulated wire (other than green) with copper conductor Insulated wire (other than green) with silver conductor *Note: When parallel wires (SPT I & SPT II) are used. The neutral wire is square shaped or ridged and the other wire will be round in shape or smooth (see illus.) Neutral Wire
*Note: When parallel wires (SPT I & SPT II) are used. The neutral wire is square shaped or ridged and the other wire will be round in shape or smooth (see illus.) - Push fixture to wall carefully passing mounting screws with holes in canopy. Make sure all wires are inside canopy and do not get pinched between wall and canopy of fixture.
- Thread lockup knobs onto mounting screws. Tighten to secure lockup knobs to secure fixture to wall.
- Raise shade up into the fixture, fit top edge of shade inside fixture roof.
- Raise spacer to fixture and slip over the socket.
- Thread socket ring onto the socket. Tighten socket ring to secure the shade in place.
INSTRUCTIONS FOR MOUNTING FIXTURE OUTDOORS AND/OR IN WET LOCATIONS. - Mounting surface should be clean, dry, flat and 1/4” larger that the canopy on all sides. Any gaps between the mounting surface and canopy exceeding 3/16” should be corrected as required.
- With silicone caulking compound, caulk completely around where back of canopy meets the wall surface to prevent water from seeping into outlet box.
We’re here to help 866-558-5706 Hrs: M-F 9am to 5pm EST

*Note: When parallel wires (SPT I & SPT II) are used. The neutral wire is square shaped or ridged and the other wire will be round in shape or smooth (see illus.)

















