Topvex SoftCooler TR09-15
Installation instructions
208767-EN_GB
Document in original language
15-03-2016 A004![]()
Declaration of Conformity
Manufacturer
Systemair Sverige AB
Industrivägen 3
SE-739 30 Skinnskatteberg SWEDEN
Office: +46 222 440 00 Fax: +46 222 440 99
www.systemair.com
hereby confirms that the following products:
Cooling unit
Topvex SoftCooler TR09
Topvex SoftCooler TR12
Topvex SoftCooler TR15
(The declaration applies only to product in the condition it was delivered in and installed in the facility in accordance with the included installation instructions. The insurance does not cover components that are added or actions carried out subsequently on the product)
Comply with all applicable requirements in the following directives and regulations
| Machinery Directive 2006/42/EC | Ecodesign Directive 2009/125/EC |
| Low Voltage Directive 2014/35/EU | 327/2011 Requirements for fans |
| EMC Directive 2014/30/EU | 1253/2014 Requirements for ventilation units |
The following harmonized standards are applied in applicable parts:
| EN ISO 12100:2010 | Safety of machinery – General principles for design – Risk assessment and risk reduction |
| EN 13857 | Safety of machinery – Safety distances to prevent hazard zones being reached by upper or lower limbs |
| EN 60204-1 | Safety of machinery – Electrical equipment of machines – Part 1: General requirements |
| EN 60335-1 | Household and similar electrical appliances – Safety Part 1: General requirements |
| EN 60335-2-40 | Safety of household and similar electrical appliances – Part 2-40: Particular requirements for electrical heat pumps, air-conditioners and dehumidifiers |
| EN 50106:2007 | Safety of household and similar appliances – Particular rules for routine tests referring to appliances under the scope of EN 60 335-1 and EN 60967 |
| EN 60529 | Degrees of protection provided by enclosures (IP Code) |
| EN 62233 | Measurement methods for electromagnetic fields of household appliances and similar apparatus with regard to human exposure |
| EN 61000-6-2 | Electromagnetic compatibility (EMC) – Part 6-2: Generic standards – Immunity for industrial environments |
| EN 61000-6-3 | Electromagnetic compatibility (EMC) – Part 6-3: Generic standards – Emission standards for residential, commercial and light-industrial environments |
The complete technical documentation is available.
Skinnskatteberg, 15-03-2016
Mats Sándor
Technical Director
Warnings
The following admonitions will be presented in the different sections of the document.
Danger
- Make sure that the Mains supply to the unit is disconnected before performing any maintenance or electrical work!
- All electrical connections must be carried out by an authorized installer and in accordance with local rules and regulations.
- Operation in the refrigerant circuit and handling refrigerants must be performed by certified personnel.
Warning
- The door handles are only intended to be used during the installation. These must be removed before the unit is put into operation to ensure the required level of safety for the unit.
- The unit is heavy. Be careful during transport and mounting. Risk of injury through pinching. Use protective clothing.
- Beware of sharp edges during mounting and maintenance. Make sure that a proper lifting device is used. Use protective clothing.
- Skin contact with the refrigerant must be avoided. Use protective equipment such as protective goggles, gloves and suitable clothing’s. Good ventilation must be arranged.
- If freezing injury a doctor must be seen.
- If skin contact the exposed part of the body must be carefully washed.
- If eye contact use eye wash or lukewarm water and wash for 20 minutes, visit a doctor.
- The units electrical connection to the mains supply must be preceded by an all pole circuit breaker with a minimum 3 mm gap.
Caution
- If the unit is installed in a cold place make sure that all joints are covered with insulation, and tape well
- Duct connections/duct ends should be covered during storage and installation
- Do not connect tumble dryers to the ventilation system
Refrigerant Control/Reporting
Topvex SoftCooler TR comes pre-filled with refrigerants and belongs to the group “Piece units containing more than 3kg refrigerants per circuit”. Before commissioning shall always a control report in respect of the installation be established by a cooling certified person. Leakage control with record keeping shall be done once per year. The installation of the Topvex SoftCooler TR is only duty to report if the property/enterprise where the installation occurs, all together after installation, has a total amount of refrigerants of 10 kg or more (“small Piece units” with refrigerants less than 3 kg, e.g. normal refrigerators/freezers does not includes). Reporting shall in occurring cases be done to major inspection authority (normally the municipal environmental office).
Different regulations can be valid in different countries. Check with your local government.
Product information
4.1 General
This installation manual concerns Topvex SoftCooler TR09-15 manufactured by Systemair AB. Topvex SoftCooler TR09-15 include the following model options:
- Model: TR09, TR12, TR15.
- Right or left models: R (Right) L (Left). The side of the supply air outlet when viewed from the access side.
This manual consists of basic information and recommendations concerning the design, installation, start-up and operation, to ensure a proper fail-free operation of the unit.
The key to proper and safe operating of the unit is to read this manual thoroughly, use the unit according to given guidelines and follow all safety requirements.
This instruction is a complement to “Topvex SR 09,11, TR 09-15 Installation instruction” (separate document) and should also be read prior to installation.
4.2 Technical data
4.2.1 Dimensions and weights Topvex SoftCooler TR09-TR15

Fig. 1 Dimensions (mm) TR09-TR15 (Drawn as left hand unit)
| Model | AA | B | C | D | E | F | G | I | J | K | L |
| TR09 | 2630 | 1630 | 1120 | 810 | 895 | 104 | 129 | 129 | 105 | 210 | 700 |
| TR12 | 2770 | 1740 | 1230 | 930 | 965 | 76 | 104 | 104 | 105 | 215 | 800 |
| TR15 | 2820 | 1980 | 1470 | 1180 | 965 | 76 | 104 | 104 | 105 | 236 | 1000 |
| Model | M | N | O | P | Q | R | S | Weight, kg | Total Weight, kg1 |
| TR09 | 300 | 190 | 1030 | 870 | 840 | 550 | 120 | 260 | 765 |
| TR12 | 350 | 185 | 1140 | 940 | 840 | 500 | 135 | 290 | 870 |
| TR15 | 350 | 185 | 1380 | 940 | 890 | 550 | 135 | 345 | 1055 |
4.2.2 Electrical data
| Model | Voltage | Current (A) | Power (W) | Fuse, slow |
| Topvex SoftCooler TR09 | 400V 3N~, 50Hz | 12 | 6090 | 16 |
| Topvex SoftCooler TR12 | 400V 3N~, 50Hz | 15 | 9230 | 20 |
| Topvex SoftCooler TR15 | 400V 3N~, 50Hz | 15 | 9230 | 20 |
4.3 Components
Fig. 2 Connections and basic components in left hand connected units
| Position | Description |
| 1. | Compressor |
| 2. | Condenser coil |
| 3. | Evaporator coil |
| 4. | Filter drier with sight glass |
| 5. | Expansion valve |
| 6. | Drip-tray with drain |
| 7. | Water seal |
| 8. | Cable grommet for external cabling |
| 9. | El. cabinet with frequency converter |
| 10. | Exhaust air duct connection |
| 11. | Exhaust air sensor, EHS |
| 12. | Pressure/hot gas switches |
| 13. | Measuring points refrigerant system high/low |
4.4 Electrical cabinet
Fig. 3 Electrical cabinet
| Position | Description |
| 1. | Terminal block, mains supply |
| 2. | Circuit breaker (MCB) oil heaters |
| 3. | Relays |
| 4. | Terminal block, internal/external connections |
| 5. | Frequency converter with display |
| 6. | DC Choke |
| 7. | Transformer 24 V |
| 8. | Display |
Transport and storage
The Topvex SoftCooler should be stored and transported in such a way that it is protected against physical damage that can harm panels, handles etc. It should be covered so that dust, rain and snow cannot enter and damage the unit and its components. The appliance is delivered in one piece containing all necessary components, wrapped in plastic on a pallet for easy transportation.
When transporting the Topvex SoftCooler use a forklift, but once installed on the floor avoid transfer, the feet can damaged due to lateral loading.
Warning
- The unit is heavy. Be careful during transport and mounting. Risk of injury through pinching. Use protective clothing.
- Be careful so the unit doesn’t tip over.
Installation
6.1 Unpacking
Verify that all ordered equipment are delivered before starting the installation. Any discrepancies from the ordered equipment must be reported to the supplier of Systemair products.
6.2 Where/how to install
Topvex SoftCooler are meant for indoor installation. Place the unit on a horizontal flat surface. It’s important that the unit is completely levelled before it is put into operation.
The electronic components should not be exposed to lower temperature than 0° C and higher than +50° C.
The following max. temperatures applies for an interference-free operation of the Topvex SoftCooler:
- Outside air max. +33 °C
- Extract air max. +28 °C.
- Ambient temperature max. +28 °C.
When choosing the location it should be kept in mind that the unit requires maintenance regularly and that the inspection doors should be easily accessible. Leave free space for opening the doors and for taking out the main components (figure 1). General maintenance includes among other things inspection and cleaning of the drip tray and flange coils.
A floor drain must be available in the room so that the condensation water can be drained off (chapter 6.4.1.3)
Avoid placing the appliance against a wall, as low frequency noise can cause vibrations in the wall even if the fan noise-level is acceptable. If this is not possible it is recommended to carefully insulate the wall.
6.3 Installing the unit
6.3.1 Installation
Fig. 4 Installation without by-pass, left hand unit
| Position | Description |
| Supply air | |
| Exhaust air | |
| Outdoor air | |
| Extract air | |
| 1 | VAV Pressure transmitters (accessory) |
| 2 | Damper and motor outdoor air (accessory) |
| 3 | Damper and motor exhaust air (accessory) |
| 4 | Locked connection |

| Position | Description |
| Supply air | |
| Exhaust air | |
| Outdoor air | |
| Extract air | |
| 1 | Exhaust air, By-pass |
| 2 | VAV Pressure transmitters (accessory) |
| 3 | Damper and motor, outdoor air (accessory) |
| 4 | Damper and motor, exhaust air (accessory) |
| 5 | Damper and motor, exhaust air by-pass (accessory) |
6.3.2 Installation procedure
- Prepare the surface where the unit is to be mounted. Make sure that the surface is flat, levelled and that it supports the weight of the unit. Perform the installation in accordance with local rules and regulations.
- Lift the unit in place.
Warning
Beware of sharp edges during mounting and maintenance. Make sure that a proper lifting device is used. Use protective clothing. - Level the unit with help of the enclosed mounting feet

- Connect the unit electrically to the mains through the all pole circuit breaker (safety switch), which is enclosed inside the unit on delivery. The wiring between the safety switch and the unit is led through the top of the unit casing directly to the electrical connection box.
See enclosed wiring diagram, and chapter 6.4.2.1, table 2 for more information.
Warning
The units electrical connection to the mains supply must be preceded by an all pole circuit breaker with a minimum 3 mm gap.
Danger
- Make sure that the Mains supply to the unit is disconnected before performing any maintenance or electrical work!
- All electrical connections must be carried out by an authorized installer and in accordance with local rules and regulations.
6.4 Dividing the Topvex TR air handling unit.
Before the installation of Topvex SoftCooler the Topvex TR has to be divided (figure 6).
How to split the unit:
Remove the heat exchanger, extract fan and the extract air filter
A. Remove the plate
B. Loose the cable connectors
C. Remove the 7 M10 screws that join the two halves of the appliance
Fig. 6 Illustration shows the left handed version of the unit
6.4.1 Assembly the Topvex SoftCooler
Fig. 7 Left hand unit
Make sure that the sealing stripes and faces of sealing in-between the unit half are undamaged.
- To get access to the upper mounting screws (M8) remove the rectangular covering plate on top of the Topvex SoftCooler.
Place the Topvex SoftCooler in-between the two air handling unit parts and carefully push them together. - When the three parts are completely joined together: Screw the upper and lower mounting screws that joining the parts.
- Connect the electrical wiring in the Topvex TR electrical box. Assemble the electrical fast couplings and the transparent air tubes on each side of the Topvex SoftCooler make sure that they are on the right place by reading the labelling.
Assemble the plate “A” figure figure 6, heat exchanger, extract- fan and filter.
6.4.1.1 Duct connections
When Topvex SoftCooler have been joined together with the two air handling unit parts it is in total 5 duct connections on top of the unit: Outdoor air, Supply air, Extract air and 2 Exhaust air. Duct connections can be done on two different ways, with or without a by-pass-function for the exhaust air.
For duct connection without by-pass function on the exhaust air only 4 duct connections are used. The exhaust air duct are then to be connected to the exhaust air duct connection on the Topvex SoftCooler module. The exhaust air duct connection on the air handling unit must be locked with the Topvex SoftCooler included locking plate.
For duct connection with “By-pass” function on the exhaust air all 5 duct connections are used. The exhaust air duct are then to be connected both to the Exhaust air duct connection on the Topvex SoftCooler module and to the one on the air handling unit.
N.B. Motorized spring return dampers must be mounted on each exhaust air duct connection.
6.4.1.2 Condensation and Heat Insulation
Outdoor air duct and discharge ducts must always be well insulated against condensation. Correct insulation installation on ducts connected to the unit is especially important. All ducts installed in cold rooms/areas must be well insulated. Use insulating covering (minimum 100 mm mineral wool) with plastic diffusion barrier. In areas with extremely low outdoor temperatures during the winter, additional insulation must be installed. Total insulation thickness must be at least 150 mm.
Caution
- If the unit is installed in a cold place make sure that all joints are covered with insulation, and tape well
- Duct connections/duct ends should be covered during storage and installation
- Do not connect tumble dryers to the ventilation system
6.4.1.3 Condensation drain
Warning
The unit is not to be taken into operation before the included condensation drain and water seal are connected from the Topvex SoftCooler to the floor drain.
The drain is to be connected to the drain connection under the drip-tray. The drip-tray is located in the bottom of the Topvex SoftCooler.
Use the included plastic connection pipe which is to be cut to the correct height “H” according to the below figure. See the below table for the relation of hight “H” and maximum under pressure in the unit.
Fig. 8 Dimension and assembly
| H (mm) | Max. Negative pressure (Pa) |
| 85 | 500 |
| 1101 | 750 |
| 135 | 1000 |
- Normal conditions
To lead the water from the water seal outlet to the floor drain an extra pipe, not included with the Topvex SoftCooler, is needed. Connect this pipe and make sure that the slope is at a minimum 1:200 to the floor drain and also that the complete drain installation are in a frost free space.

Fig. 9 Pipe to floor drain
6.4.2 Electrical connection
Danger
- Make sure that the Mains supply to the unit is disconnected before performing any maintenance or electrical work!
- All electrical connections must be carried out by an authorized installer and in accordance with local rules and regulations.
- Operation in the refrigerant cycle and handling refrigerants must be performed by certified personnel.
- Make sure that all of the cable joints and the two transparent pressure measuring tubes to the extract air fan are correct assembled between the unit parts.
- Wire the prepared control cable to the Topvex TR electrical cabinet (in the supply air part), use the prepared grommets. Connect the wires to the terminal blocks in the electrical cabinet according to labelling on the wires and the electrical wiring diagram. See also the chapter Internal electrical connections.
- Move the Exhaust air temp. sensor “EHS”, located at the extract air filter, from its place to the new place by the label “EHS” in the SoftCooler.
Fig. 10 EHS shown at a left hand unit - Connect the unit electrically to the mains (400V 3N~, 50Hz) through the all pole circuit breaker (safety switch), which is enclosed inside the unit on delivery. The wiring is led through the top of the unit casing directly to the Topvex SoftCooler electrical connection box.
Dimension the wires and fuses according to the chapter Electrical data. - Do the electrical connections for the Topvex TR air handling unit according to the installation instructions that follows that unit.
6.4.2.1 External/Internal connections
See also the enclosed wiring diagram.
Mains supply (and in some cases By-pass damper) is the only external connection that should be connected to the Topvex SoftCooler.
Table 1: External connections
| Ter- minal block | Description | Remark | |
![]() | PE | Ground | 400V 3N~, 50Hz, supplied via safety switch |
| N | N | Earthed neutral (supply voltage) | |
| L1 | L1 | Phase (supply voltage) | |
| L2 | L2 | Phase (supply voltage) | |
| L3 | L3 | Phase (supply voltage) | |
| 28 | G | By-pass damper”DBEH” exhaust air (option) | 24V AC |
| 29 | GO | By-pass damper ”DBEH” exhaust air (option) | Neutral (24 VAC)c |
The already prepared operating cable in Topvex SoftCooler is to be drawn to the electrical cabinet in the supply part of the Topvex air handling unit and connected to the terminal blocks with the same numbers as the cable markings.
Table 2: Internal connections
| Ter- minal block | Description | Remark | |
| G | G | 24V AC | |
| 4 | DI ref | Referens | |
| 10 | DO ref | Referens | |
| 12 | DO | Exhaust air damper. A signal from control unit E28 is lead via the relay R2 to terminal 28 for controlling of the by-pass damper (accessory). | 24V AC, 0.5A |
| 14 | DO | A signal from control unit E28 for starting “P1-cooling” indicates a cooling demand. The signal controls relay R2 that is then closing the by-pass damper (accessory). | 24V AC, 0.5A |
| 15 | DO | A signal from control unit E28 for starting “DX cooling step1” indicates a cooling demand. The signal controls relay R1 that is then starting the compressor. | 24V AC, 0.5A |
| 74 | DI | Alarm indication cooling (Run Error P1-Cooler). | NO |
| 90 | AO ref | Reference | |
| 94 | AO | Control signal from control unit E28 for cooling. Controls the frequency converter “FC”. | 0-10V DC |
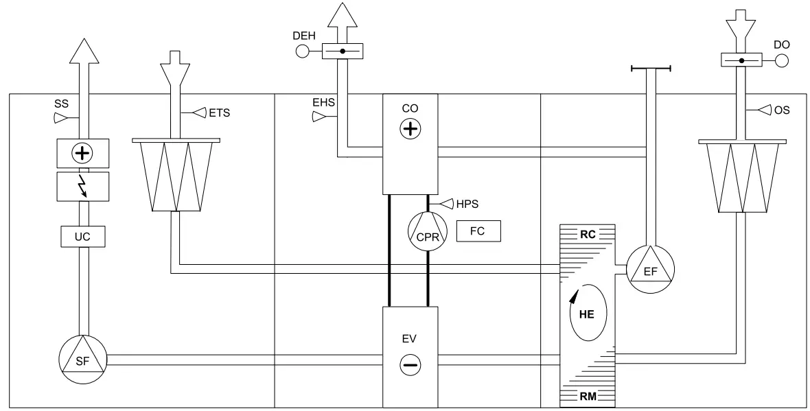
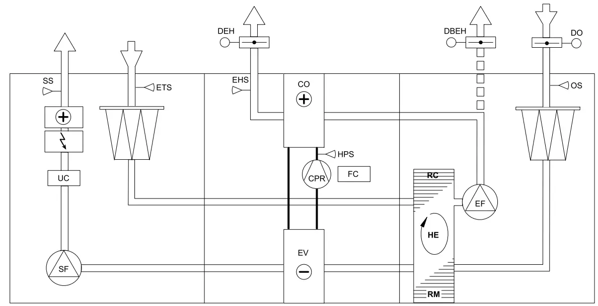
Function Description

Fig. 11 Without by-pass, left hand unit

Fig. 12 With by-pass, left hand unit
| Position | Description |
| EF | Extract air fan |
| SF | Supply air fan |
| SS | Temp. sensor supply air |
| OS | Temp. sensor outdoor air |
| ETS | Temp. sensor extract air |
| EHS | Temp. sensor exhaust air |
| UC | Controller E28 |
| RC | Rotor control |
| RM | Rotor motor |
| HE | Exchanger |
| Position | Description |
| DO | Damper outdoor air (accessory) |
| DEH | Damper exhaust air (accessory) |
| DBEH | Damper by-pass exhaust air (accessory) |
| FC | Frequency converter |
| CPR | Compressor |
| EV | Evaporator |
| CO | Condenser |
| HPS | Condenser pressure sensor |
7.1 General
Control unit E28 (UC) senses the temperature via the extract temperature sensor (ETS) and then keep the set extract temperature by sequence controlling the compressor (CPR), heat exchanger (HE) and hot water- /electrical heater (HWL/H, ELH). The temperature sensor in the supply air (SS) is min. and max. limiting the supply air temperature.
7.2 Cool recovering
Exchanger (HE) will automatically start to recover the cold in the extract air when the extract air is colder then the outdoor air.
7.3 Power control
The compressor (CPR) are step-less controlled between, in the frequency converter (FC), set minimum and maximum frequency.
7.4 Power limitation
The frequency converter (FC) is continuously sensing the condensing pressure via the high pressure sensor (HPS) and gradually slows down the speed of the compressor (CPR), if the pressure exceeds the set limitation value. This is done to avoid a high pressure alarm.
7.5 By-pass function (option)
To reduce the energy use for the extract fan when there is no cooling demand the exhaust by-pass damper (accessory) is opened and thereby the exhaust air does not pass the condenser (CO). At stopped unit all dampers are closed.
Note:
This instruction contains functions for the Topvex SoftCooler TR, for a complete description of functions see “Topvex SR 09,11, TR 09-15 Installation instruction”
Commissioning protocol
Company:
Responsible:
8.1 General
| Customer: | Date: | Installation: |
| Object/unit: | Item no: | Installation address: |
| Model/size | Serial no: | Designation: |
8.2 Installation control
| Moment | Done | Note |
| Control report cooling concerning installation established. (Application shall in some cases be done, see chapter 3, Refrigerant Control/Reporting). | ||
| All unit parts undamaged. | ||
| Installation carried out according to instructions (see chapter 6.4.1, Assembly the Topvex SoftCooler and chapter 6.4.1.1, Duct connections). | ||
| Exhaust sensor ”EHS” moved (see chapter 6.4.2, Electrical connection). | ||
| Condensation drain connected (see chapter 6.4.1.3, Condensation drain). | ||
| Mains supply connected via the Safety switch (see chapter 6.4.2, Electrical connection). | ||
| By-pass damper connected when such is to be used, accessory (see chapter 6.4.2.1, External/Internal connections). | ||
| Internal operating cable connected (see xchapter 6.4.2.1, External/Internal connections). | ||
| The two transparent pressure measuring tubes to the extract fan connected thru the Topvex SoftCooler | ||
| Supply and extract airflow adjusted |
8.3 Preparing control unit E28
To receive correct functions the following settings must be done in the control unit E28. Log in into the control unit E28 (3333) before taking action. As an alternative can the settings be done with the PC-software tool “Corrigo E-tool Ventilation” then download the configuration file (.vtc) from the Systemair online catalogue (www.systemair.com).
| Moment | Done | Note |
| Select the menu Configuration-Input/Output: • Select DI • Browse to DI4, select. Change the setting to P1–Cooling | Note: Note: DI4 cannot be used for extended run when Topvex SoftCooler is used. | |
| Select the menu Configuration-Control function: • Check that the setting is Extract air control or Room control | ||
| Select the menu Configuration Cooling: • Set DX Set Limit for supply air control on active: to 0.0°C. | ||
| Select Configuration step con- trollers/step contr. cooling: • Activation levels (then scroll down) • Select Chiller groups: 1 Set Min in/out connecting time: 1 sec | ||
| Select the menu Configuration Cooling recovery: Set Cooling recovery to position ON |
8.4 Before first compressor start
To avoid damage on the compressor the oil in the compressor crankcase must be heated before the first start.
| Moment | Done | Note |
| Stop the Supply- and extract fan (via the Topvex air handling units safety switch) | ||
| Turn on the mains supply for the Topvex SoftCooler via the working switch, make sure that the voltage is on (the display in the frequency converter lights up) Wait for minimum 2 hours so that the oil will reach about +30° C! |
8.5 Control cooling operation
| Moment | Done | Note |
| Start the Supply- and extract fan (via the Topvex air handling units safety switch). Run the unit on dimensioning airflows. | Supply air m3/h Extract air m3/h | |
| Start the compressor by establishing a 100% cooling demand: • Log in to the control unit E28 (2222) • Select menu Hand/Auto • Select Cooler type/coil Set Cooler to Manual output 100.0 |
| Moment | Done | Note |
| Run the compressor for at least 10 minutes. Then read the Extract-, Outdoor-, Supply and Exhaust air temperature via the display of the control unit E28 (in the menu Temperature). | Outdoor air temperature °C Supply air temperature °C Extract air temperature °C Exhaust air temperature °C | |
| Let the compressor run. Measure the hotgas- and liquid line temperature with a strap-on temperature detector. | Hotgas temperature °C Liquid line temperature °C | |
| Keep the compressor running. Read the below values via the display of the frequency converter, see section ”Frequency converter, quick guide”, in Operating and Maintenance Instructions. First set the parameter for reading, then let the door of the Topvex SoftCooler be closed for at least 5 minutes before reading:• Output frequency (Param d001) • Output current (Param d002) • Condenser pressure (Param d004) | Output frequency Hz | |
| Note: Important! Restore the cooling operation to ”Auto”: • Log in to the control unit E28 (2222) • Select menu Hand/Auto • Select Cooler type/coil • Set Cooler to Auto |
Systemair Sverige AB reserves the right to make changes and improvements to the contents of this manual without prior notice.
Systemair Sverige AB
Industrivägen 3
SE-739 30 Skinnskatteberg, Sweden
Phone +46 222 440 00
Fax +46 222 440 99
www.systemair.com
208767
Get In Touch
Call: 0845 6880112
Email: [email protected]
Our Address
Puravent, Adremit Limited, Unit 5a, Commercial Yard, Settle, North Yorkshire, BD24 9RH


Fig. 10 EHS shown at a left hand unit


















