Kindermann 7488000065 Multishare 31 HDBT Transmitter

Specification
The Kindermann Multishare 31 – HDBT Transmitter is a multi-format switcher with HDMI, VGA and Display Port inputs to HDBT output. The audio port is independent and could be embedded into any of the video signal and send it to the far end. The product support web server and it could be controlled by the button, LAN, RS232, contact closure. IR and RS232 can pass through.
Contents
- 1 x Kindermann Multishare 31 – HDBT transmitter
- 1 x 24V 1A DC power adapter
- 2 x Wall mounting bracket
- 1 x Operating instruction
Safety instructions
- Please read the instructions carefully and store them
- The switch must be operated at safety low voltage
- The unit may only be stored and used in a dry place
- Please note the safety instructions of the connected equipment
Functions
- Transmission of Audio/Video/Control up to 70 m over one Cat-6/Cat 6a/Cat-7 cable
- Supports VGA with WUXGA resolution
- Supports HDMI 4K x 2K and 3D
- Supports DP1.2 with 4K@30Hz
- Supports Auto/Manual switching
- Supports EDID management
- Supports field FW upgrade
- Supports web server for management, monitor and configuration
- HDCP 1.4 compliant
- IR and RS-232 pass through
- LAN for local control and web server access
- Control switching through button/RS232/contact closure or web server
- Independent audio input
- Remotely or locally powered
- Status LED for all connections on front
Panel description
Front panel

- PWR:
Solids red when power on - HDMI:
Led solids green when with HDCP;
flashing when without HDCP - Link:
flashing when HDBT connected without video signal; solids green when video presented - D:
LED solids green when DP selected;
flashing when signal presented; off: no input signal - H:
LED solids green when HDMI selected; flashing when signal presented; off: no input signal - V:
LED solids green when VGA selected; flashing when signal presented; off: no input signal - IR Tx:
IR emitter port - IR Rx:
IR sensor port - SELECT:
Press the button briefly for switching the input signal.
Press and hold the SELECT button:
for 2 – 3 seconds: executes the defined RS232 command.
for 5 – 10 seconds: activates/deactivates the automatic source selection.
min. 12 seconds: resets the device to factory settings.
Receiver specification
Rear panel

- 24V DC:
Power port 24V DC / 1A - HDBT Out:
HDBT output - DP:
Display Port input - HDMI:
HDMI input - VGA:
VGA input - AUD:
Independent audio input - LAN:
LAN for local control or web server access - Phoenix Port:
RS232 and contact closure with LED indicator
Connection and installation

Specifications
| Video | |||
| HDMI Standard HDMI Compliance | HDMI 1.4, 3D, 4K | DP Standard DP Compliance | DP 1.2 |
| VGA Standard VGA Compliance | VESA | HDCP Standard HDCP Compliance | HDCP 1.4 |
| Reichweite Distance | Up to 70m | Max. resolution | Up to 4K x 2K@30Hz |
| Control | |||
| Control | RS232, IP, IR, contact closure | ||
| Mechanical | |||
| Dimensions (LxWxH) | 190 x 103 x 29 mm | Weight | 880 g |
| Power | |||
| Power Supply | 24V, 1A DC | Power Consumption | 12W |
| Environmental | |||
| Operation temperature | -10~55°C 14~131°F | Relative Humidity | 5~95% RH (no condensation) |
Web Server
The factory default IP: 192.168.2.175
To access to the product web server, user could direct connect the PC LAN port to the Multishare 31
LAN port with a straight RJ45 cable. After making the connection, go to network connection of the PC and revised the IP property to static IP as below. Once done, open a web browser and enter the 192.168.2.175 to access to the web server
For the Multishare 31 connected to the local area network, please update the Multishare 31 product IP to match the LAN network setting from the web server.
For example if the lan IP is set as 192.168.88.xxx, then please revise the product to 192.168.88.1xx.
Once the IP is set, then you could access to the device from any PC in the same network.
Input/Output configuration
The page provided the switching and also the connection input signal information and HDBT output connection status.
AV Inputs – Select to switch the input
Auto Switch Mode – If check, the device is set in auto switching mode else in manual mode
External Audio – If check, the 3.5 mm audio input is embedded to the input video
Input Config – Input port information
Output Config – HDBT connection status
Active Input – Showing the input signal format and resolution
Output Signal – Showing output signal format and resolution
HDCP Off – When check, Multishare 31 will request none HDCP compliant source
EDID management


This page provided switching and EDID management.
Follow Output – EDID from Display
CuanBo-HDMI/-VGA/-DP – internal preloaded EDID
RS232 configuration

RS232 – Local RS232 setting to control the Multishare 31
HDBT RS232 – Set the far end RS232 baud rate RS232 Preset
Command with – When detect active video signal, send the RS232 command in the preset timing video detected
Command without – When no active video signal present, send the command in the preset timing video detected
Command with – Press and hold the button for 3-5 seconds, send the preset command Button
Timer – enter time in seconds until command is send
To set the preset RS232, please click the save button to program the code to the unit.
System

RS232 Command table
| Local RS232 Setting | Protocol Command Example | Query Command Ex | Note |
| Baud Rate | >MBaud:115200<0D 0A> | #MBaud<0D 0A> | Support 9600, 19200, 38400, 115200 (default) |
| Data Bits | >MDBits:8<0D 0A> | #MDBits<0D 0A> | Support 8 & 9 |
| Stop Bits | >MSBits:1<0D 0A> | #MSBits<0D 0A> | Support 1 & 2 |
| Parity Bits | >Mparity:None<0D 0A> | #MParity<0D 0A> | Support 0DD, Even, None |
| Far End RS232 Setting | |||
| Baud Rate | >HDBaud:115200<0D 0A> | #HDBaud<0D 0A> | Support 9600, 19200, 38400, 115200 (default) |
| Data Bits | >HDDBits:8<0D 0A> | #HDDBits<0D 0A> | Support 8 & 9 |
| Stop Bits | >HDSBits:1<0D 0A> | #HDSBits<0D 0A> | Support 1 & 2 |
| Parity Bits | >HDParity:None<0D 0A> | #HDParity<0D 0A> | Support 0DD, Even, None |
| Network setting | |||
| DHCP | >DHCP:ON<0D 0A> | #DHCP<0D 0A> | |
| IP | >IP:192.168.2.175<0D 0A> | #IP<0D 0A> | |
| Net Mask | >Mask:255.255.255.0<0D 0A> | #Mask<0D 0A> | |
| Gateway | >Gate:192.168.2.175<0D 0A> | #Gate<OD OA> | |
| TCP Protocol | >Tcp Protocol: Server<0D 0A> #Tcp Protocol<0D 0A> | ||
| TCP Port | >Tcp Port:1001<0D 0A> | #Tcp Port<0D 0A> | |
| TCP Host IP | >HsIP:192.168.2.200<0D 0A> | #HsIP<0D 0A> | |
| Video switching | |||
| Switching | >C2to1<0D 0A> | #C | 1: DP; 2: HDMI; 3: VGA |
| Output Port | >V0<0D 0A> | 1: Output On; 0: Output Mute | |
| Query Resolution | #R | ||
| Switching Mode | >M0<0D 0A> | 2: Auto; 0: Manual | |
| Audio setting | |||
| Audio | >A1<0D 0A> | 0: Internal Audio 1: External Audio | |
| Pass through command | >CS2TX05Hello<0D 0A> | Command pass through (control port) Destination port: 1: Lan | |
| e. g.: Passing command to far end Rs232 port for 5 character „Hello“ | |||
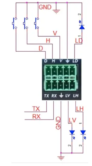
Phoenix contact connection diagram

Note:
V: VGA input LV: LED indicator VGA
D: DP input LD: LED indicator DP
H: HDMI input LH: LED indicator HDMI
TX: RS232 Tx
RX: RS232 Rx
GND: Ground
Available accessories
- HDBT receiver (7488000066) Output: HDMI, RS232, IR
- HDMI cable, type A, 19-pin (58090007xx)
- Flat HDMI cable, type A, 19-pin (58090004xx)
- DisplayPort-cable, 20-pin (58090002xx)
- VGA-cable, 15-pin (74830004xx)
- VGA-cable with audio, 15-pin and 3-pin (74830002xx)
- Audio cable stereo jack (576600000x/576700000x)
- Neets media control system (55550000×0)
KindermannGmbH · Mainparkring 3 · D-97246 Eibelstadt · E-Mail: [email protected] · www.kindermann.com




















