SONY LMD-A220 Professional Video Monitor Owner’s
Conditions of Use
- Please use this information only for the purpose of repair and recycling of Sony products. Using this information for any purpose other than the purpose described foregoing is forbidden.
- Do not copy,replicate, reproduce, alter, translate, transmit, sell, lease, or distribute this information in whole or in part without the prior written permission of the author.
Revision of Information:
This information may be changed or updated at any time without any prior notice. Please confirm that this information is up-to-date before using it.\ Dismantling information for use by professional recyclers 1st Edition
Serial No. 7500001 and Higher: LMD-A220 (SY)
Section 1 Spare Parts
Exploded Views
- No. Description
- 201 MOUNTED CIRCUIT BOARD, H1
- 202 BLOCK, STAND
- 203 MOUNTED CIRCUIT BOARD, H2
- 204 KEYPAD ASSY, CONTROL
- 205 KEYPAD ASSY, INPUT
- 206 BEZEL ASSY (22)
- 207 REAR COVER ASSY (22)
- 208 MINIATURE SPEAKER (WITH HARNESS)
- 209 SCREW, +PSW M4X12
- 210 SCREW, +BVTP 4X12 TYPE2 IT-3
- 211 CUSHION, FOOT
- 212 COVER, USB
- 213 CLAMP
- 214 HANDLE
- 215 NUT (M6X0.5)
- 216 KNOB, ROTARY ENCODER
- 217 BUTTON, STANDBY
- 218 TERMINAL LABEL
- 219 HARNESS INSULATOR SHEET
- 220 JACK, MIC
- 221 USB CONNECTOR
SCREW +PSW 3X10
SCREW +BVTP
3X10 TYPE2 IT-3
Board and LCD Block
- No. Description
- 301 MOUNTED CIRCUIT BOARD, G6(22)
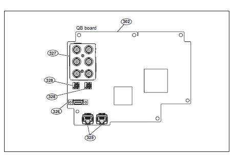
- 302 MOUNTED CIRCUIT BOARD, QB
- 303 MOUNTED CIRCUIT BOARD, BI
- 304 MOUNTED CIRCUIT BOARD, LD1(22)
- 305 LCD PANEL
- 306 CONNECTOR ASSY (6P)
- 307 CONNECTOR ASSY (10P)
- 308 CONNECTOR ASSY (20P)
- 309 CONNECTOR ASSY (6P)
- 310 CONNECTOR ASSY (8P)
- 311 CONNECTOR ASSY (6P)
- 312 AC CONNECTOR ASSY (3P)
- 313 CONNECTOR ASSY (4P)
- 314 CONNECTOR ASSY (LVDS30P)
- 315 CONNECTOR ASSY (LVDS41P)
- 316 DC FAN 40MM
- 317 SCREW (M4X8)
- 318 HOLDER (A), PLUG
- 319 RIVET
- 320 TAPE (OF)
- 321 SCREW (M2.6X.6)
- 322 CLAMP
- 323 SHEET (CORE), C
- 324 SCREW UG-EL (+B M3)
- 325 HDMI CONNECTOR
- 326 CONNECTOR ASSY, BNC
- 327 JACK
- 328 ETHERNET CONNECTOR

SCREW +B 3X5
SCREW +PSW 3X6
SCREW +PSW 3X10
SCREW +BVTP
3X10 TYPE2 IT-3

Conditions of Use



















