VIVOTEK MA8391-ETV 20 Megapixel Day Night Outdoor Network IP Dome Camera Installation Guide
Pendant Mount
A pendant head (AM-114) and an adaptor (AM-529) are required.
You can either use standard pendant pipes, AM-116 (20cm) and AM-117 (40cm).

AM-116, AM-117 Mechanical Drawings

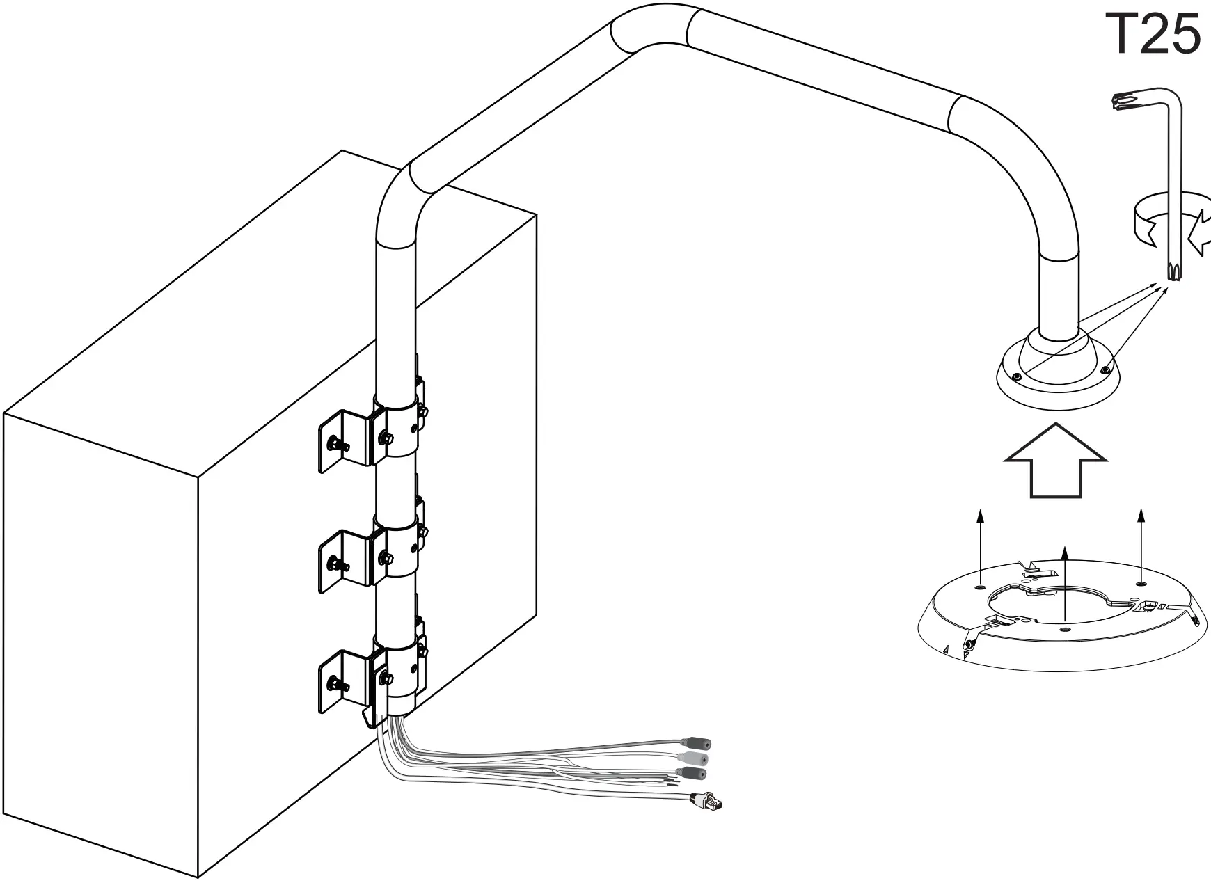
Installing the Pendant Head and Pendant Pipe
- Determine a hard surface ceiling location, and use the included alignment sticker for marking three mounting holes as where the holes will be drilled to secure the pendant head.
- Hammer in the plastic anchors.

- Secure the pandant head using the included screws.
- Install the pendant pipe of a preferred length.
- Tighten the socket hex screw using the hex wrench.
- Install the AM-529.
- Secure the installation by tightening the socket hex screw.

- Install the camera’s top mounting plate to AM-529 by tightening the T25 screws from top.

Note the front indicators indicate the default front side for the camera. Install the mounting plate with the orientation you prefer. - Refer to the camera’s documentation for the rest of the installation steps.

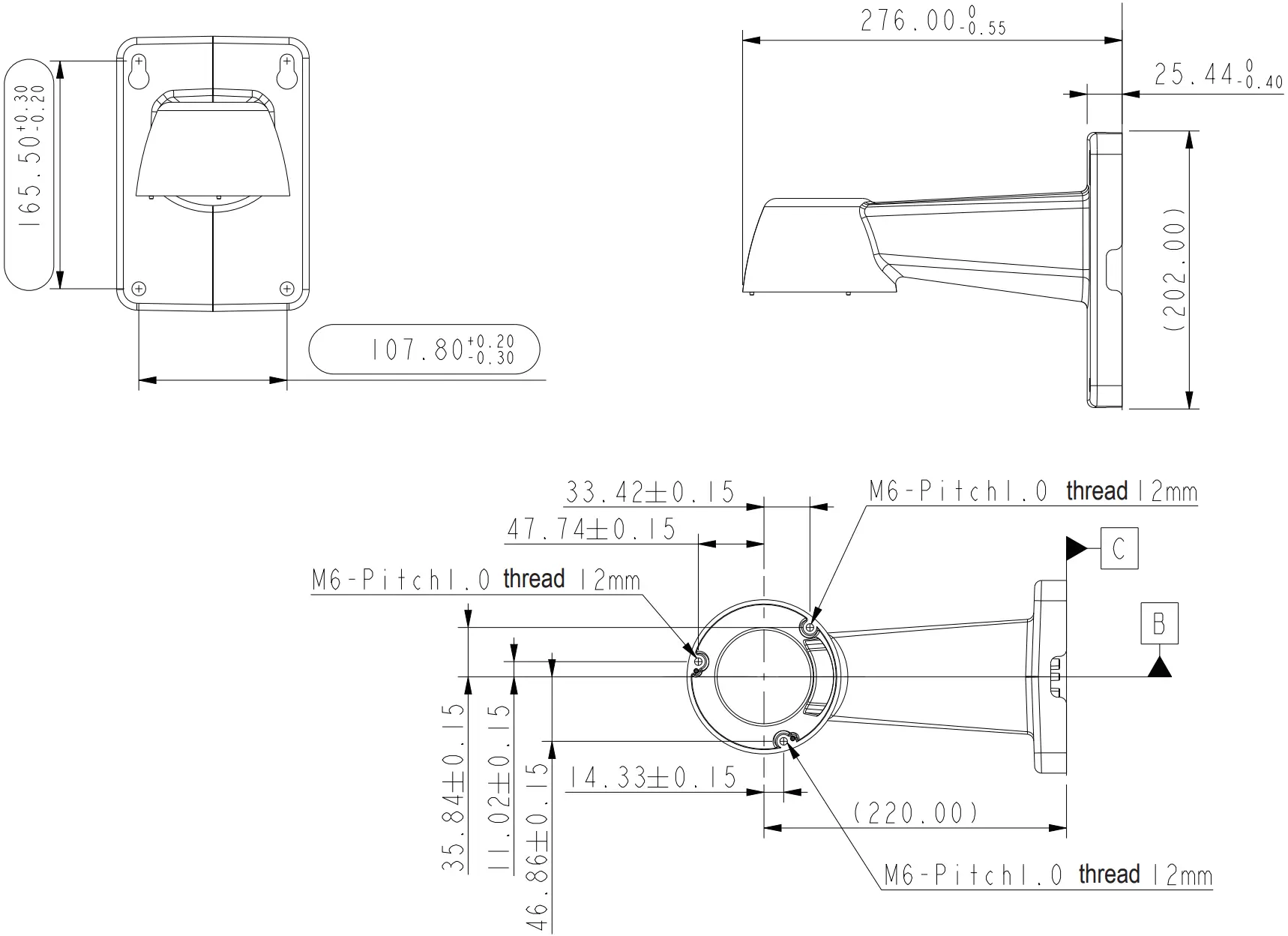
Using the Wall-mount Bracket
- The camera weighs 2kg. Select a rigid mounting location to prevent vibration to the camera. Attach the alignment sticker to the wall.
- Drill 4 pilot holes (9.5mm in diameter and 4cm deep) into the wall, and then hammer in threaded anchors. Note that you should hammer the anchors with hex nuts on them so that the threaded poles will not be deformed! If preferred, drill another hole for routing cables.

- Remove the hex nuts, washers, and leave one washer on each of the threaded poles.

NOTE:- I/O wires are user-supplied.
- Use CAT5e, CAT6 cables only.
- Connect power or I/O wires, and use foam tapes or seal foam to ensure the back-end connection is waterproof. The I/O combo cable may be separately purchased.

- Route your I/O wires and Ethernet cables along the routing guide poles to form drip loops.

- Secure the bracket to wall using a crescent wrench.

- Align the top mounting plate with the center of the AM-21C bracket.

- When aligned, secure the mounting plate to the AM-21C by driving 3 screws.

- Refer to the camera documentation for the rest of the installation steps.
Using the Pole-, Corner-mount Bracket, and Junction Box

AM-21C

| AM-314 | |
| Max. load | 25kg |
| For pole diameters | 8.9 ~ 15.2 cm |
| AM-315 | |
| Max. load | 25kg |
| For pole diameters | 10 ~ 23 cm |
| AM-414 | |
| Max. load | 25kg |
| For corner dimensions | See below drawing. |

Mounting Hole Definitions for AM-21C

- The mounting hole definition is illustrated below. The same mounting hole pattern apply to all pole-mount and corner-mount brackets.

- Align the top mounting plate with the center of the AM-21C bracket.

- When aligned, secure the mounting plate to the AM-21C by driving 3 screws.

- Install the camera to the AM-21C and the junction box. Refer to the camera’s documentation for the rest of the installation details.

Using the Parapet Set (AM-231)
| The screws included in the parapet set are: | |
| Sleeve anchors 5/16″ x3” | 6 |
| Hex bolts M8x25 | 6 |
| Hex bolts M8x70 | 3 |
| Hex lock nuts M8 | 6 |
| Washers M8 | 15 |
| Lock washers M8 | 15 |
IMPORTANT:
The parapet wall should have a concrete strength of 4000 PSI or 30MPa or higher. Each sleeve anchor can withstand an 800kgs pull-out force.
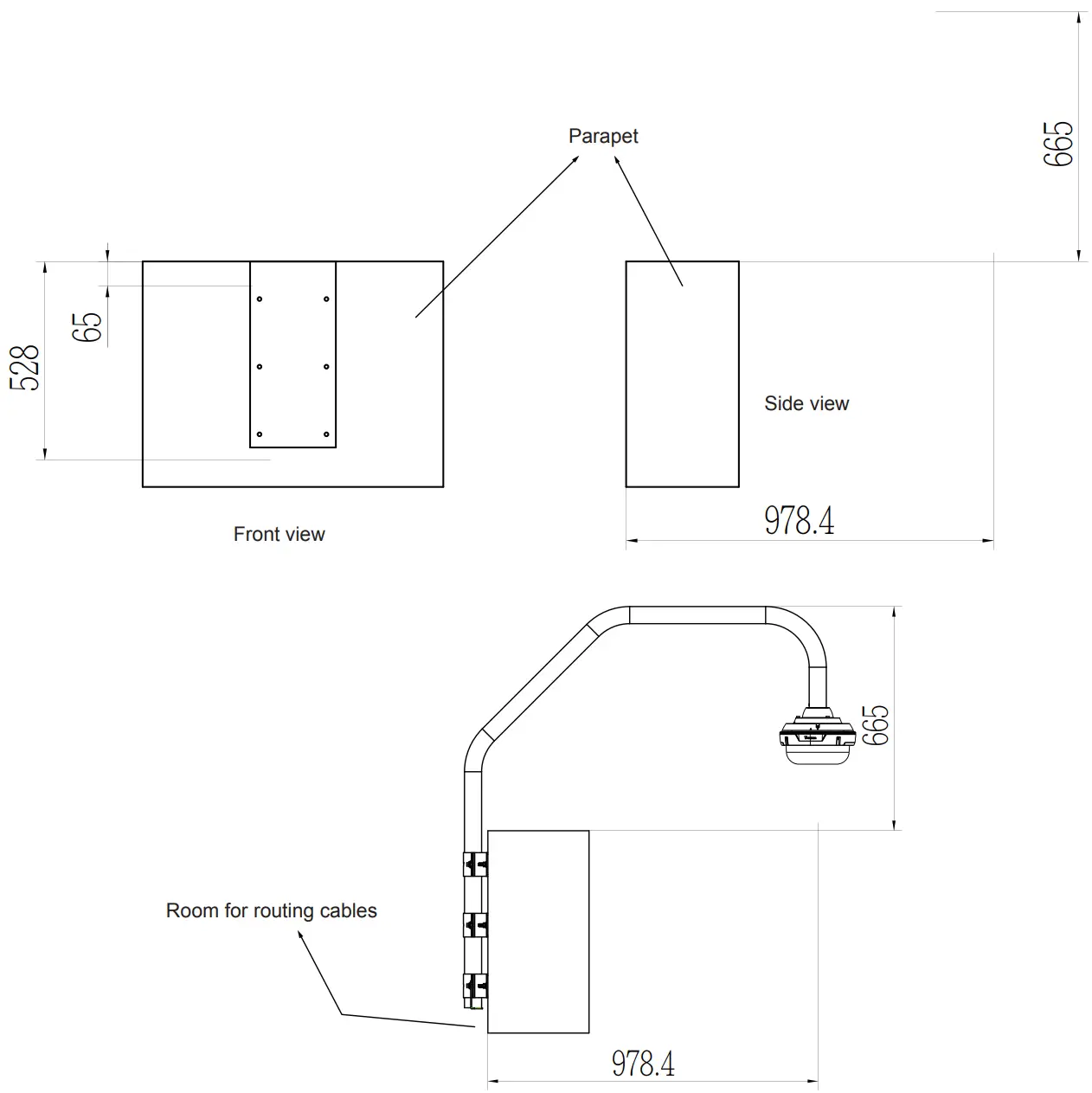
The parapet bracket is designed for installation on the inside of a parapet. Note the following before you start to install:
- There must be a clearance of 65mm between the upper edge of the parapet wall and the metal bracket fixed to the wall. You can flush align the upper edge of the alignment sticker with the edge of a parapet wall.
- At least two inches of space should be available below the parapet bracket for routing cables.
The space requirements for a parapet mount are shown below:

Below is a sample procedure using the parapet mount bracket:
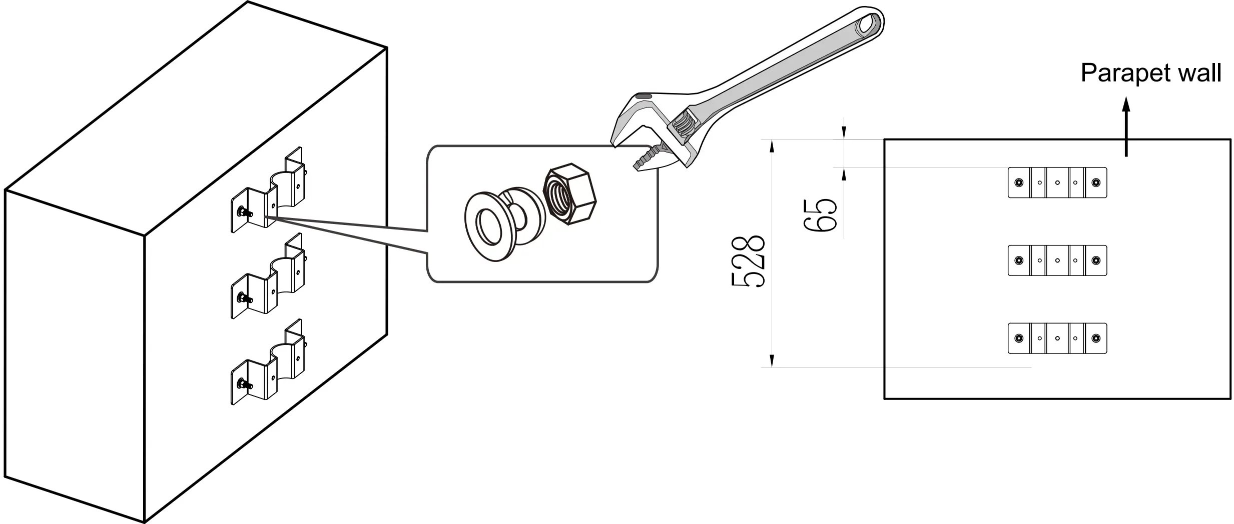
- Determine a hard surface location. Use the alignment sticker to mark the positions where holes will be drilled for the bracket.
- Drill 6 pilot holes (10mm in diameter and 5.5cm deep) into the wall, and then hammer in the sleeve anchors. Note that you should hammer the anchors with hex nuts and washers on them so that the threaded poles will not be deformed!

- Install the brackets to wall using the hex nuts and washers from the sleeve anchor.

NOTE
If you install the corner parapet bracket, use the included alignment sticker, and mark the drill holes through the mounting slots on the brackets.
- Use a crescent wrench to secure the outer brackets to the brackets on the wall using the M8x25 hex bolts and washers. Do not completely tighten the bolts yet! When the speed dome is installed to the mount pipe, it needs to be swiveled out to the desired position.

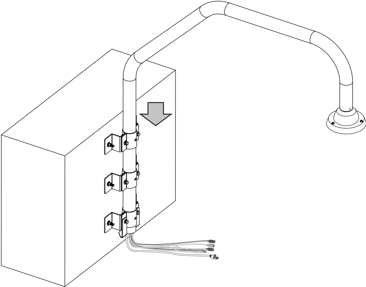
- Install the AM-529 adapter to the parapet pipe.
- Feed cables through the pipe arm. The cable length for passing through the pipe arm is 250cm at least. You can pass a rigid copper wire through the pipe arm first, and use it to pull other wires through the pipe.

- Secure the installation by tightening the hex socket screw from the side.

- Insert the pipe arm into the round openings on the brackets until it is rested on the bottom bracket.

- Install the camera’s top mounting plate to the AM-529. For the rest of the installation details, refer to the documentation that came with the camera.

- Swivel the pipe arm outwards to the opposite position. Use the M8 x70 bolts to secure the pipe arm to the brackets. You also need to tighten the M8 x25 bolts between the inner and outer brackets.

IMPORTANT
When inserting the M8 bolts, you may damage the cables inside. Try twist the bolts a bit to get around cables if you feel resistance when inserting through the pipe.
A corner parapet installation should look like this when its installation is completed.









































