
OS ENGINES Gas0oline Aircraft Engine User Manual

It is of vital importance, before attempting to operate your engine, to read the general ‘SAFETY INSTRUCTIONS AND WARNINGS’ in the following section and to strictly adhere to the advice contained therein.
Also, please study the entire contents of this instruction manual, so as to familiarize yourself with the controls and other features of the engine.
SAFETY INSTRUCTIONS AND WARNINGS ABOUT YOUR O.S. ENGINE
Remember that your engine is not a ” toy “, but a highly efficient internal-combustion machine whose power is capable of harming you or others, if it is misused or abused. As owner, you, alone, are responsible for the safe operation of your engine, so act with discretion and care at all times. If at some future date, your O.S. engine is acquired by another person, we would respectfully request that these instructions are also passed on to its new owner.
The advice which follows is grouped under two headings according to the degree of damage or danger which might arise through misuse or neglect.
WARNINGS
These cover events which might involve serious (in extreme circumstances, even fatal) injury.
NOTES
These cover the many other possibilities, generally less obvious sources of danger, but which, under certain circumstances, may also cause damage or injury.
WARNINGS


- Observe the laws and regulations in each country and district concerning the usage, transportation and storage of gasoline. Ask details at the fire station in each district.
- Never operate your engine in an enclosed space. Model engines, like automobile engines, exhaust deadly carbon-monoxide. Run your engine only in an open area.
- Do not operate the engine nor model alone, or there is a possibility of injury.
NOTES
- Any propeller requires utmost attention to handle. Be sure to follow the instruction manual supplied with a propeller.
- This engine was designed for model aircraft.
- Do not attempt to use it for any other purpose. Start the engine only after installing it in the model.
- Do not start the engine before installing it in the model, or there is a possibility of injury.
- Be sure to use an effective silencer (muffler). Frequent exposure to an open exhaust may
eventually impair your hearing. Such noise is also likely to cause annoyance to others over a wide area. - Mount the engine in your model securely, following the manufacturers’ recommendations.
- For their safety, keep all onlookers (especially small children) well back (at least 10 meters) when preparing your model for flight.
- Install a top-quality propeller of the diameter and pitch specified for the engine and aircraft.
- Discard any propeller which has become split, cracked, nicked or otherwise rendered unsafe. Never attempt to repair such a propeller: destroy it. Do not modify a propeller in any way.
- Install the propeller on the shaft so that the curved face of the blades faces forward – i.e. in the direction of flight. Firmly tighten the propeller washer and propeller installing screws using the correct size wrench. Always check the tightness of propeller installing screws and retighten them, if necessary, before starting the engine. Also, check the tightness of all the screws and nuts before restarting the engine.
- Always check the throttle linkage.If it is disconnected, throttle action becomes uncontrollable, which may result in a serious accident.
- Take care that loose clothing (ties, shirt sleeves, scarves, etc.) do not come into contact with the propeller. Do not carry loose objects (such as pencils, screwdrivers, etc.) in a shirt pocket from where they could fall through the propeller arc.
- Use an electric starter for this engine. The wearing of safety glasses is also strongly recommended. If you try hand starting, be sure to use a chicken stick or heavy glove. Never attempt to start the engine with a bare hand.
- Be sure to carry out adjustments of the high speed needle and slow speed needle after stopping the engine.
- Do not start your engine in an area containing loose gravel or sand. The propeller may throw such material in your face and eyes and cause injury.
- If you have to carry the model to the take-off point with the engine running, be especially cautious. Keep the propeller pointed away from you and walk well clear of spectators.
- To stop the engine, fully close the throttle valve via the transmitter to shut off the fuel supply. Otherwise there is a possibility of injury.
- Do not crank the engine right after the engine is stopped because the engine may start with a crank even when the glow plug is not ignited. Failing to do so may cause injury.
- Connect the throttle linkage so that the engine can be stopped via radio operation.
ABOUT THE ENGINE
- How to adjusting the carburetor of this engine is completely different from that for the conventional glow engine’s carburetor. Please study the CARBURETOR ADJUSTMENT section so as to familiarize yourself with the controls and other features.
- GGT10 is a glow gasoline engine ignited by a glow plug but using gasoline. So no ignition module and battery is required.
- This engine is designed for experienced fliers.
- Beginners and newcomers should not use this engine.
- The engine unit, silencer and carburetor are specially designed.
- The normal rotation direction of the engine is counterclockwise facing to the propeller.
- It offers broad power characteristics suitable for sport flight as well as acro flight.
- The large and dense cooling fins ensure sufficient cooling against overheating.
- We apply a “G5” glow plug to GGT10, which is exclusively developed for Glow Gasoline engines.
- Buy only the same glow plug when you replace it to the new one due to a break or deterioration. The conventional glow plugs for alcohol based glow engines such as No.6 (A3), No.7, No.8, No.10 (A5) are not applicable to GGT10.
- The supplied E-3071 silencer develops very efficient silencing.
STANDARD ACCESSORIES
- Nut (M3x0.5 2pcs.)
- E-3071 Silencer Assembly
- Silencer Retaining Screw (M3x35 2pcs.)

Notice on G5 glow plug for GGT10
The rated current of the G5 glow plug is 2.5A. Reports indicate that the G5 plug’ s filament may melt when current above 2.5A is applied. Because the electrical resistance of this plug is higher than that of conventional glow plugs (such as the #8), the G5 does not glow as brightly. Especially when viewed outdoors under the sun, you may not even notice that the G5 filament is glowing when 2.5A current is applied. Several additional factors besides excessive current may cause the filament to melt. Avoid over-leaning your engine, and do not adjust its carburetor needle with the throttle lever fully up while applying a glow plug igniter.
Notice on 61HB carburetor clogging
Gasoline engine carburetors generally have narrower fuel passages for better fuel mileage than glow engines. As a result, the passages clog easily if a fuel filter is not used. You should insert a gasoline-resistant fuel filter — finer than #200 mesh — between the fuel tank and the engine (if a T-shaped tank nipple is used, place the filter between the nipple and the engine).
Gasoline fuel filter S (code#7830000) is equipped as a standard accessory between the pump and carburetor. When filling your fuel tank from a gasoline container, always use the O.S. Super Filter L (part #72403050) to prevent dust from entering the tank. A clogged carburetor can cause inconsistent running, stalling, and overheating. If your carburetor becomes clogged, it must be disassembled and cleaned. When taking apart the carburetor, remember the assembling order. Be careful not to lose small internal parts. If you’ re not confident performing this type of maintenance, take the engine to the hobby shop where you purchased it or send it to the service center of your country’ s O.S. distributor.
ENGINE PARTS NAME

INSTALLATION
- It is suggested to use an engine mount as heavy and rigid as possible for highest performance and safe running. Install the engine on a mount using at least 3mm steel screws, such as Allen type, with locknuts, for bolting the engine to the bearers.
- Also, use the Nord Lock Washers (optional extra) and other anti-loosening washers or apply locking agent.
- Be sure that there is sufficient air intake and outlet area on the model for engine cooling to avoid overheating. (Pay careful attention to the cooling since a gasoline engine generates more heat than an alcohol based glow engine.)
INSTALLATION OF SILENCER
Secure the silencer to the engine by means of two retaining screws supplied after the engine is securely mounted on a model.
The exhaust outlet of the silencer can be rotated to any desired position in the following manner:
- Loosen the locknut of the silencer and assembly screw.
- Set the exhaust outlet at the required position by rotating the rear part of the silencer.
- Re-tighten the assembly screw, followed by the locknut.
It is recommended to seal the fitting faces of engine exhaust and silencer with liquid gasket. Gasket at the joint part of the silencer will lose its sealing effect in a long time running. In this case, replace the gasket or apply liquid gasket to the joint.
FUEL TANK & LINES
- Use a tank designed for gasoline. (Tanks designed for glow fuel use a rubber cap which is deteriorated by gasoline.)
- A 160cc tank will provide 12 to 13 minutes flight.(With full throttle, it will provide 8 to 10 minutes flight.)
- Install a commercially available gasoline fuel filter between fuel tank and carburetor. (Clean the filter from time to time.)
- For plumbing use TYGON F-4040A (Yellow color) or strong nitrile rubber of more than 2.4-3.2mm ID and 4.8-6.4mm OD. Replace tubing periodically as it becomes hardened. (Replace tubing inside the fuel tank every six months.)
- Use fuel line keepers of stainless wire, etc. at the end of the tubing to prevent the tubing from coming off.
- This engine does not require a muffler pressurized fuel system but be sure to provide an air vent.
- Be sure to install an in-line fuel filter between the tank and carburetor to prevent foreign matter in the tank from entering the carburetor. Clean the filter periodically.
- For the plumbing in the fuel tank, we recommend using O.S. fluororubber tube 2 mm ID x 4 mm OD x 500 mm length (code # 28382100).

CARBURETOR PARTS NAME

Two adjustable controls are provided on this carburetor.
The Needle-Valve
For adjusting the mixture strength when the throttle is fully open Needle-valve adjustment effect the mixture strength at round mid speed.
The Mixture Control Valve
For adjusting the mixture strength at part-throttle and idle speed, to obtain steady idling and smooth acceleration to mid speed.
Please note with this carburetor, needle-valve adjustment does not effect the mixture control valve adjustment but the mixture control valve adjustment effects the needle-valve adjustment. Therefore, it is required to adjust also the needle-valve when the mixture control valve is adjusted. Mixture control valve is pre-set at the near-best position when the engine leaves the factory. Therefore, it is not necessary to adjust the mixture control valve until running-in is completed.
CARE OF FUEL PUMP & REGULATOR
- NEVER disassemble the fuel pump or pressure regulator. Their original performance may not be restored after reassembly.
- DO NOT allow foreign matter to enter the fuel system. Dirt inside the pump or regulator, no matter how small, may obstruct the flow of fuel and prevent these components from working properly.
- NEVER insert anything into the inlet or outlet nipples in an attempt to clear a suspected obstruction.

- DO NOT obstruct the small rectangular hole at the bottom of the regulator, nor the regulator will not function correctly.

- ALWAYS use fuel filters. Keep the fuel tank scrupulously clean and filter all fuel as it enters the tank (e.g.via an O.S.’Super-Filter’ Code No.72403050) and use a good quality in-line filter between the tank and pump. Remember to inspect filter screens at regular intervals and rinse clean as necessary.
- NEVER use kerosene, thinner or any organic solvent for cleansing the pump. Rubber parts will be ruined by these materials. Use only alcohol (methanol) or gasoline.
FUEL TUBE BUBBLES
Heat transferred to the PD-08 pump during engine operation may create bubbles in the fuel tubing between the pump and carburetor. The bubbles will prevent the engine from performing properly. Even if the air temperature is relatively low, heat can be transferred to the pump due to your cowling design. If this happens, you can correct it by (1) cutting a vent in the cowling that allows cool air to pass through, or (2) relocating the pump inside the firewall or outside the cowling.
HOW TO RELOCATE THE PD-08 PUMP
- Remove the pump.
Unscrew the M3x28 fixing screws (2 pcs). Take out the pump. - Remove the pulse tube.
Disconnect the short yellow pulse tube that connects the engine cover plate to the pump.
You’ll see a pulse spacer inside the short tube. Take it out, set it aside and do not lose it. - Extend the pulse tube.
Use TYGON F-4040A (yellow) or strong nitrile rubber of at least 2.4 to 3.2mm ID and 4.8 to 6.4mm OD. To avoid engine malfunction, the maximum length of the tube should not exceed 150mm. You may not need to use the pulse tube spacer if the tube is much longer than the factory setting. Otherwise, insert the spacer (which regulates pulse pressure to the pump) into the tube.
Use stainless wire keepers at the end of the tubing to prevent it from coming off. The tubing will harden over time, so replace it periodically. - Attach the pump.
If you attach the pump on a frame or cowling, the existing M3 x 28 screws might not be long enough. You may need extra M3 screws and nuts.
You can also choose not to attach the pump in the fuselage. In this case, wrap it with foam or sponge so it will not move around. Also be sure to bind the pump itself tightly with the existing screws and M3 nuts (the nuts are included as standard accessories). If you don’t, fuel may leak from the pump.
THROTTLE LINKAGE
Before connecting the throttle to its servo, make sure that the throttle arm and linkage safely clear any adjacent part of the airframe structure, etc., as the throttle is opened and closed. Connect the linkage so that the throttle is fully closed when the transmitter throttle stick and its trim lever are at their lowest settings and fully open when the throttle stick is in its fully-open position. Carefully align the appropriate holes in the throttle arm and servo horn so that they move symmetrically and smoothly through their full travel.
PROPELLER
The choice of propeller depends on the design and weight of the aircraft and on the type of flying in which you will be engaged. Determine the best size and type after practical experimentation. As s starting point, refer to the props listed in the table shown below. Slightly larger, or even slightly smaller props than those shown in the table may be used, but remember that propeller noise will increase if blade tip velocity is raised due to high rpm or if a larger diameter/lower pitch prop is used. Be well aware that the propeller rotating arc will increase when using a larger propeller with this engine. Carry out the needle adjustments only after stopping the engine. Do not allow your face or hands to come close to the rotating prop.

Warning:
Make sure that the propeller is well balanced. An unbalanced propeller and/or spinner can cause serious vibration which may weaken parts of the air frame or affect the safety of the radio-control system. Do not use any propeller which has become split, cracked or nicked even very slightly, or received strong impact even if no apparent damage is visible.
Since the GGT10 is intended to be started with an electric starter, the addition of a spinner assembly for centering the starter sleeve is desirable.
Special propeller locknut sets are available for use with spinners. Use a good quality well balanced spinner, enclosing the propeller boss.
Make sure that it is of precision-made and sturdy construction so that the spinner shell cannot loosen when the starter is used.
Make sure the spinner notches do not interfere the propeller. If they do, cut the notches to clear.
MIXING OF OIL
Use regular gasoline. (No need to use high octane gasoline.)
Alcohol based glow fuel cannot be used in this engine. Not only will the engine not work properly but the internal carburetor plastic parts will be damaged.
Use high quality commercially available 2 stroke engine oil.
Follow the oil manufacturer’s recommendations concerning the mixture ratio of gasoline and oil.
If there is no recommendation, mix with a 25~30:1.
We have checked the following oils with the mixture of 50:1.
KLOTZ ModeLube®
AMSOIL Saber
Zenoah Genuine FC Class
Concerning the mixture ratio for running-in, follow the instructions in the RUNNING-IN section.
- With a gasoline engine, passages in the carburetor are narrower than that of a glow engine, and therefore very sensitive against foreign matter such as dust. It is suggested to use optional accessory Super Filter L (Code No. 72403050) when filling a tank in the model from a container used for transportation or storing.
GLOW PLUG IGNITER
- For the plumbing in the fuel tank, we recommend using O.S. fluororubber tube 2 mm ID x 4 mm OD x 500 mm length (code # 28382100).
- A glow plug heater for GGT10 is nothing special.
- You can use a conventional glow plug igniter.
- You may find the G5 glow plug filament does not glow as bright as the conventional glow plugs.
- But you can start the engine without difficulties since the flashpoint of gasoline is lower than that of alcohol based glow fuel.
RUNNING-IN
- Use a fuel with increased oil content and set the needle a little on the rich side. Too rich a needle setting may cause misfiring or erratic running due to fouling of the plug.
- Use a 25:1 fuel/oil mixture if the particular brand of oil states 50:1 mix. Use a 20:1 fuel/oil mixture if the particular brand of oil states 25:1 mix.
- Set only the high speed needle 200 below maximum rpm. The low speed needle need not be richened. No need to carry out running-in on a bench nor with the model fixed. Just fly the model with the above mentioned fuel and needle setting.
- A total of 10 flights (2 litters fuel) are required. Avoid prolonged full throttle running at initial stage, and gradually extend the full throttle running time.
WARNING:
When ground running the engine, avoid dusty or sandy locations. If dust or grit is drawn into the engine, this can have a ruinous effect, drastically shortening engine life in a matter of minutes.
STARTING
- The GGT10 cannot be started by flipping a propeller. Be use to use an electric starter to start the engine.
- The GGT10 is not equipped with a choke valve. Draw the fuel to the carburetor by an electric starter.
- Open the needle-valve 2 to 2.5 turns from the fully
closed position. (Mixture control valve is pre-set at nearly best position when the engine leaves the factory.Therefore, do not adjust the mixture control valve at this point.) - Set the throttle at 1/3 open from the fully closed position.
- Tell the helper and onlookers that you will start the engine now and have the helper hold the model securely.
- Connect a glow plug igniter or battery leads to the glow plug.
- Apply an electric starter to start the engine.
NOTE:
It may be difficult to start the engine when air temperature is below 10 degrees Celsius. In this case, keep running the electric starter for around 10 seconds even the engine starts firing.
CARBURETOR ADJUSTMENT
- Before attempting to operate your engine Although the carburetor’s appearance and construction resemble conventional glow engine’s carburetor, how to adjusting is completely different from that for glow engine‘s carburetor. Please study the following instructions so as to familiarize yourself with the controls and other features of the engine.
- It is expected the engine runs a little unstably (uneven RPM and light breathing) until the inside parts of the carburetor get used to the fuel (around when the running-in is completed) but the engine won’t quit. Run the engine as it is. Also, for about 10 seconds after the first starting of the day, it is expected the engine runs unstably but the engine won’t quit. Run the engine as it is.
2. Key points for adjustments
- Mixture control valve is pre-set at the near-best position when the engine leaves the factory. Therefore, it is not necessary to adjust the mixture control valve until running-in is completed. Adjust the needle-valve only.
- With a conventional glow engine, the needle-valve is gradually closed from the rich mixture. On the contrary, with the GGT10, the needle-valve is opened from the lean mixture. Please fully note this difference.
3. Adjustments
- Needle-valve adjustment
- Gradually open the throttle fully when the engine is started.
- Close the needle-valve and the engine RPM increase. (Close the needle-valve at a pace of 30~45 degrees/second smoothly.)
- When the needle-valve is closed further, engine RPM stop increasing and then RPM start decreasing. Close the needle-valve 60 to 90 degrees further from the point where RPM start decreasing.
- Then, open the needle-valve rather slowly (at a pace of 15 degrees/second) and the engine RPM increase.
- Open the needle-valve 90 degrees further from the point where maximum RPM are obtained. This is the nearly best needle-valve position.
Fly the model with this needle-valve position until running-in is completed (10 full tank or 2 liters flights). Please observe the general precautions during running-in such as to avoid prolonged full throttle running and increase load gradually.
2) Adjustment after running-in
- Open the mixture control valve 60 degrees from the original position (factory setting). Start the engine.
- Open the throttle fully 10 seconds to warm the engine up.
- Close the throttle fully.
- Set the idling RPM at round 3,000 with the throttle trim on the transmitter.
- Stop the engine.
- Close the mixture control valve 15 degrees.
- Start the engine and write down the idling RPM.
- Repeat 6 to 8. 9. The position where 90 degrees opened position from maximum idling RMP is obtained is the optimum mixture control valve position. Warning! Never adjust the mixture control valve while running the engine.
- Readjust the needle-valve according to 3. (1) described above.
- Now the adjustment on the ground is completed.
Hereafter adjust the needle-valve and/or mixture control valve if required according to the flight conditions. Please note with this carburetor, needle-valve adjustment does not effect the mixture control valve adjustment but the mixture control valve adjustment effects the needle-valve adjustment.
Therefore, it is required to adjust also the needle-valve when the mixture control valve is adjusted.
3) Initial mixture control valve position
While the mixture control valve is set at the near-best position when the engine leaves the factory, it is possible you lost the initial position in repeating the mixture control valve adjustment.
How to reset the initial mixture control valve position is as follows. Please note this work is very sensitive. Carry out the work very carefully.
- Open the mixture control valve one turn (360 degrees).
- Repeat opening the throttle fully and closing the throttle fully a few times to make sure there is no resistance during throttle movement.
- Close the mixture control valve 30 degrees. Repeat 2. and 3. until resistance is felt when
- opening the throttle from fully closed position.
- Open the mixture control valve approx. 90 degrees from this point. This is the initial mixture control valve position.
Note
Generally, a gasoline engine is sensitive to a lean mixture compared with an alcohol based glow engine, and will stop without warning hesitation and stops with overheating.
It is recommended that the engine be run with a slightly richer mixture.
FLIGHT & MAINTENANCE
Checking prior to flight
- When the engine is started, make sure the radio control system works normally (distance test).
- Engine does not run erratic with full throttle. Idling is stable.
- Responds positively to the throttle operation.
- Warm-up is finished.
Warm-up is required as with full size aircraft and car engines. Take off with the model after warming the engine for approx. 10 seconds with full throttle.
Precautions in flight
- A slight engine rpm increase and decrease delay is normal. Abrupt throttle operation will cause the engine to quit. Move throttle smoothly.
- Cooling is more vitally important to a gasoline engine than to an alcohol based glow engine. If overheating symptoms (loss of power at full throttle or exhaust note at mid speed changes from cloudy one to clear one) are observed during flight, immediately stop flying and carry out the following countermeasures.
- Enlarge the air intake cutout on the cowling.
- Enlarge the air outlet cutout on the cowling. (It is vitally important.)
- Partly cover the air intake cutout on the cowling where air does not hit direct the engine.
- Install an air guiding plate on the fuselage and cowling so that cooling air may be guided to the cylinder portion of the engine and muffler.
- When the interval between the flights is short and the engine is still hot, it may be possible overheating symptoms are observed by circulating the head from the former flight through the engine even if the overheating symptoms were not observed during the former flight. In this case, leave it until the engine is fully cooled down (in hot weather, it may take more than one hour.) or run the engine for 4 to 5 minutes at idle.
Maintenance after the day’s flights
Please pay attention to the matter described below to ensure that your engine serves you well in regard to performance, reliability and long life.
- Check the tightening of each screw, especially engine installation screws and silencer installation screws each time. Also, for the first several flights, tighten the screws after each flight.
- Fill the carburetor with fuel at the conclusion of a day’s flying. (Pay careful attention to fire and ignition source when carrying and storing the model.)
- If the engine is stored without filling the carburetor with fuel the inside parts will dry out and not work properly at the next running. If the engine quits out of fuel, refill the carburetor with fuel.
- As previously mentioned, it is vitally important to avoid operating the engine in conditions where dust, distributed by the propeller, may be deposited on the engine and enter its working parts.
- Remember to keep your fuel container closed to prevent foreign matter from contaminating the fuel. Install a fuel filter to prevent foreign matter in the fuel container from entering the fuel tank. O.S. Super Filter (L) is available as an optional extra.
- Install an in-line fuel filter between the tank and carburetor to prevent foreign matter in the tank from entering the carburetor.
- Clean these filters periodically.
- If these precautions are neglected, restrictions of fuel flow may cause the engine to cut out, or the fuel/air mixture to become too lean causing the engine to overheat.
- With a gasoline engine rust hardly occurs. Check the exterior to make sure there is nothing wrong and wipe off any oil res.
- When the engine is not to be used for a long period (more than a year), remove the engine from the model, clean the outside then remove the carburetor, and plug all tubing. Clean inside the engine by rotating the crankshaft with the engine immersed in container filled with gasoline.
- Also use gasoline to clean the outside of the carburetor. Clean the outside only because the inside parts are sensitive to foreign substances.
- After cleaning the engine, dry it well then inject a small quantity of oil used to mix fuel and rotate the crankshaft several times to distribute the oil well inside the engine. Finally reassemble the engine and store it in a dry place after inserting it in a heavy vinyl bag.
O.S. GENUINE PARTS & ACCESSORIES

ENGINE EXPLODED VIEW




CARBURETOR EXPLODED VIEW & PARTS LIST


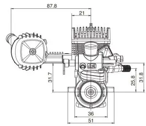
THREE VIEW DRAWING
Dimensions (mm)
SPECIFICATIONS




The specifications are subject to alteration for improvement without notice.

6-15 3-Chome Imagawa Higashisumiyoshi-ku
Osaka 546-0003, Japan T E L . ( 0 6 ) 6702-0225
FAX. (06) 6704-2722
© Copyright 2015 by O.S. Engine Mfg. Co., Ltd. All rights reserved. Printed in CHINA.
Read More About This Manual & Download PDF:



















