JK Audio Broadcast Host Analog Desktop Digital Hybrid

Welcome Thank You
Thank you for purchasing a JK Audio Broadcast Host Analog Desktop Digital Hybrid. Please read this guide for instructions on setting up and using your new product.
- Getting Assistance
If you have technical or application questions, call us M-F: 8:30am-5:00pm (CT) - All other countries:
815-786-2929 - In the US & Canada (Toll-Free)
800-552-8346
Email us at: [email protected]
Or check out our FAQ section for answers to common questions.
Limited Warranty
The Broadcast Host is covered by a 1 year warranty to be free from defective workmanship and materials. To obtain service, contact JK Audio by phone or email for return authorization. Once authorized, you will carefully pack and ship the faulty product and all accessories to us. You will pay for shipping to us and we will pay for return back to you. This warranty does not cover damages due to accident, weather, fire, flood, earthquake, misuse, unauthorized repairs or modifications, or damages occurred in shipping, only defective workmanship or materials.
There are no expressed or implied warranties that extend beyond the warranty here made.
Warnings & Safety Precautions
- Read and keep these instructions.
- Heed all warnings.
- Follow all instructions.
- Clean only with a soft dry cloth.
- Do not install near any heat sources such as radiators, heat registers, stoves, or other apparatus (including amplifiers) that produce heat.
- Do not defeat the safety purpose of the three-prong grounding type plug. If the provided plug does not fit into your outlet, consult an electrician for replacement of the obsolete outlet.
- Do not use this unit if the electrical power cord is frayed or broken. The power cord should be routed so that it is not likely to be walked on or pinched by items placed upon or against it.
- To reduce the risk of fire or electric shock, do not expose this apparatus to rain or moisture.
- Refer all servicing to qualified service personnel.
Features

Overview
- Introducing the Broadcast Host™
Broadcast Host will allow you to send and receive audio over analog telephone lines. While this may seem like a simple task that any telephone can do, the challenge is getting the best quality audio from such a limited audio path. - What is a Digital Hybrid?
The Broadcast Host digital hybrid connects audio signals to a standard analog telephone line without the variations in quality found with analog hybrids. The main function of a hybrid is to bring in the caller’s voice from the phone line as clear and clean as possible. In the real world, when you send your voice down the telephone line it has a tendency to bleed over into the caller’s audio. The hybrid must adapt to the phone line in order to properly separate transmit and receive audio. We use a 16 bit DSP (Digital Signal Processor) to continuously monitor the phone line and local audio signals to deliver excellent trans-hybrid loss, also known as separation. Our dual-convergence algorithm can achieve excellent separation, typically exceeding 50 dB. - Ready to go?
The Broadcast Host controls and connectors are clearly marked and ready for operation. If this is your first exposure to a hybrid, we suggest that you read the entire manual to allow you to take advantage of all these features. - Any Questions?
Before you pick up the phone… Please thumb through the rest of this manual. You might find those deep technical questions are covered on later pages.
Getting to Know Your Broadcast Host

Controls & Indicators
- Call Button
Press this button to answer an incoming call or to connect your call through the hybrid if you have used an auxiliary phone to set up the call. - Drop Button
Press this button to drop (hang up) a call. - Send 1 Level
Adjusts the signal level that you are sending down the telephone line, through the female XLR input. - Send 2 Level
Adjusts the signal level that you are sending down the telephone line, through the 3.5mm mini jack input. - Caller Level
Adjusts the level of the incoming caller’s audio as it is going out the output jacks. - Headphone Level
Adjusts the signal level coming from the 3.5mm front panel headphone jack. - Headphones
The 3.5mm stereo headphone jack contains a mix of both the Send input audio and the Caller audio.Indicators Cont’d - OH LED
Lit when you are on line with a call (Off-Hook). - Send LEDs
Displays the signal level going to the phone line. The goal is to drive the phone line audio at levels high enough to avoid phone line noise, but not so loud as to cause excessive clipping. Adjust the Send level control so that you rarely see flashes of the red -3dB peak Send LED. These flashes should occur only during loud speech bursts. If the red LED stays lit for extended periods you can assume that much of your speech is being clipped or distorted. In this case you should lower the Send volume control for the input that is causing the clipping. - Power LED
Lit when unit is plugged in and receiving power. - Caller LEDs
Displays the signal level coming in from the phone line, after the DSP. This signal level will not change when you adjust the <Caller> knob. The <Caller> level control knob does not change what you see on these LEDs. Adjust the <Caller> level control to give you the best signal level at the <Caller> XLR output or the Caller channel of the stereo output mini jack.
You can listen to the combined audio level in your headphones. After setting the Send levels for the highest level you can send without distortion as indicated by the LED meter, listen to the audio in your headphones and set the <Caller> level to match the Send level. Or if your recording device has a meter, you can use that to match the <Caller> level to the Send level.
Getting to Know Your Broadcast Host

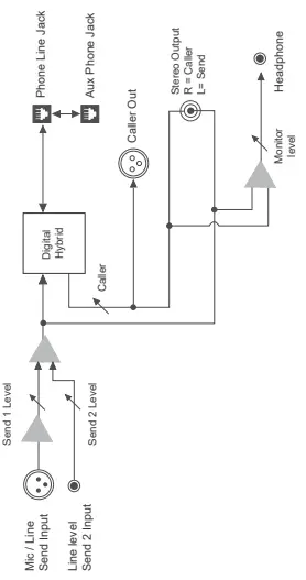
Inputs & Outputs
- Line Jack
Connect to a standard, single line, analog telephone line. - Phone Jack
Connect a single line analog telephone for call setup, dialing, or call screening. (Optional). - Auto-Answer
This switch enables Broadcast Host to automatically answer an incoming call and then disconnect after the caller hangs up. Auto answer will occur on the first ring. - Caller Output
Male balanced XLR line-level output contains only the caller’s voice. - Send 1 Input
Female balanced XLR input for signals going out to the phone line. Mic or line level input. - Mic / Line switch
Sets the front end sensitivity of the Send 1 XLR jack. Set to <Mic> if you intend to connect a dynamic microphone directly to the Send 1 jack. Set to <Line> if you are connecting to the output of a mic mixer.Inputs & Outputs Cont’d - Send 2 Mono Input
3.5mm <Mono In> mini jack for signals going into the phone line. Line level. - Stereo Output
3.5mm <Stereo Out> mini jack contains both Send and Caller audio channels with levels determined by the <Send 1> and <Send 2> level controls and the <Caller> level control. Left channel contains your
local Send audio and right channel contains the Caller’s audio from the telephone line. - Remote Control Jack
8 pin modular RJ-45 jack for connection to the optional JK Audio Guest Module 1 Remote Keypad or your broadcast console switch contacts (see page 9). Do not connect this jack to your computer network port. - Power Jack
For connection only to the supplied 9VDC regulated power supply.
Getting Connected
Note: There are 2 ways to set up the audio equipment for Broadast Host.
Connecting to a Single Line Phone
- Connect the supplied RJ-11 phone line cable between the jack marked <Line> and your wall jack. Be sure this jack supports standard single line analog telephone operation.
- You may want to connect an auxiliary telephone to the Broadcast Host <Phone> jack so you can dial out and set up calls, or use the <Auto- Answer> feature to answer incoming calls.
If you are only using one mic, please continue to Step 3.
If you are using a mixer with two or more mics, please skip to Step 6.
Setting up for One Mic/Headphone (No Mixer) - Connect a dynamic microphone cable to the <Send 1> jack on the hybrid. Be sure to set the Broadast Host <Mic/Line> switch to the <Mic> position.
- Connect a headphone to the front of the Broadast Host.
- Connect a stereo cable from the mini-jack <Stereo Out> on the Broadcast Host to the <Line In> on your computer sound card or other recording equipment that has a stereo input. Continue to Step 12.

Setting up for two or more Mics and a Mixer (Mix Minus Caller)
Note: A mix-minus signal is an audio signal that contains a mix of your local microphones plus any other audio, minus the Caller’s own voice. Sending the Caller’s audio back to the Broadast Host will cause an echo, or feedback. - Connect the Broadast Host <Caller> output to any Line input on the mixer.
- Connect microphone(s) to the mic inputs on your mixer.
- Connect the mixer’s Mix-Minus bus or Aux Send output (this may be labeled FX or Mon but any Aux bus will work) to the <Send 1> input on Broadast Host. Set the Broadast Host <Mic/Line> switch to the Line position.
- If your mixer doesn’t have a mix-minus bus: Whichever input channel you have the <Caller> connected to, turn the corresponding Aux control to minimum. All Aux controls for other channels should be set for audio sent to the phone line. Each Aux Send bus is completely separate from all other outputs, so these Aux controls will not affect what is heard on the Main outputs or on any other Aux buses.
Tip: Using an Aux Send bus that is Pre-Fader allows you to control the levels of each channel to the main output without affecting what is sent to the phone line. - Connect your headphones to the mixer.
- Use Main Outputs to send audio to recording device or broadcasting equipment inputs.

Completing Setup - Connect the supplied DC power supply to the back of the Broadast Host and then to an AC power outlet.
- Adjust the <Send> level controls so that you consistently light the green -20 dB and -9 dB and rarely light the red -3 dB peak Send LED. These flashes should occur only during loud speech bursts. If the red LED stays lit for extended periods you can assume that much of your speech is being clipped or distorted. Set the <Caller> control for good recording level of the caller audio at the output jack.
Operation
- Auxiliary Telephone
- An auxiliary telephone provides you with an easy way to dial out or set up your calls. Broadcast Host will disconnect the auxiliary telephone when you press the <Call> button. If you need to take the call back on the aux telephone, simply pick up the telephone handset before the Broadcast Host’s <Drop> button is pressed.
- To use an auxiliary phone equipped with a “Hold” feature to place or screen a call, first set up the call and place the call on hold. When you are ready to take the call on Broadcast Host, press the <Call> button on the Broadcast Host and your telephone will automatically release the hold.
- Your phone will operate as a normal telephone anytime you are in Drop mode. Leaving the hybrid connected between the wall jack and your telephone will not affect normal use of your phone. Audio will only pass through the hybrid when you press the <Call> button.
- Optional Jumper Settings
If the incoming Caller level is too high and peaking the red -3 dB LED, you may need to change the setting of an internal jumper. Disconnect power from the hybrid and remove the cover of the Broadcast Host to locate Jumper 1. The default position for this jumper is closed (covering both pins). Changing the jumper to the open position (either remove the jumper or cover just one pin) will provide 6 dB attenuation of the incoming audio signal. - Auto-Answer
- The <Auto-Answer> feature will answer on the first ring. When <Auto- Answer> is enabled, you can still make calls manually using the <Call> button.
- When finished, you can either drop the call manually or allow the call to Auto-Disconnect. Broadcast Host will look for a CPC disconnect signal from the phone company to determine when a call has disconnected. This can take up to a minute.
Remote Control
Remote Control Jack
The RJ-45 jack on the back of the Broadcast Host provides a connection to an optional JK Audio Guest Module 1 remote control, or it can be wired to the switch contacts on your broadcast console. Do not connect this jack to the network port on your computer.
RJ-45 Pinout:
- Ground
- Call / Drop Control (main control pin)
- Ring / OH LED
- DTMF Input
- +4.3 VDC
- Reserved
- Reserved
- Reserved
- To take Broadcast Host off-hook, momentarily connect pin 2 to pin 5 (power) through a 100 ohm ¼ watt resistor.
- To release (Drop) the phone line, momentarily connect pin 2 to pin 1 (ground) through a 100 ohm 1/4 watt resistor.
- Pin 3 contains a 4.3 VDC, 40 mA current limited output to drive a signal LED. We suggest adding a 200 ohm ¼ watt resistor in series with an LED connected to ground.
- Pin 5 supply output is current limited to 100 mA with a resettable fuse for use with the Guest Module and pin 2 connections. Do not attempt to power additional circuitry from this pin.
- Guest Module 1 (Sold Separately)
This convenient device gives you remote access to the on-hook/offhook and dial features of the Broadcast Host. The <Call> button will flicker when a call comes in and will stay lit while a call is present. When you dial out using the Guest Module 1 keypad, the tones are sent directly down the phone line, and do not come back blasting in your ear. Product sold separately. - Guest Module 1 Features:
- Ring and Call LED
- Call and Drop Buttons
- DTMF Keypad
- Keypad Disable Switch
- Remote Powered

FAQs
- Will the digital hybrid provide phantom power for a condenser mic?
No, this device will not provide phantom power. If you connect a microphone directly to the Broadcast Host, you should use a dynamic mic. - What happens if someone takes a second phone off-hook when the Broadcast Host is on a call?
- Broadcast Host will treat the other local voice the same as the caller.
- It will attempt to keep transmit audio from returning back with the caller’s audio, but this becomes more difficult with this scenario.
- The local voice will certainly sound much louder than the distant caller’s voice.
- Why is there a Send 2 mini-jack on the back of my Broadcast Host?
- This is a second line level input to the Broadcast Host. Here you can connect another device, such as a CD player, the Line Out from your computer or even the output of your personal audio player, to add audio to the conversation.
- This enables you to play background music or other sound bites during your discussion.
- Do not connect a microphone to this jack.
- This is a mono input. If you connect a stereo output here, such as a computer line out, you will only receive Left channel audio.
- How do I record onto my computer and edit the files?
- You will need to purchase or download any audio editing software of your choice.
- You may also need to edit the audio configuration files on your computer or in your software to allow recording in stereo.
- Broadcast Host just enables you to access the audio from your phone line.
- Why does my laptop only record half of the conversation?
- I am using the Stereo output on the Broadcast Host and I have a stereo cable.
- Most laptop computers only have a mic input, which is mono.
- You will need to either get a sound card with a stereo line level input for your laptop or use a USB or FireWire interface product.
- Why does my laptop / tablet not receive audio from the Broadcast Host for recording?
- Many newer laptops / tablets only have a TRRS headset jack.
- If you want to record 2 track stereo audio, you will need to either get a sound card with a stereo line level input for your laptop or use a USB or FireWire interface product.
- There is a loud hum on the output of my Broadcast Host, even when nothing else is connected. What else could it be?
Make certain you are using the regulated power supply that was shipped with this unit. Power supplies are not all the same. - I need to be able to use my Broadcast Host at an office building but they only have a multi-line PBX phone system. Is there some way I can still connect this device?
- Talk to their phone specialist and ask for a standard analog line.
- Any line that can be used for a fax machine or modem should work fine.
- The auto answer or auto disconnect features may not work the same however.
- That depends on how the PBX system is configured.
- If this is where you will typically be working with the hybrid, you might consider our innkeeper PBX instead.
- Can I still use my phone to take regular calls or do I have to disconnect the Broadcast Host when I am not using it?
You can leave the Broadcast Host in place and your telephone will continue to operate normally. Audio will only pass through the hybrid when you press the <Call> button. - I have a stereo mixer with no Aux bus and only one set of outputs. How do I create a mix-minus setup?
- If your mixer does not have an Aux Send bus, you can use Pan controls with the Left and Right outputs.
- Pan the Caller to the Right output.
- Then connect only the Left output to the Broadcast Host <Send 1> input.
- Leave the microphones panned to the middle and send the Right channel output containing the mixed audio to your recording device.
- Instead, you may also send the mix-minus signal from the L channel RCA output to the <Send 2> input if necessary.
Technical Information
Block Diagram

Specifications

Declaration of Conformity

FCC Registration

FCC Registration
Your new JK Audio product has been registered with the Federal Communications Commission (FCC). This product complies with the standards in Part 68 of the
FCC rules.
- Connection and use with the nationwide telephone network The FCC requires that you connect this telephone equipment to the national telephone network through a USOC RJ-11C modular telephone jack. This equipment may not be used with Party Line Service or Coin Telephone Lines. This equipment is hearing aid compatible.
- Information for the telephone company Upon request from your local telephone company, you are required to provide the following information:
- The “line” to which you will connect the telephone equipment (that is, your telephone number), and
- The telephone equipment’s FCC registration number.This can be found on the bottom of your telephone equipment, and,
- The ringer equivalence number (REN) for this equipment. The REN is used to determine the quantity of devices which will be connected to the telephone line. Excessive RENs on the telephone line may result in the devices not ringing in response to an incoming call. In most, but not all areas, the sum of the RENs should not exceed 5.0. To be certain of the number of devices that may beconnected to the line, as determined by the total RENs, contact the local telephone company.
- Repair Instructions
If it is determined that your telephone equipment is malfunctioning, the FCC requires that it not be used and that it be unplugged from the modular outlet until the problem has been corrected. Repairs to this telephone equipment can only be made by the manufacturer or its authorized agents or by others who may be authorized by the FCC. For repair procedures, follow the instructions outlined under the warranty section of the manual. - Rights of the telephone company
If telephone equipment is causing harm to the network, the telephone company may temporarily discontinue your telephone service. If possible, they’ll notify you before they interrupt service. If advanced notice isn’t practical, you’ll be notified as soon as possible. You’ll be given the opportunity to correct the problem, and you’ll be informed of your right to file a complaint with the FCC. Your telephone company may make changes in its facilities, equipment, operations or procedures that could affect the proper functioning of your JK Audio product. If such changes are planned, you’ll be notified by your telephone company.
FCC Part 15 Subpart A Compliance
This equipment has been tested and found to comply with the limits for a Class A digital device, pursuant to Part 15 of the FCC Rules. These limits are designed to provide reasonable protection against harmful interference when the equipment is operated in a commercial environment. This equipment generates, uses, and can radiate radio frequency energy and, if not installed and used in accordance with
the instruction manual, may cause harmful interference to radio communications. Operation of this equipment in a residential area is likely to cause harmful interference in which case the user will be required to correct the interference at his/her own expense. Changes or modifications not expressly approved by JK Audio can void the user’s authority to operate the equipment.
Broadcast Host™
Broadcast Field Mixer
User Guide Version 4/16/22
- JK Audio, Inc.
- 1311 E 6th St.
- Sandwich, IL 60548
- United States
Telephone: 815.786.2929
Toll Free: 1.800.jkaudio
Fax: 815.786.8502
www.jkaudio.com
© 2022 JK Audio, Inc. All rights reserved.






















