KMM-BT34, KMM-302BT,
KMR-M308BTE Digital Media Receiver
Instruction Manual
KMM-BT34, KMM-302BT, KMR-M308BTE Digital Media Receiver
Information on Disposal of Old Electrical and Electronic Equipment and Batteries (applicable for EU countries that have adopted separate waste collection systems)
Products and batteries with the symbol (crossed-out wheeled bin) cannot be disposed of as household waste.
Old electrical and electronic equipment and batteries should be recycled at a facility capable of handling these items and their waste byproducts.
Contact your local authority for details on locating a recycling facility nearest to you. Proper recycling and waste disposal will help conserve resources whilst preventing detrimental effects on our health and the environment.
Notice: The sign “Pb” below the symbol for batteries indicates that this battery contains lead.
libFLAC
Copyright (C) 2000,2001,2002,2003,2004,2005,2006,2007,2008,2009 Josh Coalson
Redistribution and use in source and binary forms, with or without modification, are permitted provided that the following conditions are met:
- Redistributions of source code must retain the above copyright notice, this list of conditions, and the following disclaimer.
- Redistributions in binary form must reproduce the above copyright notice, this list of conditions, and the following disclaimer in the documentation and/or other materials provided with the distribution.
- Neither the name of the Xiph.org Foundation nor the names of its contributors may be used to endorse or promote products derived from this software without specific prior written permission.
THIS SOFTWARE IS PROVIDED BY THE COPYRIGHT HOLDERS AND CONTRIBUTORS “AS IS” AND ANY EXPRESS OR IMPLIED WARRANTIES, INCLUDING, BUT NOT LIMITED TO, THE IMPLIED WARRANTIES OF MERCHANTABILITY AND FITNESS FOR A PARTICULAR PURPOSE ARE DISCLAIMED. IN NO EVENT SHALL THE FOUNDATION OR CONTRIBUTORS BE LIABLE FOR ANY DIRECT, INDIRECT, INCIDENTAL, SPECIAL,
EXEMPLARY, OR CONSEQUENTIAL DAMAGES (INCLUDING, BUT NOT LIMITED TO, PROCUREMENT OF SUBSTITUTE GOODS OR SERVICES; LOSS OF USE, DATA, OR PROFITS; OR BUSINESS INTERRUPTION)
HOWEVER CAUSED AND ON ANY THEORY OF LIABILITY, WHETHER IN CONTRACT, STRICT LIABILITY, OR TORT (INCLUDING NEGLIGENCE OR OTHERWISE) ARISING IN ANY WAY OUT OF THE USE OF THIS SOFTWARE, EVEN IF ADVISED OF THE POSSIBILITY OF SUCH DAMAGE.
- Use of the Made for Apple badge means that an accessory has been designed to connect specifically to the Apple product(s) identified in the badge and has been certified by the developer to meet Apple performance standards. Apple is not responsible for the operation of this device or its compliance with safety and regulatory standards. Please note that the use of this accessory with an Apple product may affect wireless performance.
- Apple, iPhone, iPod, iPod classic, iPod nano, and iPod touch are trademarks of Apple Inc., registered in the U.S. and other countries.
- IOS is a trademark or registered trademark of Cisco in the U.S. and other countries and is used under license.
- Android is a trademark of Google Inc.
- The Bluetooth® word mark and logos are registered trademarks owned by Bluetooth SIG, Inc. and any use of such marks by JVC KENWOOD Corporation is under license. Other trademarks and trade names are those of their respective owners.
BEFORE USE
Warning
Do not operate any function that takes your attention away from safe driving.
Caution
Volume setting:
- Adjust the volume so that you can hear sounds outside the car to prevent accidents.
- Lower the volume before playing digital sources to avoid damaging the speakers by the sudden increase of the output level.
General:
- Avoid using external devices if it might hinder safe driving.
- Make sure all important data has been backed up. We shall bear no responsibility for any loss of recorded data.
- Never put or leave any metallic objects (such as coins or metal tools) inside the unit, to prevent a short circuit.
How to read this manual
- Operations are explained mainly using buttons on the faceplate.
- [XX] indicates the selected items.
- ( →XX) indicates references are available on the stated page.
Maintenance
Cleaning the unit: Wipe off dirt on the faceplate with a dry silicone or soft cloth.
Cleaning the connector: Detach the faceplate and clean the connector gently with a cotton swab, being careful not to damage the connector.
BASICS

| To | Do this (on the faceplate) |
| Turn on the power | Press • Press and hold to turn off the power. |
| Adjust the volume | Turn the volume knob. |
| Select a source | Press |
| Change the display information | Press DISP SCRL repeatedly. • Press and hold to scroll the current display information. |
GETTING STARTED

Select the display language and cancel the demonstration
When you turn on the power (or after you reset the unit), the display shows: “SEL LANGUAGE” →“PRESS”→ and “VOLUME KNOB”
- Turn the volume knob to select [ENG] (English) or [RUS] (Russian), then press the knob.
[ENG] is selected for the initial setup.
Then, the display shows: “CANCEL DEMO” →“PRESS”→ “VOLUME KNOB” - Press the volume knob.
[YES] is selected for the initial setup. - Press the volume knob again.
“DEMO OFF” appears.
For KMR-M308BTE, [DEMO OFF] is selected initially.
Set the clock
- Press the volume knob to enter [FUNCTION].
- Turn the volume knob to select [CLOCK], then press the knob.
- Turn the volume knob to select [CLOCK ADJUST], then press the knob.
- Turn the volume knob to make the settings, then press the knob.
Day→ Hour→ Minute - Turn the volume knob to select [CLOCK FORMAT], then press the knob.
- Turn the volume knob to select [12H] or [24H], then press the knob.
- Press and hold
to exit.
To return to the previous setting item or hierarchy, press
.
While in the clock display screen…
Press and hold DISP SCRL to enter clock adjustment mode directly.
Then, perform step 4 to set the clock.
Set the initial settings
- Press
SRC to enter STANDBY. - Press the volume knob to enter [FUNCTION].
- Turn the volume knob to make a selection (see the following table), then press the knob.
- Press and hold
to exit.
To return to the previous setting item or hierarchy, press
.
| AUDIO CONTROL | |
| SWITCH OUT | REAR/ SUB-W: Selects whether rear speakers or a subwoofer are connected to the line-out terminals on the rear (through an external amplifier). |
| SP SELECT | OFF/ 5/4/ 6 × 9/6/ OEM: Select according to the speaker size (5 inches or 4 inches, 6×9 inches or 6 inches) or OEM speakers for optimum performance. |
| DISPLAY | |
| EASY MENU | (For KMM-302BT ) ON: Both display and button illumination change to white color when entering [FUNCTION]. ; OFF: Both display and button illumination remains as [COLOR SELECT] color. ( 12) |
| TUNER SETTING | |
| PRESET TYPE | NORMAL: Memorizes one station for each preset button in each band (FM1/ FM2/ FM3/ MW/ LW). ; MIX: Memorizes one station for each preset button, regardless of the selected band. |
| SYSTEM | |
| KEY BEEP | ON: Activates the keypress tone. ; OFF: Deactivates. |
| SOURCE SELECT | |
| BUILT-IN AUX | ON: Enables AUX in source selection. ; OFF: Disables. ( 8) |
| RUSSIAN SET | Selects the display language for the [FUNCTION] menu and Tag information (folder name, file name, song title, artist name, album name) if applicable. RUSSIAN OFF: Display language is English. ; РУССКИЙ BКЛ: Display language is Russian. |
| P-OFF WAIT | Applicable only when the demonstration mode is turned off. Sets the duration when the unit will automatically turn off (while in standby mode) to save the battery. 20M: 20 minutes ; 40M: 40 minutes ; 60M: 60 minutes ; OFF – – –: Cancels |
| F/W UPDATE | |
| UPDATE SYSTEM/ UPDATE BT | |
| F/W UP xx.xx | YES: Starts upgrading the firmware. ; NO: Cancels (upgrading is not activated). For details on how to update the firmware, see: www.kenwood.com/cs/ce/ |
RADIO

Search for a station
- Press
SRC to select TUNER. - Press
BAND repeatedly to select FM1/ FM2/ FM3/ MW (or LW). - Press
T to search for a station.
- To change the search method for
Press
SEEK repeatedly.
AUTO1: Automatically search for a station.
AUTO2: Search for a preset station.
MANUAL: Manually search for a station. - To store a station: Press and hold one of the number buttons (1 to 6).
- To select a stored station: Press one of the number buttons (1 to 6).
Other settings
- Press the volume knob to enter [FUNCTION].
- Turn the volume knob to make a selection (see the following table), then press the knob.
- Press and hold
to exit.
To return to the previous setting item or hierarchy, press
.
| TUNER SETTING | |
| LOCAL SEEK | ON: Searches only FM stations with good reception. ; OFF: Cancels. |
| AUTO MEMORY | YES: Automatically starts memorizing 6 stations with good reception. ; NO: Cancels. (Selectable only if [NORMAL] is selected for [PRESET TYPE].) ( →4) |
| MONO SET | ON: Improves the FM reception, but the stereo effect may be lost. ; OFF: Cancels. |
| NEWS SET | ON: The unit will temporarily switch to News Programme if available. ; OFF: Cancels. |
| REGIONAL | ON: Switch to another station only in the specific region using the “AF” control. ; OFF: Cancels. |
| AF SET | ON: Automatically searches for another station broadcasting the same program in the same Radio Data System network with better reception when the current reception is poor. ; OFF: Cancels. |
| TI | ON: Allows the unit to temporarily switch to Traffic Information. ; OFF: Cancels. |
| PTY SEARCH | Press the volume knob to enter the PTY language selection. Turn the volume knob to select the PTY language (ENGLISH/ FRENCH/ GERMAN), then press the knob. Selects the available Program Type (see the following), then, press |
| CLOCK | |
| TIME SYNC | ON: Synchronizes the unit’s time to the Radio Data System station time. ; OFF: Cancels. |
- [LOCAL SEEK]/ [MONO SET]/ [NEWS SET]/ [REGIONAL]/ [AF SET]/ [TI]/ [PTY SEARCH] is selectable only when the band is FM1/ FM2/ FM3.
- Available Program Type:
SPEECH: NEWS, AFFAIRS, INFO (information), SPORT, EDUCATE, DRAMA, CULTURE, SCIENCE, VARIED, WEATHER, FINANCE, CHILDREN, SOCIAL, RELIGION, PHONE IN, TRAVEL, LEISURE, DOCUMENT MUSIC: POP M (music), ROCK M (music), EASY M (music), LIGHT M (music), CLASSICS, OTHER M (music), JAZZ, COUNTRY, NATION M (music), OLDIES, FOLK M (music) The unit will search for the Program Type categorized under [SPEECH] or [MUSIC] if selected. - If the volume is adjusted during the reception of traffic information, alarm, or news bulletin, the adjusted volume is memorized automatically. It will be applied the next time traffic information, alarm, or news bulletin function is turned on.
USB/ iPod
Start playback
The source changes automatically and the playback starts.
USB
iPod/iPhone

Press 5 iPod to select the control mode while in the iPod source.
MODE ON: From the iPod*2.
MODE OFF: From the unit.
| To | Do this |
| Pause or resume playback | Press 6 |
| Select a file | Press |
| Select a folder *3 | Press |
| Reverse/ Fast-forward | Press and hold |
| Repeat play *4 | Press 4 • MP3/WMA/WAV/FLAC file or iPod: FILE REPEAT, FOLDER REPEAT, REPEAT OFF • KENWOOD Music Editor Light (KME Light)/ KENWOOD Music Control (KMC) file (→ 14): FILE REPEAT, REPEAT OFF |
| Random play *4 | Press 3 • MP3/WMA/WAV/FLAC file or iPod or KME Light/ KMC file: FOLDER RANDOM, RANDOM OFF Press and hold 3 |
*1 Do not leave the cable inside the car when not using it.
*2 You can still play/pause, file skip, fast-forward, or reverse files from the unit.
*3 Only for MP3/WMA/WAV/FLAC files. This does not work for iPods.
*4 For iPod: Applicable only when [MODE OFF] is selected.
If you connect the iPod/iPhone to the USB input terminal of the unit (while listening to TuneIn Radio, TuneIn Radio Pro, or Aupeo), the unit will output the sound from these apps.
Select a file from a list
For iPod: Applicable only when [MODE OFF] is selected. (→ 6)
- Press
. - Turn the volume knob to make a selection, then press the knob.
- MP3/WMA/WAV/FLAC file: Select the desired folder, then a file.
- iPod or KME Light/ KMC file: Select the desired file from the list (PLAYLISTS, ARTISTS, ALBUMS, SONGS, PODCASTS*, GENRES, COMPOSERS*).
* Only for iPod.
- To return to the root folder (or first file), press the number button 5 iPod.
- To return to the previous setting item or hierarchy, press
. - To cancel, press and hold
.
If you have many files…..
You can search through them quickly (on step 2 above) at a preset skip search ratio by pressing
.
- See also “Set the skip search ratio.”
- Pressing and holding
skip songs at the maximum ratio (10%) regardless of the setting made. - For USB: Only for files registered in the database created with KME Light/ KMC.
Select a song by the name
While listening to iPod…
- Press
. - Turn the volume knob to select a category, then press the knob.
- Turn the volume knob quickly to enter character search.
- Turn the volume knob to select the character to be searched for.
- Press
to move to the entry position.
You can enter up to 3 characters. - Press the volume knob to start searching.
- Turn the volume knob to make a selection, then press the knob.
Repeat step 7 until the desired item is selected.
- To search for a character other than A to Z and 0 to 9, enter only “ * ”.
- To return to the previous hierarchy, press
. - To return to the top menu, press the number button 5 iPod.
- To cancel, press and hold
.
Set the skip search ratio
While listening to iPod or KME Light/ KMC file…
- Press the volume knob to enter [FUNCTION].
- Turn the volume knob to select [USB], then press the knob.
- Turn the volume knob to select [SKIP SEARCH], then press the knob.
- Turn the volume knob to make a selection, then press the knob.
0.5% (default)/ 1%/ 5%/ 10%: Skip search ratio over the total files. - Press and hold
to exit.
Change the USB drive
When a smartphone (Mass Storage Class) is connected to the USB input terminal, you can select its internal memory or external memory (such as an SD card) to play back the stored songs.
You can also select the desired drive to playback when a multiple drives device is connected.
Press 5 iPods repeatedly to select the desired drive.
(or)
- Press the volume knob to enter [FUNCTION].
- Turn the volume knob to select [USB], then press the knob.
- Turn the volume knob to select [MUSIC DRIVE], then press the knob.
- Press the volume knob to select [DRIVE CHANGE].
The next drive is selected automatically.
Repeat steps 1 to 4 to select the following drives.
Selectable items: [DRIVE 1] to [DRIVE 5]
AUX
Preparation:
Select [ON] for [BUILT-IN AUX]. ( 4)
Start listening
- Connect a portable audio player (commercially available).

- Press
SRC to select AUX. - Turn on the portable audio player and start playback.
Set the AUX name
While listening to a portable audio player connected to the unit…
- Press the volume knob to enter [FUNCTION].
- Turn the volume knob to select [SYSTEM], then press the knob.
- Turn the volume knob to select [AUX NAME SET], then press the knob.
- Turn the volume knob to make a selection, then press the knob.
AUX (default)/ DVD/ PORTABLE/ GAME/ VIDEO/ TV - Press and hold
to exit.
BLUETOOTH®
You can operate Bluetooth devices using this unit.
Connect the microphone
If you turn off the unit or detach the control panel during a phone call conversation, the Bluetooth connection is disconnected.
Continue the conversation using your mobile phone.
Supported Bluetooth profiles
- Hands-Free Profile (HFP)
- Serial Port Profile (SPP)
- Phonebook Access Profile (PBAP)
- Object Push Profile (OPP)
- Advanced Audio Distribution Profile (A2DP)
- Audio/Video Remote Control Profile (AVRCP)
Pair a Bluetooth device
When connecting a Bluetooth device to the unit for the first time, perform pairing between the unit and the device. Once the pairing is completed, the Bluetooth device will remain registered in the unit even if you reset the unit.
- Up to five devices can be registered (paired) in total.
- A maximum of two Bluetooth phones and one Bluetooth audio device can be connected at any time.
- This unit supports Secure Simple Pairing (SSP).
- Some Bluetooth devices may not automatically connect to the unit after pairing. Connect the device to the unit manually. Refer to the instruction manual of the Bluetooth device for more information.
- Press
SRC to turn on the unit. - Search and select this unit model name (KMM-BT3*/ KMM-3**BT/ KMR-M3**BTE) on the Bluetooth device.
“PAIRING”→ “PASS→ XXXXXX” Device names→ “PRESS”→ and “VOLUME KNOB” scroll on the display. - Press the volume knob to start pairing.
“PAIRING OK” appears when pairing is completed and “BT” will light up when the Bluetooth connection is established.
- For some Bluetooth devices, you may need to enter the Personal Identification Number (PIN) code immediately after searching.
- A pairing request (via Bluetooth) is automatically activated if an iPhone/ iPod touch is connected through the USB input terminal. (Applicable only if [AUTO PAIRING] is set to [ON].) ( 12)
Press the volume knob to pair once you have confirmed the device name.
Bluetooth test mode
You can check the connectivity of the supported profile between the Bluetooth device and the unit.
- Make sure there is no Bluetooth device connected.
- Press and hold
.
“PLEASE PAIR YOUR PHONE” appears. - Search and select this unit model name (KMM-BT3*/ KMM-3**BT/ KMR-M3**BTE) on the Bluetooth device.
- Operate the Bluetooth device to confirm pairing.
“TESTING” flashes on the display.
The connectivity result (OK or NG) appears after the test.
PAIRING: Pairing status
HF CNT: Hands-Free Profile (HFP) compatibility
AUD CNT: Advanced Audio Distribution Profile (A2DP) compatibility
PB DL: Phonebook Access Profile (PBAP) compatibility
- To cancel check mode, press and hold B SRC to turn off the unit.
Bluetooth mobile phone
| To | Do this |
| Receive a call | Press • All the button illumination flash when there is an incoming call. • When [AUTO ANSWER] is set to the selected time, the unit answers the incoming call automatically. ( 10) |
| Reject an incoming call | Press |
| End a call Switch between hands- free and private talk modes | Press Press 6 • Operations may vary according to the connected Bluetooth device. |
| Adjust the phone volume | Turn the volume knob during a call. Phone volume: [00] to [35] (Default: [15]) • This adjustment will not affect the volume of the other sources. |
| Switch between two connected phones | Press • Not applicable during a call. |
Improve the sound quality during a call
While talking on the phone…
- Press the volume knob to enter [FUNCTION].
- Turn the volume knob to make a selection (see the following table), then press the knob.
- Press and hold
to exit.
To return to the previous setting item or hierarchy, press
.
| MIC GAIN | –20 — +8 (0): The sensitivity of the microphone increases as the number increases. |
| NR LEVEL | –5 — –20 (–10): Adjust the noise reduction level until the least noise is being heard during a phone conversation. |
| ECHO CANCEL | 1 — 10 (4): Adjust the echo cancellation delay time until the least echo is being heard during a phone conversation. |
Text message notification
When the phone receives a text message, the unit rings, and “SMS RECEIVED” appears.
- You cannot read, edit, or send a message through the unit.
- To clear the message, press any button.
Use Voice Recognition
- Press and hold
to activate Voice Recognition.
The connected phone (which has been paired the earliest) is activated. However, if the priority device is connected, pressing and holding
activate the priority device. ( 12, DVC PRIORITY) - Speak the name of the contact you want to call or the voice command to control the phone functions.
• Supported Voice Recognition features vary for each phone. Refer to the instruction manual of the connected phone for details.
• This unit also supports the intelligent personal assistant function of iPhone.
Bluetooth mode operations
- Press
to enter Bluetooth mode. - Turn the volume knob to make a selection (see the following table), then press the knob.
- Press and hold
to exit.
To return to the previous setting item or hierarchy, press
.
To enter [PHONE BOOK] directly, press
. ( PHONE BOOK) Press
phones.
| CALL HISTORY | 1 Press the volume knob to select a name or a phone number. • “I” indicates call received, “O” indicates call made, “M” indicates call missed. • Press DISP SCRL to change the display category (NUMBER or NAME). • “NO DATA” appears if there is no recorded call history. 2 Press the volume knob to call. |
| PHONE BOOK | 1 Turn the volume knob to select a name, then press the knob. 2 Turn the volume knob to select a phone number, then press the knob to call. • If the phone supports PBAP, the phonebook of the connected phone is automatically transferred to the unit when pairing. If the phone does not support PBAP, “TRANSFER PB” appears. Transfer the phonebook manually. ( 12, TRANSFER PB) • Contacts are categorized as MO (mobile), HM (home), OF (office), OT (others), GE (general) • This unit can display only non-accent letters. (Accent letters such as “Ú” is shown as “U”.) • If the phonebook contains many contacts, ( 11, Select a contact by name). |
| NUMBER DIAL | 1 Turn the volume knob to select a number (0 to 9) or character ( , #, +). 2 Press Repeat steps 1 and 2 until you finish entering the phone number. 3 Press the volume knob to call. |
| VOICE | Speak the name of the contact you want to call or the voice command to control the phone functions. |
| BATT* | LOW/ MID/ FULL: This shows the strength of the battery. |
| SIGNAL* | NO SIGNAL/ LOW/ MID/ MAX: This shows the strength of the current received signal. |
| SETTINGS | |
| AUTO ANSWER | 1 — 30: The unit answer incoming call automatically in the selected time. ; OFF: Cancels. |
| RING MODE | SYSTEM: The unit rings to notify you when a call/text message comes in. (Default ring tone is different according to the paired device.) • CALL: Selects your preferred ring tone (TONE 1 — 5) for incoming calls. • MESSAGE: Selects your preferred ring tone (TONE 1 — 5) for incoming text messages. PHONE: The unit uses the connected phones’ ring tone to notify you when a call/text message comes in. (The connected phone will ring if it does not support this feature.) |
| SMS NOTIFY* | ON: The unit rings and “SMS RECEIVED” appears to notify you of an incoming text message. ; OFF: Cancels. |
* Functionality depends on the type of phone used.
Select a contact by name
- You can search through the contacts quickly according to the first letter (A to Z), number (0 to 9), or symbol.
- The second alphabet of the contract will be searched if the first alphabet does not exist.
- Press
to enter Bluetooth mode. - Turn the volume knob to select [PHONE BOOK], then press the knob.
- Turn the volume knob quickly to enter alphabet search mode.
The first menu (ABCDEFGHIJK) appears. To go to the other menu (LMNOPQRSTUV or WXYZ1 ), press
. - Turn the volume knob or press
to select the desired first letter, then press the knob.
• To search with numbers, select “1”.
• To search with symbols, select “ ”. - Turn the volume knob to select a name, then press the knob.
- Turn the volume knob to select a phone number, then press the knob to call.
To return to the previous hierarchy, press
.
Store contact in memory.
You can store up to 6 contacts.
- Press
to enter Bluetooth mode. - Turn the volume knob to select [CALL HISTORY], [PHONE BOOK], or [NUMBER DIAL], then press the knob.
- Turn the volume knob to select a contact or enter a phone number.
If a contact is selected, press the volume knob to show the phone number. - Press and hold one of the number buttons (1 to 6).
“STORED” appears when the contact is stored.
To erase a contact from the preset memory, select [NUMBER DIAL] in step 2 and store a blank number.
Make a call from memory
- Press
to enter Bluetooth mode. - Press one of the number buttons (1 to 6).
- Press the volume knob to call.
“NO MEMORY” appears if there is no contacts stored.
Delete a contact
Not applicable for mobile phone that supports PBAP.
- Press
to enter Bluetooth mode. - Turn the volume knob to select [CALL HISTORY] or [PHONE BOOK], then press the knob.
- Turn the volume knob to select a contact.
If a contact is selected, press the volume knob to show the phone number. - Press and hold the volume knob to enter delete mode.
- Turn the volume knob to select [DELETE ONE] or [DELETE ALL], then press the
knob.
DELETE ONE: Selected name or phone number in step 3 is deleted.
DELETE ALL: All names or phone numbers from the selected menu in step 2 is
deleted. - Turn the volume knob to select [YES] or [NO], then press the knob.
Bluetooth mode settings
- Press the volume knob to enter [FUNCTION].
- Turn the volume knob to select [BT MODE], then press the knob.
- Turn the volume knob to make a selection (see the following table), then press the knob.
- Press and hold
to exit.
To return to the previous setting item or hierarchy, press
.
| PHONE SELECT | Selects the phone or audio device to connect or disconnect. |
| AUDIO SELECT | “ ” appears in front of the device name. |
| DEVICE DELETE | 1 Turn the volume knob to select a device to delete, then press the knob. 2 Turn the volume knob to select [YES] or [NO], then press the knob. |
| DVC PRIORITY | Selects a device to be connected as a priority device. “ ” appears in front of the device name set as priority. |
| TRANSFER PB* | “DL PB*** ” appears and transfers the phonebook of the connected phone to this unit manually. * Selectable only when the connected phone supports OPP. |
| PIN CODE EDIT (0000) | Changes the PIN code (up to 6 digits). 1 Turn the volume knob to select a number. 2 Press Repeat steps 1 and 2 until you finish entering the PIN code. 3 Press the volume knob to confirm. |
| RECONNECT | ON: The unit automatically reconnects when the Bluetooth device is within range. ; OFF: Cancels. |
| AUTO PAIRING | ON: The unit automatically pairs supported Bluetooth devices (iPhone/ iPod touch) when it is connected through a USB input terminal. Depending on the iOS version of the connected iPhone/iPod touch, this function may not work. ; OFF: Cancels. |
| BT HF/AUDIO | FRONT: Outputs audio from the front left and right speakers. ; ALL: Outputs audio from all the speakers. |
| INITIALIZE | YES: Initializes all the Bluetooth settings (including stored pairing, phonebook, etc.). ; NO: Cancels. |
Bluetooth audio player
Operations and display indications may differ according to their availability on the connected device.
| To | Do this |
| Playback | 1 Press 2 Operate the Bluetooth audio player to start playback. |
| Pause or resume playback | Press 6 |
| Select a group or folder | Press |
| Reverse/ forward skip | Press |
| Reverse/fast-forward | Press and hold |
| Repeat play | Press 4 ALL REPEAT, FILE REPEAT, REPEAT OFF |
| Random play | Press 3 FOLDER RANDOM, RANDOM OFF Press and hold 3 |
DISPLAY SETTINGS
- Press the volume knob to enter [FUNCTION].
- Turn the volume knob to select [DISPLAY], then press the knob.
- Turn the volume knob to make a selection (see the following table), then press the knob.
- Press and hold
to exit.
To return to the previous setting item or hierarchy, press
.
| COLOR SELECT* | VARIABLE SCAN/ COLOR 01 — COLOR 24/ USER: Selects your preferred button illumination color. You can create your own color (when [COLOR 01] — [COLOR 24] or [USER] is selected). The color you have created can be selected when you select [USER]. 1 Press and hold the volume knob to enter the detailed color adjustment. 2 Press 3 Turn the volume knob to adjust the level (0 — 9), then press the knob. |
| DIMMER | ON: Dims the display illumination (and button illumination*). ; OFF: Illuminates according to the [BRIGHTNESS] settings. |
| BRIGHTNESS | LVL 0 — LVL 31: Selects your preferred brightness level for display illumination (and button illumination*). |
| TEXT SCROLL | AUTO/ ONCE: Selects whether to scroll the display information automatically, or scroll only once. ; OFF: Cancels. |
* For KMM-302BT.
AUDIO SETTINGS
While listening to any source…
- Press the volume knob to enter [FUNCTION].
- Turn the volume knob to select [AUDIO CONTROL], then press the knob.
- Turn the volume knob to make a selection (see the following table), then press the knob.
Repeat step 3 until the desired item is selected or activated. - Press and hold
to exit.
To return to the previous setting item or hierarchy, press
.
| SUB-W LEVEL | –15 to +15 (0) | Adjusts the subwoofer output level. |
| BASS LEVEL | –8 to +8 (+6) | Adjusts the level to memorize for each source. (Before making an adjustment, select the source you want to adjust.) |
| MID LEVEL | –8 to +8 (+5) | |
| TRE LEVEL | –8 to +8 (0) | |
| EQ PRO | ||
| BASS ADJUST | BASS CTR FOR | 60/ 80/ 100/ 200: Selects the center frequency. |
| BASS LEVEL | –8 to +8 (+6): Adjusts the level. | |
| BASS Q FACTOR | 1.00/ 1.25/ 1.50/ 2.00: Adjusts the quality factor. | |
| BASS EXTEND | ON: Turns on the extended bass. ; OFF: Cancels. | |
| MID ADJUST | MID CTR FRQ | 0.5/ 1.0/ 1.5/ 2.5K: Selects the center frequency. |
| MID LEVEL | –8 to +8 (+5): Adjusts the level. | |
| MID Q FACTOR | 0.75/ 1.00/ 1.25: Adjusts the quality factor. | |
| TRE ADJUST | TRE CTR FRQ | 10.0/ 12.5/ 15.0/ 17.5K: Selects the center frequency. |
| TRE LEVEL | –8 to +8 (0): Adjusts the level. |
| PRESET EQ | DRIVE EQ/ TOP40/ POWERFUL/ ROCK/ POPS/ EASY/ JAZZ/ NATURAL/ USER: Selects a preset equalizer suitable to the music genre. (Select [USER] to use the customized bass, middle, and treble settings.) [DRIVE EQ] is a preset equalizer that reduces noise from the road. |
| BASS BOOST | LV1/ LV2/ LV3: Selects your preferred bass boost level. ; OFF: Cancels. |
| LOUDNESS | LV1/ LV2: Selects your preferred low and high frequencies boost to produce a well-balanced sound at a low volume level. ; OFF: Cancels. |
| SUBWOOFER SET | ON: Turns on the subwoofer output. ; OFF: Cancels. |
| LPF SUBWOOFER | THROUGH: All signals are sent to the subwoofer. ; 85HZ/ 120HZ/ 160HZ: Audio signals with frequencies lower than 85 Hz/ 120 Hz/ 160 Hz are sent to the subwoofer. |
| SUB-W PHASE | REVERSE (180°)/ NORMAL (0°): Selects the phase of the subwoofer output to be in line with the speaker output for optimum performance. (Selectable only if a setting other than [THROUGH] is selected for [LPF SUBWOOFER].) |
| FADER | R15 to F15 (0): Adjusts the rear and front speaker output balance. |
| BALANCE | L15 to R15 (0): Adjusts the left and right speaker output balance. |
| VOLUME OFFSET (Default: 0) | –8 to +8 (for AUX) ; –8 to 0 (for other sources): Presets the volume adjustment level of each source. (Before adjustment, select the source you want to adjust.) |
| SOUND RECNSTR (Sound reconstruction) | ON: Creates realistic sound by compensating the high-frequency components and restoring the rise-time of the waveform that are lost in audio data compression. ; OFF: Cancels. |
- [SUB-W LEVEL]/ [SUBWOOFER SET]/ [LPF SUBWOOFER]/ [SUB-W PHASE] is selectable only if [SWITCH PREOUT] is set to [SUB-W]. ( 4)
- [SUB-W LEVEL]/ [LPF SUBWOOFER]/ [SUB-W PHASE] is selectable only if [SUBWOOFER SET] is set to [ON].
MORE INFORMATION
General
Detailed information and notes about the playable audio files are stated in an online manual on the following web site: www.kenwood.com/cs/ce/audiofile/
Playable files
- Playable audio file: MP3 (.mp3), WMA (.wma), WAV (.wav), FLAC (.flac)
- Playable USB device file system: FAT12, FAT16, FAT32
Even when audio files comply with the standards listed above, playback may be impossible depending on the types or conditions of media or device.
About USB devices
- This unit can play MP3/WMA/WAV/FLAC files stored on a USB mass storage class device.
- You cannot connect a USB device via a USB hub.
- Connecting a cable whose total length is longer than 5 m may result in abnormal playback.
- This unit cannot recognize a USB device whose rating is other than 5 V and exceeds 1 A.
About KENWOOD Music Editor Light and KENWOOD Music Control
- This unit supports the PC application KENWOOD Music Editor Light and Android™ application KENWOOD Music Control.
- When you play audio files with song data added using the KENWOOD Music Editor Light or KENWOOD Music Control, you can search for audio files by Genres, Artists, Albums, Playlists, and Songs.
- KENWOOD Music Editor Light and KENWOOD Music Control is available on the following website: www.kenwood.com/cs/ce/
About iPod/iPhone
Made for
– iPod touch (1st, 2nd, 3rd, 4th, and 5th generation)
– iPod classic
– iPod nano (3rd, 4th, 5th, 6th, and 7th generation)
– iPhone, iPhone 3G, 3GS, 4, 4S, 5
- For the latest compatible list and software versions of iPhone/iPod, see: www.kenwood.com/cs/ce/ipod
- You cannot operate iPod if “KENWOOD” or “ √” is displayed on iPod.
About Bluetooth
- Depending on the Bluetooth version of the device, some Bluetooth devices may not be able to connect to this unit.
- This unit may not work with some Bluetooth devices.
- Signal conditions vary, depending on the surroundings.
- For more information about Bluetooth, visit the following website: www.kenwood.com/cs/ce/
TROUBLESHOOTING
| Symptom | Remedy |
| Sound cannot be heard. | •Adjust the volume to the optimum level. •Check the cords and connections. |
| “PROTECT” appears and no operations can be done. | Check to be sure the terminals of the speaker wires are insulated properly, then reset the unit. If this does not solve the problem, consult your nearest service center. |
| •Sound cannot be heard. •The unit does not turn on. •Information shown on the display is incorrect. | Clean the connectors. (→ 2) |
| The unit does not work at all. | Reset the unit. (→3) |
| •Radio reception is poor. •Static noise while listening to the radio. | •Connect the antenna firmly. •Pull the antenna out all the way. |
| “NA FILE” appears. “READ ERROR” appears. | Make sure the media contains supported audio files. |
| Copy the files and folders onto the USB device again. If this does not solve the problem, reset the USB device or use another USB device. | |
| “NO DEVICE” appears. | Connect a USB device, and change the source to USB again. |
| “COPY PRO” appears. | A copy-protected file is played. |
| “NA DEVICE” appears. | Connect a supported USB device, and check the connections. |
| “NO MUSIC” appears. | Connect a USB device that contains playable audio files. |
| “iPod ERROR” appears. | Reconnect the iPod. / Reset the iPod. | |
| “READING” keeps flashing. | Do not use too many hierarchical levels or folders. | |
| Elapsed playing time is not correct. Correct characters are not displayed (e.g. album name). | This is caused by how the tracks are recorded. This unit can only display uppercase letters, numbers, and a limited number of symbols. Uppercase Cyrillic letters can also be displayed if [RUSSIAN SET] is set to [PYCCKHR BIU1]. (→ 4) | |
| Bluetooth | No Bluetooth device is detected. | •Search from the Bluetooth device again. •Reset the unit. (→ 3) |
| Pairing cannot be made. | •Make sure you have entered the same PIN code to both the unit and Bluetooth device. •Delete pairing information from both the unit and the Bluetooth device, then performs pairing again. (→8) | |
| “DEVICE FULL” appears. | The number of registered devices has reached its limit. Retry after deleting an unnecessary device. (→11, DEVICE DELETED) | |
| Echo or noise occurs. | •Adjust the microphone unit’s position. (→ 8) •Check the [ECHO CANCEL] setting. (→9) | |
| The phone sound quality is poor. | •Reduce the distance between the unit and the Bluetooth device. •Move the car to a place where you can get a better signal reception. | |
| •Voice calling method is not successful. •”N/A VOICE TAG” appears. | •Use the voice calling method in a more quiet environment. •Reduce the distance from the microphone when you speak the name. •Make sure the same voice as the registered voice tag is used. | |
| Bluetooth | “NOT SUPPORT” appears. | The connected phone does not support the Voice Recognition feature. |
| •”NO ENTRY” appears. •”NO PAIR” appears. | There is no registered device connected/found via Bluetooth. | |
| “ERROR” appears. | Try the operation again. If “ERROR” appears again, check if the device supports the function you have tried. | |
| “NO INFO” appears. | The bluetooth device cannot get the contact information. | |
| Sound is interrupted or skipped during playback of a Bluetooth audio player. | •Reduce the distance between the unit and the Bluetooth audio player. •Turn off, then turn on the unit and try to connect again. •Other Bluetooth devices might be trying to connect to the unit. | |
| The connected Bluetooth audio player cannot be controlled. | •Check whether the connected Bluetooth audio player supports AudioNideo Remote Control Profile (AVRCP). (Refer to the instructions for your audio player.) •Disconnect and connect the Bluetooth player again. | |
| •”HE errors XX” appears. •”BT ERROR” appears. | Reset the unit and try the operation again. If this does not solve the problem, consult your nearest service center. |
INSTALLATION / CONNECTION
Warning
- The unit can only be used with a 12 V DC power supply, negative ground.
- Disconnect the battery’s negative terminal before wiring and mounting.
- Do not connect the Battery wire (yellow) and Ignition wire (red) to the car chassis or Ground wire (black) to prevent a short circuit.
- Insulate unconnected wires with vinyl tape to prevent a short circuit.
- Be sure to ground this unit to the car’s chassis again after installation.
Caution
- For safety’s sake, leave wiring and mounting to professionals. Consult the car audio dealer.
- Install this unit in the console of your vehicle. Do not touch the metal parts of this unit during and shortly after use of the unit. Metal parts such as the heat sink and enclosure become hot.
- Do not connect the
wires of speakers to the car chassis or Ground wire (black), or connect them in parallel. - Mount the unit at an angle of less than 30º.
- If your vehicle wiring harness does not have the ignition terminal, connect Ignition wire (red) to the terminal on the vehicle’s fuse box which provides 12 V DC power supply and is turned on and off by the ignition key.
- After the unit is installed, check whether the brake lamps, blinkers, wipers, etc. on the car are working properly.
- If the fuse blows, first make sure the wires are not touching the car’s chassis, then replace the old fuse with one that has the same rating.
Basic procedure
- Remove the key from the ignition switch, then disconnect the
terminal of the car battery. - Connect the wires properly.
See Wiring connection. ( →17, 18) - Install the unit to your car.
See Installing the unit (in-dash mounting). - Connect the
terminal of the car battery. - Reset the unit. (→ 3)
Installing the unit (in-dash mounting)

How to remove the unit
- Detach the faceplate.
- Fit the catch pin on the extraction keys into the holes on both sides of the trim plate, then pull it out.
- Insert the extraction keys deeply into the slots on each side, then follow the arrows as shown on the right.

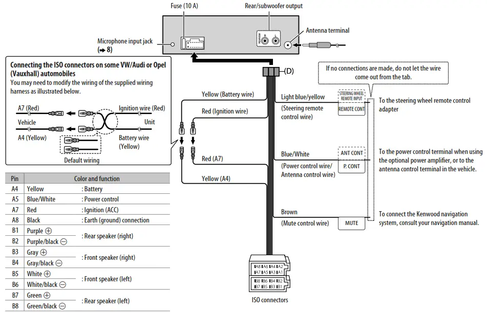
Wiring connection (for KMM-BT34 / KMM-302BT )

Wiring connection (for KMR-M308BTE )

SPECIFICATIONS
Tuner
| FM | Frequency Range | 87.5 MHz —108.0 MHz (50 kHz space) |
| Usable Sensitivity (S/N = 26 dB) | 0.71 PV/75 0 | |
| Quieting Sensitivity (DIN S/N = 46 dB) | 2.0 PV/75 0 | |
| Frequency Response (±3 dB) | 30 Hz —15 kHz | |
| Signal-to-Noise Ratio (MONO) | 64dB | |
| Stereo Separation (1 kHz) | 40 dB | |
| MW | Range _Frequency | 531 kHz —1611 kHz (9 kHz space) 28.2 pV |
| Usable Sensitivity (S/N = 20 dB) | ||
| LW | Frequency Range | 153 kHz — 279 kHz (9 kHz space) |
| Usable Sensitivity (S/N = 20 dB) | 50 pV |
USB
| USB Standard | USB 1.1, USB 2.0 (Full speed) FAT 12/ 16/ 32 | |
| File System | ||
| Maximum Supply Current | DC5 V | |
| Frequency Response (±1 dB) | 20 Hz — 20 kHz | |
| Signal-to-Noise Ratio (1 kHz) | 105 dB | |
| Dynamic Range | 88 dB | |
| Channel Separation | 90 dB | |
| MP3 Decode | Compliant with MPEG-1/2 Audio Layer-3 | |
| WMA Decode | Compliant with Windows Media Audio | |
| WAV Decode | RIFF waveform Audio Format (Linear PCM only) | |
| F LAC Decode | FLAC files | |
Bluetooth
| Version | Bluetooth Ver.2.1+EDR Certified |
| Frequency Range | 2.402 GHz — 2.480 GHz |
| Output Power | +4 dBm (MAX), 0 dBm (AVE) Power Class 2 |
| Maximum Communication Range | Line of sight approx. 10 m |
| Profile | HFP (Hands-Free Profile)/ SPP (Serial Port Profile)/ PBAP (Phonebook Access Profile) OPP (Object Push Profile)/ A2DP (Advanced Audio Distribution Profile)/ AVRCP (Audio/ Video Remote Control Profile) Ver. 1.3 |
Audio
| Maximum Output Power | SOW x 4 |
| Output Power (DIN 45324, +B = 14.4 V) | 30 W x 4 |
| Speaker Impedance | 40 — 8 0 |
| Tone Action | Bass 200 Hz ±8 dB |
| Middle 2.5 kHz ±8 dB | |
| Treble 12.5 kHz ±8 dB | |
| Preout Level/Load | 2 500 mV/ 10 kfl (USB) |
| Preout Impedance | 56000 |
Auxiliary
| Frequency Response (±3 dB) | 20 Hz — 20 kHz |
| Input Maximum Voltage | 1 200 mV |
| Input Impedance | 30 kfl |
General
| Operating Voltage | 14.4V (10.5 V —16 V allowable) |
| Maximum Current Consumption | 10 A |
| Operational Temperature Range | 0°C — +40°C |
| Installation Size (W x H x 0) | 182 mm x 53 mm x 107 mm |
| Weight | 0.54 kg |
Declaration of Conformity with regard to the R&TTE Directive 1999/5/EC
Declaration of Conformity with regard to the EMC Directive 2004/108/EC
Declaration of Conformity with regard to the RoHS Directive 2011/65/EU
Manufacturer:
JVC KENWOOD Corporation
3-12, Moriya-cho, Kanagawa-ku, Yokohama-shi, Kanagawa, 221-0022, Japan
EU Representative: JVCKENWOOD NEDERLAND B.V.
Amsterdamseweg 37, 1422 AC UITHOORN, The Netherlands
Hereby, JVC KENWOOD declares that this unit KMM-BT34/ KMM-302BT/ KMR-M308BTE is in compliance with the essential requirements and other relevant provisions of Directive 1999/5/EC.
© 2013 JVC KENWOOD Corporation
GET0994-001C


















