TOMAHAWK TBUGGY300e 30 Inch Concrete Power Buggy Electric Battery Mini Dumper

Register Your Equipment
Thank you for purchasing TOMAHAWK equipment! Your product is covered by the TOMAHAWK Warranty Policy, but in order to activate your warranty, we need you to register your product. In addition to activating your equipment warranty, product registration will grant you access to important product updates, streamlined customer service, and more.
INCLUDED WITH YOUR REGISTRATION
- Equipment Warranty Activation
- Product Updates
- Streamlined Customer Service
- Excusive Discounts and Sales
STEPS TO REGISTER YOUR EQUIPMENT
- Visit www.tomahawk-power.com
- Choose “Product Registration” at the bottom of the page
- Enter your equipment’s serial number to get started
- Provide all required information
- Submit Registration
Equipment Resources
Tomahawk Customer Service doesn’t stop at checkout. We understand to keep a job-site running smoothly – the proper equipment, spare parts, instruction manuals, and more are needed at the drop of a hat. Visit www.tomahawk-power.com to gain access to the incredible resources below.
How To Video Library
More of a visual person? Visit our Video Library for equipment assembly instructions, troubleshooting tips, and more!
Found on each product listing or the Service Videos Page
Manual and Assembly Guide Library
Visit our Manual Library if you are looking for a lost operations manual or a particular spare part?
Found on each product listing or the Tomahawk Manuals Page
Service Requests
In need of a quick fix or a service center referral? Submit a Service Request and a Tomahawk Technician will respond shortly to get you the help you need.
Choose “Service Request” at the bottom of www.tomahawk-power.com
This manual provides information and procedures to safely operate and maintain this equipment. For your own safety and protection from injury, carefully read, understand, and observe the safety instructions described in this manual.
Keep this manual or a copy of it with the equipment. If you lose this manual or need an additional copy, please contact Tomahawk Power LLC or visit www.tomahawk-power.com This equipment is built with user safety in mind; however, it can present hazards if improperly operated or serviced. Follow operating instructions carefully. If you have questions about operating or servicing this equipment, contact Tomahawk Power.
The information contained in this manual is based on equipment’s production at the time of publication. Tomahawk Power reserves the right to change any portion of this information without notice.
No part of this publication may be reproduced in any form or by any means, electronic or mechanical, including photocopying, without express written permission from Tomahawk Power.
Any type of reproduction or distribution not authorized by Tomahawk Power represents aninfringement of valid copyrights and will be prosecuted. We expressly reserve the right to make technical modifications, even without due notice, which aim at improving our machines or their safety standards.
Safety Information
This manual contains DANGER, WARNING, CAUTION, and NOTE callouts which must be followed to reduce the possibility of personal injury, damage to the equipment, or improper service.
This is the safety alert symbol. It is used to alert you to potential personal injury hazards. Obey all safety messages that follow this symbol to avoid possible injury or death.
DANGER indicates an imminently hazardous situation which, if not avoided, will result in death or serious injury.
WARNING indicates a potentially hazardous situation which, if not avoided, could result in death or serious injury.
CAUTION indicates a potentially hazardous situation which, if not avoided, may result in minor or moderate injury.
CAUTION: Used without the safety alert symbol, CAUTION indicates a potentially hazardous situation which, if not avoided, may result in property damage.
Operating Safety
Familiarity and proper training are required for the safe operation of equipment! Equipment operated improperly or by untrained personnel can be dangerous! Read the operating instructions contained in both this manual and the engine manual and familiarize yourself with the location and proper use of all controls. Inexperienced
operators should receive instruction from someone familiar with the equipment before being allowed to operate the machine.
- NEVER allow anyone to operate this equipment without proper training. People operating this equipment must be familiar with the risks and hazards associated with it.
- ALWAYS Be safety-conscious by dressing appropriately during operation. Always wear protective footwear, safety glasses/eye ware, and a hard hat.
- ALWAYS Exercise extreme caution with the controls when working on steep and/or
slippery surfaces. This is especially important when people are near the working area. - ALWAYS Ensure that all safety guards are in place when operating your Power Buggy.
- ALWAYS Keep your Power Buggy free of any accumulation of dirt, grease, oil, or any other flammable material.
- NEVER DO NOT carry “passengers” on your Power Buggy.
- NEVER DO NOT start operating without completing daily maintenance checks.
- NEVER DO NOT operate your Power Buggy without exercising the appropriate safety precautions.
- NEVER DO NOT use other types of battery charger or batteries.
- NEVER DO NOT pressure wash directly on the electrical features.
- NEVER use accessories or attachments that are not recommended by Tomahawk Power. Damage to equipment and injury to the user may result.
- NEVER leave machine running unattended.
- ALWAYS be sure operator is familiar with proper safety precautions and operation techniques before using machine.
- ALWAYS wear ANSI Z87.1-approved safety goggles or safety glasses with side shields, or when needed, a face shield. Use a dust mask in dusty work conditions. Also use
non-skid safety shoes, hardhat, gloves, dust collection systems, and hearing protection when appropriate. This applies to all persons in the work area. - ALWAYS store equipment properly when it is not being used. Equipment should be stored in a clean, dry location out of the reach of children.
- ALWAYS operate machine with all safety devices and guards in place and in working order. DO NOT modify or remove safety devices. DO NOT operate machine if any safety devices or guards are missing or inoperative.
- ALWAYS read, understand, and follow procedures in Operator’s Manual before attempting to operate equipment.
Service Safety
Poorly maintained equipment can become a safety hazard! In order for the
DANGER equipment to operate safely and properly over a long period of time, periodic maintenance and occasional repairs are necessary.
- DO NOT attempt to clean or service machine while it is running. Rotating parts can cause severe injury.
- ALWAYS replace worn or damaged components with spare parts designed and recommended by Tomahawk Power.
- ALWAYS keep machine clean and labels legible. Replace all missing and hard-to-read labels. Labels provide important operating instructions and warn of dangers and hazards. 1.2.4 ALWAYS check for damaged parts before each use. Carefully check that the equipment will operate properly and perform its intended function. Replace damaged or worn parts immediately. Never operate the buggy with a damaged part.
- ALWAYS inspect the machine prior to placing in storage and before re-use. Store the machine in a dry, secure place out of the reach of children.
- ALWAYS use only accessories that are recommended by the manufacturer for use with the machine. Accessories that may be suitable for one machine may create a risk of injury when used with the machine.
Technical Performance
Tomahawk power buggies are powered by a 1000W Electric Motor with robust 4-wheel drive, providing incredible climbing ability and superior traction in mud, dirt, or sand. Plus with the 48V-20Ah battery, use your buggy longer with less down time, up to 6-8 hours! The standard 8ft³ capacity tub will carry your materials or debris and passes through 31-inch doorways and openings!
Specifications
| Model | TBUGGY300e |
| Motor | 1000W Electric Motor Brush Less |
| Type | 4WD Chain Drive All Terrain with Hydraulic Tipping |
| Battery | 48V-20Ah |
| Charge | 220V/ 50-60Hz |
| Working Temperature | 50°F ~ 104°F (-10°C ~ 40°C) |
| Capacity | 8cu.ft. or 650 lbs weight / 300 kg |
| Brake | Electromagnetic Brake |
| Cables | Protected |
| Wheels | Front 400×10, Rear 400×8 |
| Max Slope | 20° |
| Dimensions | L-63″,W-31″,H-36″ (L-1600mm,W-780mm,H-920mm) |
| Weight | 342 lbs / 155 kg (with battery) |
| Max Speed | 3.72mph (5.0km/h) |
| Endurance | 6-8 hours (against working conditions) |
Operating Controls
Getting Started
- Using the battery charger cable, charge the batteries until the battery symbol shows FULL.
- Check that the locking catch of the skip has engaged before moving. 3.1.3 For first time use, switch ON the main power.

To Move Forward
- Turn the key switch to the “ON” position.
- Choose the speed on the panel as following:

- Min speed – 1.24 mph (2km/hr)
- Mid speed – 2.5 mph (4km/hr)
- Max speed – 3.72(6km/hr)
- Gently engage the left hand lever, the Power Buggy will move forward.

- Check the black button on the right control handle and confirm the button is in the UP position. Move the throttle. The more you press, the faster it will run.

To Reverse
- Release the left hand lever and right hand throttle to stop the Power Buggy.
- Press the black button on the right control handle to “R” status. The machine will sound its alarm.

- Gently engage the left hand lever, the Power Buggy will move backwards.

- Move the throttle. The more you press, the faster it will run.
NOTE- When pressing the red button on the left handle while the power is ON, the Power Buggy can be moved forward and in reverse.

- Parking brake (P & N) instructions:
When working, keep Power Buggy in the “P” position.
When the power is OFF, keep in the “N” position to move the machine.
- If the Power Buggy is not used for a long period of time, fully charge the battery and turn OFF the main power switch.

- When pressing the red button on the left handle while the power is ON, the Power Buggy can be moved forward and in reverse.
To Stop
- Release the control lever. The Power Buggy will slow down and stop. The parking brake will automatically turn on.
- Turn the key switch to the “OFF” position.
Emergency Stop
- Push the red button to turn off immediately.
- To reset the emergency stop, turn the red button to the right.
To Empty / Reset Skip
- Stop the machine and press switch B
EMPTY
RESET
NOTE: Make sure there are no people in front of the Power Buggy.
Char ging the Battery
- Connect the power line with the charging interface, then connect the plug to the main power.
- After charging, disconnect the plug first. Then, disconnect the power line from the charging interface.
NOTE: Violation of the above operation may result in damage to the machine or personal injury.


Maintenance
Routine checks of your Power Buggy will ensure trouble-free operation. Inspect and/or service your power buggy at the intervals shown below. A daily check takes only minutes, but could save you hours of time and money. Good usage habits and maintenance will
extend the life of the machine!
| DAILY
| WEEKLY
| |
| Battery Charge | ||
| Control Cables | ||
| Check condition of wiring | ||
| Check tire pressure Front Wheels: 30 PSI Back Wheels: 30 PSI | ||
| Check all nuts and bolts |
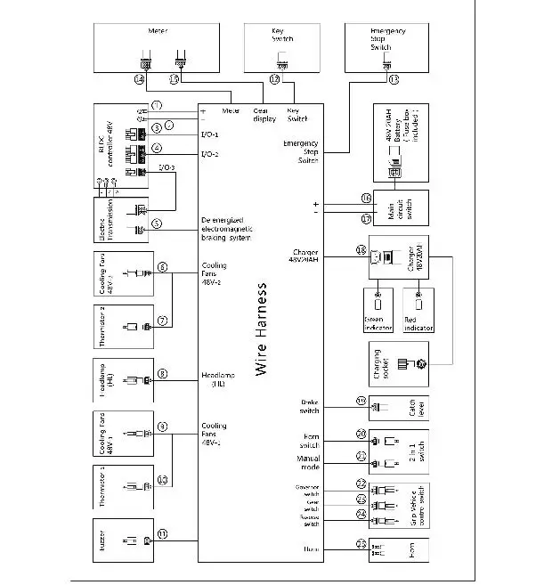
Circuit Diagram

TAKE BACK YOUR YARD
Nothing is more frustrating than living in fear of the pests in your own backyard. Billions of mosquitos and other pests ruin outdoor activities for your friends and family every year. We are here to fix that.
Tomahawk Mosquito Foggers deliver the power to eliminate these virus-carrying pests, before they reach your loved ones. No more itchy bites or spoiled plans! Enjoy the peace of mind knowing that your family is protected in your own
NEVER PUMP
NEVER LOSE PRESSURE
Lose the manual pump and gain the power to spray 15,000 ft² in 10 minutes or less while maintaining constant, adjustable pressure from 50-435 PSI with your ideal concrete sealant, cure, top cast, form release, and more!
Power Your World
Tomahawk understands to keep a job-site running smoothly the proper equipment and spare parts are needed at the drop of a hat. With same day shipping and faster delivery times, count on Tomahawk to keep you powered throughout the day! With long lasting parts and engines, Tomahawk equipment will be the star of your fleet for years to come. Visit www.tomahawk-power.com to get started today!
Tomahawk Power, LLC
San Diego, CA
Sales Support
(866) 577-4476
[email protected]
Equipment Support
(866) 577-4476
[email protected]
www.tomahawk-power.com
FACEBOOK
facebook.com/TomahawkPowerUSA
YOUTUBE
youtube.com/TomahawkPower
INSTAGRAM
@tomahawkpower







NOTE

NOTE: Make sure there are no people in front of the Power Buggy.















