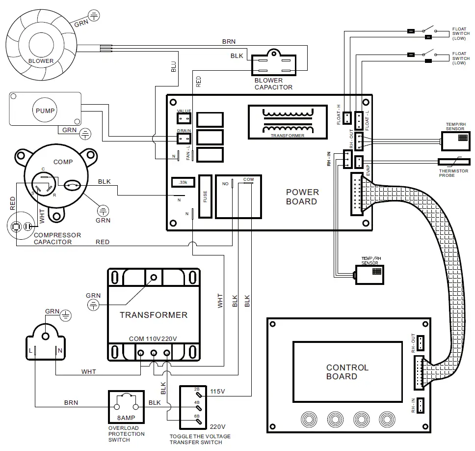
ALORAIR Storm DP Dual-Voltage USA Wiring Diagram

Wiring Diagram

115V 60Hz
Dual-Voltage, USA



115V 60Hz
Dual-Voltage, USA
Download manual
Here you can download full pdf version of manual, it may contain additional safety instructions, warranty information, FCC rules, etc.