AUDAC MBK530 Pole Mount Adapter for Outdoor Speaker Installation Guide
Included hardware

Installation

Step 1:
Fix the MBK530 to the desired pole and height without a speaker mounted.
The pole mount can be attached to poles with a diameter ranging from 75 mm to 140 mm.
Tighten by closing the hose clamp.
Step 2:
Mount the loudspeaker to the pole mount by securing it with the four M6 bolts provided.
The mounting holes on the pole mount are tapped, making the use of nuts unnecessary.
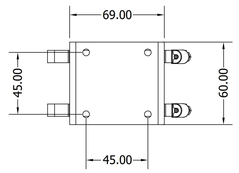
Dimensions

PRECAUTIONS
- KEEP THESE INSTRUCTIONS FOR FUTURE REFERENCE. NEVER THROW THEM AWAY
- ALWAYS HANDLE THIS UNIT WITH CARE
- CLEAN ONLY WITH DRY CLOTH
- HEED ALL WARNINGS AND FOLLOW ALL INSTRUCTIONS
- DO NOT USE HYDROCARBON BASED SOLVENTS, LUBRICANTS OR CLEANING AGENTS OF ANY TYPE ON OR AROUND THE DEVICE AND MOUNTING HARDWARE DURING THE INSTALLATION. THE USE OF THESE PRODUCTS ON OR AROUND THE MOUNTING ANCHORS AND SCREWS CAN LEAD TO DEGRADATION OF THE MATERIAL, POSSIBLY RESULTING IN CRACKING AND PREMATURE FAILURE OF THE PRODUCT.
- ONLY USE ATTACHMENTS & ACCESSORIES SPECIFIED BY THE MANUFACTURER.
- ONLY INSTALL THE SPEAKER IN LOCATIONS THAT CAN STRUCTURALLY SUPPORT THE WEIGHT OF THE SPEAKER. IGNORING THIS CAN BRING THE SPEAKER DOWN.
- DO NOT USE ANY OTHER METHOD THAN SPECIFIED TO MOUNT THE SPEAKER. IF EXTREME FORCE IS APPLIED TO THE SPEAKER, IT COULD FALL DOWN
- CAREFULLY CHECK THE UNIT’S CONDITION AFTER UNPACKING.
- IF THERE IS ANY DAMAGE TO THE CARTON BOX OR THE UNIT ITSELF, INFORM YOUR VENDOR IMMEDIATELY.
- ALWAYS FOLLOW THE LOCAL REGULATIONS AND REQUIREMENTS REGARDING INSTALLATION, SUSPENSION AND CONNECTION OF THIS LOUDSPEAKER. EVEN WHEN OTHERWISE SPECIFIED IN THIS DOCUMENT.
- IT’S THE INSTALLERS RESPONSIBILITY TO ENSURE INSTALLATION OF THE LOUDSPEAKERS AND MOUNTING SYSTEMS IS PERFORMED IN ACCORDANCE WITH ALL APPLICABLE CODES
- UNSAFE MOUNTING OR OVERHEAD SUSPENSION ON ANY HEAVY LOAD CAN RESULT IN SERIOUS INJURY OR DEATH, AND PROPERTY DAMAGE. IT’S THE INSTALLERS RESPONSIBILITY TO EVALUATE THE RELIABILITY OF ANY MOUNTING METHOD USED FOR THEIR APPLICATIONS
- THE INSTALLATION OF THIS LOUDSPEAKER SHALL BE DONE BY QUALIFIED PERSONNEL ONLY.
- DO NOT MAKE UNAUTHORIZED ALTERATIONS TO THE PRODUCT
CAUTION – SERVICING
This product contains no user serviceable parts. Refer all servicing to qualified service personnel. Do not perform any servicing (unless you are qualified to do so).
EC DECLARATION OF CONFORMITY
This product conforms to all the essential requirements and further relevant specifications described in following directives:
2011/65/EU (RoHS2) and 1907/2006 (REACH)


















