

XP-90006 XQ1S 1/10 Sport Touring Car Kit
Instruction Manual

Contents hide
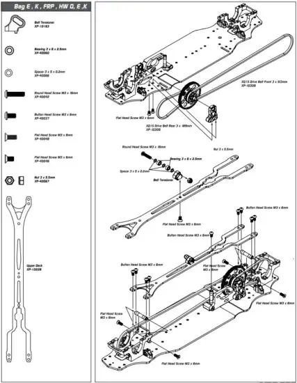
Turnbuckle Assembly

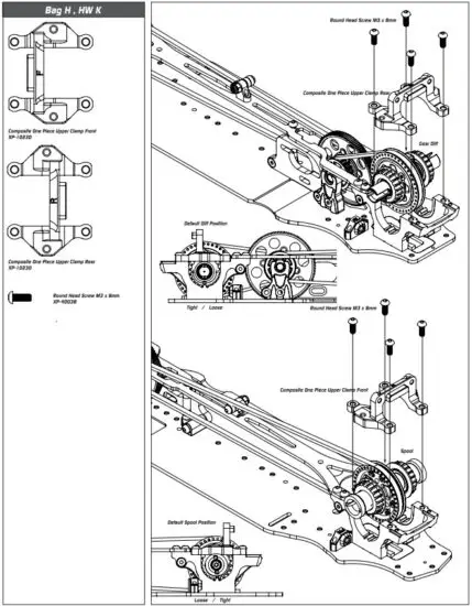
Gear Diff Assembly

Spool Assembly

Solid Layshaft Assembly

Steering System Assembly

Motor Mount Assembly

Spilt Mount and Bulkhead Assembly

Motor Mount and Topdeck Assemblg

Upper Clamp Assembly

Steering Assembly

Knuckle Assembly

Front Arm Assembly

Front End Assembly


Rear End Assemblg


Shocks Assembly
Rear Shacks Installation

Front Shacks Installation

Bumper Assembly

Electronics Assembly

Parts List
| XP IS Original Parts | |
| Model Number | Product Name |
| XP-10001 | Bumper, Body Post B Antenna Holder for K1 |
| XP-10002 | 4.8mm Ball End Set a Ball Bearing Hub for K I |
| XP- I 0008 | Gear Differential Case and Cover |
| XP-10009 | Gear Differential Bevel Satellite Gears Set |
| XP-10011 | Gear Differential Re2PCS Parts |
| XP-10022 | Gear Differential Set For Xray Tcl |
| XP-10053 | Spur Gear 54P 116T |
| XP- I 0055 | Body Clips 120pcsl |
| XP-10 I 03 | Execute X01 FOAM BUMPER |
| XP-10107 | Execute XPI COMPOSITE BALL BEARING TENSION ADJUSTMENT HUB 4PCS |
| XP-10108 | Execute X01 FRONT AND REAR COMPOSITE SUSPENSION ARM |
| XP- I 0 I 09 | Execute XCII COMPOSITE STEERING BLOCK 2PCS |
| XP-10110 | Execute X01 COMPOSITE C HUB 4 degree DEG 2PCS |
| XP-10122 | Execute X01 COMPOSITE REAR UPRIGHT 2PCS |
| XP-I0128 | Execute X01 ORIVESHAFT PROTECTOR BLADE BPCS |
| XP-10134 | Execute XQ1 CENTER LAYSHAFT PULLEY |
| XP-10139 | Execute X01 3.0MM SUSPENSION PIVOT PIN 4PCS |
| XP-10140 | Execute X01 2.3MM C HUB UPRIGHT PIVOT PIN 4PCS |
| XP- 10148 | Execute X01 4.8MM BALL END 5MM THREAD 10PCS |
| XP-10149 | Execute X0I 4.8MM BALL END 6MM THREAD 10PCS |
| XP- I 0150 | Execute X01 4.8MM BALL END 8MM THREAD 10PCS |
| XP-10151 | Execute X131 4.8MM BALL ENO 10MM THREAD 113PCS |
| XP-10155 | Execute XQ I STEEL TURNBUCKLE 29 MM 4PCS |
| XP-10157 | Execute X131 STEEL STEERING TURNBUCKLE SET |
| XP- 10158 | Execute XQ I Composite Suspension Parts Set |
| XP-10163 | Execute XCII COMPOSITE SERVO HORN Belt TENSIONER SET |
| XP-10154 | Execute X01 C HUB KING PIN SET 12+21 |
| XP-10165 | Execute X01 UPRIGHT PIN SCREW 2X3.5MM 10PCS |
| XP-10179 | D1FF GASKET 10PCS |
| XP- I 0180 | COMPOSITE LIPO BATTERY STOPPER 2PCS |
| XP-10181 | Gear Differential SPACER 5XISX0.4MM 10PCS |
| XP- 10 182 | Gear Differential SPACER 3.6X9.5X0.2MM 10PCS |
| XP-10183 | SILICONE Gear Differential 0-RING 25x1mm 10PCS |
| XP-10184 | SILICONE Gear Differential 0-RING Sx2mm IOPCS |
| XP-10195 | Battery Stopper and Layshaft Bearing Holder Parts Tree |
| XP-10227 | Execute X0 IS Chassis Plate |
| XP-10228 | Execute XQIS Top Deck |
| XP-10229 | Execute XCI S Composite Lower Bulkhead |
| XP- 10230 | Execute X0 IS Composite One-Piece Upper Clamp IF/RI |
| XP-10231 | Execute X0 IS Composite Layshaft |
| XP-10232 | Execute X1215 Alu Motor Mount Set |
| XP-10244 | Execute XQ IS Steel Universal Shaft 2pcs |
| XP-10255 | Execute XCIIS Aluminium Upper Shock Cap 121 |
| XP-113257 | Execute XOIS Aluminium Lower Shock Cap 121 |
| XP-10258 | Execute XOIS Aluminium Spring Tension Adjust Nut 121 |
| XP-10259 | Execute XOIS Aluminum Center Post |
| XP-10250 | Execute XCIIS Composite Suspension Mount Set |
| XP- I 026 I | Execute X0 IS Composite Steering Set |
| XP-10262 | Execute X01S Composite Wheel Hub Set |
| XP-10263 | Execute XOIS FRP Floating Servo Holder 3.0mm |
| XP-10264 | Execute X015 Composite Spool 38T Set |
| XP-10265 | Execute XPIS Composite Spool Cups |
| XP-102134 | Execute XP1S Aluminium Solid Layshaft |
| XP-10285 | Execute XPIS Composite Front Shock Tower |
| XP-10296 | Execute XPIS Composite Rear Shock Tower |
| XP-10286 | Execute XPIS Steel Gear Dill Ouldrive adapter |
| XP-10269 | Execute XOIS Composite Servo Mount Set |
| XP-I0308 | Execute X0 IS Drive Belt Front 513mm |
| XP- I 0309 | Execute XPIS Drive Belt Rear 189mm |
| X0 IS Option Parts | |
| XP-10245 | Execute X131 ALUMINIUM MOTOR MOUNT |
| XP-10245 | Execute X131 Front And Rear Composite Suspension Arm (Hardt |
| XP-10247 | Execute X01 Composite Steering Block L&R !Hard! |
| XP-10248 | Execute X131 Composite C Hub 4 degree DEG L&R (Hard) |
| XP-10249 | Execute X131 Composite Rear Upright 2pcs (Hard) |
| XP-IO250 | Execute X01 Composite Suspension Parts Set (Hard) |
| xp- I 0251 | 4.8mm Flat Type Ball End 15MM 141 |
| XP-10252 | 4.8mm Flat Type Ball End 13MM 121 |
| XP-10253 | 4.8mm Flat Type Ball End IOMM 141 |
| XP-10254 | Execute X01 4.8mm Flat Type Ball End Set |
| XP- I 0255 | Execute X01 Camber Stiffener Link Ball End L&R |
| XP-10282 | Execute XCJIS Anti-Roll Bar set |
| XP-10283 | Execute XCIIS Anti-Roll Bar Bushingl4+21 |
| XP-10287 | Execute X01 Anti-Tweak Battery Holder |
| XOIS Option Parts | |
| Model Number | Product Name |
| XP- I 00.52 | KEVLAR DRIVE BELT REAR 3 x 189 MM |
| XP-10101 | Execute X01 GRAPHITE 2.25MM BOTTOM CHASSIS PLATE |
| XP-10102 | Execute X01 GRAPHITE 2.0MM UPPER DECK |
| XP-10104 | Execute X01 ALUMINUM FRONT I PIECE UPPER CLAMP |
| XP-10105 | Execute XQI FRONT CAMBER LINK MOUNT 2PCS |
| XP-10106 | Execute X01 GRAPHITE 3.0MM FRONT SHOCK TOWER |
| XP-10111 | Execute XCI ALUMINIUM DUAL SERVO SAVER ARM 2PCS |
| XP-10112 | Execute X01 ALUMINIUM STEERING POST FOR DUAL SERVO SAVER 2PCS |
| XP-10113 | Execute X01 ALUMINIUM STEERING PLATE FOR DUAL SERVO SAVER clmm |
| XP-I0114 | Execute X01 ALUMINIUM FF LOWER I PIECE SUSPENSION MOUNT |
| XP-10115 | Execute X01 ALUMINIUM LOWER BULKHEAD |
| XP-10116 | Execute XCI ALUMINIUM LAYSHAFT HOLDER BULKHEAD 2PCS |
| XP-10118 | Execute XCI GRAPHITE 3.0MM REAR SHOCK TOWER |
| XP-10119 | Execute XCI ALUMINIUM SHIM 3x6x1.0MM RED 1201 |
| XP-10120 | Execute XCI ALUMINIUM SHIM 3x6x2.OMM RED 1201 |
| XP-1012I | Execute XCI 5.8 MM PIVOT BALL BPCS |
| XP-10123 | Execute XCI ALUMINIUM 2 PIECE SUSPENSION MOUNT 2PCS |
| XP-10124 | Execute X01 ALUMINIUM RR LOWER I PIECE SUSPENSION MOUNT |
| XP-I0125 | Execute X01 ALUMINIUM GEAR OIFF OUTORIVE ADAPTER 2PCS |
| XP-10126 | Execute X01 STEEL SPOOL OUTORIVE ADAPTER 2PCS |
| XP-10127 | Execute XCI ECCENTRIC BUSHING SET 4PCS |
| XP-10129 | Execute XQI ALUMINIUM 5MM WHEEL HUB RED 2PCS |
| XP-10130 | Execute XQ1 REAR I PIECE UPPER CLAMP |
| XP-10131 | Execute XCI REAR CAMBERLINK MOUNT 2PCS |
| XP-10132 | Execute XQI KEVLAR FRONT DRIVE BELT 3 x 513 MM |
| XP-10133 | Execute XCI ALUMINIUM SOLID AXLE |
| XP-I0135 | Execute X01 Motor Mount Post |
| XP-10136 | Execute X01 ALUMINIUM SERVO MOUNT |
| XP-10137 | Execute XCI 3.0MM GRAPHITE FLOATING SERVO HOLDER |
| XP-10138 | Execute X01 3.0MM GRAPHITE CHASSIS STIFFENER |
| XP-10141 | Execute XCI ALUMINIUM SHOCK SET 2PCS |
| XP-10142 | Execute XCI ALUMINIUM SHOCK BODY 2PCS |
| XP-10143 | Execute XQI SHOCK SHAFT 2PCS |
| XP-10144 | Execute XQI COMPOSITE SHOCK PARTS TREE |
| XP-10145 | Execute XCI ALUMINIUM LOWER SHOCK CAP 2PCS |
| XP-10146 | Execute XQI ALUMINIUM UPPER SHOCK CAP 2PCS |
| XP-10147 | Execute X01 SHOCK MEMBRANE BPCS |
| XP-10152 | Execute XQI ALUMINIUM ANTI-ROLL BAR BUSHING 14+4 I |
| XP-I0153 | Execute XCI ALUMINIUM 2.0MM BOTTOM CHASSIS PLATE |
| XP-10154 | Execute X01 GRAPHITE I.6MM UPPER DECK |
| XP-10155 | Execute XQI BALL BEARING ANTI-ROLL BAR SET 6PCS |
| XP-10159 | Execute XQI COMPOSITE 1.1MM PISTON SPACER SET |
| XP-10160 | Execute XQI SHOCK 0-RING BPCS |
| XP-10161 | Execute XCI ALUMINIUM SPRING TENSION ADJUST NUT 2PCS |
| XP-10162 | Execute XQI SILICONE 0 RING FOR SPRING ADJUST NUT 4PCS |
| XP-10166 | Execute XCI STEEL DOUBLE JOINT UNIVERSAL SHAFT 2PCS |
| XP-10157 | Execute X01 STEEL UNIVERSAL SHAFT REAR 2PCS |
| XP-10158 | Execute X01 Spring 2PCS Soft BK |
| XP-10159 | Execute XCI Spring 2PCS Medium SV |
| XP-I0170 | Execute X01 Spring 2PCS Stiff PK |
| XP-10171 | Execute X01 PROGRESSIVE SHOCK SPRING SOFT 2PCS |
| XP-10172 | Execute XCI PROGRESSIVE SHOCK SPRING MEOIUM2PCS |
| XP-10173 | Execute XCI PROGRESSIVE SHOCK SPRING STIFF2PCS |
| XP-10174 | Execute XCI PROGRESSIVE SHOCK SPRING SET 161 |
| XP-10175 | Execute XCI ALUMINIUM SOLID LAYSHAFT |
| XP-10176 | Execute X01 ANTI-ROLL BAR 1.2MM IF/RI |
| XP-10177 | Execute X01 ANTI-ROLL BAR 1.3MM IF/R1 |
| XP-10178 | Execute X01 ANTI-ROLL BAR I.4MM IF/RI |
| XP-10186 | Execute XQI Brass Chassis Balancing Weights BPCS |
| XP-10187 | Execute X01 Central Brass Chassis Balancing Weights 25g |
| XP-10188 | CHAMBERLIN SHIM 0.5 IMM |
| XP-10189 | MOTOR MOUNT FLEX ADJUSTMENT PLATE |
| XP-10190 | ALUMINIUMMINUM BLADE SPOOL CUP |
| XP-10191 | RF ONE-PIECE SUSPENSION MOUNT |
| XP-10192 | ALUMINIUM ADJUSTABLE BATTERY STOPPERS |
| XP-10193 | ALUMINIUM SPRING RETAINER |
| XP-10194 | FR ONE-PIECE SUSPENSION MOUNT |
| XP- I 0220 | Execute XQI Camberlink Stiffener set |
| XP-10221 | Option Servo Mount Plate ‘Wire Hide) |
| XP- I 0222 | Graphite Option Steering Knuckle plate |
| XP-117223 | Execute X01 Aluminium Steering Plate For Dual Servo Saver 3.5mm |
| XP-10224 | Execute XQI Aluminium Steering Plate For Dual Servo Saver Smm |
| XP-10225 | Execute XQI Aluminum Ball Bearing Tension Adjustment Hub 2pcs |
| XP-113226 | Execute XCI Steering Toe-In Adjustment Post |
Gear Ratia Chart




















