Microsemi SmartDesign MSS Canvas

Product Information
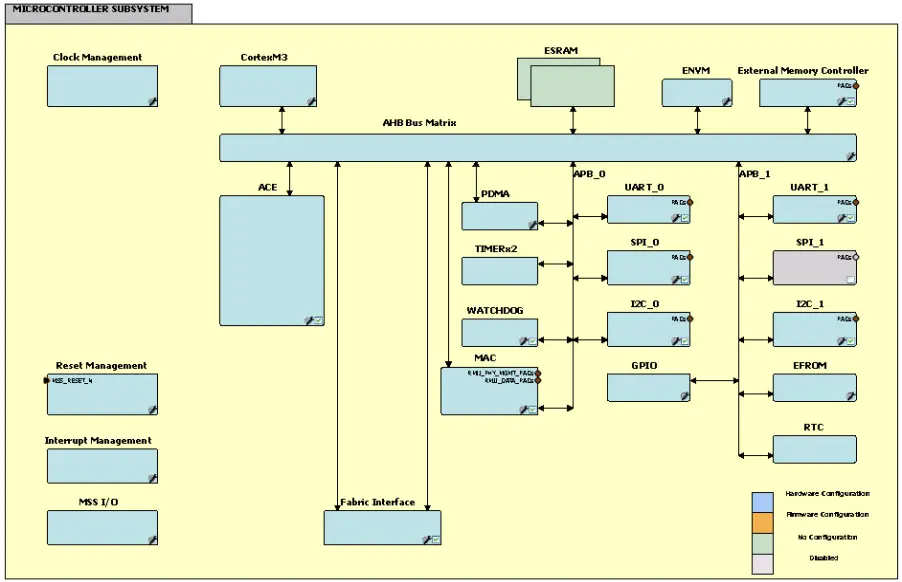
The SmartDesign MSS Canvas is a graphical block diagram of the SmartFusion Microcontroller Subsystem. It allows users to enable/disable and configure peripherals used in the FPGA fabric. Certain peripherals can be enabled or disabled from use, and peripherals with configurable options can be adjusted using the wrench icon or by double-clicking the instance.
Product Usage
Enabling/Disabling Peripherals
To enable or disable peripherals:
- Locate the checkbox in the lower right corner of the instance item in the Canvas.
- Select or deselect the checkbox to enable/disable the peripheral.
Note: Disabling a peripheral may be necessary to conserve resources or resolve conflicts.
Configuring Peripherals
To configure a peripheral:
- Locate the wrench icon in the lower right corner of the instance item in the Canvas.
- Click the wrench icon or double-click the instance to configure the peripheral.
Note: Only peripherals with configurable options will have a wrench icon.
SmartDesign Menu for MSS
The SmartDesign MSS menu options are explained in Table 1-1 of the user manual. Refer to this table for more information on how to use these features.
Introduction
The Libero MSS Configurator is a specialized SmartDesign for MSS configuration. If you are familiar with SmartDesign then the MSS Configurator will be very familiar. The Canvas is a graphical block diagram of the SmartFusion Microcontroller Subsystem. From this view you can choose to enable/disable and configure peripherals used in the FPGA fabric (Figure 1).
Peripherals on the Canvas
Enabling/Disabling Peripherals
Certain peripherals in the MSS can be enabled or disabled from use. This is indicated graphically by the checkbox in the lower right corner of the instance item in the Canvas, as shown in Figure 1-1 and Figure 1-2.
Figure 1-1 • Enabled Peripheral
Click the checkbox icon to enable or disable the peripheral.
Figure 1-2 • Disabled Peripheral
Why would I disable or enable peripherals?
- Some I/Os are shared between MSS peripherals and general purpose user I/Os. Disabling a peripheral enables you to reclaim some of the I/Os for general purpose use in the MSS GPIO or MSS I/O blocks. See the MSS GPIO and MSS I/O configurator handbooks for more details.
- Disabling a peripheral causes it to be held in reset when the Microcontroller Subsystem is powered up. This minimizes any activity that may occur in the peripheral on startup and reduces power consumption.
Configuring Peripherals
Peripherals that have configurable options will have a wrench icon in the lower right corner of the instance item in the Canvas, as shown in Figure 1-3. Click the wrench icon or double-click the instance to configure the peripheral.
SmartDesign Menu for MSS
SmartDesign MSS menu options are explained in Table 1-1.
Table 1-1 SmartDesign MSS Menu Options
Frequently Asked Questions
Can I rename my top-level ports?
Not in the MSS; you can rename top-level ports outside of the MSS.
Why can’t I delete anything from the Canvas?
The MSS Configurator Canvas is intended to show the hardened components and peripherals of the SmartFusion Microcontroller Subsystem. The peripherals are available to you at no extra impact on your design size or speed, however you should disable them if you are not using them in your current application.
Why can’t I add anything in the Canvas?
If you need to add custom logic or soft peripherals to your design, you need to do this in a regular SmartDesign. Instantiate your MSS component into a SmartDesign and you will be able to add any soft peripherals, or custom logic.
How do I zoom in the Canvas?
You have all the typical zoom actions available in the Canvas menu. In addition, you can hold down CTRL and use your mouse scroll wheel to zoom in and out.
How do I see the nets on the Canvas?
If a pin is connected, the net for that pin will be shown when you select the pin. If you want to permanently display the net, you can right-click the pin and choose Show Net. You can also globally show all nets on the Canvas by going to SmartDesign > Show Nets.
Product Support
Microsemi SoC Products Group backs its products with various support services, including Customer Service, Customer Technical Support Center, a website, electronic mail, and worldwide sales offices. This appendix contains information about contacting Microsemi SoC Products Group and using these support services.
Customer Service
Contact Customer Service for non-technical product support, such as product pricing, product upgrades, update information, order status, and authorization.
- From North America, call 800.262.1060
- From the rest of the world, call 650.318.4460
- Fax, from anywhere in the world, 650.318.8044
Customer Technical Support Center
Microsemi SoC Products Group staffs its Customer Technical Support Center with highly skilled engineers who can help answer your hardware, software, and design questions about Microsemi SoC Products. The Customer Technical Support Center spends a great deal of time creating application notes, answers to common design cycle questions, documentation of known issues, and various FAQs. So, before you contact us, please visit our online resources. It is very likely we have already answered your questions.
Technical Support
Visit the Customer Support website (www.microsemi.com/soc/support/search/default.aspx) for more information and support. Many answers available on the searchable web resource include diagrams, illustrations, and links to other resources on the website.
Website
You can browse a variety of technical and non-technical information on the SoC home page, at www.microsemi.com/soc.
Contacting the Customer Technical Support Center
Highly skilled engineers staff the Technical Support Center. The Technical Support Center can be contacted by email or through the Microsemi SoC Products Group website.
Email
You can communicate your technical questions to our email address and receive answers back by email, fax, or phone. Also, if you have design problems, you can email your design files to receive assistance. We constantly monitor the email account throughout the day. When sending your request to us, please be sure to include your full name, company name, and your contact information for efficient processing of your request. The technical support email address is soc_[email protected].
My Cases
Microsemi SoC Products Group customers may submit and track technical cases online by going to My Cases.
Outside the U.S.
Customers needing assistance outside the US time zones can either contact technical support via email ([email protected]) or contact a local sales office. Sales office listings can be found at www.microsemi.com/soc/company/contact/default.aspx.
ITAR Technical Support
For technical support on RH and RT FPGAs that are regulated by International Traffic in Arms Regulations (ITAR), contact us via [email protected]. Alternatively, within My Cases, select Yes in the ITAR drop-down list. For a complete list of ITAR-regulated Microsemi FPGAs, visit the ITAR web page.Microsemi Corporation (NASDAQ: MSCC) offers a comprehensive portfolio of semiconductor solutions for: aerospace, defense and security; enterprise and communications; and industrial and alternative energy markets. Products include high-performance, high-reliability analog and RF devices, mixed signal and RF integrated circuits, customizable SoCs, FPGAs, and complete subsystems. Microsemi is headquartered in Aliso Viejo, Calif. Learn more at www.microsemi.com.
© 2012 Microsemi Corporation. All rights reserved. Microsemi and the Microsemi logo are trademarks of Microsemi Corporation. All other trademarks and service marks are the property of their respective owners.
Microsemi Corporate Headquarters
One Enterprise, Aliso Viejo CA 92656 USA Within the USA: +1 (949) 380-6100 Sales: +1 (949) 380-6136 Fax: +1 (949) 215-4996
References
Microsemi | Semiconductor & System Solutions | Power Matters
Libero® SoC Design Suite Versions 2022.3 to 12.0 | Microchip Technology
Libero® SoC Design Suite Versions 2022.3 to 12.0 | Microchip Technology
Libero® SoC Design Suite Versions 2022.3 to 12.0 | Microchip Technology
Libero® SoC Design Suite Versions 2022.3 to 12.0 | Microchip Technology
Libero® SoC Design Suite Versions 2022.3 to 12.0 | Microchip Technology
Libero® SoC Design Suite Versions 2022.3 to 12.0 | Microchip Technology


















