ggm gastro DUK3 Gyros Doner Grill

Presentation of Appliance
Gas Doner Grill, 3+3 Burners

- Moving Frame
- Burners
- Burners On
- Burner Cover
- Thermocouple
- Lower Plate
- Motor Control (On / Off) knob
- Fat Drawer
- Sword (Skewer)
- Upper-Skewer Lock Mechanism
- Bottom-Skewer Lock Mechanism
- Doner Kebab Meat Fixing Disk
- Moving Body Handle
- Appliance Name: Doner Kebab Grill with Gas (Moving Body & Reversible Motor)
- Model No: DUK3+3
Definition of the appliance
The appliance consists of stainless steel frame, safety valve, moving body and lower reversible motor, working with gas (natural gas or LPG), and used for grilling foods such as Doner kebab meat wrapped around spits, etc.
Picture of the appliance

Working principle of the appliance:
The appliance is used either with natural gas or LPG. It is equipped with safety elements ( Thermocouples ) and in case of flame on heating elements is out due to any reason, safety elements ( Thermocouples) switch-off gas automatically. Rotating process of Doner kebab spits are ensured by double-direction reversible AC Motor. The distance between Heaters and Grilled kebab meat could be adjusted by simply pulling out the top part of side handle of Moving body and set the desired distance by pulling Moving body back to front.
Safety Recommendations and Advices
These instructions are valid if only country code seen on appliance. If country code does not exist on appliance, please refer to valid technical documents in order to arrange appliance in accordance with the technical requirements of the country of use.
Mounting and Connection
- Make electric connection of your appliance in compliance with EN 60335-1 and EN 60335-2-38.
- Ground your appliance in compliance with EN 60335-1 standards and ensure maintenance of the grounding.
- Electric safety of the appliance may be ensured only by means of protected cable system in accordance with the rules. It is very important to perform this essential safety measure. If you are suspicious, you have the installation controlled by a professional electrician. The manufacturing firm is not responsible for any damages that may arise from a missing or broken fuse cable or wrong or insufficient electrical installation.
- When performing electric connection of the appliance, never use an extension lead. Appliance safety cannot be realized with extension lead.
- Do not use your appliance in multi-plug socket media.
- Before installation of your appliance, make sure that there is no visible damage. Do not install or use any damaged appliance.
- Before connection of your appliance, make sure that the data on the manufacturer’s plate comply with the data of your main electrical circuit
( fuse, voltage and frequency). If you hesitate, please consult a qualified electrician. - If the main cord is damaged, it must be replaced by GGM Gastro GmbH or an authorised technical service of GGM Gastro GmbH .
- Before gas connection of the appliance, check if local gas distribution requirements (type and pressure of the gas) and adjustment of the appliance are appropriate.
- Ensure that gas connection of the appliance is done in accordance with valid standards and regulations
- While installing it, never squeeze gas hose under its frame.
- Keep gas hose away from heated parts of the product.
- Connect your appliance to LPG tube or Natural Gas supply valve as and close as possible and connection must be leak-proof
- While checking gas leakage, make sure if the buttons of appliance are set to “off” position and the tube (or natural gas supply line) is on. To check the gas leakage, cover connector of the hose with foam. If a gas leakage is exists, bubbles shall occur. Check gas leakage again.
- While checking gas leakage, never use fire.
- Particularly while using LPG Gas, ensure that any other relief valve is not assembled other than a relief valve having features specified for the appliance.
- Defective parts may only be replaced by original GGM Gastro Gmbh spare parts. We as manufacturer may only assure you that you shall operate your appliance with these parts completely in safe.
- The manufacturing firm is not responsible for any damages that may be caused by improper mounting or connection of the appliance.
Rules of Operation
- Please read carefully the Operation Manual before first operation. Thus you shall both protect yourself and prevent the appliance from being damaged.
- Use the appliance only in mounted state. Thus you will avoid of contact with electric-conducting parts of the appliance.
- Use the appliance only under a hood and on a flat surface. The distance between the hood and appliance must comply with the valid local fire and safety regulations in order to get sufficient air ventilation.
- Please bear in mind that if some other appliances used at the same time at the same place together with this appliance, negative effects such as heat, fat, vapour etc. caused by other appliances may result in breaking warranty of the appliance.
- Use the appliance only for grilling Doner kebab meat. The appliance must be used by only trained personnel who already read these installation-operating-maintenance instructions respectively. The manufacturing firm is not responsible for any defect or damage arising from use of the appliance for any other purpose.
Protecting Appliance against Damage
- While installing the appliance, protect On-Off Key (3.), Motor Control Key (7.), from strokes.
- Do not slide “Moving Body Frame” forwards and backwards fast and sharply.
- Caution: Since surfaces of Moving Body Frame, Sword, Above-Sword Lock Mechanism and Sledge Profile are hot, there is a risk of burning! Clean this area after it is cool.
- Prevent any metal and similar parts entering into the ventilating openings on the appliance body as they may give damage to the gas fittings and electric parts.
Caution: Operating gas pressure of the appliance is given on the label of appliance. There is a risk of gas leakage when operating in higher pressure. - Immediately clean any dirt that may occur on the surfaces of the appliance to prevent them from burning and sticking on the surface.
- Never use pressure water and steam cleaning tools. Such cleaning materials may give damage to the appliance.
- When moving the appliance, wrap it up with folio for protection against dust.
Protection Against Burns
- Moving Body Frame and adjoining areas get hot during use and remain so for a certain time after switching off. Consequently, the place for using the appliance should not be accessible by customers and children, except for the user.
- Burning risk! While using your appliance, protect your hands with heat-resistant gloves. Additionally, make sure that they are not wet or damp, as dampness and wetness increase the heat conductance of the gloves. Your hands may burn.
In Case of Trouble
- In case of any trouble with your appliance, switch off your appliance and fuse, disconnect the power cable from the mains socket and call Customer Services. Make sure that electric connection is not made till completion of the repair process.
- When you determine a defect in the appliance, Turn off LPG tube or Natural Gas Valve, and contact the Customer Services Dep. Observe not to do gas connection until repair of the appliance shall be completed.
- All repair operations should be performed by Authorized Service Center. Any repairs to be performed by persons other than Authorized Service Centers may cause personal injury and appliance damage. Repairs should be performed by GGM GASTRO GMBH Authorized Service Centre during warranty period. Otherwise, repair of troubles that may subsequently occur shall not be covered by the warranty.
Preliminary Information
- Keep Operation Manual and give it to the next owner of the appliance after you.
- Control the appliance before installation for any visible damages. Do not install or use any damaged appliance.
Packaging
- Packaging protects the appliance against possible damages during transportation. This packaging has been made of recycled material. That the packaging material is made of recycled material both ensures saving on raw material and reduces quantity of waste. If you want to dispose the packaging material yourself, please call the nearest recycling center.
Things to be done before First Operation
Transportation and Storage
- If you need to transport the appliance, then move it in its original container and comply with the movement marks on the container.
- If the original container of the appliance is not available, fix the moving parts (Sword (or spits), fixing handle, Moving Body Frame and Oil Drawer) by using an adhesive tape.
- Take necessary protective measures against possible strokes to Switch On/Off knobs, Cable Outlet Sleeve and Relief Valve Connection Sleeve, and other surfaces. Do not put any load on the appliance heavier than its own weight.
- Keep the product in normal position during movement.
- If the appliance shall not be used or kept for sale for extended time, store it indoor in dry, dust and damp free conditions.
First Cleaning and First Heating
- Before first operation, remove nylon film on your appliance and wipe inner and outer parts with a damp cloth and then wipe dry.
- Do not use detergent for wiping operation.
- A temporary odour and smoke may occur at the heated parts of your appliance during first heating.
- Odour and any possible smoke shall disappear soon. Odour and smoke do not indicate incorrect connection or defective appliance.
Switching On/Off

![]()
- Turn on Shut-off valve of the gas line or tube.
- Start ignition from the top burner and then ignite other burners from top to bottom respectively.
- Press and Turn the top knob to the high flame setting (3.) and ignite with a lighter.
- Hold the knob pressed for 10-15secs.
- Large flame sign “” means “normal burn”, and small sign “
” means “low burn”. - To turn the knob “off” position, turn it to “ O ” position, and release it.
- To turn Doner kebab meat around ; turn on and off the motor located in Lower Plate by “7. Motor Control Knob ” (See Page 3).
Operation
- Ensure that gas connection of the appliance is done in accordance with valid standards and regulations.
- Particularly while using LPG Gas, ensure that any other gas valve is not assembled other than a valve having features specified for the appliance.
- Caution: Operating gas pressure of the appliance is given on the label of appliance.
- There is a risk of gas leakage when operating in higher pressure.
- Insert plug of the appliance to the mains socket.

- Turn On-Off knob ( 3.) On Side Column of Moving Body Frame ( 1 ) to “On” position, and bring the mark “
” to “on” position. - In this case (gas will be discharged from burner), ignite burner (2.) immediately, and wait for 10-15secs. in pressed position, and then release the knob in current position.
- Ignite other burners also in same way from top to bottom respectively, depending on quantity of Doner meat.
- Arrange desired position of fixing handle on upper carrier.
- Place Sword (9.) between Lower Drive Shaft (11.) and upper fixing handle while Doner kebab meat is inserted on it, and close the cover of lock mechanism (10.) of upper fixing handle.
- Before inserting Sword, fix it on Sledge Profile of Upper Lock Mechanism (10.) in a middle position.
- If flame of the burner is out for any reason, thermocouple cuts gas supply of burner automatically.
- To ignite again, repeat above mentioned igniting steps.
- The distance between Heaters and Grilled kebab meat could be adjusted by simply pulling out the top part of side handle of Moving body and set the desired distance by pulling Moving body back to front.
- To turn Doner kebab meat, switch on Motor Control Key (7.) on Lower Plate (6.) Choose Position “I” or Position “II” according to turning direction.

- To operate heaters at low heat, turn “On-Off “ key (3.) until “
” small flame mark shows “on” position. - When Doner Kebab cooking is completed, turn “On-Off “ key (3. to “off ” position.
- When the appliance is not used for a long time, turn On-Off key (3.) to “off” position and unplug it.
Cleaning and Maintenance
- Unplug the appliance from the mains socket.
- Ensure that all valves are off. If possible, turn off the valve connected to inlet of the appliance.
- Allow the appliance to cool down before you start cleaning.Clean any rough dirt by use of a cloth.
- Check fat drawer (9.) often during cooking process. Do not pour used fat into drainage system.
- If applicable, you can put the bottle in the bin for non-compostable waste (not in the compostable waste bin) or dispose of them in accordance with the regulations in your country.
- Clean by use of a warm soap cloth.
- Never use steam and water pressured cleaning instrument to clean the appliance. Pressure steam and water may enter the electric-conducting sections, causing damages. The manufacturing firm is not responsible for any resulting damages.
- Do not use cleaning agents such as stain remover and anti-corrosive agent that have abrasive effects and sponges with hard surface.
- After each wet cleaning operation, wipe your appliance dry with a clean cloth definitely.
- Never use chemicals or steel cleaning materials. Wipe any dirt immediately. Long-remaining dirt may give damage to the surface.
- Clean your appliance regularly, if possible, after each Doner kebab-making process.
Troubleshooting
Appliance should be repaired only by Authorized Service Center. Any improper repair operations to be performed by non-authorized service people may cause risk for the user.

Electric Connection
- Electric connection of the appliance must be performed by qualified electrician. This electrician should be aware of rules and additional sanctions imposed by local power distribution companies in your country and must strictly observe such rules and additional sanctions.
- Electric connection of the appliance must be performed by authorized and qualified electrician in accordance with EN 60335 standard.
- Voltage AC 230 V / 50Hz
- Ground your appliance definitely.
Gas Connection
- Gas connections of the appliance must be made by qualified gas technician. This gas technician should be aware of rules and additional sanctions imposed by local power distribution companies in your country and must strictly observe such rules and additional sanctions.
- Caution: Operating gas pressure of the appliance is given on the label of appliance. There is a risk of gas leakage when operating in higher pressure.
- Gas connection of the appliance must be made by authorized and qualified person in accordance with valid standards and regulations.
Technical Features
FLEXIBLE CABLE (CORD) FELXIBLES KABEL
- N: NEUTRAL (BLUE)
- L: LIVE (BROWN)
- PE: EARTH (GREEN AND YELLOW
Technical Specification
- Height 1065 mm
- Width 890 mm
- Depth 715 mm
- Weight 75 kg
- Voltage in Volt 230/50 Hz

Injector Replacement
- Dismantle Radian Gas Supply Pipe-Valve Connection Sleeve (Figure 2).

- Pull and Remove Bushing Pin (Figure 3).

- Pull and Remove Gas Supply Pipe from radian gas inlet slot (Figure 4).

- Dismantle current injector, and insert a new injector appropriate to gas system intended to use instead of it (Figure 5).

- Similarly, fix Gas Supply Pipe in its place (Figure 1).
- Check gas leakage of Valve Connection Sleeve by soap foam. Never do gas leakage check with fire (match).
- Remove On-Off knob of Heater Mechanism (Figure 6).

- Unscrew by-pass injector of gas valve, and screw appropriate injector (Figure 7).
- Similarly, Fix On-Off knob in its place (Figure 1).


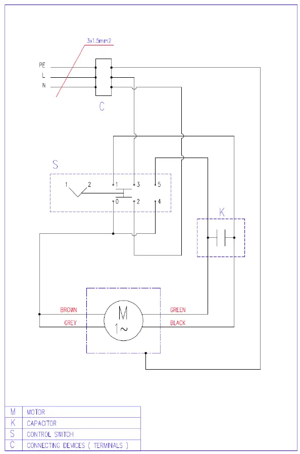
Electric circuit diagram

Warning sign

WARRANTY
The appliance is guaranteed for 1 (ONE) year from the date of delivery of the appliance against defects in production, workmanship and assembling only if appliance is used in accordance with the instructions written in user manual and repaired only by a service person authorized by GGM GASTRO GMBH.
This guarantee is only valid if all the instructions, obligations and responsibilities written for user in user manual and this form followed by user. Our company is free to choose the repair methods to be applied and determination of replacement parts. Repair places are authorized service workshops or our factory. Guarantee procedures only starts after reporting of fault and deliver the product to these repair places. All transport, cargo, and related expenses occur when sending the appliance to our authorized service workshops or to our factory for repair and from our authorized service workshops or factory to customer after the necessary repairs and also possible damage that may occur during shipping have to be covered by the customer.
This warranty does not cover damage arising for misuse of the appliance as well as following points;
- This warranty does not cover damage arising because of user mistakes.
- This warranty does not cover damage arising during transportation, installation or while moving the Product, or to any transportation costs of the Product or any parts thereof to and from the owner, unless otherwise specified in these warranty conditions.
- The warranty will not apply if damage, malfunction or failure resulting from use on an incorrect voltage, power surges and voltage dips, voltage supply problems, use of defective or incompatible accessories, failure to ground, exposure to abnormally corrosive conditions or foreign object in the Product.
- The warranty will not apply if damage, malfunction or failure resulting from fire or thunderstorm activity,
- The warranty will not apply if damage, malfunction or failure resulting from alterations, accident, misuse, abuse, damaging synthetic chemical liquid spillage, improper installation or operation, lack of reasonable care, loss of parts, tampering or attempted repair by a person not authorized by GGM GASTRO GMBH.
- The warranty does not cover normal wear of the Product or parts and the parts that could be used as spare parts.
- The warranty will not apply if damage, malfunction or failure resulting from use against the instructions written in user manual and repaired only by a service person authorized by GGM GASTRO GMBH.
- The warranty will not apply if the factory-applied serial number has been altered or removed from the Product.
- The responsibility of perfection and giving the warranty to customer belongs to seller, dealer or agent who sells the appliance to the customer.
Delivery Date, Place: Address:
Date Invoice No:
Seller Company Name:
Phone-Fax:
Service Centre Address:
GGM Gastro International GmbH
Weiner Park 16 48607 Ochtrup Germany
Internet: www.ggmgastro.com www.ggmgastro.de
E-Mail: [email protected]
Germany:
Tel.: (0049)-02553-7220-300
Fax: 02553 – 7220 – 200
























