
Philio Tech
Relay Insert 2 * 1.5 KW with Power Meter
SKU: PHIEPAN04-1B


Quickstart
This is a
On/Off Power Switch
for
Europe.
To run this device please connect it to your mains power supply.
Tripple Click the Button on the device confirms the inclusion, exclusion and association. After power up it will stay in auto inclusion mode for 4 minutes. To support handling of the device when already installed the external switch can be used for inclusion or exclusion for 3 minutes after power up.
Important safety information
Please read this manual carefully. Failure to follow the recommendations in this manual may be dangerous or may violate the law.
The manufacturer, importer, distributor and seller shall not be liable for any loss or damage resulting from failure to comply with the instructions in this manual or any other material.
Use this equipment only for its intended purpose. Follow the disposal instructions.
Do not dispose of electronic equipment or batteries in a fire or near open heat sources.
What is Z-Wave?
Z-Wave is the international wireless protocol for communication in the Smart Home. This
device is suited for use in the region mentioned in the Quickstart section.
Z-Wave ensures a reliable communication by reconfirming every message (two-way
communication) and every mains powered node can act as a repeater for other nodes
(meshed network) in case the receiver is not in direct wireless range of the
transmitter.
This device and every other certified Z-Wave device can be used together with any other
certified Z-Wave device regardless of brand and origin as long as both are suited for the
same frequency range.
If a device supports secure communication it will communicate with other devices
secure as long as this device provides the same or a higher level of security.
Otherwise it will automatically turn into a lower level of security to maintain
backward compatibility.
For more information about Z-Wave technology, devices, white papers etc. please refer
to www.z-wave.info.
Product Description
This in-wall dual relay switch module is a transceiver which is a Z-Wave Plusâ„”¢ enabled device and is fully compatible with any Z-Waveâ„”¢ enabled network. Mini size design let the module can easily hide itself into the wall box and that will be good for the house decoration. There are many kind of application by using the module to switch AC power On and Off, one main application is the light control. The new smart relay calibration technology can reduce the inrush current caused by the load and let the module work perfectly with many kind of light like incandescent, fluorescent and LED light.”
This in-wall switch module is able to detect Instant power wattage and overload current (7.5A) of connected light or appliances. When detecting overload state, the Module will be disabled and its On/Off button will be lockout of which LED will flash quickly. However, disconnect and re-connect the Module will reset its overload condition to normal status.
Prepare for Installation / Reset
Please read the user manual before installing the product.
In order to include (add) a Z-Wave device to a network it must be in factory default
state. Please make sure to reset the device into factory default. You can do this by
performing an Exclusion operation as described below in the manual. Every Z-Wave
controller is able to perform this operation however it is recommended to use the primary
controller of the previous network to make sure the very device is excluded properly
from this network.
Reset to factory default
This device also allows to be reset without any involvement of a Z-Wave controller. This
procedure should only be used when the primary controller is inoperable.
Tripple Click the button on the device to enter inclusion mode. Within 1 second press the button again for 5 seconds until LED is off.
Safety Warning for Mains Powered Devices
ATTENTION: only authorized technicians under consideration of the country-specific
installation guidelines/norms may do works with mains power. Prior to the assembly of
the product, the voltage network has to be switched off and ensured against re-switching.
Installation

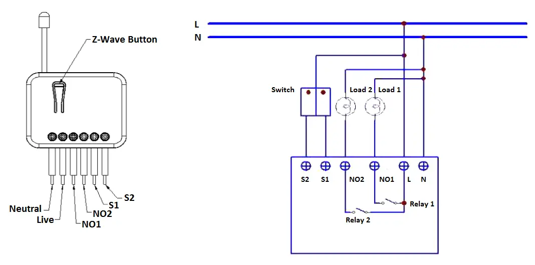
Put the in-wall switch into a wall box and connect the pins as shown in the figure.

Inclusion/Exclusion
On factory default the device does not belong to any Z-Wave network. The device needs
to be added to an existing wireless network to communicate with the devices of this network.
This process is called Inclusion.
Devices can also be removed from a network. This process is called Exclusion.
Both processes are initiated by the primary controller of the Z-Wave network. This
controller is turned into exclusion respective inclusion mode. Inclusion and Exclusion is
then performed doing a special manual action right on the device.
Inclusion
Tripple Click the button on the device confirms inclusion and exclusion. After power-up,” it will stay in auto inclusion mode for 4 minutes.
Exclusion
Tripple Click the button on the device confirms inclusion and exclusion. After power up it will stay in auto inclusion mode for 4 minutes.
Product Usage
Manual Operation
The device can be operated suing the externally connected switch. Three different modes are supported:
- Edge Mode:” Die Position of the external switch determines the switching state of the relay. After a wireless switching command it may be needed to operate the switch twice to return to the direct relation of switch position and relay state. This mode is the factory default mode.
- Toogle Mode:” Each “ON”-Position of the external switch will toggle the state of the relays. This mode is particularly suited for mono-stable switches.
- Edge/Toggle-Mode:” Every change of the state of the external switch results in a change of the relay state.
Remote Operation
Remote On/Off control of the switch is possible with any Z-Wave controller. Further, you can set associations to let your device controlled by other Z-Wave devices like sensors.
The switch is able to detect the current wattage (5 – 1500W) and overload wattage (1600 – 1700W) of connected loads. When detecting an overload state, the switch will be disabled and the LED will flash quickly. Turning off and on of the power supply will reset from this state.
Node Information Frame
The Node Information Frame (NIF) is the business card of a Z-Wave device. It contains
information about the device type and the technical capabilities. The inclusion and
exclusion of the device is confirmed by sending out a Node Information Frame.
Beside this it may be needed for certain network operations to send out a Node
Information Frame. To issue a NIF execute the following action:
Tripple Click the button on the device sends out a Node Information Frame.
Quick trouble shooting
Here are a few hints for network installation if things dont work as expected.
- Make sure a device is in factory reset state before including. In doubt exclude before include.
- If inclusion still fails, check if both devices use the same frequency.
- Remove all dead devices from associations. Otherwise you will see severe delays.
- Never use sleeping battery devices without a central controller.
- Dont poll FLIRS devices.
- Make sure to have enough mains powered device to benefit from the meshing
Association – one device controls an other device
Z-Wave devices control other Z-Wave devices. The relationship between one device
controlling another device is called association. In order to control a different
device, the controlling device needs to maintain a list of devices that will receive
controlling commands. These lists are called association groups and they are always
related to certain events (e.g. button pressed, sensor triggers, …). In case
the event happens all devices stored in the respective association group will
receive the same wireless command wireless command, typically a ‘Basic Set’ Command.
Association Groups:
Group NumberMaximum NodesDescription
| 1 | 1 | Status-Update for Relais 1 and 2 and all Metering reports |
| 2 | 1 | Status-Update for Relais 1 and Metering reports |
| 3 | 1 | Status-Update for Relais 2 and Metering reports |
Configuration Parameters
Z-Wave products are supposed to work out of the box after inclusion, however
certain configuration can adapt the function better to user needs or unlock further
enhanced features.
IMPORTANT: Controllers may only allow configuring
signed values. In order to set values in the range 128 … 255 the value sent in
the application shall be the desired value minus 256. For example: To set a
parameter to 200 it may be needed to set a value of 200 minus 256 = minus 56.
In case of a two byte value the same logic applies: Values greater than 32768 may
needed to be given as negative values too.
Parameter 1: Watt Meter Report Period
If the setting is configured for 1hour (set value =720), the PAN04 will report its instant power consumption every 1 hour to the node of correspond Group.
Size: 2 Byte, Default Value: 02d0
SettingDescription
Parameter 2: KWH Meter Report Period
If the setting is configured for 1hour (set value =6), the PAN04 will report its
Size: 2 Byte, Default Value: 0006
SettingDescription
Parameter 3: Selected Relay
If Controller not using Multi_Channel command class to access the relay ofPAN04, you may configure the select value to react the Basic CommandClass, Binary Switch Command Class or Meter Command Class V3.
Size: 1 Byte, Default Value: 03
SettingDescription
| 01 | Relay1 |
| 02 | Relay2 |
| 03 | Relay1 & Relay2 |
Parameter 4: Edge or Pulse mode or Edge-Toggle mode
Manual switch S1 and S2 can set to Edge mode or Pulse mode or Edge-Toggle
Size: 1 Byte, Default Value: 01
SettingDescription
| 01 | Edge mode |
| 02 | Pulse mode |
| 03 | Edge-Togglemode |
Parameter 5: Threshold of current for Load Caution
This is a warning when the current of load over the preset threshold value, if thesetting value is 750, when the load current of Relay1 or Relay2 over this value,PAN04 will send current meter report to the node of correspond Group, theRange of the setting value is from 10 to 750, and the default value is 750.
Size: 2 Byte, Default Value: 02ee
SettingDescription
Parameter 6: Threshold of KWH for Load Caution
This is a warning when the KWh of load over the preset threshold value, If thesetting value is 10000, when the Accumulated Power Consumption of Relay1 orRelay2 over this value, PAN04 will send KWh Meter Report command to thenode of correspond Group, minimum value is 1KWh and default value is 10000
Size: 2 Byte, Default Value: 2710
SettingDescription
Parameter 7: Restore switch state mode
Restores the switch state setting in case the device was disconnected from the power source.
Size: 1 Byte, Default Value: 01
SettingDescription
| 00 | 0 : Switch off |
| 01 | 1 : Last switchstate |
| 02 | 2 : Switch on |
Parameter 8: Auto off timer
Whenever the device switches to on, the auto off timer begin to count down. After the timer decrease to zero, it will switch off automatically.
Size: 2 Byte, Default Value: 0000
SettingDescription
| 0000 | 0 : Disable autooff function |
| 0001 – 7fff | Define time interval for auto off function. |
Parameter 9: RF off command mode
Whenever a switch off command, BASIC_SET, BINARY_SWITCH_SET, SWITCH_ALL_OFF, is received, it could be interpreted as 4 kinds ofcommands.
Size: 1 Byte, Default Value: 00
SettingDescription
| 00 | 0 : Switch off |
| 01 | 1 : Ignore |
| 02 | 2 : Switch toggle |
| 03 | 3 : Switch on |
Parameter 10: Existence of Endpoint 3
Multi-Channel Command is a good way to control relay1 and relay2 of PAN04individually. The endpoint3 of PAN04 is related to both relay1 and relay2. Insome condition it becomes redundant in Multi-Channel Command Class.
Size: 1 Byte, Default Value: 01
SettingDescription
| 01 | 1 : Endpoint3 exist |
| 02 | 2 : No Endpoint3 |
Technical Data
| Dimensions | 130x48x16 mm |
| Weight | 40 gr |
| Hardware Platform | SD3502 |
| EAN | 4713698571122 |
| IP Class | IP 20 |
| Voltage | 230 V |
| Load | 6,5A |
| Device Type | On/Off Power Switch |
| Network Operation | Always On Slave |
| Z-Wave Version | 6.51.02 |
| Certification ID | ZC10-14110001 |
| Z-Wave Product Id | 0x013C.0x0001.0x0012 |
| Frequency | Europe – 868,4 Mhz |
| Maximum transmission power | 5 mW |
Supported Command Classes
- Alarm
- Switch All
- Association
- Association Group Information
- Basic
- Configuration
- Device Reset Locally
- Firmware Update Md
- Manufacturer Specific
- Meter
- Multi Channel
- Powerlevel
- Protection
- Scene Activation
- Scene Actuator Conf
- Switch Binary
- Version
- Zwaveplus Info
Explanation of Z-Wave specific terms
- Controller — is a Z-Wave device with capabilities to manage the network.
Controllers are typically Gateways,Remote Controls or battery operated wall controllers. - Slave — is a Z-Wave device without capabilities to manage the network.
Slaves can be sensors, actuators and even remote controls. - Primary Controller — is the central organizer of the network. It must be
a controller. There can be only one primary controller in a Z-Wave network. - Inclusion — is the process of adding new Z-Wave devices into a network.
- Exclusion — is the process of removing Z-Wave devices from the network.
- Association — is a control relationship between a controlling device and
a controlled device. - Wakeup Notification — is a special wireless message issued by a Z-Wave
device to announces that is able to communicate. - Node Information Frame — is a special wireless message issued by a
Z-Wave device to announce its capabilities and functions.




















