
Cost-S CO Detector
COST-S
Quick Start Guide
www.sauermanngroup.com

CO Stats / CO detector
COST is a fixed CO detector.
Symbols used
For your safety and in order to avoid any damage of the device, please follow the procedure described in this document and read carefully the notes preceded by the following symbol:
The following symbol will also be used in this document, please read carefully the information notes indicated after this symbol: Boîtier arrièr
| Output | 1 RCR relay. NO (normally opened): 5A / NC (normally closed): 3A / 240 Vac.Common mode voltage <30 Vac |
| Power supply | 24 Vac/Vdc ±10% |
| Consumption | 3 VA |
| Relay and alarm status | Red LED in front and internal buzzer (70 dB at 10 cm) |
| European directives | 2014/30/EU EMC; 2014/35/EU Low Voltage; 2011/65/EU RoHS II; 2012/19/EU WEEE |
| Electrical connection | Terminal block for cables Ø 0.05 to 2.5 mm2 Carried out according to the code of good practices |
| PC communication | USB-mini Din cable |
| Environment | Air and neutral gases |
Connections
- Electrochemical sensor
- Inactive switch
- Active switch
- LCC-S software connection
- Alarm led
- Button for settings
- Relay terminal block
- Power supply terminal block

Electrical connections as per NFC15-100 standard
This connection must be made by a qualified and trained technician. To make the connection, the transmitter must not be energized.
Settings and use of the transmitter
Threshold configuration
The button
allows to activate or not an alarm (threshold), to set the action of the alarm (edge), to set the threshold(s) value, to set the time-delay and to acknowledge the alarm.
Working principle:
– By pressing on the button more than 3 seconds, you can validate the setting and go to the next setting.
– By pressing quickly on the button, you can increment a value and scroll down the different option or values.
Activate or deactivate an alarm
– Press the button for 3 seconds, “CONF” is displayed then “NEG”, meaning that the relay is in negative security, it is excited during an alarm condition.
– If needed, press quickly on the button to switch the relay in positive security, the relay is de-energized during an alarm ondition or a current breaking, “POS” is displayed.
– Press 3 s on the button, “Buzz” screen is displayed with “ON” or “OFF” blinking. Briefly press on the button to activate (“ON”) or deactivate (“OFF”) (according to the last saved configuration) the buzzer during an alarm condition.
– Press 3 s the button, “Alarm” screen is displayed with “On” or “Off” blinking (according to the last saved configuration).
– Press quickly on the button, the display changes from “On” (activated alarm) to “Off” (deactivated alarm).
– Press 3 s the button to confirm the setting. If the alarm is deactivated, the instrument displays the measurement; if the alarm is activated, the instrument displays the following setting.
Set the action of the alarm (rising edge or falling edge)
The edge determines the action of the alarm according to the trespassing direction of the threshold(s).
Rising edge (1 threshold): the alarm goes off when the measurement exceeds the threshold and stops when it is below the threshold.
Falling edge (1 threshold): the alarm goes off when the measurement is below the threshold and stops when it exceeds the threshold.
Monitoring (2 thresholds): the alarm goes off when the measurement is outside the defined low and high thresholds.
![]() | ![]() | ![]() |
| Measurement (m) > Threshold (S) during the timedelay T1: Alarm activation. Measurement (m) < Threshold (S) – Hysteresis (H) during the time-delay T2: Alarm deactivation. | Measurement (m) < Threshold (S) during the timedelayT1: Alarm activation. Measurement (m) > Threshold (S) + Hysteresis (H) during time-delay T2: Alarm deactivation. | The alarm goes off when the measurement is outside the low and high thresholds. |
– Press briefly the button to select the trespassing direction then press the button more than 3 seconds to validate this direction and set the thresholds.
Set the threshold(s) value
The first digit blinks, it corresponds to the positive (0) or negative (-) setting of the threshold value. Press briefly on the button to select the sign for the threshold value. Press on the button more than 3 seconds to validate.
The second digit blinks, press briefly on the button to scroll the numbers. Press the button more than 3 seconds to validate.
Repeat the process until the last digit to configure the threshold value, validate the threshold and go to the following setting.
If the monitoring edge has been selected, the transmitter displays the setting of the second threshold.
Set the hysteresis
The hysteresis is only for the rising edge and the falling edge modes.
In rising edge mode, the hysteresis allows to the transmitter to stay in alarm when the measurement is between the threshold and the threshold minus the hysteresis.
Ex: for a 100 ppm threshold and a 10 ppm hysteresis, the instrument will stay in alarm when the measurement will be between 100 and 90 ppm.
In falling edge mode, the hysteresis allows to the transmitter to stay in alarm when the measurement is between the threshold and the threshold plus the hysteresis.
Ex: for a 100 ppm threshold and a 10 ppm hysteresis, the instrument will stay in alarm when the measurement will be between 100 and 110 ppm.
The first digit blinks, set it pressing the button briefly several times then press on the button more than 3 seconds to set the following digit.
Once the hysteresis is set, press the button more than 3 seconds to validate and set the time-delays.
Set the hysteresis
The hysteresis is only for the rising edge and the falling edge modes.
In rising edge mode, the hysteresis allows to the transmitter to stay in alarm when the measurement is between the threshold and the threshold minus the hysteresis.
Ex: for a 100 ppm threshold and a 10 ppm hysteresis, the instrument will stay in alarm when the measurement will be between 100 and 90 ppm.
In falling edge mode, the hysteresis allows to the transmitter to stay in alarm when the measurement is between the threshold and the threshold plus the hysteresis.
Ex: for a 100 ppm threshold and a 10 ppm hysteresis, the instrument will stay in alarm when the measurement will be between 100 and 110 ppm.
The first digit blinks, set it pressing the button briefly several times then press on the button more than 3 seconds to set the following digit.
Once the hysteresis is set, press the button more than 3 seconds to validate and set the time-delays.
– In falling edge mode, the time-delay 1 corresponds to the time lag before the alarm goes off when the threshold has been reached. The time-delay 2, corresponds to the time lag before the alarm stops when the measurement is lower than the threshold plus the hysteresis.
The setting procedure is the same as the rising edge procedure.
– In monitoring mode, the alarm of the transmitter goes off when the measurement is below the lower threshold and higher the high threshold. The time-delay 1 corresponds to the time lag before the alarm goes off when the measurement is below the lower threshold and higher the high threshold. The time-delay 2 corresponds to the time lag before the alarm stops when the measurement is between the lower and higher thresholds.
The setting procedure is the same as the rising edge procedure.
Configuration via LCC-S software (optional)
The software allows to set the alarms, the thresholds, the relay action, the hysteresis and the time-delay of the device.
• To access the configuration via software:
– Set the DIP switches as shown beside.
– Connect the cable of the LCC-S to the connection of the transmitter.
• Please refer to the user manual of the LCC-S to make the configuration.
The configuration of the parameters can be done either with the DIP switch or via software (you can not combine both solutions). Switch off the sensor before settings process.
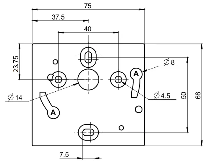
Mounting
To mount the transmitter, mount the ABS plate on the wall (drilling: Ø 6 mm, screws and pins are supplied).
Insert the transmitter on the fixing plate (see A on the drawing beside). Rotate the housing in clockwise direction until you hear a “click” which confirms that the transmitter is correctly installed.
Ambient model has not any fixing plate.
4 fixing holes are inside the back housing. Use them to install the transmitter on the required location.
Maintenance: please avoid any aggressive solvent.
Please protect the transmitter and its probes from any cleaning product containing formalin, that may be used forcleaning rooms or ducts.
Precautions for use: please always use the device in accordance with its intended use and within parameters described in the technical features in order not to compromise the protection ensured by the device.
Accessories
Please refer to the data sheet to get more information about available accessories.
![]() | ![]() |
| https://sauermanngroup.com/en-INT/measuring-instruments/transmitters/software/lcc-s Download the LCC-S software user manual | https://sauermanngroup.com/en-INT/measuring-instruments/transmitters/co-transmitters/cost-s Download the COST data sheet |
Customer service portal / Portail service clientsPortal de servicio al cliente
Utilisez notre Portail service clients pour nous contacter
Use our Customer service portal to contact us
Contacte con nosotros a través del Portal de servicio al cliente
https://sauermann-en.custhelp.com
www.sauermanngroup.com
QSG – COST – 12/07/2022
Non-contractual document
We reserve the right to modify the characteristics of our products without prior notice






















