FISHMAN RTX1290 Audio Wireless Module

- FCC ID: RMU-351540036
- IC: 10812A-351540036
- Model: 351540036
FCC Compliance Statement
This device complies with Part 15 of the FCC Rules. Operation is subject to the following two conditions:
- This device may not cause harmful interference, and
- s device must accept any interference received, including interference that may cause undesired operation.
FCC Interference Statement
This equipment has been tested and found to comply with the limits for a Class B digital devices, pursuant to part 15 of the FCC Rules. These limits are designed to provide reasonable protection against harmful interference in a residential installation. This equipment generates, uses, and can radiate radio frequency energy and, if not installed and used in accordance with the instructions, may cause harmful interference to radio communications. However, there is no guarantee that interference will not occur in a particular installation. If this equipment does cause harmful interference to radio or television reception, which can be determined by turning the equipment off and on, the user is encouraged to try to correct the interference by one of the following measures:
- Reorient or relocate the receiving antenna.
- Increase the separation between the equipment and receiver.
- Connect the equipment into an outlet on a circuit different from that to switch the receiver is connected.
- Consult the dealer or an experienced radio/TV technician for help.
Warning
Changes or modifications not expressly approved by FISHMAN could void the user’s authority to operate the equipment.
This device complies with Industry Canada license-exempt RSS standard(s): Operation is subject to the following two conditions: (1) this device may not cause interference, and (2) this device must accept any interference that may cause undesired operation of the device.
WARNING
FCC and IC Radiation Exposure Statement:
This portable equipment with its antenna complies with FCC’s and IC’s RF radiation exposure limits set forth for an uncontrolled environment. To maintain compliance follow the instructions below:
- This transmitter must not be co-located or operating in conjunction with any other antenna or transmitter.
- Avoid direct contact to the antenna, or keep contact to a minimum while using this equipment.
INTRODUCTION
The RTX1290 wireless module is a 2.4GHz Audio wireless part, based on a Dialog Semiconductor DA14195 audio processor, a Nordic nRF52 radio chip and an RF Power Amplifier. The module offers full DA14195 feature set and requires only a motherboard and power source like battery. Please note that the RTX1290 module only provides digital audio interfaces, and hence, if an analog audio interface is required, a hardware codec and analogue circuits needs to be added to the motherboard as well. The module has the integrated 2 PCB antennas.
FEATURES
- Complies with sub 10 dBm EIRP 2.4GHz worldwide standards.
- Supported audio codec and audio features: G.726, G.722, CELT 4.0, PAEC 6.0, SheersoundTM along with other options via software customization
- Operating range:
- Power supply:
- VBAT: 2.0-5.0VDC (typically battery supply)
- VBUS: 4.2-5.75VDC (typically USB)
Ambient temperature: -20°C to +60°C
- USB charge control for rechargeable battery (e.g. Lithium-ion)
- Analogue Interfaces
- 2 input 10-bit ADC, single ended/differential
- Digital Interfaces
- USB 2.0 HS1/FS Device MAC/PHY with DMA
- 28 I/O pads with state retention and slope control
- Dual UART full duplex 9.6 kBd to 812.5 kBd with FIFO and DMA support
- Dual SPI interface 20.736 MHz (master/slave)
- I2C interface 100 kHz, 400 kHz, 1.152 MHz (master/slave)
- Dual PCM interface, M/S, 2 x 32 bits, 196 kHz, I2S
- Three stereo PDM I/O for digital microphones
- Radio Transceiver
- 2.4 GHz transceiver
- Radio Transmitter and protocol features
- Interference avoidance algorithms for avoiding interference from WiFi and other
2.4GHz standards. The EUT transmits on two RF channels alternately. If interference degrades one RF channel, the other RF channel provides the full data. The degradation will be sensed by the receiver, and the receiver provides this information to the transmitter. The transmitter will then relocate both RF channels to unoccupied channels.
- Antenna diversity
- Optional interference avoidance algorithms utilizing:
- Dual slot diversity
- Seamless bearer selection and handover
- Retransmission of real-time data.
- HW provides adjustable saturation power from +4.5dBm to 9.5dBm conducted power.
Available program memory
- 32 Mbit flash
SPECIFICATIONS
Operation Frequency Band 2.402GHZ ~ 2.480GHz unlicensed ISM
- Channel step size: 3 MHz
- Receiver sensitivity Typ: -90 dBm
- Transmit Power Range Typ: 4.5 – 9.5 dBm
- Supply voltage on pin VBAT: 2 – 5V
- Supply voltage on pin VBUS_CHARGE: 4.2 – 5.75V
- Supply voltage on IO banks: 1.7 – 3.45V
- Supply voltage for RF power amp: 1.8V
- Maximum current draw on VBUS for charging on VBAT: 360 –440 mA
- Operation current from: 3.7V Li-Ion battery up to 100mA depends on usage.
- Host Interface USB: 2.0
- Audio Interface: Analog
- Dimension: 45.7mm x 20.3mm
- The separation distance for RF Exposure is 10 mm.
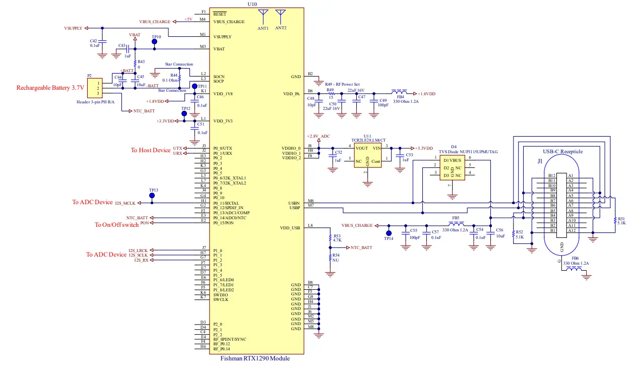
TYPICAL CONNECTION DIAGRAM

OEM INTEGRATION INSTRUCTION
- This 2.4 GHz wireless module can be configured as Tx or Rx based on the firmware loaded.
- The user must pick a host device like MCU to introduce the feature set required. It will be connected to the module by the UTX/URX lines. Also a USB-C jack is required to charge Li-Ion battery if used. See the typical connection diagram.
- This module required an external ADC chip for Tx and an external DAC chip for Rx connected by the I2S lines to get the analog audio input and output.
- In addition to this, it requires to connect On/Off switch to pin PON of the module to power on/off the module.
- All required LEDs and additional switches can be connected to the host device.
- The module is used the connector like edge plated pins (please see the picture on front page), so the matching footprint on the motherboard must be used.
- Please contact Fishman for additional information.
LABELING INSTRUCTION
Any end products must have the following on the label:
- Contains FCC ID: RMU-351540036
- Contains IC: 10812A- 351540036



















