HARBINGER LV8 8-Channel Analog Mixer with Bluetooth

FCC ID: ZTJ-LV8

WELCOME
The Harbinger LVB is a professionally featured 8-channel utility mixer with Bluetooth, in a compact, easily transportable package. LVB’s transparent, high.-headroom microphone preamps and premium input and output connections make ii a perfect solution for solo performers, duos or DJ applications.
LVB – Compact 8-<:channel mixer with Bluetooth and 2 phantom power-<:arable microphone preamps
- Bluelooth Audio Input
- Premium, High-Headroom Microphone Preamps with Phantom Power
- Professional XLR Combo Jack Inputs and XLR Outputs
- Guitar Inputs
- 3-Band EQ
- Compact, Small Footprint Design
SETTING UP I HELPFUL TIPS
- Make sure the Power Switch is set to the off position
- Plug the included power supply into an AC power outlet and into to the power input on the rear panel of the mixer
INPUT CONNECTIONS
Choose any combination of the following sources:
- MICROPHONE -Connect a microphone to an XLR combo input jade via XLR or 1/4″ cable
- PHONE/TABLET/LAPTOP – Connect a tablet, phone or laptop to the CH 718 STEREO input jack on the mixer via stereo 3.5 mm TRS cable
- GUITAR/BASS – Connect a guitar or bass with a passive pickup to the channel 314 L/MONO input via standard 1 / 4M guitar cable

CHECK KNOBS AND SWITCHES
- Tum all white-<:apped level knobs to the minimum (lull counter-<:lockwise} position.
These are the CH 1 – CH 516 GAIN and level controls and the MAIN level control. - Tum all grey-capped and blue-capped knobs to the 12 o’clock position.
These are the PAN, BAL and EQ controls - All buttons should be in the up position. The white bottom edge of the button will be clearly visible and 48V and SOLO LEDs should be off.

OUTPUT CONNECTIONS
- HEADPHONES- Connect o pair of headphones to the mixer’s 1/4• headphone jade.
- POWERED SPEAKERS – Connect the MAIN OUTS on the LVB to a pair of powered speakers via XLR coble
POWERING UP
- Power on any devices connected to input jacks
- Power on the LVB
- Power on the powered speakers connected lo the LVB’s MAIN OUTS
SETTING LEVELS
- MICROPHONE- If you have connected a condenser microphone, press the 4BV switch (Iha 4BV LED will coma on}. If you have connected a dynamic microphone, the 48V switch should be in the off position with the 48V LED off. If you experience too much boniness· or bass in the microphone signal,
set the BOHz HPF button to the on position. While speaking or singing into the connected microphone, slowly bring up the channel 1 GAIN control until only the loudasl input briefly triggers the channel 1 CLIP indicator LED. Reduce the GAIN control slightly from this level. Continua speaking or singing inlo Iha connected microphone and slowly bring up the CH 1 level control to the 12 o’clock position, then slowly bring up the MAIN level control until a comfortable
listening level achieved. - PHONE/TAILET/LAPTOP-Pass play on the connected audio player and increase the player’s inlamal volume control lo maximum level.
Slowly bring up the BLUETOOTH I CH 617 STEREO level control to the 12 o’clock position, then, slowly bring up the MAIN level control until a comfortable listening level is achieved. - GUITAR-Maka sure the channel 314 GUITAR HI-Z switch is sat to the on position. While strumming the guitar, slowly bring up the MAIN level control until a comfortable listening level is achieved.
- POWERED SPEAKERS-To monitor through powered speakers, slowly bring up the MAIN level control until a comfortable listening level is achieved
- HEADPHONES-Since the headphone level control is independent from the MAIN level control, first ensure that the channel level controls are sal so that ample signal is feeding the main and headphone buses. The meters should show between +3 and +5 dB with the MAIN level control at the 12 o’clock position. When this is accomplished, slowly bring up the headphone level control until a comfortable listening level is achieved.
BLUETOOTH® AND AUDIO INPUT
The mixer powers up with Bluetooth off. Press the PAIR button to initialize Bluetooth and activate pairing (the PAIR LED will Rash, indicating that it is ready lo pair). The LVB will automatically reconnect to the previous Bluetooth audio source if it is available, and will otherwise be available for Bluetooth pairing from a source audio device such as o smartphone.
If connecting for the first time, look for and select •Harbinger Mixer on your Bluetooth audio source device.
The PAIR LED is lit solid when currently paired, blinking when available for pairing, and off if Bluetooth has been disabled by pressing and holding the PAIR button, or when the mixer first powers up.
Pressing the PAIR button when a pairing is active forces any currently connected Bluetooth audio source to disconnect, and makes the mixer available for pairing. See Bluetooth Troubleshooting section in case of difficulty
LVB TOP PANEL
- MIC/LINE INPUT
An XLR or 1 /4 microphone or line-level source con be connected here - 80Hz HIGH.PASS FILTER
Reduces low frequency “rumble” from microphone signals - 26 dB PAD BUTTON
Reduces the signal strength of the associated input signal by 26 dB - 48V PHANTOM POWER BUTTON
Activates phantom power, which is required for the condenser,type microphones - 1/4 INPUTS
CH314 – Connect a passive guitar signal (mono or stereo) or a mono or stereo line-level signal hare
CH516 – Connect a mono or stereo line-level signal here - GUITAR HI-Z BUTTON
Changes the impedance on CH314 lo optimize passive guitar and bass signals - GAIN CONTROL
Adjusts the preamp gain for the associated channel - HIGH EQ CONTROL
Boosts or cuts the high frequencies of the associated input signal, at a corner frequency of l O le.Hz - MID EQ CONTROL
Boosts at cuts the mid frequencies of the associated input signal, ot o center frequency of 2.5 le.Hz. - LOW EQ CONTROL
Boosts or cuts the low frequencies of the associated input signal, al a corner frequency of l 00 Hz - CHANNEL SEND CONTROL
Controls the relative level of the associated channel being sent to the SEND bus. - PAN CONTROL
Adjusts positioning of the channel input signal within the stereo sound field - CLIP INDICATOR LED
Lights red when the signal level ot the preamp stage is too high and causing clipping/ distortion. - CH LEVEL CONTROL
Adjusts the relative level of the associated channel being sent to the MAIN bus - MAIN OUTPUTS
The signal at this output contains the entire mix of input signals. Connect this output to the inputs of powered speakers, a power amp or recording interface, via XLR cable. - CTRL RM OUTPUTS
1/A” outputs for feeding control room or booth monitors - HEADPHONE OUTPUT
Connect headphones here. This signal is the some as that being sent to the MAIN bus - SEND OUTPUT
V.o1″ output for feeding a Acor monitor or external FX processor.
The individual channel SEND controls (see 11,) and SEND MASTER control [see 27) feed this output. - RETURN INPUT
Mono 1/..i* or stereo V.o1″ { using a “Y” insert coble) input. Typically, this will be used to resume the SEND output ( (Il)) after it is processed by an external effects unit, This can also be used as an additional input sent directly lo the MAIN mix bus. - REC OUT
This signal is taken from the MAIN bus. Connect this output lo a recording device with a stereo 1/8″ (3.5 mm) input - BLUETOOTH / CH 718 STEREO LEVEL CONTROL
Controls the level of the BLU ETOOTH and CH 718 STEREO input signals being sent to the MAIN bus - BLUETOOTH/CH 718 SOLO BUTTON
Mutes all input sources except BLUETOOTH and CH 718 STEREO input signals - CH 718 STEREO INPUT
Connect a phone, tablet, or laptop here, with o stereo 1/8• [3.5 ml coble. This input is routed directly to the MAIN bus. - BLUETOOTH PAIR BUTTON
With no actively paired device, pressing this button will activate pairing mode (LED will start blinking).
With a device actively paired {LED lit solidly), pressing this button will cancel the pair and will activate pairing mode (LED will begin blinking).
Pressing and holding this button will cancel any active pair and turn Bluetooth off (LED will turn off) - RETURN CONTROL
Controls the level of the signal from the RETURN INPUT() being sent directly to the MAIN bus. - MAIN OUTPUT LEVEL METERS
Displays the main mix output level - SEND MASTER CONTROL
Controls the combined send output level feeding the SEND OUTPUT(Il) - CH 314, 516 BAL CONTROLS
Adjusts the stereo balance of the associated stereo input signal. If the input signal is mono, the BAL control acts as a PAN control. Seei) - STEREO/MONO BUTTON
Switches the MAIN-out signal between mono and stereo operation.
Out position – stereo, in position – mono - HEADPHONE I CONTROL ROOM LEVEL CONTROL
Controls the level of the headphone and control room outputs.
This signal is taken from the MAIN bus - MAIN OUTPUT LEVEL CONTROL
Controls the level of the MAIN output


LVB REAR PANEL
- DCPOWERINPUT
Conned only the included power adapter to this input - POWERSWITCH
Switches power on/off to the mixer

BLUETOOTH® PAIRING, TROUBLESHOOTING
LED STATE AND BLUETOOTH STATUS
- LED is Off – Bluetooth is off
- LED is Blinking – Bluetooth is ready to pair
- LED is solidly lit – Bluetooth is actively paired with a source device
If the pair LED is in an off state, press the LVB’s BLUETOOTH PAIR button lo initialize Bluetooth and activate pairing mode (the pair LED will start blinking). Scan for available Bluetooth devices on your phone, toblet or PC. Locate and seled “Harbinger Mixer” to activate pairing. When actively paired, the LVB’s pair LED will become solidly lit.
If another device is already actively paired press the PAIR button to clear the active pairing.
Pressing and holding PAIR disables Bluetooth.
These steps should resolve any Bluetooth trouble you may connection
On your Apple iOS device
- Power off the LV8 and leave it off
- Open Settings app, select Bluetooth
- If “Harbinger Mixer• is listed under MY DEVICES, touch info button, tap to Forget This Device
- Turn off Bluetooth, wait 10 seconds, turn on Bluetooth
On your Android device
- Power off the LV8 and leave it off
- Open Settings, select Bluetooth
- If “Harbinger Mixer• is listed under Paired Devices, touch gear lean, and top to Unpair
- Turn off Bluetooth, wait 10 seconds, turn on Bluetooth
Then power on your LV8 and press PAIR (the pair LED should Rash)
You should now be able to connect to LV8 via Bluetooth
APPENDIX
MICROPHONE INPUT (MIC)
- This XLR combo connector will accept virtually any professional microphone. It is designed Far microphone and line level signals on either XLR
or 1/4 cables. - Some microphones, mostly condenser mikes, need phantom power to operate. Switch on 48V phantom power. If you’re unsure if your mic needs phantom power, check. the instructions or the manufacturer’s website Far information. Phantom power should not hurt most microphones, except Far very old or damaged ribbon microphones
- For live microphone use (where the microphone signal is amplified through a PA system) engaging the H PF (high-pass filter) is recommended for reducing “boominess” And maintaining clarity in the microphone signal.
Use the microphone preamp’s goin control [explained below) to bring the microphone up to a high enough level to use with the mixer.
LINE INPUT (LINE)
- This 1/A” input is designed For line-level signals. It accepts either balanced [TRS) or unbalanced (TS) cables. The level of this input is also controlled
by the gain control, explained below. - Do not use both the microphone and line inputs on the some channel.The mixer will distort ond the noise level will go up
- The line input is not designed to accept an instrument Level signal, such as the output from an electric or acoustic guitar or bass. If you want to plug your instrument into the mixer, we suggest a direct box (also called o DI box). Plug your instrument into the direct box. then plug the output of the direct box into the microphone input of the mixer.
GUITAR/BASS
- Passive guitar or bass signals tend to have the best sound and sensitivity when they ore connected too high impedance input (similar to what you would find on a guitar or bass amp). When connecting a passive guitar or bass signal to CH 314, engaging the GUITAR HI-Z switch is recommended. It is possible to connect 2 guitar signals to CH 314 simultaneously. When both inputs are used, the signals will be hardpanned left and right. If you wish to have both guitars panned to the
center so thot they project from both speakers in PA setup, press the MONO button next to the MAIN level control. - If connecting on active acoustic guitar signal to CH l or CH 2, engaging the HPF is recommended for rolling-off “boominess”.
GAIN
- Gain controls the level of the microphone or line level signal plugged into the mixer. If the gain is set too low, the output signal will be noisy when you tum it up at the level control. If goin is set too high, it will distort.
- For best performance, set the gain while looking at the meters. Tum the Level control so that it’s lacing straight up. Then tum the gain up until you see the first or second lights on the meters. Don’t set it too high – although you might not hear distortion when playing by itself, when all of the channels are playing at that level they may odd together and distort the mixer.
Sidebar: “Why are there two volume controls?”
- The Gain and Level controls works together to get the best performance out of the mixer. A quiet signal may need more gain than a loud guitar amp going into a sensitive microphone. Set the gain so that the level on each channel is roughly the same, then use the Level controls to set the balance that you want in your mix.
GAIN STAGING
- Gain staging involves setting the serial amplification stages of an audio signal in a way that achieves the best signal-to-noise ratio. Improper gain staging can result in more background noise, less clarity and lower sound system efficiency. II your mixer is connected to a FOH amplifier or powered speakers, you will need to first set the level of these Far an appropriate audience listening level.
- To set your FOH amplifier or powered speaker level, connect a full range line-level music source to your mixer and set the peal. level on the channel meters somewhere between -6dB and OdB. Set your main output level to zero/unity and slowly bring up the amplifier or powered specie.er levels to a volume that makes sense for the venue
- With this main output level set, you con move on to setting levels for the individual inputs. Sta rt with gain and channel level controls at their minimum positions. For microphone signals, while speaking or singing into the connected microphone, slowly bring up the channel GAIN control until only the loudest input briefly triggers the channel CLIP indicator LED. Reduce the GAIN control slightly from this level. With the main output level control set to zero/ unity, continue speaking or singing into the connected microphone and slowly bring up the channel LEVEL to the desired listening level. Follow this process for any microphone signals. When setting relative levels between channels, best practice is to reduce levels of signals that ore too loud, working subtractively.

The high EQ control is a shelving EQ. What this means is that it boosts or cuts from l Ole.Hz and everything above that. Turn it up to bring out the breath of a vocal or the high overtones of the cymbals. Turn it down to reduce finger squeals on a guitar or boss.
The high EQ control is a shelving EQ. What this means is that it boosts or cuts from 121c.Hz and everything above that. Turn it up to bring out the breath of a vocal or the high overtones of the cymbals.
Turn ii down to reduce finger squeaks on a guitar or boss.

- The mid EQ is a peaking EQ, centered at 2.5kHz. This boosts or cuts the high midrange of your signal. You might turn it up if your vocal isn’t cutting through the mix, or tum it down if a percussion part is too harsh.
- This low EQ boosts or cuts everything from 1 OOHz or below. You might bring it up for more bantam out of your kick or boss guitar, and tum it down to reduce rumble from a vocal or wind instrument.
LV8 SPECIFICATIONS
| Parameter | Condition LV8 | |
| Frequency Response | Mic Inlo Main Out (Trim at O db} | 20 Hz – 22 kHz |
| THD | Mic In lo Main Out (20Hz lo 20 kHz) | 0.008% |
| Preamp Noise (EINI | 20 Hzto 20 kHz, [ 150 ohm sources} | – 127dB |
| Residual Output Naise | All level controls@ minimum | -9ldB |
| Common Mode Rejection Ratio (CMRR} | Maximum Gain | >74dB @ 1 kHz |
| Crosstalk | Adjacent Channels | -85dB |
| Same channel (stereo separation) | -BldB | |
| Input Gain Cantrel Range | +15dB lo +63 dB | |
| Phantom Power | DC | +/-4BV |
|
Equalization | Mono Channel,High | ±12dB@ 10 kHz |
| Mono Channel,Mid | ±15dB@ 2.5 kHz | |
| Mono Channel,Low | ±12dB@ lOOHz | |
| Output Level | Maximum | +22 dBu |
|
Maximum Input Levels | Mic | +6dBu [with -26dB PAD} |
| Line Input | +21dBu at Unity Gain | |
| Aux Input | +6dBu at 15dB Level max | |
|
Input Impedance | Mic | 21en, balanced |
| Line Input | 1Olen,balanced | |
| Aux Input | 1Olen,balanced | |
|
Output Impedance | Main | 120’2 |
| Control Roam, Rec Out | 12on | |
| Headphones | 10on | |
| VU Meters | 4 Segments | Cl p [+18), +5, +3, -6,- 10 dB |
| AC Power Requirements | 3-pin miniXLR connector | ±15VDC @ 500 mA |
| Dimensions | Lx W x H [shown in Inches) | 9.13.L x 7.63.W x 2.38.H |
| Weight {natl | Without PSU | 2.5 lbs |
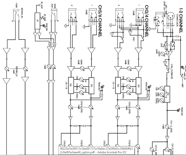
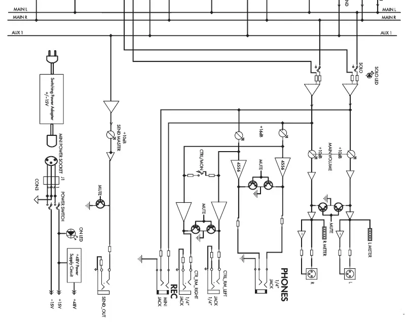
LV8 BLOCK DIAGRAM


GLOSSARY OF TERMS
- BALANCED
A 3- conductor (including shield), low impedance connection. Balanced cables are the preferred method for hum-free interconnection at a sound system for their nois&n1jedion characteristics.
(Also see Unbalanced.) - BUSS
An output destination in a mixer. Far example, the left and right main outputs are ca lied busses, becau58 you can send a channel to one or both of them. Also spelled Bus - CHANNEL
One of any number of signal paths in an audio circuit, such as input channel, output channel, recording channel, left channel, right channel, etc. - DECIBEL (DB)
A term representing the ratio between different audio levels. It can either refer to the electrical signal running through o channel or the acoustic sound level coming from a sound source. - EQUALIZATION
Electronic filters that adjust the level of certain frequencies. Used for tone enhancement or to reduce extraneous sounds. Two types of EQ shapes are Peale and Shelving, described below. - HI-Z (HIGH IMPEDANCE)
In the audio equipment realm, the term “Hi-Z” or •High-Impedance” generally refers to inputs designed for passive guitar or boss signals ( 1 Mil or thereabouts). - HPF (HIGH-PASS FILTER)
An electronic filter that passes signals with a frequency higher than o specific cutoff frequency and attenuates signals with frequencies lower than the cutoff frequency. - IMPEDANCE
Resistance in an electrical circuit measured in Ohms (‘1). Maintaining proper impedance (between amplifier and speakers for example is important to prevent damage to the amp. - 4BV PHANTOM POWER
A voltage signal that runs through a microphone cable to power condenser microphones. Harmless to microphones that don’t need it, except for very old and/ or damaged ribbon microphones. - SHELVING EQUALIZER CONTROL
lncrea58 or decrease of all frequencies above or below a specific point.
(Compare to Peale. Equalizer Control; see pages 8-9 for more information. - TRS
Acronym For Tip-Ring-Sleeve – the three parts of a three-conductor (including shield} audio plug. TRS phone plugs are often used for “balanced” mono connections or stereo “unbalanced” (head-phone) connections. - TS
Acronym for Tip-Sleeve, the two parts of on unbalanced, two-conductor (including shield) phone plug. TS connectors are sometimes called mono or unbalanced plugs or jacks - UNBALANCED
A two-conductor (including shield high impedance connection. These are most commonly used for instrument connections and cable runs of less than 20 Feet. - XLR
The three-pin connector is universally used For balanced audio connections. A balanced connection reduces outside noise and interference.
(See Balanced above.)
CABLE DIAGRAMS


IMPORTANT SAFETY INSTRUCTIONS
Please keep this instruction manual for future reference and for the duration of owning the LV5 mixer. Please carefully read and understand the instructions inside this owner’s manual before attempting to operate your new mixer.
This instruction manual includes essential safety information regarding the use and maintenance of the mixer. Take special care to heed all warning symbols and signs inside this manual and those printed on the bottom of the mixer.
WARNING
TO PREVENT FIRE OR SHOCK HAZARDS, DO NOT EXPOSE THE PRODUCT TO WATER/MOISTURE, NOR SHOULD YOU OPERATE THE PRODUCT NEAR ANY WATER SOURCE.
The exclamation point triangular 5Ymbol is intended to alert the user to the presence of important operating and maintenance(servicing) instructions in the user manual accompanying the product.
The lightning Rash With an arrow triangular symbol is intended to alert the user to the presence of non-insulated dangerous voltage” within the product’s enclosure and may be of sufficient magnitude to constitute a risk cf electric shock.
WARNING
Handle the power supply cord with care.
Do not damage or deform ii as it may cause electric shock or malfunction when used. Hold the plug attachment when removing from wall outlet. Do not pull on the power cord.
IMPORTANT SAFETY PRECAUTIONS
- READ INSTRUCTIONS – All the safety and operating instructions should be read before this product is operated.
- RETAIN INSTRUCTIONS – The safety and operating instructions should be retained For future reference.
- HEED WARNINGS – All warnings on the product and in the operating instructions should be adhered to.
- FOLLOW INSTRUCTIONS – All operating and use instructions should be followed.
- DO NOT turn on the product module before connecting all other external devices.
- WATER AND MOISTURE – Moisture can damage the product and can cause corrosion of electrical contacts. The system should not be used near water – for example, a bathtub, washbowl, kitchen sink, laundry tub, wet basement, or near a swimming pool, and the like.
- HEAT – The product should be situated away from heat sources such as radiators, heat registers, stoves, or other sources (including amplifiers) that produce heat.
- POWER SOURCES – This product should be operated only from the type of power source indicated on the rating label. If you are not sure of the type of power supply to your home, consult your product dealer or local power company.
- GROUNDING OR POLARIZATION – Do not defeat the safety purpose of the polarization or grounding-type plug. The wide blade or the third prong is provided for your solely. If the provided plug does not fit your outlet, consult an electrician for the replacement of the obsolete outlet. Do not defeat the safety purpose of the 3rd pin grounding prong.
- POWER-CORD PROTECTION – Power-supply cords should be routed so that they are not likely to be walked on or pinched by items placed upon or against them, paying particular attention to the cord in correspondence of plugs, convenience receptacles, o nd the point where they exit from the product.
- CLEANING – The product should be cleaned only as recommended by the manufacturer. Clean by wiping with a dry cloth. Avoid getting water inside the product.
- NON-USE PERIODS – The power cord of the product should be unplugged from the outlet when left unused for a long period of time.
- OBJECT AND LIQUID ENTRY – Care should be taken so that objects do not fall and liquids ore not spilled into the enclosure through openings.
- DAMAGE REQUIRING SERVICE – The product should be serviced by qualified service personnel when;
A. The power supply cord or the plug has been damaged; or
B. Objects have fallen, or liquid has been spilled into the product; or
C. The product has been exposed to rain; or
D. The product does not appear to operate normally or exhibits a marked change in performance; or
E. The product has been dropped, or the enclosure damaged. - Keep the product out of extended or intense direct sun light.
- No containers filled with any type of liquid should be placed on or near the product.
- SERVICING – The user should not attempt any service to the product beyond that described in the operating instructions. All other servicing should be referred to qualified service personnel.
- VENTILATION – Slots and openings in the product are provided for ventilation and to ensure reliable operation of the product and to protect it from overheating. These openings must not be blocked or covered. The openings should never be blocked by placing the product on a bed, sofo, rug, or other similar surplice. This product should not be placed in a built-in installation such as a bookcase or rack.
- ATTACHMENTS – do not use attachments not recommended by the product manufacturer, as they may cause hazards.
- ACCESSORIES – Do not place this product on an unstable cart, stand, tripod, bracket, or table. The product may fall, causing serious injury to a child or adult, and serious damage lo the product. Use only with a cart, stand, tripod, bracket, or table recommended by the manufacturer, or sold with the product.
- LIGHTNING – For added protection during a lightning storm, or when it is left unattended and unused for long periods of time, unplug it from the wall outlet. This will prevent damage to the product due to lightning and power line surges.
- REPLACEMENT PARTS – When replacement parts are required,
be sure the service technician has used replacement parts specified by the manufacturer or have the same characteristics as the original part. Unauthorized substitutions may result in fire, electric shock, or other hazards. - SAFETY CHECK – Upon completion of any service or repairs to this product, ask to perform safety checks to determine that the product is in the service technician to perform safety checks to determine that the product is in proper operating condition.
To prevent electric shock, or another outlet unless the do not use a polarized plug With on extension cord, receptacle blades con be fully inserted to prevent blade exposure.
CAUTION: To reduce the risk of electric shock, do not remove the chassis. No user-serviceable parts inside. Refer servicing to qualified service personnel.





















