
HR150, 200; ER150, 200
Fresh Air Ventilation System
PRODUCT DATA
This is a legacy product document supported by Resideo. This product is no longer manufactured.

APPLICATION
The HR150 and HR200 Fresh Air Ventilation Systems provide proper levels of ventilation with energy savings by transferring heat between the exhaust and fresh air streams.
The ER150 and ER200 Fresh Air Ventilation Systems provide proper levels of ventilation with energy savings by transferring heat and moisture between the exhaust and fresh air streams.
FEATURES
- Low voltage, high-speed override.
- Integral balancing dampers for quick installation.
- Provides ventilation that helps contractors meet ASHRAE 62-89.
- 4-speed fan control.
- Automatic, economical built-in frost control for the operation to design temperatures of -40°F (-40°C).
- HR150 and HR200 models have an easy-to-clean
aluminum cross-flow core. - ER150 and ER200 models have an advanced enthalpy
heat and moisture recovery fixed core. - Includes vibration isolation hardware and duct collars.
- Insulated cabinet made of rugged steel.
- Permanent (washable) prefilters.
- Quiet operation.
- Digital fan timer option on all models.

SPECIFICATIONS
IMPORTANT
The specifications given in this publication do not include normal manufacturing tolerances. Therefore, this unit might not exactly match the listed specifications.
Also, this product is tested and calibrated under closely controlled conditions, and some minor differences in performance can be expected if those conditions are changed.
Models Available:
HR150, HR200 Fresh Air Ventilation Systems: Includes heat transfer core, prefilters, fan, and blower assembly, and frost control.
HR150B: 150 cfm, aluminum core, manual control, and frost control.
HR200B: 200 cfm, aluminum crossflow core, manual control, and frost control.
ER150B: 150 cfm, moisture-transferring core, manual control, and frost control.
ER200B: 200 cfm, moisture-transferring core, manual control, and frost control.
Color: White
Electrical Ratings:
Power Rating: 120 Vac, 60 Hz
Consumption:
| Mode | Nominal Current (Amps) | |
| HR150/ER150 | HR200/ER200 | |
| Minimum speed | 0.7 | 0.8 |
| Maximum speed | 2. | 2. |
Mounting:
Mounts in conditioned space such as a basement, utility room, hallway or closet. Can also be mounted in a conditioned attic space.
Approvals:
Home Ventilation Institute (HVI): Certified.
Canadian Standards Association: Approved.
ETL: Certified to UL1812.
Installed Weight:
HR150/HR200: 70 lb (32 kg).
ER150/ER200: 70 lb (32 kg).
HVI Certifier Ventilation Performance: See Fig. 1.
Dimensions: See Fig. 2 and 3.
Accessories:
See the HR Accessory Items Parts List that follows the
Troubleshooting Guide.
HR150, HR200
Maximum Temperature Recovery: 80%.
Sensible Efficiency (Performance per CAN/CSA-C439-88):
Low Speed at 32°F (0°C): 68%.
High Speed at 32°F (0°C): 62%.
Low Speed at -13°F (-25°C): 60%.
ER150, ER200
Sensible Efficiency (Performance per CAN/CSA-C439-88):
110 cfm at 61°F (16°C): 79%.
Moisture Transfer Ratio: 26%.
ORDERING INFORMATION
When purchasing replacement and modernization products from your Total Comfort System wholesaler or distributor, refer to the Total Comfort System catalog or price sheets for complete ordering number.
If you have additional questions, need further information, or would like to comment on our products or services, please write or phone:
Unitary Product Group Consumer Relations
5005 York Drive
Norman, OK 73069
Phone: (877) 874-7378



PLANNING THE INSTALLATION
Application
The Fresh Air Ventilation System is designed to supply fresh air and exhaust stale air. The system draws fresh outdoor air through the ventilator for distribution throughout the house.
Stale air is exhausted through the ventilator and to the outdoors. Heat is transferred from one airstream to the other as the air passes through the opposite sides of the heat transfer core. See Fig. 4.

Sizing
There are several methods that can provide satisfactory results for sizing a ventilator to provide adequate ventilation for a home. The ASHRAE Standard 62-1989 Ventilation for Acceptable Indoor Air Quality suggests the following:
– .35 air changes per hour (ach) but not less than 15 cfm per person for living areas = house size (sq ft) • ceiling height (ft) / 60 (min)- .35 (ach)
Example:
= 2000 sq ft – 8 ft / 60 min -.35 ach = 93 cfm
– 50 cfm intermittent or 20 cfm continuous capacity for bathrooms
Example:
50 cfm intermittent – 3 bathrooms = 150 cfm
20 cfm continuous – 3 bathrooms = 60 cfm
– 100 cfm intermittent or 25 cfm continuous capacity for kitchens
Example:
100 cfm intermittent – 1 kitchen = 100 cfm
25 cfm continuous – 1 kitchen = 25 cfm
Option 1: Fresh Air Ventilation System provides continuous fresh air supply of 93 cfm, and intermittent capacity for bathrooms of 150 cfm. A separate 100 cfm exhaust fan is used for the range hood.
Supply airflow required = 93 cfm
Exhaust airflow required = 150 cfm
Any Total Comfort System ventilation unit provides suitable ventilation capacity. See Fig. 1.
Option 2: Fresh Air Ventilation System provides a continuous fresh air supply of 93 cfm, intermittent exhaust capacity for bathrooms of 150 cfm, and continuous kitchen ventilation of 50 cfm.
Supply airflow required = 93 cfm
Exhaust air flow required = 200 cfm
Total Comfort System HR200/ER200 have the exhaust capacity required to meet the ventilation needs of this application. See Fig. 1.
Mounting Position and Location
The HR150/ER150 and HR200/ER200 can be suspended from exposed ceiling joists or the ceiling surface, or floor mounted. The ventilator must be level for the drains to function properly.
- Locate the fresh air intake 6 ft (2m) or more from the stale air exhaust to avoid re-entry of the exhaust air.
- Locate the ventilator where the length of ducting required is minimal.
Install the HR150/ER150 and HR200/ER200 in a conditioned space using these guidelines: - Pipe the drain line from the ventilator to a drain.
- Use an existing electrical outlet with the appropriate
current rating (or install one) close to the ventilator power cord. - Allow space for the drain line by placing the ventilator at least 10 in. (254 mm) off the floor.
- For access and removal of the ventilator core, allow at least 25 in. (635 mm) of open space in front of the unit.
Ducting
Ducting between the ventilator and the outdoors must be insulated and have a continuous air vapor barrier. See Fig. 5.
IMPORTANT
All ducting to the outdoors must be terminated above anticipated snow lines and be fitted with a weather cap that incorporates bird screening.

Design and installation of ductwork must be in accordance with standard HVAC practice to deliver required quantities of fresh air to the temperature-controlled space and exhaust equivalent quantities of room air to the outside.
Keep intake and exhaust duct runs as short as possible with few bends or elbows.
- Keep duct sizes as large as possible throughout the installation.
- Use a 6 in. diameter round duct for all connections to and from the ventilator.
- Separate outside intake and exhaust vents by at least 6 ft (2m).
NOTES:
- Do not locate the fresh air vent where it blows directly onto occupants or the thermostat.
- Do not locate the fresh air intake close to known sources of pollutants such as automobile exhaust, a dryer vent or chimney smoke.
- Ducting the supply outlet and/or the exhaust inlet of the ventilator to the return air plenum of the air handler is an excellent way to distribute fresh air and exhaust stale air from all parts of the house, while reducing installation costs. When choosing this method, balance the ventilator when the air handler is running and interlock the ventilator so that it can run only when the air handler runs. See Fig. 6. An alternate method is to balance the ventilator when the air handler is not running and let the ventilator run whether the air handler is running or not, see Fig. 7. An independent installation is shown in Fig. 8.
NOTE: When the home is occupied, continuous operation of the ventilator is recommended. When the furnace air handler operates, fresh air is distributed through the heating/air conditioning supply registers. When the air handler is off, fresh air is delivered through both
supplies and returns.
- An electrical interlock or an automatically powered damper must be used to prevent unwanted entry of outside air if the ventilator is turned off while the furnace air handler continues to operate.

M20854
Fig. 5. Direct connection of supply air stream to furnace cold air return for HRV/ERV.
NOTES:
- FURNACE BLOWER NEED NOT OPERATE TO PROVIDE GOOD AIR DISTRIBUTION/QUALITY WITH THIS SYSTEM.
- IF FURNACE BLOWER OPERATION IS REQUIRED TO HELP DISTRIBUTE SUPPLY AIR: RUN CONTINUOUSLY
OR INTERLINK ELECTRICALLY (LOW VOLTAGE). - NO SEPARATION REQUIREMENTS ARE NECESSARY BETWEEN THE DIRECT CONNECTION POINT AND THE FURNACE.
- WEATHER-HOOD ARRANGEMENT IS FOR DRAWING ONLY. 6 FT (2m) MINIMUM SEPARATION REQUIRED,
18 IN. (0.46m) ABOVE GRADE MINIMUM.

Fig. 6. Direct connection of ventilator supply air stream and exhaust air stream to furnace cold air return.
NOTES:
- A FURNACE BLOWER IS REQUIRED TO OPERATE WHEN VENTILATION IS REQUIRED.
SET THE FURNACE BLOWER TO RUN CONTINUOUSLY, OR INTERLINK ELECTRICALLY (LOW VOLTAGE). - MINIMUM SEPARATION OF 40 IN. IS REQUIRED BETWEEN THE TWO DIRECT CONNECTIONS.
- EXHAUST AIR CONNECTION SHOULD BE UPSTREAM OF THE SUPPLY AIR CONNECTION TO PREVENT EXHAUSTING ANY FRESH AIR.
- WEATHER-HOOD ARRANGEMENT IS FOR DRAWING ONLY. 6 FT. (2 m) MINIMUM SEPARATION REQUIRED, 18 IN. (0.46m) ABOVE GRADE MINIMUM.

Balancing Airflow
Balancing the airflow verifies that the Fresh Air Ventilation System is delivering the intended airflow and energy performance. Use the Airflow Balancing instructions in the Installation section to check and balance the airflow.
Controls
Remote Override Switch Functions On/Off Control
If continuous ventilation is not required, an on/off control can be used to activate the ventilator when it is switched to Standby. Controls that can be used for this function include dehumidistats, timers, and wall switches. If moisture control in bathrooms is a primary function of the system, a dehumidistat can be used to switch the ventilator from a Low or Standby setting to a High setting. Moisture removal throughout the entire home can only be achieved when the outside air contains less moisture than the inside air (typically during cold
weather conditions).
Digital Fan Timer
The ventilator controls are compatible with the Digital Fan Timer. If more than one timer is activated, each runs independently with the ventilator running at high speed until all timers have timed out. Up to four timers can be installed in a system. For complete instructions on the operation of the Digital Fan Timer, refer to the instructions packed with the timer.
Moisture Control
When a building is new, there is excess moisture in the wood, plaster, cement, and other construction materials. When the new building is occupied, the activities of the occupants also increase the moisture level. There can also be high levels of formaldehyde and other chemicals that were used in the building materials. Running the ventilation system at a high speed provides optimum indoor air pollutant reduction. High speed also provides maximum moisture removal when the outside air contains less moisture than the inside air.
(Typically during cold weather conditions.)
Operating Damper Frost Control
Some models have an electronically-controlled damper frost control mechanism. When the outside temperature drops below 27°F (-3°C), the defrost timer is activated. At the end of the 17-minute run cycle, when the core can experience some nominal frost buildup, the timer activates a motor-driven damper door that simultaneously opens the defrost port and closes off the supply airport.
INSTALLATION
When Installing this Product…
- Read these instructions carefully. Failure to follow these instructions could damage the product or cause a hazardous condition.
- Check the ratings on the product to make sure the product is suitable for your application.
- The installer must be a trained, experienced service technician.
- After installation is complete, check out product operation as provided in these instructions.
CAUTION
Electrical Shock Hazard.
Can cause personal injury or equipment damage.
Disconnect power supply to prevent electrical shock or equipment damage.
Unpacking Fresh Air Ventilation System
Check that all the components are included. The Fresh Air Ventilation System is shipped assembled. The carton contains the following:
- Fresh Air Ventilation System.
- Vibration isolation straps (4).
- Drain fittings (2) and T fitting (1).
- Literature package.
Except for the mounting hardware and drain fittings, the ventilator is ready for installation. Wiring, drain connections and ducting are required to complete the installation.
Mounting
Suspended from Floor Joists
- Mount the four vibration isolation straps (provided) to the side of the ventilator using the mounting screws located on the cabinet. See Fig. 2 and 3.
- Securely fasten the other ends of the straps to the floor joists with wide-head nails (not supplied), making sure the unit is level. The straps are designed to reduce noise, resonance or harmonics; therefore, using the full length of the strap between the ventilator and the floor joists is recommended.
NOTE: Removal of the door and core reduces the weight of the ventilator, making it easier to lift into place.
Floor Mounting
The mounting hardware included is not needed for floor mounting.
- Use 2 x 4 in. wood pieces to build a frame to support the ventilator along the bottom edge. The frame must hold the ventilator at least 10 in. up from the floor to allow clearance for the drain line.
- Set the frame back approximately 2 in. from the front edge to avoid interference with the hinged door.
- Place the ventilator on the frame. Secure the ventilator to the frame using screws and a strip of wood or metal; screw into the sidewalls of the ventilator within 1 in. of the bottom.
- Connect the drain lines to a drain; see Installing Drain Line and P-Trap section.
- Connect the ventilator to the ducts.
Installing Drain Line and P-Trap
There are two holes at the bottom of the ventilator for the drain pan connectors.
- Insert the connectors through the hole in the drain pan and the bottom of the unit.
- Place the washer and nut on the connector.
- Hand tighten the nut. See Fig. 9.

Construct a P-trap using the plastic T-fitting provided.
- Cut two lengths of 1/2 in. ID hose and connect each drain fitting to the end of the T-fitting.
- Position the center leg of the T-fitting so it points upward.
- Connect the drain line to the center leg and tape it in place to prevent any kinks. See Fig. 10.

WIRING
CAUTIONElectrical Shock Hazard.
Can cause personal injury.
Be sure the ventilator is properly grounded. To prevent electric shock when cleaning or servicing the unit, confirm the polarity of the power line that is switched by the safety (disconnect) switch.
The hot line (black) is the proper line to be switched. See Fig. 11. To confirm the proper polarity, use a voltmeter or test lamp to make sure there is no power after the switch when the door is open. Check between that point and ground (on the cabinet). This process must be done because occasionally some dwellings are improperly wired.
Recovery Ventilator (ERV) Connections
The connector is a 3-prong, 120 Vac plug with ground. If further wiring is required, Honeywell recommends that a licensed electrician make all electrical connections. It is very important that the unit be properly grounded.
CAUTIONElectrical Hazard.
Can cause equipment damage.
Disconnect HRV/ERV from the power source before connecting or disconnecting digital fan timer or another device to HRV/ERV high-speed override terminals.
IMPORTANTDo not connect external power sources to the high-speed override terminals.
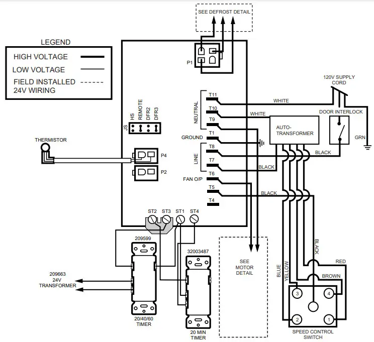
Mount the digital fan timer in a full or one-half-depth electrical box in the living space. See Fig. 11 for the 20-minute timer and the 20/40/60 minute timer wiring diagrams. (See accessory parts list, items 9 through 11, for digital fan timer selection.)


Airflow Balancing
Volume-balanced airflow in the ventilator is required. The volume of outside air brought in must equal the volume of air the unit exhausts. If the airflow is not correctly balanced:
- the unit does not operate at its maximum efficiency.
- negative or positive air pressure can occur in the house.
- the unit will not defrost properly.
- warranty can be voided.
Excessive positive pressure can drive moist indoor air into building external walls where it can condense (in cold weather) and degrade structural components. Moist indoor air can also cause keyholes to freeze.
Excessive negative pressure can have several undesirable side effects; in some geographic locations, soil gases such as methane and radon can be drawn into the home through basement/ground contact areas. Excessive negative pressure can also cause back drafting of vented combustion equipment when adequate combustion air supply is not provided.
Balancing Procedure
Six-inch (150 mm) diameter flow collars connected to the inclined or digital manometer, or Magnehelic, with a range of 0 to.25 in.
(0 to 62.5 Pa) of water are recommended for accurate airflow measurements. To avoid airflow turbulence and incorrect readings, flow stations should be located at a distant point of at least five duct diameters; for example, 6 in. (150 mm) duct requires five diameters x 6 in. (150 mm) = 30 in. (76 cm) from nearest valve or flow restriction. This requirement applies to both stale air to exchanger duct and fresh air to house duct.
Before balancing, make sure:
- all sealing of the ductwork system is completed.
- all of the ventilator system components are in place and functioning properly.
- balancing dampers are fully open.
- unit is on High speed.
- airflows in branch lines to specific areas of the house are adjusted before balancing the unit. (A smoke pencil used at the grilles is a good indicator of relative airflow for each branch line.)
After taking readings in stale air and fresh air ducts, duct with lower cfm (L/s) velocity reading should remain as is, while duct with higher reading should be dampened back to match lower reading. See Fig. 12.
Return unit to appropriate fan speed for normal operation.
STARTUP AND CHECKOUT
After installation is complete, check to be sure the system is working correctly. On units with microprocessor control, select ventilation speed by touching fan control pad on the base module until the desired speed is indicated. On units with manual control, turn the speed selection knob to the desired speed. Activate two-wire control devices in the system to make sure devices switch ventilator to High speed. For operating instructions, see instructions packed with a digital fan timer. Leave instructions with homeowner.

SERVICE
CAUTION
Electrical Shock Hazard.
Can cause personal injury or equipment damage.
Disconnect power to unit before starting maintenance.
For maximum efficiency, the Fresh Air Ventilation System must be maintained on a regular basis. Total Comfort System recommends checking and cleaning at least twice a year, preferably at the beginning of each heating and cooling season.
Cleaning Filters and Core
HR150 AND HR200 MODELS
Remove the room air filter, fresh air filter, and heat transfer core from the ventilator as a unit.
- Open ventilator door by loosening draw latches on top of the unit and swinging the door open. For easier access, remove the door by moving it right to disengage hinges.
- Carefully grip ends of the core, (be careful not to damage aluminum fins); then pull evenly outward. The core fits tightly but slides out of channels.
- Once the core is removed, filters can be removed by removing clips holding them in place. Note clip installation for reassembly.
- Wash the filters and the core in warm soapy water. Do not wash them in a dishwasher.
- Place the clean filter (wet or dry) over the core and secure it in place with the clips.
- Reinstall the core by sliding it into the four corner channels. (Water cannot damage gasket and label on core end, so it is not necessary to remove them from the core.)
ER150 AND ER200 MODELS
- Open the access door, carefully grip core ends, and pull it out evenly. The core fits tightly but slides out of the cabinet.
- Remove filter clip, remove filters from the core and rinse filters with water or a combination of soap and water. Do not clean in a dishwasher.
- With filters removed, clean the core with a vacuum cleaner.
Vacuum only filters sides of core to pull dirt back out of the core and not through it. - Reinstall the clean filter and reattach the retaining clip.
- Reinstall clean core.
Inspecting Exterior Hoods
Inspect exterior hoods at least monthly. Be sure exhaust and fresh air supply hoods are not blocked or restricted by leaves, grass or snow. In winter, be sure snow does not block hoods and frost does not accumulate on the wire mesh bird screen.
IMPORTANT
Blocked hoods can cause house/building pressure change that can lead to possible combustion product spillage from heating appliances.
TROUBLESHOOTING
See Table 1.
Table 1. Troubleshooting Guide.
| Symptom | Cause | Solution |
| Poor airflow | •Plugged outside hood 1/4 in. (6 mm) mesh. | •Clean exterior hoods or vents |
| •Filters plugged. | •Remove and clean the filter. | |
| •Core obstructed. | •Remove and clean core. | |
| •House grilles closed or blocked. | •Check and open wiles. | |
| •Dampers (if installed) are closed. | •Open and adjust dampers | |
| •Poor power supply at site. | •Have electrician check supply voltage at house | |
| •Ductwork is restricting airflow. | •Check duct installation. | |
| •Improper speed control setting. | •Increase speed of ventilator. | |
| •Ventdator airflow improperly balanced. | •Have contractor balance ventilator airflow. | |
| Supply air feels cold | •Poor location of supply grilles. airflow can ini- tate the occupant. | •Locate grilles high on walls or under baseboards: install ceding-mounted diffuser or grilles to avoid blowing directly on occupants (example: over a sofa). |
| •Outdoor temperature is extremely cold. | •Turn down ventilator supply speed. Use a small duct heater (1kW to temper the supply air. •Placement of furniture or closed doors is restricting the movement of air in the home. •If supply air is ducted in furnace return. run furnace fan continuously to distribute ventilation air comfortably. | |
| Dehumidistat is not operating | •Incorrect connection to external 24-volt control. •Staple/nail is shorting out external low voltage. | •Check that correct wires were used. •Check external wiring for a short |
| •Check dehumidistat setting: it could be at Off. | •Set dehumidistat at the desired setting. | |
| Humidity levels are too high: condensation appears on windows | •Dehumidistat is set too Nigh. | •Set dehumidistat lower. |
| •Undersized ventilator (hot tub. indoor pool. etc) | •Cover pools and hot tubs when not in use. | |
| •Lifestyle of occupants. | •Avoid hanging clothes to dry. storing wood and venting clothes dryer inside. Consider moving wood outside. | |
| •Moisture coming into the home from crawl space not vented or heated. | •Vent crawl space and place vapor barrier on the floor of crawl space. | |
| •Moisture is remaining in the bathroom and kitchen areas. | •Size bathroom ducts to remove moist air as effectively as possible: use the bathroom fan to remove additional moisture. | |
| •Condensation is forming in spring and fall. | •On humid days. as seasons change. condensation appears but air quality remains high with some ventilator use. | |
| •Ventilator speed is set too low. | •Inaease speed of ventilator. | |
| Humidity lev- els too km | •Dehumidistat control set too low. | •Set dehumidistat higher. |
| •Blower speed of ventilator is too high. | •Decrease ventilator blower speed. | |
| •Lifestyle of occupants. | •Increase humidity with humidifiers. | |
| •Ventilator airflow can be incorrectly balanced. | •Have a contractor balance ventilator airflow. | |
| Ventilator and/ or ducts have frost buildup | •Ventilator airflow is incorrectly balanced. | NOTE: Minimal frost build-up is expected on cores before unit initiates defrost cycle functions. •Check operation of dampers in exhaust vent damper vanes may be held open or damaged. •Have HVAC contractor balance ventilator. |
| •Malfunction of ventilator defrosts system. | •Have HVAC contractor check to defrost system. | |
| Condensation or ice buildup in the insulated duct to outside | •Incomplete vapor barrier around the insulated duct. | •Tape and seal al joints. •Tape any hole or tears made in the outer duct covering. |
| . Hole or tear in outer duct covering. | •Ensure the vapor barrier is completely sealed. |
| Water in ventilator bottom | • Drain pans are plugged. • Improper connection of ventilator drain lines. | • Ensure 0-ring on drain nozzle adjusted correctly. • Look for kinks in line. |
| • Ventilator is not level. | • Level ventilator. | |
| • Drain lines are obstructed. | • Check water drain connections. | |
| • Ventilator heat exchange not correctly installed. | • Make sure water drains correctly from pan. |
PARTS LIST
HR Parts List
| Item Number (Fig. 13) | Part Number for | Description | |
| HR150I3 | HR200B | ||
| 1 | 209746 | 209746 | Heat Transfer Core. Aluminum with Plastic Frame |
| 2 | 208359 | 208359 | Blower Motor |
| 3 | 208504 | 208508 | Top Blower Wheel (Clockwise) |
| 4 | 208505 | 208505 | Top Blower Housing (Clockwise) |
| 5 | 208506 | 208688 | Bottom Blower Wheel (Counterclockwise) |
| 6 | 208507 | 208507 | Bottom Blower Housing (Counterclockwise) |
| 7 | 209711 | 209711 | Motor Capacitor |
| 8 | 208509 | 208509 | Condensate Pan. Left or Right |
| 8 | — | — | Condensate Pan. Set |
| 9 | 209723 | 209723 | Foam Prefilter. Set of 2 |
| 10 | 209722 | 209722 | Clip for Foam Prefilter |
| 11 | — | — | Circuit Board for Damper Motor |
| 12 | 208514 | 208514 | Drain Spout |
| 13 | 208515 | 208515 | Drain ‘I” Fitting |
| 14 | 208516 | 208516 | Duct Collar. Red |
| 15 | 208517 | 208517 | Duct Collar. Blue |
| 16 | — | — | “FP Channel. 24-3/4 in. (Aluminum Core. Plastic Frame) |
| 16 | 209724 | 209724 | “FP Channel. 13-1/4 in. (Aluminum Core. Plastic Frame) |
| 17 | 208519 | 208519 | Door Hinge. Complete |
| 18 | 208520 | 208520 | Door Latch. Complete |
| 19 | 209715 | 209715 | Defrost Damper Motor, Power Return |
| 19 | — | — | Defrost Damper Motor, HR205 |
| 20 | 208522 | 208522 | Defrost Damper Door |
| 21 | 209720 | 209720 | Nylon Circuit Board Stand-Off |
| 22 | 208526 | 208526 | Speed Control Knob |
| 23 | 208383 | 208383 | Manual Speed Control. 5•Position |
| 24 | 209719 | 209719 | Manual Control Circuit Board |
| 25 | 208365 | 208365 | Thermistor Assembly |
| 26 | 208368 | 208368 | Door Interlock Switch |
| 27 | 208366 | 208366 | Door |
| 28 | 209718 | 209718 | Auto Transformer |
ER Parts List
| Item Number See Fig. 15 | Part Number for | Description | |
| ER1508 | ER200B | ||
| 1 | 32002074-001 | 32002074-001 | Cross Flow Enthalpy Core |
| 2 | 208359 | 208359 | Blower Motor |
| 3 | 208504 | 208508 | Top Blower Wheel (Clockwise) |
| 4 | 208505 | 208505 | Top Blower Housing (Clockwise) |
| 5 | 208506 | 208688 | Bottom Blower Wheel (Counterclockwise) |
| 6 | 208507 | 208507 | Bottom Blower Housing (Counterclockwise) |
| 7 | 209711 | 209711 | Motor Capacitor |
| 8 | 208509 | 208509 | Condensate Pan, Left or Right |
| 9 | 32002114-001 | 32002114-001 | Foam Prefilter. Set of two |
| 10 | 209722 | 209722 | Clip for Foam Prefilter |
| 12 | 208514 | 208514 | Drain Spout |
| 13 | 208515 | 208515 | Drain “T” Fitting |
| 14 | 208516 | 208516 | Duct Collar. Red |
| 15 | 208517 | 208517 | Duct Collar. Blue |
| 16 | 32002113-001 | 32002113-001 | Guide Channel. Set of four |
| 17 | 208519 | 208519 | Door Hinge. Complete |
| 18 | 208520 | 208520 | Door Latch. Complete |
| 19 | 209715 | 209715 | Defrost Damper Motor. Power Return |
| 20 | 208522 | 208522 | Defrost Damper Door |
| 21 | 209720 | 209720 | Nylon Circuit Board Stand-Off |
| 22 | 208526 | 208526 | Speed Control Knob |
| 23 | 208383 | 208383 | Manual Speed Control, 5-Position |
| 24 | 209719 | 209719 | Manual Control Circuit Board |
| 25 | 208365 | 208365 | Thermistor Assembly |
| 25 | 208381 | 208381 | Temperature Sensor. Snap Disk |
| 26 | 208368 | 208368 | Door Interlock Switch |
| 27 | 208366 | 208366 | Door |
| 28 | 209718 | 209718 | Auto Transformer |
Accessory Items Parts List Not Shown- All Models
| Item Number | Part Number | Description |
| 1 | 207975 | Ventilation Switch |
| 2 | 208378 | Ducting Elbow. 4 in.. plastic |
| 3 | 208373 | Diffuser-4 in. diameter |
| 4 | 208374 | Diffuser-5 in. diameter |
| 5 | 208375 | Diffuser-6 in. diameter |
| 6 | 208379 | Installation Parts Kit |
| 7 | 272813 | Flow Measuring Station-6 in. |
| 8 | 208372 | Airflow Balancing Kit |
| 9 | 209599 | Digital Fan Timer. 20/40/60 minute (requires 209663 Transformer). |
| 10 | 209663 | 24V Class II Transformer for use with 209599 Digital Fan Timer. Powers up to ten timers. |
| 11 | 32003487-001 | Digital Fan Timer. 20 minute (no transformer required). |
*Includes Magnehelic pressure gauge and two 6 in. flow measuring stations.


HR150, 200; ER150, 200 FRESH AIR VENTILATION SYSTEMS
Automation and Control Solutions
Honeywell
1985 Douglas Drive North
Golden Valley, MN 55422
Honeywell Limited-Honeywell LimitØe
35 Dynamic Drive
Scarborough, Ontario
M1V 4Z9
68-0269 G.H. 10-02
fi U.S. Registered Trademark
Copyright ‘ 2002 – All Rights Reserved

















