BIOCARE MEDICAL Decloaking Chamber NxGen Digital Programmable Pressure System
Overview 
- Model: DC2012*
- Power Requirements:
- 115V, 60Hz, 1000W
- Suitable for use in 220V, 50Hz countries with (Transformer part number DCA190)
- Dimensions:
- 14.2” W x 13.0” L x 13.5” H
- (361 x 330 x 343 mm)
- Weight: 13 lbs (6.91 kg)
- Slide Capacity:
- 72 total slides (3 slide canisters)
- 96 total slides (4 slide canisters)
- with optional 4-slot Metal Rack Holder
The Decloaking Chamber NxGen has been designed for ease of use in heat-induced epitope retrieval (HIER). It has 5 discrete temperature settings ranging between 60ºC and 110ºC with user-programmable times. The 110ºC heat-induced epitope retrieval protocol can be completed from start to finish in under an hour. With a capacity of 72 slides and only minutes of hands-on time per run, the NxGen offers a walk-away capability similar to fully automated staining instruments.
The Decloaking Chamber NxGen transfers run data to a USB drive for export to a user’s computer. The run data recorded includes the date and time per run with temperature and pressure readings throughout. With the Decloaking Chamber NxGen retaining the settings from the last run, a quick start of the same protocol is possible.
The Decloaking Chamber NxGen is an excellent tool for HIER. The proper use of heat and pressure in conjunction with the appropriate retrieval solutions is of the utmost importance for consistent immunohistochemistry (IHC) staining. The Decloaking Chamber NxGen is designed to optimize and standardize antibody staining procedures and has been engineered to pass strict laboratory safety requirements. Temperature, pressure, and time can be monitored and recorded with the Decloaking Chamber NxGen to produce consistent staining.
Specifications
Intended Use The Decloaking Chamber NxGen is a programmable bench top temperature pressure chamber intended for professional laboratory use only. It is programmed to allow the precise pressurized heating necessary for optimal antigen retrieval and has the capability to perform at 5 discrete temperatures ranging between 60ºC and 110ºC. The Decloaking Chamber NxGen is also suitable for deparaffinization along with appropriate reagents.
WARNING: Do not use the Decloaking Chamber NxGen for any other purpose than stated in this manual. Failure to adhere to these guidelines may result in damage to the instrument or personal injury.
Transportation
The shipping environment is 0-50ºC (32-122ºF). Do not stack. Protect from moisture. In addition to the ASTM regulation required markings, label the shipping container with shipping and storage temperatures as well as a warning to not stack and protect from moisture.
Storage
Storage environment is 10-50ºC (50-122ºF), 10-80% non-condensing relative humidity. Do not stack. Protect from moisture. Not to exceed one year (12 months) in storage.
Handling
The Decloaking Chamber NxGen may be safely handled by one person capable of lifting 20 pounds (9.1 kg). Lift by the handles only. Do not move unless the unit is completely cooled.
Operating Environment
Standard Laboratory Conditions: 15-30ºC; 15-80% relative humidity. The unit must be placed on a level bench-top capable of safely supporting the weight of the Decloaking Chamber NxGen and contents. A minimum of 2” clearance on all sides is suggested for adequate ventilation. High Altitude Recommendation: At greater than 3000M, increase time suggestions.
Power Requirements
The Decloaking Chamber NxGen must be plugged into a properly grounded power outlet. DC2012 models in 220V environments must be connected to 220V through the provided transformer. Do not defeat grounding provisions by bypassing the grounding pin or the power cord.
Please Note: Surge protection is highly recommended for the Decloaking Chamber NxGen. Biocare is not liable for any damage to a Decloaking Chamber NxGen caused by a power surge.
USB Flash Drive
The Decloaking Chamber NxGen is equipped with a USB flash drive that will create and save a data file for every run. The USB flash drive feature requires the use of a USB 2.0 flash drive with a minimum capacity of 512 MB and a maximum capacity of 4 GB.
Waste Disposal
All reagents used in the Decloaking Chamber NxGen must be properly disposed of in accordance with local, state, and federal regulations.
Instrument Disposal
Dispose of the Decloaking Chamber NxGen in accordance with local, state, and federal regulations. Decontaminate with an antibacterial cleansing agent.
Accuracy
Temperature readings are accurate within +/- 5ºC. Pressure readings are accurate within +/- 3%.
Warranty
The Decloaking Chamber NxGen warranty is for one year (12 months) from receipt of purchase and covers all parts and labor when performed solely by Biocare Medical. Warranty is invalidated if the equipment is abused, damaged, or improperly maintained by the customer. Warranty is not transferable to any other party should the equipment be resold or transferred by the customer to another party. To the extent permitted by law, Biocare Medical disclaims any liability for any incidental or consequential damages related to this equipment or for any warranty-related services it performs.
Safety Precautions
Decloaking Chamber NxGen infectious sample use is limited to tissues/specimens that are specified on Biocare’s product datasheets. Handle control slides and test FFPE slides as if capable of transmitting infectious agents, and dispose with proper precautions. It is recommended that the specimens are handled using established good laboratory working practices. No flammable or corrosive solvents are to be used in the Decloaking Chamber NxGen.
Service
Units under warranty requiring service will be returned to Biocare Medical for depot repair services. No field repairs or firmware updates will be performed on this unit. Except for the sealing gasket kit, there are no user-serviceable parts.
Parts & Features
- Pressure Limit Valve
- Pressure Poppit
- Sealing Ring
- Metal Water Chamber
- Condensation Collector
- Handle
- Outer Body
- Heating Plate
- Base
- ON / OFF Switch
- Power Cord
- Lid Handle
- Lid
- Sealing Ring Supporting Cover
- Rubber Grommet
- Upper Ring
- Control Panel
- Pressure Cable
- Push Rod
- USB Port
- Home Screen
- Menu Button
- Circle Button
- Clock Button
- Metal Slide Canister
- Slide Rack
- Metal Rack Holder, DC2012
- 220V Transformer
Important Safeguards
The Decloaking Chamber NxGen has been designed with many unique safety features. However, when using any electrical appliance, basic safety precautions should always be followed.
- Read all instructions before operating the unit.
- Do not touch hot surfaces of Decloaking Chamber NxGen. Use handles only.
- Never attempt to open the lid while the unit is greater than or equal to 95ºC.
Do not open the Decloaking Chamber NxGen until the unit has cooled to below 95ºC and all internal pressure has been released. If the lid is difficult to rotate, this indicates that the chamber is still pressurized. Do not force it to open. Any pressure in the chamber can be hazardous. - Do not use glass or plastic containers.
The Decloaking Chamber NxGen has been designed using metal slide canisters for optimal heat transfer. Glass and plastic slide holders are not recommended. - Always check that there is deionized or filtered water in the water chamber before use.
Do not run the unit when the metal water pot is empty, as this will cause the metal water pot to burn. - Always check that the pressure cable is connected before use.
If the pressure cable is not connected, the Decloaking Chamber NxGen will not be able to record the pressure during the run. - Always check the pressure release device for clogging before use.
Do not operate without the pressure release properly installed. - Do not place the Decloaking Chamber NxGen in a heated oven or on any heated surface.
Do not place the Decloaking Chamber NxGen near a flame or gas source. - Keep the exterior of the unit dry.
To protect against electrical shock, do not immerse the cord, plug, or outer vessel in water or other liquids. - Adhere to the product voltage requirement and make sure it is compatible with the electrical voltage/frequency for the country of operation with the use of a transformer as necessary.
- Do not let the Power Cord hang over the edge of the table or counter, or touch hot surfaces.
- Do not use outdoors.
- Do not use under hanging cabinets, as steam from the pressure may cause damage.
- Always attach the Power Cord plug to the appliance first, before plugging the other end into a wall outlet. To disconnect, first, unplug from the outlet.
Note: Always unplug the power cord from the electrical outlet to fully disconnect the power to the instrument.
Never plug a DC2012 (115V) unit directly into a 220V AC power source. Only use the provided transformer to power the unit.
Before First Use
Upon Receipt
Unpacking should be performed or supervised by trained laboratory personnel or facility engineer who will record any issues with regard to missing or damaged contents. In the event the instrument was damaged in transit, do not operate and contact Biocare Medical Technical Support for instructions.
Upon receipt of the Decloaking Chamber NxGen, inspect the packaging and be sure all parts have been included. Save the packaging in the event that the instrument needs to be returned or relocated to another lab.
Initial Set-Up
Before using the Decloaking Chamber NxGen for the first time, remove any packing material from inside the unit. Remove any dust accumulated from shipping by wiping it clean with a damp cloth. Thoroughly clean the lid and the metal water chamber.
- Place the Decloaking Chamber NxGen on a clean, flat surface where you intend to use it. Position the unit with easy access to the plug for emergency disconnect action in case of malfunction.
- Place the condensation collector in the rear of the unit until it clicks into place.
- Attach and twist the pressure cable to the lid to connect.
- Place the pressure limit valve firmly on the lid by placing it completely over the stem. Ensure that the limit valve is set at a level to ensure proper pressure buildup. NOTE: The pressure limit valve does not click or lock into place. Even though it will have a loose fit, it is safely secured. Once in place, it is not necessary to remove except for cleaning purposes.
- 5a. For units provided without a transformer, connect the power cord to the unit & then plug the cord into a suitable grounded outlet. Turn-ON/OFF switch to the ON (|) position.
- 5b. For units provided with a transformer, connect the power cord to the unit and then plug the cord into the transformer. Plug the transformer outlet into a suitable grounded outlet. Turn the transformer on and turn the Decloaking Chamber NxGen ON/OFF switch to the ON (I) position.
- Ensure the Decloaking Chamber NxGen is on the Home Screen.
- The current temperature of the unit
- Software version
- Consult manual before operating notice

- Set the current date (MM-DD-YYYY).
- Push the clock button on the home screen.
- Use the clock button (up arrow) to select the current month. If you pass the current month, continue pushing the clock button and the month will cycle back to 1.
- Use the menu button (right arrow) to move to the day selection. It will become highlighted.
- Use the clock button (up arrow) to select the current day. If you pass the current day, continue pushing the clock button and the day will cycle back to 1.
- Use the menu button (right arrow) to move to the year selection. It will become highlighted.
- se the clock button (up arrow) to select the current year. If you pass the correct year, continue pushing the clock button and the year will go back to the beginning.
- Set the current time (24-hour clock).
- Use the menu button (right arrow) to move to the hour selection. It will become highlighted.
- Use the clock button (up arrow) to select the current hour. If you pass the correct hour, continue pushing the clock button and the hour will cycle back to 0.
- Use the menu button (right arrow) to move to the minute selection. It will become highlighted.
- Use the clock button (up arrow) to select the current minutes. If you pass the correct minutes, continue pushing the clock button and the minutes will go back to 00.
- Use the menu button (right arrow) to move to the second selection. It will become highlighted.
- Use the clock button (up arrow) to select the current seconds. If you pass the correct seconds, continue pushing the clock button and the seconds will go back to 00.
- Push the circle button to save the selections and return to the home screen.
Instructions for Use
Operating Instructions
Once the Decloaking Chamber NxGen is appropriately set up, antigen retrieval can begin.
- If not already plugged in, plug the power cord first into the Decloaking Chamber NxGen and then into the appropriate wall outlet or transformer (refer to Initial Set-Up 5b) Turn the ON / OFF switch to the ON position (|).
- To remove the lid, grasp the handle, turn clockwise, and lift. Gently set the lid next to the unit without removing the pressure cable.
- Add 500ml of deionized or filtered water to the Decloaking Chamber NxGen metal water chamber. Make sure that the outside of the metal water chamber is kept completely dry and clean and that there are no dents or deformations in the bottom or rim. Note: Using either water below room temperature (below 20C°) or a volume less than 500ml of deionized or filtered water may cause adverse staining results.
- Assemble slide racks, metal slide canisters, and metal rack holders into the water chamber.
- Place slide racks into each metal slide canister.
- Fill each metal slide canister to the top of the slide rack excluding the handle (200-220 MLS) with either HIER or deionized or filtered water.
- Place 3 metal slide canisters into the metal slide rack. Note: Always use 3 metal slide canisters per run. If there aren’t enough slides for 3 canisters, fill the other metal canister(s) with deionized or filtered water and run them as if slides were placed into the canister.
- Place the metal slide rack containing metal slide canisters into the metal water chamber. Ensure the metal water chamber is positioned so that the white cup-level markings face the rear of the unit.
- For 110°C protocols, place a dry Steam Monitor Strip on top of the metal slide canisters or metal slide rack.
- Before locking the lid, make sure the sealing ring is securely in place on the sealing ring supporting cover (left figure below). Hold knob on sealing ring supporting cover and press firmly over the center post of the inner lid to secure (right figure below).

- Place lid on the Decloaking Chamber NxGen and turn it counterclockwise into position. When placing the lid on the Decloaking Chamber NxGen, the pressure cable should always be towards the back of the unit.
- Ensure that the pressure cable is securely attached to the lid.
- Position the pressure limit valve as directed in the figures below, ensuring it is set to level on the pressure stem, not tipped to one side. If the pressure limit valve is tipped to one side, proper pressure buildup will not occur. NOTE: The pressure limit valve does not click or lock into place. Even though it will have a loose fit, it is safely secured. Do not touch the pressure limit valve when the Decloaking Chamber NxGen is pressurized. Steam and hot water could vent.
- Select protocol variables as described in Control Panel Programming.

Control Panel Programming
- If the Decloaking Chamber NxGen has already been run with the same protocol temperature and time as the current desired run, press the circle button to go directly to either the USB or pre-run screen. Skip Steps 2-4 and go directly to Step 5.
- If the current run will be different than the last run or the Decloaking Chamber NxGen is being used for the first time, press the menu button to begin the protocol selection process.
- Select the desired protocol temperature.
- There are 5 discrete temperature set points of 60ºC, 80ºC, 90ºC, 95ºC and 110ºC.
- Use the menu button (down arrow) to select the protocol temperature. The current selection will be highlighted.
- Press the circle button to save the temperature selection.
- Select the desired protocol time.
- Each temperature set point is pre-programmed with a typical protocol time. After the first use of a temperature, the time for that protocol will default to the last used time. If using the optional 4-slot Metal Basket, use the recommended time listed in the chart below as a starting point.
- There are upper and lower maximums for each program time, please refer to the table below for details.
| Program # | Temp | Default Timer | Min Time | Max Time | Recommended time for 4 canisters |
| 5 | 110ºC | 15 minutes | 1 second | 30 minutes | 18 minutes |
| 4 | 95ºC | 40 minutes | 1 second | 1.5 hours | 42 minutes |
| 3 | 90ºC | 15 minutes | 1 second | 1 hour | 25 minutes |
| 2 | 80ºC | 1 hour | 1 second | 2 hours | 70 minutes |
| 1 | 60ºC | 12 hours | 1 second | 24 hours | 12 hours |
- Use the clock button (up arrow) to select the program variable (hours, minutes, or seconds) If you pass the correct number, continue pushing the clock button and it will cycle back to 00. For faster cycling, hold down the clock button.
- Use the menu button (right arrow) to move to the minute selection. It will become highlighted.
- Use the clock button (up arrow) to select the next variable.
- Continue in this fashion until all variables have been programmed.
- Press the circle button to save the temperature selection. There will be a pause of up to 5 seconds as the unit checks for a USB drive.
Note: Protocols for specific applications vary; these include, but are not limited to fixation, heat-retrieval method, incubation times, tissue section thickness, and detection kits used. Recommended incubation times and titers listed are not applicable to non-Biocare detection systems, as results may vary. Datasheet recommendations and protocols are based on use with Biocare products. It is the responsibility of the end-user to determine optimal conditions, and use these tools in conjunction with other diagnostic tests and pertinent clinical data.
- If a USB drive is not present, a USB reminder screen will appear. It will say “No Flash Drive”
at the top of the screen.
- To save run data, insert the USB drive supplied with the unit into the USB slot.
- Press the circle button (check mark) to confirm the flash drive, there will be a pause of up to 5 seconds as the software confirms the flash drive’s presence.
- If the flash drive is okay, the unit will automatically advance to the pre-run screen.
- If the flash drive cannot be accessed, the unit will stay on the USB screen and show “No Flash Drive” at the top of the screen.
- Either adjust or replace the flash drive and press the circle button again.
- To not save run data, do not insert a flash drive and press the clock button (X) to continue to the pre-run screen. The Run Number will still be incremented.
Control Panel Programming (continued)
- When the pre-run screen is displayed, review temperature and time selections before starting the protocol.
- Ensure that there is 500ml of deionized or filtered water in the water chamber, the metal rack holder and 3 metal slide canisters are present with the solution, the lid is securely fastened, the pressure cable is connected, and the pressure limit valve is attached and level.
- Ensure that the correct temperature and time have been selected. If not, press the menu button (home) to return to the home screen. Start again at Step 2.
- Once everything has been checked, press the circle button (play) to begin the protocol.
Note: Before starting a run, the temperature of the Decloaking Chamber NXGen should be at least 10C lower than the desired set point.
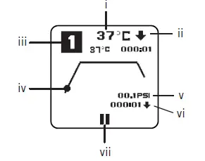
- The unit will now show the run screen during the protocol progress. During a run, the screen conveys several pieces of information:
- At the top of the screen the run screen displays:
Unit current temperature - Whether the unit is heating up (up arrow), at a steady-state (solid circle), or is cooling down (down arrow).
- The selected protocol number, protocol temperature, and protocol time.
- In the middle of the screen the run screen displays:
- A graphical representation of where the unit is at in the current run, as represented by the circle on the graph.

- At the bottom of the screen the run screen displays the following:
- Unit current pressure in PSI
- It will cycle through three times, showing one at a time:
- At the top of the screen the run screen displays:
- Current clock time (clock)
- Run protocol time remaining (down arrow)
- Estimated protocol completion time (solid square)
- Pause button for run cancellation
NOTE: During 110ºC protocols, steam will escape from the pressure indicator poppit on the lid until the pressure is high enough to seal.
- If you need to cancel a run in the middle of the protocol, press the middle circle button (pause).
- A screen will appear saying: “Run is paused. Press circle to cancel run. Run will resume in 10 seconds.”
- If you do wish to cancel the run, press the circle button. You will be returned to the home screen.
- If the cancel button was pushed in error, do not push anything. The run will resume in 10 seconds.
Program Completion
- For protocols above 95ºC, the unit will enter a cool-down. The run screen will display a down arrow in the upper right corner. The elapsed cool-down time counts up from zero once the protocol completes and is displayed with an up arrow at the bottom of the screen. Once the unit reaches 95ºC, the protocol is finished and the unit will begin beeping and the current unit temperature will begin flashing.
- For protocols below 95ºC, the unit will begin beeping and the current unit temperature will begin flashing upon run time completion.
- Press the circle button to silence the beeping.
- The Decloaking Chamber NxGen will then show a Liquid Too Warm screen This screen shows the current temperature of the water chamber.
- This screen will remain until the water chamber temperature reaches 80ºC. A new run cannot be started while this screen is displayed.
- Once the water chamber reaches 80ºC, the home screen will appear and another run can be started.
- The water chamber may be removed and the water replaced with room temperature deionized or filtered water to expedite the cool-down.
- Use extreme caution when opening the lid. Turn the lid clockwise and lift. Tilt the lid at a 45º angle above the water pot and shake several times. This will allow the water that has accumulated in the lid to drain. Place the lid next to the unit.
- Use extreme caution when opening the lid! Liquids and steam inside may be at scalding temperatures.
- Water will tend to accumulate under the lid. Allow the lid to drain at an angle prior to placing the lid next to the unit.

- Using extreme caution, remove the metal rack holder with slide canisters from the water chamber by holding the plastic handles.
- Do not hold the metal slide canisters or metal rack holder by the metal portion as this is extremely hot!
- Gloves can be used to help insulate skin from the heat.

- Continue slide processing.
- Let the Decloaking Chamber NxGen cool before removing the water chamber and water. Remove the water chamber and properly discard the water.
- If another run is to be started immediately, replace the warm water present in the water chamber and metal slide canister(s) with new room temperature deionized or filtered water.

95°C Protocol Function
The Decloaking Chamber NxGen has the ability to preheat retrieval solutions when the 95°C protocol is selected. The preheat functionality temporarily pauses the unit when the target temperature is reached, allowing the user to add deparaffinized slides to retrieval buffers that have already been warmed to 95°C. This workflow modification enables better compatibility with protocols for breast tissue retrieval that previously required the use of a water bath for preheating solutions.
The unit will beep when the target temperature has been achieved. The following message will be displayed (pictured below) on the unit screen with two separate options for user input.
- If slides will be added to the hot retrieval solutions, press the button under the “Load slides” option and open the unit to add the necessary slides. Replace and secure lid. The run will resume automatically with the user-selected hold time after the unit temperature equilibrates back to 95°C.
- If preheat is not needed and slides are already present, nothing needs to be done. After 2 minutes the program will automatically proceed to the run screen and deduct the two minutes from the programmed hold time. If desired, press “Skip” to immediately move to the run screen. Any elapsed time will deduct from the programmed hold time.

Reporting Software
USB Flash Drive
The Decloaking Chamber NxGen has the ability to record run data, including run ID, protocol time, protocol temperature, and pressure to a USB drive. The run ID is an automatically assigned sequential number for each Decloaking Chamber NxGen.
The USB Drive must be present in order to record the run data. Do not remove the USB drive until the run is completed. The Decloaking Chamber NxGen can be run without the USB drive present but the run data will not be retrievable after the run. If runs are completed without the USB drive, the corresponding run ID number will be skipped when reviewing the data on the drive.
The USB Drive provided with the Decloaking Chamber NxGen contains reporting software that can be installed on users’ computers. The Decloaking Chamber NxGen Reporting Software creates linear chart and summary table reports using the run data accumulated from one or more Decloaking Chamber NxGen systems. Please refer to the “Software Installation” file on the USB drive for installation instructions.
Software Reports
Three different types of reports can be generated with the Decloaking Chamber NxGen Reporting Software. The report types include:
Chart Report
A chart report will provide a graphical output of the recorded temperature and pressure for any selected run captured by the USB flash key. This type of report may be useful for documentation of the unit’s performance as well as association with any calibration or verification procedures in use by the lab.
Summary Report by Instrument
The summary report by instrument provides a list of all runs initiated while the USB flash drive was in place on the selected instrument. I run data was collected from multiple Decloaking Chamber NxGen, the Summary Report can be configured to list the run data from a single instrument or for all associated units at once.
Summary Report by Date
The summary report by date generates a list of all of the runs performed between two user-selected dates. I run data was collected from multiple Decloaking Chamber NxGen systems, run completion summaries can be provided from a single instrument or all associated units at once. Decloaking Chamber NxGen run files are stored on the computer’s hard drive after upload from the USB Flash Drive provided with each instrument. Therefore, Decloaking Chamber NxGen run files collected from multiple USB keys (or multiple Decloaking Chamber NxGen systems) can be reviewed from the same computer. Reports generated by the Decloaking Chamber NxGen Reporting Software may be printed directly from the software or exported to a file for future reference.
Software User Guide
Insert a flash drive into the computer’s USB port. Double-click on Decloaking Chamber NxGen Reports desktop icon to open reporting software.
Step 1 Import Decloaker Files
- Click on the Import Decloaker Files button (at the top right).
- In the window that appears, click on the small “browse” […] button adjacent to the Select Source Folder field.
- Direct program application to an appropriate folder on a flash drive (e.g. SN0001).
NOTE: The folder will be labeled with the same serial as the unit from which data was collected. If the USB flash drive was used to collect run data from multiple Decloaking Chambers, a separate folder will exist for each unit. - Click on the Import Decloaker Files button.
- If necessary, repeat steps 2 – 4 for each additional Decloaking Chamber NxGen serial number.
- Once all run data has been imported (added to ‘list’), click on the Close button at bottom of the screen.
STEP 2 Generate Desired Reports
At the Generate Reports screen, select the desired report:
To generate a Chart Report
- Click on the Chart Report by Individual Run option.
- Click on the Select Parameters button to open the list of uploaded Decloaker files.
- Select the Decloaking Chamber NxGen serial number at the top of the screen.
- Select desired run file from a list – only one run file may be selected at a time.
- Click on the Select button to return to the Generate Reports window.
- Click on Generate Report button.
To generate a Summary Report by Instrument
- Click on the Summary Report by Instrument option.
- In the “Serial” options window, select the serial number of the desired Decloaking Chamber NxGen from the drop-down list. Alternatively, leave the Serial option set to “All” to generate a Summary List of all uploaded Decloaking Chamber NxGen run files.
- Click on the Generate Report button.
To generate a Summary Report by Date Range
- Click on the Summary Report by Instrument option.
- In the “Serial” options window, select the serial number of the desired Decloaking Chamber NxGen from the drop-down list. Alternatively, leave the Serial option set to “All” to generate a Summary List of all uploaded Decloaking Chamber NxGen run files.
- Use the drop-down calendar in the “Start Date” and “End Date” options window to set the desired start and end dates for the date range for the report.
- Click on the Generate Report button.
STEP 3Print or Export Reports
All reports generated then may be printed directly from the Decloaking Chamber NxGen Reporting Software or exported to a file for future reference.
- To print a report, click on the printer icon button (at the top left of the screen), select the desired printer, and then click the Print button.
- To export a report to a file (.xls, .csv, .doc, .rtf, or .pdf), select the Export icon button at the top left of the screen.
In the “Export Report” dialog box that appears, select the desired file type from the drop-down box of the “Save as type” options. - Once a report has been printed or exported, close the report display screen to return to the main Generate Reports window.
Maintenance
Daily
- Make sure the power cord is unplugged before performing maintenance.
- Pour the water out of the metal water chamber, rinse with deionized or filtered water, and dry. Do not use harsh chemicals or scouring pads. Wipe down the outside of the metal water chamber, including the bottom. Examine the metal water chamber rim and bottom for dents or deformations. Call Biocare Technical Support to report any concerns.
- Remove the condensation collector and empty any accumulated water.
- Leave the lid next to the unit or slightly ajar atop the unit.
- Do not leave liquids in the Decloaking Chamber NxGen when not in use.
- Wash the metal slide canisters in soap and water. Do not use bleach.
Monthly
- Make sure the power cord is unplugged before performing maintenance.
- Unplug the pressure cable from the lid.
- Clean the outer body with a soft cloth (paper towel or microfiber cloth). Do not immerse the outer body in water or pour water into it.
- With warm water rinse the underside of the lid including the sealing ring, pressure limit valve, anti-block cover, air escape and pressure indicator poppit. Dry completely.
- The clean area under the upper ring with a dampened cloth or microfiber cloth. Do not use chemical cleaners.
- To clean, the sealing ring, hold the knob on the sealing ring supporting cover and pull the sealing ring up. After cleaning, put the sealing ring supporting cover back. Note: The side with the knob should face outward. Do not put it upside down (Figures a and b).

- Inspect the rubber grommet for wear. Carefully remove the sealing ring supporting cover and inspect the grommet. Replace with the sealing gasket kit if worn.
- To clean the rubber grommet located in the center of sealing ring supporting cover, carefully remove the sealing ring supporting cover and clean the grommet; then reinstall it.
- To clean the pressure limit valve, remove and rinse it with water, then reinstall it.
- To clean the condensation collector, remove it and clean it with warm soapy water, then reinstall it.
- Reconnect the pressure cable to the lid.
Troubleshooting Guide
Quick Instruction Guides
Instrument Operation
- Plug in the Decloaking Chamber NxGen and turn ON / OFF switch to the ON position (|).
- Add 500ml of deionized or filtered water and a metal rack holder to the water chamber. Caution: Less than 500ml of water may cause adverse staining results.
- Add 3 metal slide canisters containing slides and antigen retrieval solution (or deionized/filtered water) to the metal rack holder.
- Lock the lid into place. Ensure that the pressure cable is attached.
- Select program temperature.
- Select program time.
- Insert a USB drive if data recording is desired.
- Push the green button at the pre-run screen to start the protocol.
- Upon run completion and the unit is under 95ºC, carefully open the lid. Tilt the lid at 45º and gently shake to drain excess water before fully removing the lid. Use extreme caution as steam and liquids can still be very hot!
- Remove the metal rack holder by grasping the plastic handles. Do not grab the metal rack holder or the metal slide canisters by the metal – it is very hot!
- Continue with slide processing.
- Once the unit is cool, remove the water chamber and properly dispose of the water. Dry outside completely before placing it in the unit.
- Leave the lid slightly ajar or next to Decloaking Chamber NxGen.
Please Note: Before starting a run, the temperature of the Decloaking Chamber NXGen should be at least 1ºC lower than the desired set point.
Software Reports
- Transfer USB key from Decloaking Chamber NxGen to PC.
- Open Decloaking Chamber NxGen Reports Software.
- Import files from USB flash drive to PC.
- Select desired reports and appropriate parameters for the report format.
- Print or export reports for record-keeping purposes.
Additional Consumables
Metal Slide Canister
The Decloaking Chamber NxGen is supplied with 3 metal slide canisters. Metal canisters allow for ideal heat transfer and are the recommended container for holding slides in the Decloaking Chamber NxGen. Do not use plastic or glass, or slide holders.
Cat. No. DCA132 (single canister) or DCA132-3PK (3 canisters)
Metal Rack Holder, DC2012
The Metal Rack Holder comes with the Decloaking Chamber NxGen and holds three Metal Slide Canisters.
Cat. No. DCA125
4-slot Metal Rack Holder, DC2012
The 4-slot Metal Rack Holder is designed to fit in the Decloaking Chamber NxGen and holds four Metal Slide Canisters.
Cat. No. DCA176
Sealing Gasket Kit
The sealing gasket kit is a part of the Decloaking Chamber NxGen that needs to be replaced on a routine basis.
Cat. No. DCA061
Pressure Limit Valve
Cat. No. DCA120
Metal Water Chamber
Cat. No. DCA069
Condensation Collector
Cat. No. DCA070
DC2012 Flash Drive with Software and Manual
Replacement flash drive for the Decloaking Chamber NxGen includes reporting software and manual.
Cat. No. DCA107
Steam Monitor Strips
The heat and pressure-sensitive steam strip allow the end-user to monitor both pressure and heat inside the Decloaking Chamber NxGen. The best temperature for a Steam Monitor strip to show quality control is 110ºC +/- 5ºC. It is at this temperature and relative pressure that a dark brown to black color is achieved. Lower temperature and pressure will produce a lighter strip. The steam strip can be dated and recorded for laboratory and CAP inspections.
Cat. No. 613
QC Heat-Tested pH Strips
The pH of retrieval solutions at high temperatures can be critical for proper IHC staining. However, the pH of retrieval solutions can change at high temperatures. To assure quality control and consistent staining, Biocare Medical has developed heat-tested strips that give accurate and true pH at high temperatures. The pH of a solution at a certain temperature can be recorded on a daily basis to comply with JCOHA and CAP recommendations.
Cat. No. PH615 (pH 4-7); Cat. No. PH616 (pH 7.5-10.5)
Retrieval Solutions
Biocare Medical retrieval solutions are specially formulated for pH stability at high temperatures. Our retrieval solutions incorporate Assure™ technology that contains a color-coded pH indicator for quality control and visual inspection. Refer to the Biocare Medical catalog or http://biocare.net/products/ancillaries/antigen-retrieval
Please contact Biocare Medical Technical Support if any problems arise: 800-799-9499 Option 3.

































