DMP 1108 Doorbell Module Installation Guide
Installation Guide
Figure 1: 1108 Doorbell Module
DESCRIPTION
The 1108 Doorbell Module monitors doorbell button presses. When someone rings the doorbell, the module sends a wireless signal to annunciate at keypads or any connected 1136 Wireless Sounders.
Compatibility
- All panels with firmware Version 192 and higher
- Any video or mechanical doorbell with a standard transformer or a 1624 VAC wall transformer with either a mechanical chime or 10 Ohm resistor in the circuit
- 7000 Series Thinline keypads with Level J hardware and firmware Version 306 (1/9/18) or higher
- 9000 Series wireless keypads with firmware Version 201 or higher
- 7800/9800 Series Graphic Touchscreen Keypads with firmware Version 110 or higher
What is Included?
- One 1108 Doorbell Module
- Doublesided Tape
1
PROGRAM THE PANEL
When programming the 1108 in the panel, refer to the panel programming guide for full programming information.
If you’ll be using an 1106 Wireless Transmitter for the LED survey, program the transmitter in the panel while referring to the 1106 Installation Guide (LT1377). This is because the 1108 does not have its own LED operation.
After completing each of the following steps for the 1108, press CMD to advance to the next prompt.
- Enter 6653 (PROG) at the panel keypad and go to ZONE INFORMATION.
- At ZONE NO, enter the wireless zone number.
- At *UNUSED*, enter the zone name.
- At ZONE TYPE, press any select key or area and select DB (Doorbell).
- At the Area Assignment section, select the area.
- At the NEXT ZONE prompt, select NO.
- When WIRELESS? displays, select YES.
- At SERIAL#, enter the eightdigit device serial number. Refer to Figure 2 for serial number location.
- At SUPRVSN TIME, enter a supervision time. Default is 240.
- At the NEXT ZONE prompt, select YES if you are finished programming the zone. Select NO if you would like to access additional programming options.
- To save panel programming, go to STOP and press CMD.
SELECT A LOCATION
To select a location, use an 1106 Series Universal Wireless Transmitter to perform an LED survey operation.
- With the cover removed, hold the module in the desired location.
- Press the tamper switch to send a signal to the panel and determine if communication is confirmed or faulty.
Confirmed: For each press or release of the tamper switch, the LED blinks immediately on and immediately off. Repeat this test to confirm five separate consecutive LED blinks. Any indication otherwise means proper communication has not been established.
Faulty: The module LED remains on for about 8 seconds or flashes multiple times in quick succession.
- If the transmitter is not communicating with the panel, start by looking for items that might cause interference, such as metal objects or electronic equipment. Move the transmitter or receiver and repeat the survey procedure until communication is confirmed.
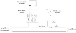
WIRE THE 1108
The 1108 is intended to be wired between the mechanical chime or resistor and transformer.
- For 1108 PCB details and terminal numbers, refer to Figure 2.

- For wiring with an existing chime, refer to Figure 3.

- For wiring with an installer supplied 10 Ohm 1 Watt resistor instead of a chime, refer to Figure 4.

- When using the 1108 with the V4061DB Video Doorbell, you must program the Video Doorbell for
mechanical chime during setup.
Caution: Disconnect all power from the doorbell and turn off the correct breakers before wiring the 1108.
- Connect the black wire from the module T1 terminal to the wire that runs from the transformer to the doorbell.
- Connect the red wire from the module T2 terminal to the transformer.
- Connect the red/white wire from the module C terminal to the chime TRANS terminal or to one leg of the 10 Ohm resistor. Ensure the current from the transformer is flowing through the 1108 from the incoming red wire to the outgoing red/white wire.
- Connect a wire from the chime FRONT terminal or resistor leg to the doorbell. If using a power booster, connect one wire to the chime TRANS terminal and the other to the FRONT terminal.
- Turn on breakers and restore power to the doorbell.
MOUNT THE 1108
Inside the Housing Mount the 1108 to the inside of the mechanical chime housing with doublesided tape. Do not mount the module on a metal surface to avoid interference with the mechanical chime operation.
Outside the Housing
The module can be mounted outside the mechanical chime housing for best wireless performance.
TEST THE 1108
After the 1108 has been installed, test to confirm that it is communicating reliably with the panel. Use the Tech APPTM to perform a Wireless Checkin Test on the system or follow these steps to perform a Wireless Checkin Test from a keypad that is connected to the panel:
- At the keypad, enter 8144 (WALK) and select WLS.
- If the module fails to check in at the keypad, ensure that it is wired properly and check for sources of interference such as metal objects and electronic equipment.
FCC INFORMATION
This device complies with Part 15 of the FCC Rules. Operation is subject to the following two conditions:
- This device may not cause harmful interference, and
- This device must accept any interference received, including interference that may cause undesired operation. The antenna used for this transmitter must be installed to provide a separation distance of at least 20cm (7.874 in.) from all persons. It must not be located or operated in conjunction with any other antenna or transmitter.
Changes or modifications made by the user and not expressly approved by the party responsible for compliance could void the user’s authority to operate the equipment.
Note: This equipment has been tested and found to comply with the limits for a Class B digital device, pursuant to part 15 of the FCC Rules. These limits are designed to provide reasonable protection against harmful interference in a residential installation. This equipment generates, uses and can radiate radio frequency energy and, if not installed and used in accordance with the instructions, may cause harmful interference to radio communications. However, there is no guarantee that interference will not occur in a particular installation. If this equipment does cause harmful interference to radio or television reception, which can be determined by turning the equipment off and on, the user is encouraged to try to correct the interference by one or more of the following measures:
- Reorient or relocate the receiving antenna.
- Increase the separation between the equipment and receiver.
- Connect the equipment into an outlet on a circuit different from that to which the receiver is connected.
- Consult the dealer or an experienced radio/TV technician for help.
INDUSTRY CANADA INFORMATION
This device complies with Industry Canada License-exempt RSS standard(s). Operation is subject to the following two conditions:
- This device may not cause interference, and
- This device must accept any interference, including interference that may cause undesired operation of the device.
This system has been evaluated for RF Exposure per RSS-102 and is in compliance with the limits specified by Health Canada Safety Code 6. The system must be installed at a minimum separation distance from the antenna to a general bystander of 7.87 inches (20 cm) to maintain compliance with the General Population limits.
Specifications

Primary: 16 VAC – 24 VAC
Frequency Range: 905-924 MHz
Dimensions:
Transmitter: 2.625” L x 1” W x 0.3125” H
Housing:
Color: White
Material: Flame-Retardant ABS
Patents
U.S. Patent No. 7,239,236
Certifications
FCC Part 15: CCKPC0209 Industry Canada: 5251A-PC0209
Designed, engineered, and manufactured in Springfield, MO using U.S. and global components.
LT-1919 21203 © 2021
INTRUSION · FIRE · ACCESS · NETWORKS
2500 North Partnership Boulevard
Springfield, Missouri 65803-8877
800.641.4282
DMP.com




















