Clarke CPF13 ELECTRIC POWER FILE
INTRODUCTION
Thank you for purchasing this CLARKE Electric Power File.
Before attempting to use this product, please read this manual thoroughly and follow the instructions carefully. In doing so you will ensure the safety of yourself and that of others around you, and you can look forward to your purchase giving you long and satisfactory service.
GUARANTEE
This product is guaranteed against faulty manufacture for a period of 12 months from the date of purchase. Please keep your receipt which will be required as proof of purchase.
This guarantee is invalid if the product is found to have been abused or tampered with in any way, or not used for the purpose for which it was intended.
Faulty goods should be returned to their place of purchase, no product can be returned to us without prior permission.
This guarantee does not affect your statutory rights.
SPECIFICATIONS
POWER TOOL SAFETY WARNINGS
WORK AREA
- Keep the work area clean and well-lit. Cluttered and dark areas invite accidents.
- Do not operate power tools in explosive atmospheres, such as in the presence of flammable liquids, gases, or dust. Power tools create sparks that may ignite dust or fumes.
- Keep children and bystanders away while operating a power tool. Distractions can cause you to lose control.
ELECTRICAL SAFETY
- Power tool plugs must match the outlet. Never modify the plug in any way. Do not use adaptor plugs with earthed (grounded) power tools. Unmodified plugs and matching outlets will reduce the risk of electric shock.
- Do not expose power tools to rain or wet conditions. Water entering a power tool will increase the risk of electric shock.
- Do not abuse the cable. Never use it for carrying, pulling, or unplugging the power tool. Keep the cable away from heat, oil, sharp edges, or moving parts. Damaged or entangled cables increase the risk of electric shock.
- When operating a power tool outdoors, use an extension cable suitable for outdoor use. The use of a cable suitable for outdoor use reduces the risk of electric shock
- If operating the power tool in a damp location is unavoidable, use a residual current device (RCD) protected supply.
PERSONAL SAFETY
- Stay alert, watch what you are doing, and use common sense when operating a power tool. Do not use a power tool while you are tired or under the influence of drugs, alcohol, or medication. A moment of inattention while operating power tools may result in personal injury.
- Use safety equipment. Always wear eye protection. Safety equipment such as dust masks, non-skid safety shoes, hard hats, or hearing protection used for appropriate conditions will reduce personal injuries.
- Avoid accidental starting. Ensure the switch is in the off position before plugging in. Carrying power tools with your finger on the switch or plugging in power tools that have the switch on invites accidents.
- Remove any wrench before turning the power tool on. A wrench left attached to a rotating part may result in personal injury.
- Do not overreach. Keep proper footing and balance at all times. This enables better control of the power tool in unexpected situations.
- Dress properly. Do not wear loose clothing or jewelry. Keep your hair, clothing, and gloves away from moving parts. Loose clothes, jewelry, or long hair can be caught in moving parts.
POWER TOOL USE AND CARE
- Do not force the power tool. Use the correct accessories for your application. The correct power tool will do the job better and safer at the rate at which it was designed for.
- Do not use the power tool if the switch does not turn on and off. Any power tool that cannot be controlled with the switch is dangerous and must be repaired.
- Disconnect the plug from the power source before changing accessories, or storing power tools. Such preventive safety measures reduce the risk of starting the power tool accidentally.
- Store idle tools out of the reach of children and do not allow persons unfamiliar with the power tool or these instructions to operate it. Power tools are dangerous in the hands of untrained users.
- Maintain power tools. Check for misalignment or binding of moving parts, breakage of parts, and any other condition that may affect the power tool’s operation. If damaged, have the power tool repaired before use. Many accidents are caused by poorly maintained power tools.
- Use the power tool and accessories in accordance with these instructions and in the manner intended, taking into account the working conditions and the work to be performed. Use of the power tool for operations different from intended could result in a hazardous situation.
- The performance of this tool may vary, depending upon variations in line voltage. Extension cable usage may also affect performance.
SERVICE
1. Have your power tool serviced by qualified service personnel using only identical replacement parts. This will ensure that the safety of the power tool is maintained.
ADDITIONAL SAFETY WARNINGS FOR SANDERS
- Hold the power tool by insulated gripping surfaces, because the sanding belt /sanding base may contact its own cord. Cutting a “live” wire may make exposed metal parts of the power tool “live” which could give the operator an electric shock.
- Use clamps or another practical way to secure and support the workpiece to a stable platform. Holding the work by hand or against your body leaves it unstable and may lead to loss of control.
- Warning! Contact with or inhalation of dust arising from sanding applications may endanger the health of the operator and possible bystanders. Wear a dust mask specifically designed for protection against dust and fumes and ensure that persons within or entering the work area are also protected.
- Thoroughly remove all dust after sanding.
- Take special care when sanding paint that is possibly lead-based or when sanding some woods and metal which may produce toxic dust, -Do not let children or pregnant women enter the work area.
EXPLANATION OF SYMBOLS & PICTOGRAMS
- Read Instruction Manual Before Use.
- Wear safety glasses or goggles when using the tool.
- Wear ear protection when using this tool.
- Always wear gloves when working with metal workpieces.
- Wear a dust mask.
ACCESSORIES
The following belts are available from your Clarke dealer.
| DESCRIPTION | PART NUMBER |
| Pack of 5 120 Grit (fine) belts | 6502360 |
| Pack of 5 80 Grit (medium) belts | 6502365 |
| Pack of 5 60 Grit (coarse) belts | 6502370 |
ELECTRICAL CONNECTIONS
WARNING: READ THESE ELECTRICAL SAFETY INSTRUCTIONS THOROUGHLY BEFORE CONNECTING THE PRODUCT TO THE MAIN SUPPLY.
Before switching the product on, make sure that the voltage of your electricity supply is the same as that indicated on the rating plate. This product is designed to operate on 230VAC 50Hz. Connecting it to any other power source may cause damage. This product may be fitted with a non-rewireable plug. If it is necessary to change the fuse in the plug, the fuse cover must be refitted. If the fuse cover becomes lost or damaged, the plug must not be used until a suitable replacement is obtained. If the plug has to be changed because it is not suitable for your socket, or due to damage, it should be cut off and a replacement fitted, following the wiring instructions shown below. The old plug must be disposed of safely, as insertion into the main socket could cause an electrical hazard.
WARNING: THE WIRES IN THE POWER CABLE OF THIS PRODUCT ARE COLOURED IN ACCORDANCE WITH THE FOLLOWING CODE: BLUE = NEUTRAL BROWN = LIVE
If the colors of the wires in the power cable of this product do not correspond with the markings on the terminals of your plug, proceed as follows.
- The Blue wire must be connected to the terminal marked N or colored Black.
- the brown wire must be connected to the terminal marked L or colored Red.

We strongly recommend that this machine is connected to the mains supply via a Residual Current Device (RCD)
This symbol indicates that this is a Class II product, and does not require an earth connection.
PART IDENTIFICATION.

- Belt Tensioning Lever
- Arm Adjustment Lever
- Variable Speed Control Knob
- Safety Lock Button
- On/Off Trigger Switch
- Carbon Brush Cap
- Dustbag
- Belt Tracking Knob
- Arm
CARTON CONTENTS
The following items should be supplied. If any parts are missing or damaged, please contact the Clarke dealer where you purchased the tool.
- 1 x Electric Power File
- 5 x 13mm x 457mm 120 Grit Sanding Belts.
- 1 x Dust Collection Bag
- x Black Moulded Case
ASSEMBLY
WARNING: BEFORE ASSEMBLY, MAKE SURE THAT THE TOOL IS SWITCHED OFF AND UNPLUGGED.
FITTING THE SANDING ARM
- Insert the small spring into the recess as shown.

- Slide the sanding arm over the raised ‘pip’ and hold it in place.

- Pass the belt tracking knob through the casting into the sanding arm to lock the arm in position.

FITTING AND REMOVING SANDING BELTS
- Move the belt tensioning lever to the front position.

- Place the sanding belt over the front pulley and the rear pulley, sliding it through the slot in the housing.

• Make sure that the arrows on the inside of the sanding belt face the same direction as the arrows on the housing. - Move the belt tensioning lever to the rear position.
- Adjust the belt tracking as described See page 9.
ADJUSTING THE SANDING BELT TRACKING
- Switch the tool on.
- Turn the belt tracking knob as required until the sanding belt runs straight along the length of the arm.

FITTING AND REMOVING THE DUST BAG
WARNING: ALWAYS REMOVE THE DUSTBAG WHEN USING THE TOOL ON METAL WORKPIECES.
FITTING
1. Fit the dust bag over the dust extraction outlet.
REMOVING / EMPTYING THE DUST BAG
The dustbag should be emptied when full.
- Pull the dustbag off of the tool.
- Hold the dustbag over a bin and unzip the dustbag to empty the contents.
- Zip up the dustbag and slide it back onto the tool, making sure that it is securely located.
OPERATION
INTENDED USE
Your power file has been designed for sanding wood, metal, plastics, and painted surfaces.
SWITCHING ON AND OFF 
To switch the tool on, press the on/off trigger switch.
To switch the tool off, release the on/off trigger switch.
FOR CONTINUOUS OPERATION:
- Press the on/off trigger switch.
- Press the lock-on button.
- Release the on/off trigger switch.
- To switch the tool off when in continuous operation, press and release the on/off trigger switch.
VARIABLE SPEED CONTROL
The variable speed control allows you to adapt the speed of the tool to the workpiece material.
- Set the variable speed control knob to the required setting.

- Use a low-speed setting when using a fine grit, when working with plastics or ceramics and when removing painted or varnished surfaces.
- Use a high-speed setting when using a coarse grit and when removing a lot of material.
ADJUSTING THE ANGLE
To adjust the angle of the arm.
- Loosen the arm adjustment lever.
- Adjust the arm to one of the 14 positions from +30o to -90o.
- Move the arm adjustment lever to the lock position.
HINTS FOR OPTIMUM USE
- Always hold the tool securely.
- Do not exert too much pressure on the tool.
- Regularly check the condition of the sanding belt and replace it when necessary.
- On very uneven surfaces, or when removing layers of paint, start with coarse grit. On other surfaces, start with medium grit. In both cases, gradually change to fine grit for a smooth finish.
MAINTENANCE
WARNING: BEFORE PERFORMING ANY MAINTENANCE, SWITCH OFF AND UNPLUG THE TOOL.
Your tool has been designed to operate over a long period of time with a minimum of maintenance. Continuous satisfactory operation depends upon proper tool care and regular cleaning. Regularly clean the ventilation slots in your tool using a soft dry brush or dry cloth. Regularly clean the motor housing using a clean damp cloth. Do not use any abrasive or solvent-based cleaner.
CHANGING THE CARBON BRUSHES
Occasionally remove and inspect the motor brushes and replace them if necessary. When removing brushes, note which way round they are. The brushes must be returned exactly the same way. Never allow the brushes to wear more than two-thirds of their original length, (new brushes are approximately 13 mm long), fit new brushes when or before they are worn down to 5 mm.
VIBRATION
The declared vibration emission values stated in the specifications have been measured in accordance with a standard test method provided by EN 60745 and may be used for comparing one tool with another. The declared vibration emission value may also be used in a preliminary assessment of exposure.
WARNING: THE VIBRATION EMISSION VALUE DURING ACTUAL USE OF THE POWER TOOL CAN DIFFER FROM THE DECLARED VALUE DEPENDING ON THE WAYS IN WHICH THE TOOL IS USED. THE VIBRATION LEVEL MAY INCREASE ABOVE THE LEVEL STATED.
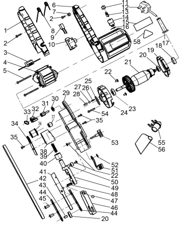
PARTS
PARTS LIST
| 1 | Handle |
| 2 | Screw |
| 3 | Speed Controller |
| 4 | Stator |
| 5 | Screw |
| 6 | Housing |
| 7 | Cable Clamp |
| 8 | Inductance |
| 9 | Capacitor |
| 10 | Switch |
| 11 | Carbon Brush Cover |
| 12 | Cable |
| 13 | Carbon Brush |
| 14 | Carbon Brush Holder |
| 15 | Brand Label |
| 16 | Spring |
| 17 | Cable Sleeve |
| 18 | Bearing Spacer 607 |
| 19 | Wind Fence |
| 20 | Bearing 626-2rs |
| 21 | Rotor Assembly |
| 22 | Screw |
| 23 | Bearing 608-2rz |
| 24 | Centre Housing |
| 25 | Seal Ring |
| 26 | Small Spring |
| 27 | Steel Ball |
| 28 | Small Steel Sleeve |
| 29 | Support Frame |
| 30 | Flat Washer |
| 31 | Hexagonal Bolt |
| 32 | Locking Lever |
| 33 | Circlip |
| 34 | Cover |
| 35 | Screw |
| 36 | Driving Roller |
| 37 | Bearing |
| 38 | Adjustor Body |
| 39 | Compression Spring |
| 40 | Dust Proof Ring |
| 41 | Support Bar |
| 42 | Sanding Belt 13 X 457 |
| 43 | Pin |
| 44 | Side Plate |
| 45 | Rivet |
| 46 | Buffer |
| 47 | Rivet |
| 48 | Compression Spring |
| 49 | Bracket Base |
| 50 | Bearing |
| 51 | Tension Lever |
| 52 | Wave Shape Washer |
| 53 | Tracking Adjuster Knob |
| 54 | Screw |
| 55 | Dust Exit |
| 56 | Dust Bag |
Part nos for this product carry the prefix HF (CPF13) when ordering replacement parts.
Replacement belts are available in packs of 5 as:
- Fine – 6502360
- Medium – 6502365
- Coarse – 6502370
































