
OWNERS MANUAL
MODEL:
SSIILLVVEERR SSCCRREEEENN 1144
Professional Popcorn Machine
PART NUMBER:
1111114477
115 volts, 60 hz
| WARNING ELECTRICAL SHOCK HAZARD. | |
| FAILURE TO FOLLOW THESE INSTRUCTIONS COULD RESULT IN SERIOUS INJURY OR DEATH. |
WARNING: Handling the cord on this product may expose you to lead, a chemical known to the State Of California to cause cancer and birth defects or other reproductive harm.
WASH HANDS AFTER HANDLING.
Electrical ground is required on this appliance.
- Do not modify the power supply cord plug. If it does not fit the outlet, have a proper outlet installed by a qualified electrician.
- Do not use an extension cord with this appliance.
- Check with a qualified electrician if you are in doubt as to whether the appliance is properly grounded.
SAFETY INSTRUCTIONS
- Plug the electrical cord into a certified electrical outlet with a corresponding voltage rating as listed on the machine model labels.
- Always unplug the electric cord when the appliance is not in use and before cleaning, adjusting or maintaining this steamer. Do not operate with a damaged cord or plug or after the machine malfunctions, has been dropped or damaged. Use authorized service for examination, electrical or mechanical adjustment or repair.
- This equipment will be HOT during use and for a short time after it is turned off. BE CAREFUL. To avoid burns, do not let bare skin touch hot surfaces. If provided, use handles when moving this appliance. Keep combustible materials away from appliances.
- Extreme caution is necessary when any appliance is used by or near children and whenever the appliance is left operating and unattended.
- This appliance is not intended for use in wet locations. Never locate an appliance where it may fall into a water container.
Do not insert or allow foreign objects to enter any ventilation or exhaust opening as this may cause an electrical shock, fire or damage to the appliance.
BBeenncchhmmaarrkk UUSSAA IInncc..
- 2255–JJ BBrrooookkffiieelldd OOaakkss DDrr.
- GGrreeeennvviillllee,, SSCC 2299660077
- TT:: 886644–331122–55550000
- FF:: 886644–331122–55550055
OPERATING INSTRUCTIONS
- Clean the machine thoroughly before use and check for any nuts or bolts that may have loosened during shipping of the merchandise.
- Plug the machine into a properly grounded 120 volt power supply.
- Install a 50 watt or smaller light bulb in the socket in the chassis (not necessary for operation). For best results use a 50 watt R20 mini flood bulb.
- Turn on the “POWER” switch.
- Adjust the “DECK TEMPERATURE” thermostat to desired temperature and the warming element in the base will be activated.
- Turn on “LIGHT” switch and the interior lamp will come on.
- Turn on the “KETTLE” switch to activate heat to the kettle and wait approximately 5 minutes to allow the kettle to get up to operating temperature.
- Turn on the “MOTOR” switch and the agitating motor will be activated.
- Using the Lid Lift Handle to open the lid, place 1 ¾ cup of raw popcorn kernels, ½ cup of cooking oil and 1 ½ teaspoons of seasoning salt into the kettle and lower the kettle lid. (use Benchmark USA part # 42004 – Popcorn measure kit)
- Allow the corn to pop until the popping ceases (3 seconds between pops) then dump the kettle by pulling downward on the handle.
- For additional batches repeat steps 9 & 10. It will not be necessary to wait 5 minutes since the kettle will already be up to operating temperature.
- After popping the final batch, turn off the “MOTOR” and “KETTLE” switch. The “LIGHT” and “POWER” switch may be left on during serving to keep popcorn fresh and warm.
- Allow kettle to cool and then with a damp cloth, wipe any excess oil from the inside and outside of the kettle to prevent burned on oil stains. Use caution as the kettle may still be HOT!.
KETTLE CARE
CAUTION: NEVER SUBMERGE THE KETTLE IN ANY LIQUID! IT WILL SHORT OUT THE ELECTRONIC COMPONENTS INSIDE OF IT AND VOID THE WARRANTY!
- Always turn off the “KETTLE” switch after popping the final batch of a session. Leaving it on will burn any residue oil that is left in the kettle.
- For routine cleaning: After popping the final batch of a session, use a damp cloth to wipe the excess oil from the interior and exterior of the kettle.
- Benchmark USA kettles are anodized to create an easy cleaning, non-stick surface. However, if excess oil is not removed it will eventually carbonize on the surface. For heavily built-up carbon removal it is recommended to use (Benchmark USA part # 43001 – kettle cleaning kit).
CABINET CARE
Always unplug the machine from the power supply before cleaning!
- The Stainless steel bottom tray, old-maid drawer and drop door are removable for easy cleaning in a sink or dishwasher. Use a mild detergent and water.
- Use a standard glass cleaner for the glass panels and corner posts.
POPPER ASSEMBLY
(complete part list on pase7)

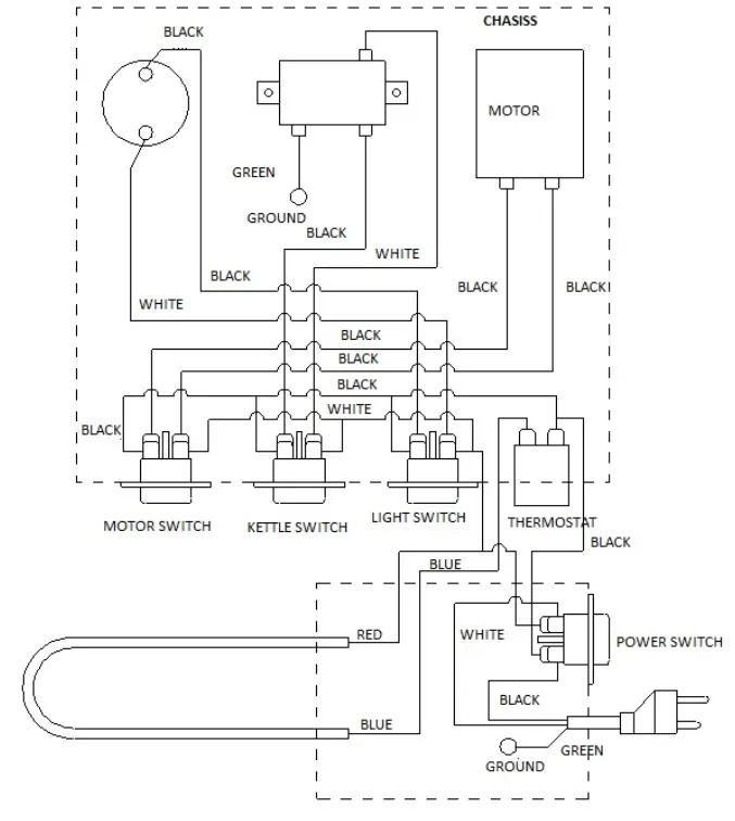
WIRING DIAGRAM
140Z POPCORN MACHINE

14 OUNCE KETTLE ASSEMBLY
(complete parts list on page 7)

SILVER SCREEN 14 CHASSIS ASSEMBLY 
PARTS LIST
| P/N | Description | P/N | Description | |
| 47014 | 14 ounce kettle -120 volt | 4003 | Glass channel set | |
| 47214 | 14 ounce kettle -240 volt | 47015 | Canopy | |
| 47001 | Popper Assembly | 47016 | Drawer | |
| 47002 | Chassis Assembly | 47017 | Stainless product tray | |
| 47003 | Wiring Diagram | 47018 | Stainless drop door | |
| 47004 | 200w Warmer element -120 volt | 47019 | Left door | |
| 47204 | 200w warmer element -240 volt | 47020 | Right door | |
| 47005 | Warmer clamp | 4012 | Door handle | |
| 47006 | Deck Warmer Thermostat | 4015 | Door magnet | |
| 47007 | Deck Temperature Indicator | 4020 | Door hinge set | |
| 47008 | 1500w kettle element -120 volt | 4035 | Terminal box cover | |
| 47208 | 1500w kettle element -240 volt | 47021 | Left kettle hanger SS14 | |
| 1039 | Thermostat | 47022 | Right kettle hanger SS14 | |
| 2001 | Power switch | 47023 | Lid and Stirrer Crossbar | |
| 2005 | Lamp socket | 5003 | Lamp Guard | |
| 2006 | Kettle socket | 47024 | 14 ounce kettle lid | |
| 2007 | Kettle plug | 47025 | 14 ounce kettle stirrer | |
| 2008 | Kettle pigtail w/plug | 47026 | Kettle handle for SS14 | |
| 2009 | Power cord w/plug | 5021 | Kettle handle complete SS8 | |
| 2018 | 120 volt (50/60 hz) gear motor | 47027 | Lid Lift Handle | |
| 2028 | 240 volt (50/60 hz) gear motor | 47028 | Kettle Gas Spring | |
| 47009 | Corner Post | 47029 | Gas Spring Hanger | |
| 47010 | Kettle Element Clamp | 5023 | Kettle hinge-pin/clip | |
| 47011 | Chassis | 5025 | Kettle lid magnet | |
| 47012 | Side glass | 47030 | 14 oz. Kettle jacket | |
| 47013 | Front glass | 47031 | 14 oz. kettle inner | |
Three Year Warranty
THE WARRANTY:
Benchmark USA warrants the original purchaser of new food equipment manufactured by Benchmark USA to be free from defects in material or workmanship from the date of the original purchase for a period of three years.
WHO IS COVERED BY THIS WARRANTY:
The original purchaser who has provided proper proof of the original retail purchase and all other requested information.
WHAT IS WARRANTIED:
The obligation of Benchmark USA under this warranty is limited to the replacement of any parts or components that in the opinion of Benchmark USA are defective, F.O.B. the factory, or at any other location that Benchmark USA may designate.
WHAT VOIDS THE WARRANTY:
- Any piece of equipment that has been installed, operated or maintained inconsistently with Benchmark USA operating instructions.
- Any part or component that has been modified, changed or altered from its original configuration.
- Any electrical component that has been damaged due to submergence in any liquid.
- Any part or component that has been subject to abuse, misuse, neglect or accidents.
EXTENT OF WARRANTY:
Any defective component, part or assembly returned to Benchmark USA will be replaced by Benchmark USA. Benchmark USA will not be responsible for any expenses incurred by the customer under the terms of this warranty, nor shall it be responsible for any damages either consequential, special, contingent, or otherwise; or expenses or injury arising directly or indirectly from the use of a Benchmark USA product. Any component, part or assembly returned to Benchmark USA must be returned at the customers expense along with proof of purchase. Benchmark USA reserves the right to determine whether the terms of this warranty have been properly complied with. In the event that the terms are not complied with, Benchmark USA shall be under no obligation to honor this warranty.
To Order Parts Contact:
Benchmark USA, Inc.
25-J Brookfield Oaks Dr.
Greenville, SC 29607 USA
Tel: 877-432-5500
Fax: 864-312-5505
Email: [email protected]



















