BainUltra Esthesia Addendum

INCLUDED: FREESTANDING ESTHESIA BATHS INSTALLATION INSTRUCTIONS
PARTS AND TOOLS
A. PARTS INCLUDED
- Floor anchoring
- Installation template
B. TOOLS REQUIRED
- 48-inch level
- Caulking gun
- Silicone
- Saw
- ABS & PVC Glue
SITE PREPARATION
Esthesia Freestanding models require a 13” x 14” (33 cm X 36 cm) compartment for the drain, distance air inlet, and space for control cables and options. Refer to the installation template.
ACCESS AND AIR INLET
For these models, the turbine is not installed on the bathtub. Determine a location near the bathtub at a maximum distance of 15 feet or (4.6 metres) under the floor, in a cabinet or any other location to conceal the turbine and optional accessory casings. The location chosen must also be accessible and allow sufficient air intake for the turbine. (Refer to the TURBINE – remote mounting INSTALLATION section of the Owner’s Manual).
INSTALLATION
LOCATION
- Place the installation template on the ground at the chosen location.

- Align the position of the overflow drain with the floor drain and ensure that the compart-ment size corresponds to requirements.
- Mark the location of the anchor point screws.
- Remove the installation template and screw in the anchor points in the marked locations.
INSTALLATION OF BATH
- Assemble the drain on the bathtub. Use the overflow assembly provided for the junction to the drain T-joint. Ensure watertightness. This operation is much easier to complete when the bathtub rests on its side. Place a cover or protective cardboard on the floor before positioning the bathtub on its side.
- If necessary, cut the overflow pipe to the desired length, and glue it to the PVC connector and to the drain.

- Apply a joint of silicone under the edge of the base of the bathtub.

- Install the bathtub on the anchor points fastened to the floor and immediately wipe away any excess silicone. Connect the drain.

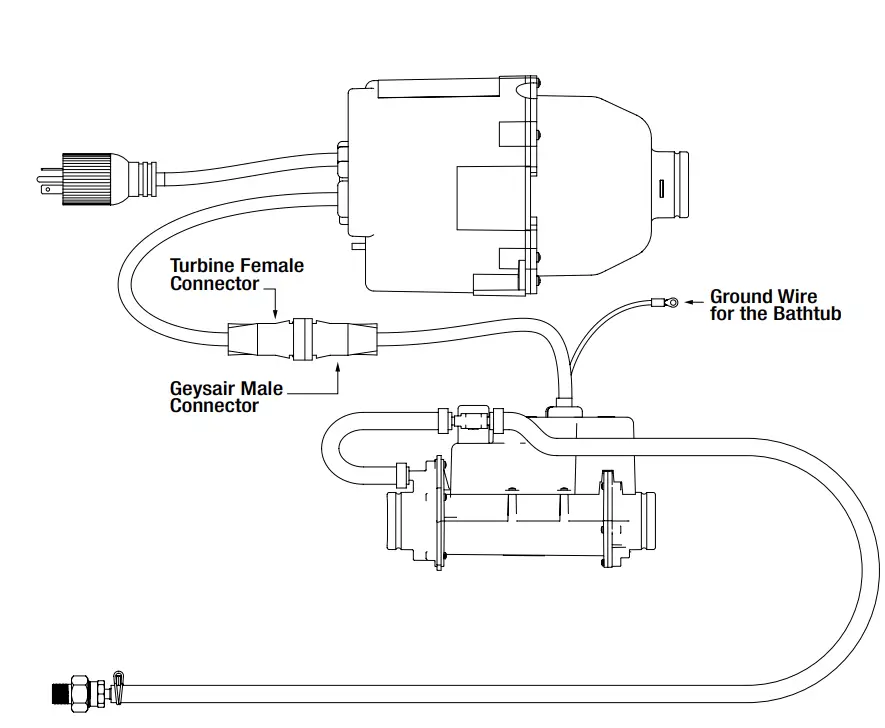
- Install the turbine according to the instructions in the TURBINE – DISTANCE INSTALLATION section of the manual. The air inlet is located to the right of the bathtub drain and, if applicable, control and option connection cables to the right. Connect control and option cables if applicable. For Geysair-equipped baths, also run the water hose and electrical wiring through the floor.

- For Geysair-equipped baths, connect the Geysair electrical wire supplied with the male connector with the turbine cable equipped with the female connector. Test for grounding continuity between the bath grounding terminal and the bath power supply. Failure to perform the grounding continuity test could result in serious personal injury.
NOTES
- To install the Esthesia Freestanding on a concrete slab with no place for the passage of the air inlet pipe to the bathtub: drill a hole 1 5/8 inches in diameter in the skirt.
IMPORTANT: drill the hole 1 1/2 inches above floor level and protect the bathtub with a piece of wood placed behind the location to be drilled.
1 800 463.2187
From 8 a.m. to 6 p.m. Monday to Thursday (EST) . From 8 a.m. to 5 p.m. on Friday (EST)
Printed in Canada. Copyright © July 2022 Bains Ultra Inc.® All rights reserved. 45200610
www.bainultra.com
Some products, specifications, and services mentioned in this manual are described in pending patent applications or are protected by patents.

























