ECX Ruckus ECX03431T1 1/10 2WD ELECTRIC MONSTER TRUCK

NOTICE
All instructions, warranties and other collateral documents are subject to change at the sole discretion of Horizon Hobby, LLC. For up-to-date product literature, visit http://www.horizonhobby.com and click on the support tab for this product.
MEANING OF SPECIAL LANGUAGE
The following terms are used throughout the product literature to indicate various levels of potential harm when operating this product:
WARNING: Procedures, which if not properly followed, create the probability of property damage, collateral damage, and serious injury OR create a high probability of superficial injury.
CAUTION: Procedures, which if not properly followed, create the probability of physical property damage AND a possibility of serious injury. NOTICE: Procedures, which if not properly followed, create a possibility of physical property damage AND little or no possibility of injury.
WARNING: Read the ENTIRE instruction manual to become familiar with the features of the product before operating. Failure to operate the product correctly can result in damage to the product, personal property and cause serious injury.
This is a sophisticated hobby product and NOT a toy. It must be operated with caution and common sense and requires some basic mechanical ability. Failure to operate this Product in a safe and responsible manner could result in injury or damage to the product or other property. This product is not intended for use by children without direct adult supervision. Do not use with incompatible components or alter this product in any way outside of the instructions provided by Horizon Hobby, LLC. This manual contains instructions for safety, operation and maintenance. It is essential to read and follow all the instructions and warnings in the manual, prior to assembly, setup or use, in order to operate correctly and avoid damage or serious injury.
Age Recommendation: Not for children under 14 years. This is not a toy.
Safety Precautions and Warnings
As the user of this product, you are solely responsible for operating in a manner that does not endanger yourself and others or result in damage to the product or property of others.
This model is controlled by a radio signal subject to interference from many sources outside your control. This interference can cause momentary loss
of control, so it is advisable to always keep a safe distance in all directions around your model as this margin will help avoid collisions or injury.
- Never operate your model with low transmitter batteries.
- Always operate your model in open spaces away from full-size vehicles, traffic and people.
- Never operate the model in the street or in populated areas for any reason.
- Carefully follow the directions and warnings for this and any optional support equipment (chargers, rechargeable battery packs, etc.) you use.
- Keep all chemicals, small parts and anything electrical out of the reach or children.
- Never lick or place any portion of the model in your mouth as it could cause serious injury or even death.
- Exercise caution when using tools and sharp instruments.
- Take care during maintenance as some parts may have sharp edges.
- Immediately after using your model, do NOT touch equipment such as the motor, electronic speed control and battery, because they generate high temperatures. You may burn yourself seriously touching them.
- Do not put fingers or any objects inside rotating and moving parts, as this may cause damage or serious injury.
- Always turn on your transmitter before you turn on the receiver in the car. Always turn off the receiver before turning your transmitter off.
- Keep the wheels of the model off the ground when checking the operation of the radio equipment.
WATER-RESISTANT VEHICLE WITH WATERPROOF ELECTRONICS
Your new Horizon Hobby vehicle has been designed and built with a combination of waterproof and water-resistant components to allow you to operate the product in many “wet conditions,” including puddles, creeks, wet grass, snow and even rain.
While the entire vehicle is highly water-resistant, it is not completely waterproof and your vehicle should NOT be treated like a submarine. The various electronic components used in the vehicle, such as the Electronic Speed Control (ESC) and servo(s) are waterproof, however, most of the mechanical components are water-resistant and should not be submerged.
Metal parts, including the bearings, hinge pins, screws and nuts, as well as the contacts in the electrical cables, will be susceptible to corrosion if additional maintenance is not performed after running in wet conditions. To maximize the long-term performance of your vehicle and to keep
the warranty intact, the procedures described in the “Wet Conditions Maintenance” section below must be performed regularly if you choose to run in wet conditions. If you are not willing to perform the additional care and maintenance required, then you should not operate the vehicle in those conditions.
General Precautions
- Read through the wet conditions maintenance procedures and make sure that you have all the tools you will need to properly maintain your vehicle.
- Not all batteries can be used in wet conditions. Consult the battery manufacturer before use. Do not use Li-Po batteries in wet conditions.
- The included transmitter is not waterproof or water-resistant. If using
a different transmitter than the one included, consult your transmitter’s manual or the manufacturer before operation. - Never operate your transmitter or vehicle where lightning may be present.
- Do not operate your vehicle where it could come in contact with salt water (ocean water or water on salt-covered roads), contaminated or polluted water. Salt water is very conductive and highly corrosive, so use caution.
- Even minimal water contact can reduce the life of your motor if it has not been certified as water-resistant or waterproof. If the motor becomes excessively wet, apply very light throttle until the water is mostly removed from the motor. Running a wet motor at high speeds may rapidly damage the motor.
- Driving in wet conditions can reduce the life of the motor. The additional resistance of operating in water causes excess strain. Alter the gear ratio by using a smaller pinion or larger spur gear. This will increase torque (and motor life) when running in mud, deeper puddles, or any wet conditions that will increase the load on the motor for an extended period of time.
CAUTION: Failure to exercise caution while using this product and complying with the following precautions could result in product malfunction and/or void the warranty.
Wet Conditions Maintenance
- Remove the battery pack(s) and dry the contacts. If you have an air compressor or a can of compressed air, blow out any water that may be inside the recessed connector housing.
- Remove the tires/wheels from the vehicle and gently rinse the mud and dirt off with a garden hose. Avoid rinsing the bearings and transmission.
NOTICE: Never use a pressure washer to clean your vehicle. - Use an air compressor or a can of compressed air to dry the vehicle and help remove any water that may have gotten into small crevices or corners.
SPECIFICATIONS
Transmitter
- Frequency 2.4GHz
- Power Output (EIRP) ≤10 dBm
- Battery AA x 4
Servo
- Power Supply 4.8V~6V
- Output Torque 41.66 oz (3 kg-cm)
- Operating Speed 0.23sec/60 degrees of travel
- Size 55.6 x 18 x 30mm
Electronic Speed Control (ESC)
- Input Voltage 2–3S LiPo; 5–9 cell NiMH/NiCd
- Electric Capacity Forward 60A/360A
- BEC Voltage 6V
- Size 35.6mm x 34mm x 18mm
- Weight 1.41 oz (40 g)
BOX CONTENTS

- ECX® Ruckus® Monster Truck or Torment™ Short Course Truck
- Spektrum™ STX2® 2-CH Transmitter (SPMSTX200)
- AA (4) Batteries
- Dynamite® 15T Brushed Motor (DYN1172)
- Dynamite® 60A WP Brushed ESC (DYNS2210)
- Spektrum™ SRX200 2-CH Receiver (SPMSRX200)
QUICK START
Please read the entire manual to gain a full understanding of the vehicle, fine-tuning the setup and performing maintenance.
- Read the safety precautions found in this manual.
- Charge a battery for the vehicle. Refer to the included charging warnings and instructions for battery charging information.
- Install the AA batteries in the transmitter. Only use alkaline or rechargeable batteries.
- Install the fully charged battery in the vehicle.
- Power ON the transmitter and then the vehicle. Wait 5 seconds for the ESC to initialize. Always power the transmitter ON before the vehicle and power it OFF after the vehicle has been powered OFF.
- Check the steering and throttle control directions. Verify that the servos are moving in the correct direction.
- Drive your vehicle.
- Perform any necessary maintenance.
VEHICLE PREPARATIONS
INSTALLING THE BATTERY
- Turn the battery clips (A) clockwise to remove the battery strap (B).
- Install a fully charged battery.
- Install the battery strap.
- Turn the battery clips counterclockwise to secure the battery strap.
Place foam blocks (ECX2015) in front of the battery so the weight of the battery increases rear traction or in back of the battery to increase steering response.
CAUTION: Connecting the battery to the ESC with reversed polarity will cause damage to the ESC, the battery or both. Damage caused by incorrectly connecting the battery is not covered under warranty.
TRANSMITTER CONTROLS

- Steering Wheel Controls direction (left/right) of the model
- Throttle Trigger Controls speed and direction (forward/brake/reverse) of the model
- ON/OFF Switch Turns the power ON/OFF for the transmitter
- Throttle Limiting Switch Adjusts the throttle limit from 50%, 75%, and 100%
- TH Rate Adjusts the end point of the throttle
- TH Trim Adjusts the throttle neutral point
- TH REV Reverses the function of the speed control when pulled back or pushed forward
- ST REV Reverses the function of the steering when the wheel is turned left or right
- ST Trim Adjusts the steering center point
- ST Rate Adjusts the end point of the steering
- Antenna Transmits the signal to the model
- Indicator Lights
- Solid red lights—indicates radio connectivity and adequate battery power
- Flashing red lights—indicates the battery voltage is critically low. Replace batteries
INSTALLING TRANSMITTER BATTERIES

This transmitter requires 4 AA batteries.
- Remove the battery cover from the transmitter.
- Install the batteries as shown.
- Install the battery cover.
CAUTION: Never remove the transmitter batteries while the model is powered ON. Loss of model control, damage, or injury may occur.
CAUTION: If using rechargeable batteries, charge only rechargeable batteries. Charging non-rechargeable batteries may cause the batteries to burst, resulting in injury to persons and/or damage to property.
CAUTION: Risk of explosion if battery is replaced by an incorrect type. Dispose of used batteries according to national regulations.
BINDING
Binding is the process of programming the receiver to recognize the GUID (Globally Unique Identifier) code of a single specific transmitter. The STX2® transmitter and SPMSRX200 receiver are bound at the factory. If you need to rebind, follow the instructions below.

- With the vehicle on a flat, level surface, insert the Bind Plug in the BIND port on the receiver.
- Connect a fully charged battery pack to the ESC.
- Power on the ESC. The red LED flashes, indicating the receiver is in bind mode.
- Center the ST TRIM and TH TRIM dials on the transmitter.
- Turn the steering wheel to Full Right. Power the transmitter on while holding the steering wheel to the Right.
- Release the steering wheel when the receiver LED stops flashing.
- Remove the Bind Plug, then power off the receiver to save the settings.
- Power off the transmitter.
- Remove the bind plug and store it in a convenient place.
You must rebind when:
- Different failsafe positions are desired e.g., when throttle or steering reversing has been changed.
- Binding the receiver to a different transmitter.
CHANGING THE THROTTLE LIMIT

Beginner Mode
Throttle Limiting Switch: 50%
- Best for learning the basic functions of left, right, stop, brake and reverse
- For use in smaller areas
- Longest battery life
Best Overall Performance (Default)
Throttle Limiting Switch: 75%
- Great top speed and acceleration
- Easier to accelerate in desired direction, especially on loose surfaces when compared to Maximum Speed setup
- Run time is greatly increased over Maximum Speed setup with minimal impact to top speed
Maximum Speed
Throttle Limiting Switch: 100%
- More capable of popping and holding wheelies
- Higher top speeds and maximum acceleration
GETTING STARTED
- Power on the transmitter.

- Power on the ESC.

- Perform a test of the transmitter’s control of the vehicle with the vehicle’s wheels off the ground.

- Start driving slowly, and, if the vehicle does not go straight, adjust the steering trim dial on the transmitter.

IMPORTANT: Seat the motor brushes by driving smoothly on a flat surface during use of the first battery charge. Properly seating the motor brushes will increase the life and performance of the motor.
OPERATION
- ALWAYS turn on your transmitter before you turn on the receiver in the vehicle. Always power off the receiver before turning your transmitter off.

- ALWAYS operate your vehicle in a wide open area. Operating the vehicle in a small space or indoors can cause overheating at low speeds. Operating at low speed increases heat in the electronic speed control (ESC). Overheating can damage the vehicle and failure may result.

WHEN YOU ARE FINISHED
- Power off the ESC.

- Disconnect the battery.

- Power off the transmitter.

- Remove the battery from the vehicle.

- Recharge the battery.

MOTOR CARE
- Seat the motor brushes by driving smoothly on a flat surface during use of the first battery charge. Failing to do so can greatly reduce motor performance and functional life.
- Prolong motor life by preventing overheating conditions. Undue motor wear results from frequent turns, stops and starts, pushing objects, driving in deep water and tall grass, and driving continuously up hill. Allow the motor to cool completely before running the vehicle.
- Over-temperature protection is installed on the ESC to prevent circuit damage, but cannot protect the motor from driving against heavy resistance.
MAINTENANCE
SETTING THE GEAR MESH
The gear mesh has already been set at the factory. Setting the gear mesh is only necessary when changing motors or gears.
You must remove the vehicle’s gear cover (A) to make this adjustment.
Proper gear mesh (how the gear teeth meet) is important to the performance of the vehicle. When the gear mesh is too loose, the spur gear could be damaged by the pinion gear of the motor. If the mesh is too tight, speed could be limited and the motor and ESC will overheat.
Set the gear mesh by following these simple steps:
- Loosen the 2 motor screws (B).
- Put a small piece of paper (C) between the pinion and spur gears.
- Push the gears together while tightening the motor screws.

- Rotate the gears to remove the paper. The gearing should move a small amount.
- Reinstall the gear cover.
ELECTRONIC SPEED CONTROL (ESC)
Programming: The ESC comes with one jumper pre-installed:
BATT: Li-Po configuration.
The throttle setting without the jumper indicates Throttle/Brake/Reverse. Always use this setting for this vehicle.
To change the battery type to Ni-MH, disconnect the jumper from the default port and connect it to the Ni-MH port. If the jumper is removed from the BATT port, the default setting is Li-Po mode. Power off the ESC, then power it back on.
If the jumpers are lost or not installed, the ESC will default to REV: ON and BATT: Li-Po.
NOTICE: Only use the Ni-MH port when using Ni-MH batteries. Using the Ni-MH port with a Li-Po battery can cause serious damage to the battery and is unsafe.
ELECTRICAL LAYOUT
| Part # | Description | |
| A | DYN1172 | Motor |
| B | Needed to complete | Battery 7.4V |
| C | SPMS603* | Waterproof Steering Servo |
| D | SPMSRX200 | Receiver |
| E | DYNS2210 | Waterproof Electronic Speed Control (ESC) |
| F | Channel 1 | |
| G | Channel 2 | |
OEM part only. Replacement, please use part SPMSS6170.}
For correct operation, Channels 1 and 2 must be used as shown in the wiring diagram. The motor can be disconnected from the ESC at the connectors in the wiring.
SHOCK CLEANING
Oil-filled shocks require regular maintenance because oil breaks down and/or gets dirty. Perform this maintenance every 3–5 hours of use, depending on useage conditions.
- Remove the shock from the vehicle.
- Remove the cap from the shock body and dispose of fluid.
- Disassemble the shock. Clean thoroughly with a plastic- and electronic-safe degreaser (DYNE50001). Dry parts before assembly.
- Re-assemble the shock and refill the shock body with silicone fluid (30 weight recommended).
- Slowly move the shaft and piston up and down to remove air bubbles.
- Move the piston to the midway point of the body and install the cap.
- Wipe off any overflowing fluid.
- When properly filled, the piston should rebound about 3/8 in (9.5mm) after being pushed in fully.
- Re-install the shock on the vehicle.
RIDE HEIGHT ADJUSTMENT
Ride height is an adjustment that affects the way the vehicle jumps, turns and goes over bumps. Drop one end of the vehicle from approximately 6 inches (152 mm) in height onto a flat surface. When dropping the front of the vehicle, after the vehicle settles, make sure the front arms are equal and parallel to the flat surface. Do the same with the rear to make sure both arms are parallel with the flat surface.
Lowering the front ride height increases steering, but decreases traction. Lowering the rear ride height increases traction, but decreases steering.
| Part # | Description |
| ECX1036 | Shock Body Set |
| ECX1037 | Shock Caps, Pistons |
| ECX1038 | Shock Parts Set |
| ECX1039 | Front Shock Shaft (2) |
| ECX1040 | Rear Shock Shaft (2) |
| ECX1041 | Front Shock Springs (2) |
| ECX1042 | Rear Shock Springs (2) |
| ECX1043 | Shock O-Ring Set |
FASTENERS
| No. Description | No. Description | No. Description | No. Description |
| TAPPING BINDER HEAD M3x10mm | TAPPING FLAT HEAD M2x16mm | STEP SCREW M3x0.5×7.4mm | WASHER 5x7x0.5mm |
| TAPPING BINDER HEAD M3x12mm | BINDER HEAD M3x8mm | STEP SCREW M3x0.5×13.4mm | WASHER 3x8x0.5mm |
| TAPPING BINDER HEAD M3x16mm | BINDER HEAD M3x12mm | STEP SCREW M3x0.5×10.5mm | WASHER 2x7x0.5mm |
| TAPPING BINDER HEAD M3x18mm | BINDER HEAD M3x20mm | SETSCREW M3x3mm | FLANGED LOCK NUT M4 |
| TAPPING FLAT HEAD M3x10mm | BINDER HEAD M3x25mm | SETSCREW M3x12mm | LOCK NUT M3 |
| TAPPING FLAT HEAD M3x12mm | BUTTON HEX M2.5x4mm | SET SHAFT SCREW M3x13mm | E-CLIP E2.5 |
| TAPPING FLAT HEAD M3x15mm | BUTTON HEX M2.5x8mm | LOCK WASHER |
TROUBLESHOOTING GUIDE
| Problem | Possible Cause | Solution |
| Short run time | Battery damaged/not charged | Check/change battery |
| Motor dirty | Check/clean | |
| Sluggish action | Motor dirty | Check/clean |
| Bind in drivetrain | Clean/adjust | |
| Vehicle battery is not charged | Replace/recharge | |
| Controls reversed | ST. REV or TH. REV | Change switch position |
| Motor/ESC overheat | Over-geared for the driving environment | Install smaller pinion on the motor |
|
Does not operate | Transmitter batteries low | Replace/recharge |
| Transmitter powered off | Power on | |
| ESC powered off | Power on | |
| Vehicle battery is not charged | Replace/recharge | |
| Dual-rate (D/R) steering and/or throttle knobs on transmitter are turned counterclockwise | Adjust dual-rate (D/R) steering or throttle knobs clockwise to desired setting | |
| Poor range | Transmitter batteries low | Replace/recharge |
| Receiver antenna damaged | Check/repair/replace | |
|
The system will not connect | Transmitter and receiver too near each other | Move transmitter 3.3–9.8ft (1–3m) from receiver |
| Transmitter and receiver too near large metal objects (vehicles, etc.) | Move away from large metal objects (vehicles, etc.) | |
| Throttle trim out of center on transmitter | Set throttle trim on transmitter to zero. Turn off and on transmitter and vehicle | |
| Receiver accidentally put in bind mode so receiver is no longer bound | Rebind transmitter and receiver | |
| The receiver goes into failsafe mode a short distance away from the transmitter | Check the receiver antenna to be sure it is not cut or damaged | Make sure the antenna is in the antenna tube Contact Horizon Product Support |
| The receiver quits responding during operation | Low battery voltage | Completely recharge battery |
| Loose or damaged wires or connectors between battery and receiver | Do a check of the wires and connection between battery and receiver. Repair or replace wires and/or connectors | |
| Receiver and transmitter are not bound | Transmitter accidentally put in bind mode, ending bind to receiver | Bind transmitter to receiver |
| Vehicle moves forward or back- ward without input from user | Throttle trim on transmitter not centered | Adjust throttle trim on transmitter to neutral point |
| Car does not drive straight | Steering trim on transmitter not centered | Adjust steering trim on transmitter so the vehicle drives straight |
| No steering or lack of steering | Steering dual-rate (D/R) on transmitter not adjusted correctly | Adjust steering dual-rate (D/R) knob on transmitter clockwise to desired steering throw |
| Servo failed | Contact Horizon Product Support | |
|
No throttle or lack of throttle | Throttle dual-rate (D/R) on transmitter not adjusted correctly | Adjust throttle dual-rate (D/R) knob on transmitter clockwise to desired steering throw |
| ESC failed | Contact Horizon Product Support | |
| Motor failed | Contact Horizon Product Support | |
| Clicking noise in transmission area | Dirt or rocks in spur gear | Remove gear cover and inspect. If necessary, replace gear |
| Motor moved away from spur gear | Reset gear mesh |
LIMITED WARRANTY
What this Warranty Covers
Horizon Hobby, LLC, (Horizon) warrants to the original purchaser that the product purchased (the “Product”) will be free from defects in materials and workmanship at the date of purchase.
What is Not Covered?
This warranty is not transferable and does not cover (i) cosmetic damage, (ii) damage due to acts of God, accident, misuse, abuse, negligence, commercial use, or due to improper use, installation, operation or maintenance, (iii) modification of or to any part of the Product, (iv) attempted service by anyone other than a Horizon Hobby authorized service center, (v) Product not purchased from an authorized Horizon dealer, or (vi) Product not compliant with applicable technical regulations or (vii) use that violates any applicable laws, rules, or regulations.
OTHER THAN THE EXPRESS WARRANTY ABOVE, HORIZON MAKES NO OTHER WARRANTY OR REPRESENTATION, AND HEREBY DISCLAIMS ANY AND ALL IMPLIED WARRANTIES, INCLUDING, WITHOUT LIMITATION, THE IMPLIED WARRANTIES OF NON-INFRINGEMENT, MERCHANTABILITY AND FITNESS FOR A PARTICULAR PURPOSE. THE PURCHASER ACKNOWLEDGES THAT THEY ALONE HAVE DETERMINED THAT THE PRODUCT WILL SUITABLY MEET THE REQUIREMENTS OF THE PURCHASER’S INTENDED USE.
Purchaser’s Remedy
Horizon’s sole obligation and purchaser’s sole and exclusive remedy shall be that Horizon will, at its option, either (i) service, or (ii) replace, any Product determined by Horizon to be defective. Horizon reserves the right to inspect any and all Product(s) involved in a warranty claim. Service or replacement decisions are at the sole discretion of Horizon. Proof of purchase is required for all warranty claims. SERVICE OR REPLACEMENT AS PROVIDED UNDER THIS WARRANTY IS THE PURCHASER’S SOLE AND EXCLUSIVE REMEDY.
Limitation of Liability
HORIZON SHALL NOT BE LIABLE FOR SPECIAL, INDIRECT, INCIDENTAL
OR CONSEQUENTIAL DAMAGES, LOSS OF PROFITS OR PRODUCTION OR COMMERCIAL LOSS IN ANY WAY, REGARDLESS OF WHETHER SUCH CLAIM IS BASED IN CONTRACT, WARRANTY, TORT, NEGLIGENCE, STRICT LIABILITY OR ANY OTHER THEORY OF LIABILITY, EVEN IF HORIZON HAS BEEN ADVISED OF THE POSSIBILITY OF SUCH DAMAGES. Further, in no event shall the liability of Horizon exceed the individual price of the Product on which liability is asserted. As Horizon has no control over use, setup, final assembly, modification or misuse, no liability shall be assumed nor accepted for any resulting damage or injury. By the act of use, setup or assembly, the user accepts all resulting liability. If you as the purchaser or user are not prepared to accept the liability associated with the use of the Product, purchaser is advised to return the Product immediately in new and unused condition to the place of purchase.
Law
These terms are governed by Illinois law (without regard to conflict of law principals). This warranty gives you specific legal rights, and you may also have other rights which vary from state to state. Horizon reserves the right to change or modify this warranty at any time without notice.
WARRANTY SERVICES
Questions, Assistance, and Services
Your local hobby store and/or place of purchase cannot provide warranty support or service. Once assembly, setup or use of the Product has been started, you must contact your local distributor or Horizon directly. This will enable Horizon to better answer your questions and service you in the event that you may need any assistance. For questions or assistance, please visit our website at www.horizonhobby.com, submit a Product Support Inquiry, or call the toll free telephone number referenced in the Warranty and Service Contact Information section to speak with a Product Support representative.
Inspection or Services
If this Product needs to be inspected or serviced and is compliant in the country you live and use the Product in, please use the Horizon Online Service Request submission process found on our website or call Horizon to obtain a Return Merchandise Authorization (RMA) number. Pack the Product securely using a shipping carton. Please note that original boxes may be included, but are not designed to withstand the rigors of shipping without additional protection. Ship via a carrier that provides tracking and insurance for lost or damaged parcels, as Horizon is not responsible for merchandise until it arrives and is accepted at our facility. An Online Service Request is available at http://www. horizonhobby.com/content/service-center_render-service-center. If you do not have internet access, please contact Horizon Product Support to obtain a RMA number along with instructions for submitting your product for service. When calling Horizon, you will be asked to provide your complete name, street address, email address and phone number where you can be reached during business hours. When sending product into Horizon, please include your RMA number, a list of the included items, and a brief summary of the problem. A copy of your original sales receipt must be included for warranty consideration. Be sure your name, address, and RMA number are clearly written on the outside of the shipping carton.
NOTICE: Do not ship Li-Po batteries to Horizon. If you have any issue with a Li-Po battery, please contact the appropriate Horizon Product Support office.
Warranty Requirements
For Warranty consideration, you must include your original sales receipt verifying the proof-of-purchase date. Provided warranty conditions have been met, your Product will be serviced or replaced free of charge. Service or replacement decisions are at the sole discretion of Horizon.
Non-Warranty Service
Should your service not be covered by warranty, service will be completed and payment will be required without notification or estimate of the expense unless the expense exceeds 50% of the retail purchase cost. By submitting the item for service you are agreeing to payment of the service without notification. Service estimates are available upon request. You must include this request with your item submitted for service. Non-warranty service estimates will be billed a minimum of ½ hour of labor. In addition you will be billed for return freight. Horizon accepts money orders and cashier’s checks, as well as Visa, MasterCard, American Express, and Discover cards. By submitting any item to Horizon for service, you are agreeing to Horizon’s Terms and Conditions found on our website http://www. horizonhobby.com/content/service-center_render-service-center.
ATTENTION: Horizon service is limited to Product compliant in the country of use and ownership. If received, a non-compliant Product will not be serviced. Further, the sender will be responsible for arranging return shipment of the un-serviced Product, through a carrier of the sender’s choice and at the sender’s expense. Horizon will hold non-compliant Product for a period of 60 days from notification, after which it will be discarded.
WARRANTY AND SERVICE CONTACT INFORMATION
| Country of Purchase | Horizon Hobby | Contact Information | Address |
|
United States of America | Horizon Service Center (Repairs and Repair Requests) | servicecenter.horizonhobby.com/ RequestForm/ |
1608 Interstate Drive Champaign, Illinois, 61822 USA |
| Horizon Product Support (Product Technical Assistance) | [email protected] | ||
| 877-504-0233 | |||
| Sales | [email protected] 800-338-4639 | ||
| European Union | Horizon Technischer Service | [email protected] +49 (0) 4121 2655 100 | Hanskampring 9 D 22885 Barsbüttel, Germany |
| Sales: Horizon Hobby GmbH |
FCC INFORMATION
FCC ID: 2AI3D-SS0001 This equipment has been tested and found to comply with the limits for Part 15 of the FCC rules. These limits are designed to provide reasonable protection against harmful interference in a residential installation. This equipment generates uses and can radiate radio frequency energy and, if not installed and used in accordance with the instructions, may cause harmful interference to radio communications.
However, there is no guarantee that interference will not occur in a particular installation. If this equipment does cause harmful interference to radio or television reception, which can be determined by turning the equipment off and on, the user is encouraged to try to correct the interference by one or more of the following measures:
- Reorient or relocate the receiving antenna.
- Increase the separation between the equipment and receiver.
- Connect the equipment to an outlet on a circuit different from that to which the receiver is connected.
- Consult the dealer or an experienced radio/TV technician for help.
This device complies with part 15 of the FCC rules. Operation is subject to the following two conditions:
- This device may not cause harmful interference, and
- This device must accept any interference received, including interference that may cause undesired operation.
NOTICE: Modifications to this product will void the user’s authority to operate this equipment.
Antenna Separation Distance
When operating your Spektrum transmitter, please be sure to maintain a separation distance of at least 5 cm between your body (excluding fingers, hands, wrists, ankles and feet) and the antenna to meet RF exposure safety requirements as determined by FCC regulations. The following illustrations show the approximate 5 cm RF exposure area and typical hand placement when operating your Spektrum transmitter.
IC INFORMATION
IC ID: 21682-SSTC9202 This device complies with Industry Canada license-exempt RSS standard(s). Operation is subject to the following two conditions:
- This device may not cause interference, and
- This device must accept any interference, including interference that may cause undesired operation of the device.
EU Compliance Statement: Horizon Hobby, LLC hereby declares that this product is in compliance with the essential requirements and other relevant provisions of the RED and EMC directives.
A copy of the EU Declaration of Conformity is available online at: http://www.horizonhobby.com/content/support-render-compliance.
Instructions for disposal of WEEE by users in the European Union
This product must not be disposed of with other waste. Instead, it is the user’s responsibility to dispose of their waste equipment by handing it over to a designated collections point for the recycling of waste electrical and electronic equipment. The separate collection and recycling of your waste equipment at the time of disposal will help to conserve natural resources and ensure that it is recycled in a manner that protects human health and the environment. For more information about where you can drop off your waste equipment for recycling, please contact your local city office, your household waste disposal service or where you purchased the product.
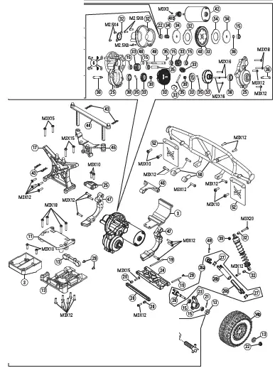
RUCKUS PARTS DIAGRAM

TORMENT PARTS DIAGRAM


Replacement Parts
| Part # | Description | |||||
| 1 | ECX2008 | Main Chassis | ||||
| 2 | ECX1028 | Servo Saver Set | ||||
| 3 | ECX2011 | Cover and Rear Mount Set | ||||
| 4 | ECX1050 | Setscrew M3 x 12 (4) | ||||
| 5 | ECX1053 | Foam Block | ||||
| 6 | ECX1098 | Motor Screw/Washer Set | ||||
| 7 | ECX1058 | Ball Stud (6) | ||||
| 8 | ECX1065 | Shoulder Screw Set (8) | ||||
| 9 | SPMSRX200 | 2-Ch Receiver | ||||
| 11 | ECX231003 | Battery Strap, ESC Plate | ||||
| 12 | ECX231002 | Rear Bumper Set | ||||
| 13 | ECX2006 | Suspension Arm Mount Set | ||||
| 14a | ECX43008 | FR/RR Wheel/Tire, Premount, Black (2) | ||||
| 14b | ECX4003 | FR/RR Wheel/Tire, Premount, Black (2) | ||||
| 15 | ECX1015 | Ball Bearing 5 x 10 x 4mm (8) | ||||
| 16 | ECX1018 | Front Suspension Arm Set | ||||
| 17 | ECX1020 | Shock Tower Set | ||||
| 18 | ECX1035 | Front Axle (2) | ||||
| 19 | ECX1044 | Hinge Pin Set | ||||
| 20 | ECX1046 | Camber, Toe Link Set | ||||
| 21 | ECX1049 | Wheel Pins (4) | ||||
| 22 | ECX1060 | M4 Locknut (4) | ||||
| 23 | ECX234000 | Caster Block, Steer Block, RR Hub (2) | ||||
| 24 | ECX1019 | Rear Suspension Arm Set | ||||
| 25 | ECX1021 | Transmission Case Set | ||||
| 26a | ECX232000 | Long Driveshaft Set, Complete HD (2) | ||||
| 26b | ECX232002 | Long Driveshaft, Plastic Only HD (2) | ||||
| 27 | ECX232005 | Driveshaft Pivot Ball (4) | ||||
| 28 | ECX232001 | Rear Axle (2) | ||||
| 29 | ECX1045 | Button Head Screw 2.5 x 4mm (8) | ||||
| 30 | DYNS2210 | WP 60A FWD/REV Brushed ESC (ESC) | ||||
| 31 | ECX1037 | Shock Caps, Pistons, Pivot Ball Set | ||||
| 32 | ECX1027 | Gear Cover | ||||
| 33 | ECX1022 | Transmission Gear Set | ||||
| 34 | ECX1024 | Slipper Clutch Plates, Pads, Spring | ||||
| 35 | ECX1025 | Transmission Idler Shaft, Drive Pins | ||||
| 36 | ECX1026 | Transmission Drive Shaft (2) | ||||
| 37 | ECX1052 | Washer/Shim Set | ||||
| 38 | ECX1055 | Bearings 10 x 15 x 4mm (2) | ||||
| 39 | ECX1059 | M3 Locknut (4) | ||||
| 40 | ECX1076 | Spur Gear 48P, 87T | ||||
| 41a | ECX232029 | 17T, 48P Pinion Gear | ||||
| 41b | ECX1073 | 19T, 48P Pinion Gear | ||||
| 42 | DYN1172 | Dynamite 15T 540 Brushed Motor | ||||
| 43 | ECX1048 | Body Clip (8) | ||||
| 44 | ECX2010 | Body Post Set | ||||
| 45 | ECX2009 | Body Mount Set | ||||
| 46 | ECX2007 | Skid Plate Set | ||||
| 47 | ECX2013 | RR Bump Mount | ||||
| 48 | ECX1023 | Top Shaft/Spacer | ||||
| 49 | ECX1033 | Setscrew M3 x 10 | ||||
| 50 | ECX231001 | Front Bumper Set | ||||
| ECX230023 | Body: 1/10 K&N Torment | |||||
| ECX230038 | Body, Black/Yellow | |||||
| ECX230039 | Body, Orange | |||||
| ECX230040 | Body, Yellow/Blue | |||||
| ECX230041 | Body, Lucas Oil | |||||
| SPMSTX200 | STX2 2CH Transmitter | |||||
Optional Parts /
| Part # | Description |
| DYN1400 | LiPo Charge Protection Bag,Small |
| DYN1405 | LiPo Charge Protection Bag, Large |
| DYNG4810 | Pinion Gear Set: 17T. 18T, 19T, 20T, 21T x 48P |
| DYNH1040 | Stainless Steel Screw Set |
| DYNS0600 | Tazer 1/10 3300Kv ESC/Motor Combo |
| DYNT0500 | Startup Tool Set |
| ECX1061 | Screw Set (64) |
| ECX1095 | Aluminum Shock Set Front: |
| ECX1096 | Aluminum Shock Set Rear |
| ECX1097 | Universal Battery Strap (1) |
| ECX330001 | Body, Clear: 1:10 2WD Ruckus |
| ECX331000 | Front Shock Tower, Aluminum |
| ECX331001 | Rear Shock Tower, Aluminum |
| ECX331005 | Servo Arm 23T, Aluminium |
| ECX331006 | Servo Arm 24T, Aluminium |
| ECX331008 | Steering w/Servo Saver, Aluminium |
| ECX332000 | Wheel Hex, Aluminum |
| ECX334000 | Rear Hubs, Aluminum |
| ECX334001 | Caster Block, Aluminum |
| ECX334002 | Steering Block, Aluminum |
| ECX9001 | Metal Gear Set |
| KXSB9501 | LiPo Charge Bag14 x 6.5 x 8cm |
| KXSB9502 | LiPo Charge Bag 18 x 8 x 5.5cm |
| KXSB9503 | LiPo Storage and Carry Bag |
| KXSS0500 | 1/10 4P 3000Kv ESC/Motor Combo |
| KXSS0501 | 1/10 4P 4000Kv ESC/Motor Combo |
| RPM70462 | RR A-arms (2), Black |
| RPM70582 | FR A-arms (2), Black |
| RPM70672 | Sealed Gear Cover, Black |
| RPM73292 | FR Spindle Blocks (2), Black |
| RPM73442 | HD Caster Blocks, Black |
| RPM73492 | SX-Saver Bellcrank, Black |
| RPM73572 | Rear Axle Carriers, Black |































