AUDIOMATICA AN-010 Panasonic Laser

While reading the User Manua
is advisable, 152 pages might discourage busy people. What follows is a survival note; the device, in its default factory settings, is useless for loudspeaker measurements. Below User Interface buttons and display are shown
Panel Configuration
- [ENTERJ Key
- Used to enter items.
- Digital Display
- Displays measurement values, set values, and system erors.
- [UP] Key
- Used to select items.
- DOWN Key
- Used to select items.
LASER PANASONIC HL-G108 SERIES QUICK START
- Powering the device while holding down the Enter button resets the device to default factory settings. It is highly advisable to reset the device before reprogramming it.
- From this situation there are only two key parameters that have to be changed. Holding down the Enter button (2 sec), settings mode is entered

- Holding down the Enter button (2 sec) again, from whatever menu, settings mode is exited.
- The first parameter that has to be changed is the Average times, the first parameter in Prog2. The default is 1024, set it to 1.

- To go back from one sub menu to another exit should be selected. Unfortunately this is how the word exit is managed by the display which is not immediately clear

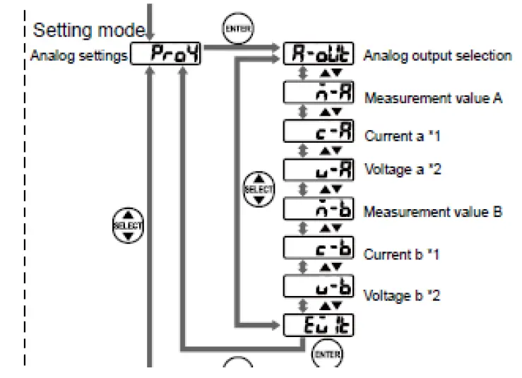
- The second parameter is the Analog output selection, again the first parameter, in Prog4. Default is I-Out which means current output. Set it to V-Out.

- Having done this you should be ready to make a measurement on a loudspeaker.

- Adjust the distance from the laser to the dust cup to make the laser display indicate around 0mm (it is not critical). Perform a sinusoidal measurement with around 2VRMS at speaker terminals connecting the laser output to CLIO input.

You should obtain a graph similar to above which indicates the cone displacement vs. frequency and should be very close to a second order low pass filter with the same Q as the QTS of the loudspeaker
As a last refinement you can increase the bandwidth of the laser to 2.5kHz (from the default 2kHz) changing from Prog1 the Sampling cycle to 200uS
Finally it should be noticed that the laser numeric display indicates the distance from the device. When the coil of the loudspeaker comes outside the distance from laser is reduced and negative numbers are displayed; note that such a movement is conventionally considered positive with respect to the loudspeaker
www.audiomatica.com
by Maurizio Jacchia – [email protected]


























