Studebaker SB6057 3 Speed Stereo Turntable

WARNING
TO PREVENT FIRE OF SHOCK HAZARD, DO NOT USE THIS PLUG WITH AN EXTENSION CORD, RECEPTACLE OR OTHER OUTLET UNLESS THE BLADES CAN BE FULLY INSERTED TO PREVENT BLADE EXPOSURE. TO PREVENT FIRE OR SHOCK HAZARD, DO NOT EXPOSE THIS APPLIANCE TO RAIN OR MOISTURE.
IMPORTANT SAFETY INSTRUCTIONS
- Read these instructions.
- Keep these instructions.
- Heed all warnings.
- Follow all instructions.
- Do not use this apparatus near water.
- Clean only with dry cloth.
- Do not block any ventilation openings. Install in accordance with the manufacturer’s instructions.
- Do not install near any heat sources such as radiators, heat registers, stoves, or other apparatus (including amplifiers) that product heat.
- AC adaptor is used as disconnect device and it should remain readily operable during intended use. In order to disconnect the apparatus from the mains completely, the AC adaptor should be disconnected from the mains socket outlet completely.
- Only use attachments/accessories specified by the manufacturer.
- Use only with a cart, stand, tripod, bracket, or table recommended by the
manufacturer, or sold with the product. When a cart is used, use caution when moving the cart/apparatus combination to avoid injury from tip-over. - Unplug this apparatus during lightning storms or when unused for a long period of time.
- Refer all servicing to qualified service personnel. Servicing is required when the apparatus has been damaged in any way, such as power-supply cord or plug is damaged, liquid has been spilled or objects have fallen into the apparatus, the apparatus has been exposed to rain or moisture, does not operate normally, or has been dropped.
- This appliance shall not be exposed to dripping or splashing water and that no object filled with liquids such as vases shall be placed on the apparatus.
- Do not overload wall outlet. Use only power source as indicated.
- Use replacement part as specified by the manufacturer.
- Upon completion of any service or repairs to this product, ask the service technician to perform safety checks.
- Power Sources – This product should be operated only from the type of power source indicated on the marking label. If you are not sure of the type of power supply to your home, consult your product dealer or local power company. For products intended to operate from battery power, or other sources, refer to the operating instruction.
- Object and Liquid Entry – Never push objects of any kind into this product through openings as they may touch dangerous voltage points or short-out parts that could result in a fire or electric shock. Never spill liquid of any kind on the product.
- Damage Requiring Service – Unplug this product from the wall outlet and refer servicing to qualified service personnel under the following conditions:
- When the power-supply cord or plug is damaged,
- If liquid has been spilled, or objects have fallen into the product,
- If the product has been exposed to rain or water,
- If the product does not operate normally by following the operating instructions. Adjust only those controls that are covered by the operating instructions as an improper adjustment of other controls may result in damage and will often require extensive work by a qualified technician to restore the product to its normal operation.
- If the product has been dropped or damaged in any way, and
- When the product exhibits a distinct change in performance – this indicates a need for service.
- Excessive sound pressure from earphones and headphone can cause hearing loss.
- Minimum distances of 4 inches around the apparatus for sufficient ventilation.
- The ventilation should not be impeded by covering the ventilation openings with items, such as newspapers, table-cloths, curtains, etc.
- No open flame sources, such as lit candles, should be placed on the product.
- The use of apparatus in moderate climates.
PROTECT YOUR FURNITURE!!
This system is equipped with non-skid rubber ‘feet’ to prevent the product from moving when you operate the controls. These ‘feet’ are made from non-migrating rubber material specially formulated to avoid leaving any marks or stains on your furniture. However certain types of oil based furniture polishes, wood preservatives, or cleaning sprays may cause the rubber ‘feet’ to soften, and leave marks or a rubber residue on the furniture.
To prevent any damage to your furniture we strongly recommend that you purchase small self-adhesive felt pads, available at hardware stores and home improvement centers everywhere, and apply these pads to the bottom of the rubber ‘feet’ before you place the product on fine wooden furniture.
DEAR STUDEBAKER CUSTOMER
Selecting fine audio equipment such as the unit you’ve just purchased is only the start of your musical enjoyment. Now it’s time to consider how you can maximize the fun and excitement your equipment offers. This manufacturer and the Electronic Industries Association’s Consumer Electronics Group want you to get the most out of your equipment by playing it at a safe level. One that lets the sound come through loud and clear without annoying blaring or distortion and, most importantly, without affecting your sensitive hearing.
Sound can be deceiving. Over time your hearing “comfort level” adapts to higher volumes of sound. So what sounds “normal” can actually be loud and harmful to your hearing. Guard against this by setting your equipment at a safe level BEFORE your hearing adapts.
To establish a safe level:
- Start your volume control at a low setting.
- Slowly increase the sound until you can hear it comfortably and clearly, and without distortion. Once you have established a comfortable sound level:
- Set the dial and leave it there.
Taking a minute to do this now will help to prevent hearing damage or loss in the future. After all, we want you listening for a lifetime.
We Want You Listening for a Lifetime
Used wisely, your new sound equipment will provide a lifetime of fun and enjoyment. Since hearing damage from loud noise is often undetectable until it is too late, this manufacturer and the Electronic Industries Association’s Consumer Electronics Group recommend you avoid prolonged exposure to excessive noise.
Customer’s Record:
The serial number of this product is found on its bottom. You should note the serial number of this unit in the space provided as a permanent record of your purchase to aid in identification in the event of theft of loss.
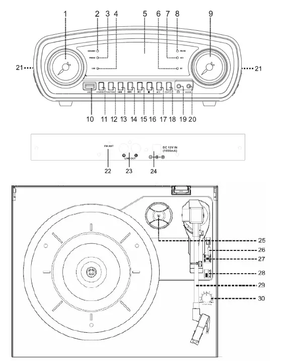
LOCATION OF CONTROLS

- VOLUME CONTROL
- STANDBY INDICATOR
- PHONO INDICATOR
- USB INDICATOR
- DIAL SCALE
- BLUETOOTH INDICATOR
- AUX INDICATOR
- FM/AM INDICATOR
- TUNING CONTROL
- USB PORT
- STANDBY BUTTON
- FUNCTION BUTTON
- SKIP
BUTTON - SKIP
BUTTON - PLAY/PAUSE
BUTTON - STOP
- + 10
- REPEAT ONE/REPEAT ALL
- HEADPHONE JACK
- AUX IN JACK
- SPEAKERS
- FM ANTENNA
- RCA LINE OUT R/L JACKS
- DC IN JACK
- 45 RPM ADAPTOR
- TONEARM LIFT LEVER
- AUTO STOP SWITCH
- SPEED SELECTOR
- TONEARM
- PITCH ADJUST CONTROL
POWER SOURCE (AC ADAPTOR ONLY)
The SB6057 is powered by an external AC-DC adaptor with an output of DC 12V![]()
POWER CONNECTION
- Connect the cord of the power adaptor to the DC IN JACK (#24) at the back of the unit.
- Plug the power adaptor into a household wall socket.
RADIO OPERATION
- Tap the STANDBY BUTTON (#11) to turn on the unit. The STANDBY INDICATOR (#2) will turn off.
- If you repeatedly tap the FUNCTION BUTTON (#12), you will step through the different modes available:
Phono -> USB -> FM Radio -> AM Radio -> AUX -> Bluetooth - Tap the FUNCTION BUTTON (#12) repeatedly to select FM or AM radio. The FM/AM INDICATOR (#8) will light in red (FM Radio) or Green (AM Radio).
- Tune to the required station by turning the TUNING CONTROL (#9).
- Adjust the VOLUME CONTROL (#1) to obtain the desired volume level.
- When you wish to turn off the Radio, tap the STANDBY BUTTON (#11) to turn off the unit. The STANDBY INDICATOR (#2) will light.
Hints for best reception:-
- AM : The receiver has a built-in AM bar antenna. If AM reception is weak, slightly rotate or change the position of the unit will usually improve the AM reception.
- FM : The receiver has a built-in FM ANTENNA (#22) hanging at the rear cabinet. This wire should be totally unraveled and extended for best reception.
CARE OF THE T ONEARM AND STYLUS
- Remove the white plastic stylus guard from the cartridge.
- Be sure that the TONEARM is unlocked and free to move away from the Tonearm Rest prior to operating.
- Lock the TONEARM in place with the TONEARM CLIP when not in use.

- Tap the STANDBY BUTTON (#11) to turn on the unit. The
STANDBY INDICATOR will turn off. - If you repeatedly tap the FUNCTION BUTTON (#12), you will step through the different modes available:
Phono -> USB -> FM Radio -> AM Radio -> AUX -> Bluetooth - Tap the FUNCTION BUTTON (#12) repeatedly to select phono.
The PHONO INDICATOR (#3) will light. - Set the SPEED SELECTOR (#28) to the proper position
depending on the record to be played. - Place the record on the platter; use the 45 RPM ADAPTOR (#25) if required.
- Lift the tonearm from the rest by using the TONEARM LIFT LEVER (#26) and slowly move it to the record side. The platter will start to rotate.
- Locate the tonearm to the desired position of the record and lower the stylus by using the TONEARM LIFT LEVER (#26).
- Adjust the VOLUME CONTROL (#1) to obtain the desired volume level.
- At the end of record, the platter will automatically stop rotating. Lift the tonearm from the record and return it to the rest.
- To stop manually, lift the tonearm from the record and return it to the rest.
Remark:
The auto-stop may not work on some records because the play area is out of the preset adjustment, so it may stop before the last track finishes. When this happens disable the auto-stop feature by placing the AUTO STOP SWITCH (#27) in the “ off “ position, then it will run to the end of the record but will not stop automatically (turn off the unit by STANDBY BUTTON (#11) or switch back the AUTO STOP SWITCH (#27) to “on“ position to stop the platter rotate). Then put back the tonearm to the rest position.
PITCH ADJUST
The PITCH ADJUST CONTROL (#30) allows you to fine tune the playing speed of the record once the correct speed (33/45/78 RPM) is chosen. Turn the PITCH ADJUST CONTROL (#30) to slightly increase or decrease the speed of the turntable if necessary.
USB OPERATION
The system is able to decode and playback MP3 files which are stored in a USB flash drive (up to 32 GB) via the USB PORT (#10).
USB PLAY / PAUSE
mode
- Tap the STANDBY BUTTON (#11) to turn on the unit. The STANDBY INDICATOR will turn off.
- If you repeatedly tap the FUNCTION BUTTON (#12), you will step through the different modes available:
Phono -> USB -> FM Radio -> AM Radio -> AUX -> Bluetooth - Tap the FUNCTION BUTTON (#12) repeatedly to select USB. The USB INDICATOR (#4) will light.
- Insert a USB drive into the USB PORT (#10). The unit will start playing back from the first song or the mostly recently played song on it automatically.
- During MP3 play mode, press PLAY/PAUSE
BUTTON (#15) on the SB6057 to play or pause the song. - Adjust the VOLUME CONTROL (#1) to obtain the desired volume level.
SKIP MODE
- 1. During Play or Pause mode, tap the SKIP BUTTON (#14) or SKIP
BUTTON (#13) to go to the next track or go back to the beginning of the previous track. - 2. During play mode or Pause mode, press and hold the SKIP
BUTTON (#14) or SKIP
BUTTON (#13) to search within the current track with audible high speed playback.
Remarks
- USB port does not support connection with a USB extension cable and is not designed to communicate with a computer directly.
- The system can detect and read the file under MP3 format only though the USB port.
- If connect the system to MP3 player via the USB PORT, due to variances in MP3 encoding format, some MP3 player may not be able to play via the USB PORT. This is not a malfunction of the system.
BLUETOOTH OPERATION
- Tap the STANDBY BUTTON (#11) to turn on the unit. The STANDBY INDICATOR will turn off.
- If you repeatedly tap the FUNCTION BUTTON (#12), you will step through the different modes available:
Phono -> USB -> FM Radio -> AM Radio -> AUX -> Bluetooth - Tap the FUNCTION BUTTON (#12) repeatedly to select Bluetooth mode. The BLUETOOTH INDICATOR (#6) will light and flash.
- Turn on the Bluetooth function of your device and enable the search or scan function to find the SB6057.
- Select the SB6057 from the device list when it appears on your device’s screen. If required, enter the pass code “0000” to pair (link) the SB6057 with your device.
- If you are pairing (linking) your computer to the SB6057 using Bluetooth, you may need to set the SB6057 as your computer’s default sound device.
- After pairing the SB6057 with your Bluetooth device successfully, the BLUETOOTH INDICATOR (#6) will light steadily. A connected tone(Ding-Dong) will be heard to confirm the unit is connected to your device.
- If you want the SB6057 to pair with another Bluetooth device, press and hold the PLAY/PAUSE BUTTON (
) until the BLUETOOTH INDICATOR (#6) flashes. A disconnected tone (Chime) will be heard to confirm the unit is disconnected from your device. The unit is now in Pairing/Discoverable mode. - Repeat steps 4 & 5.
Now you can play music from your Bluetooth device wirelessly to the SB6057.
- Select a song and press the Play/Pause Button on your Bluetooth device or PLAY/PAUSE BUTTON (
) on the SB6057 to play or pause the Bluetooth device playback. - Tap the SKIP BUTTON (
) to go to the next track. or SKIP - To go back to the beginning of the current track, tap the SKIP BUTTON (
) once.
To go back to the beginning of the previous track, tap the BUTTON (
) again within 2 seconds. - Adjust the VOLUME CONTROL (#1) to obtain the desired volume level.
Notes:
- Refer to the manual of your cell phone, tablet PC, computer or other Bluetooth enabled devices for Bluetooth operation since it may vary from model to model.
- If your Bluetooth enabled device does not support A2DP profile, it will not play the music through the speaker, even if paired (linked).
- Remember to turn off the SB6057 when you have finished listening.
- Don’t forget to switch off the power of your external audio device as well.
AUX IN OPERATION
You can play other music sources (iPod, MP3 or other digital audio players) through the speaker of the SB6057 by connecting the AUX IN JACK (#20) to your external player’s audio out jack or headphone jack.
- Plug one end of an audio cable (not included) into the AUX IN JACK (#20) and the other end of the cable to the headphone jack of your digital audio player.
- Tap the STANDBY BUTTON (#11) to turn on the unit. The STANDBY INDICATOR will turn off.
- If you repeatedly tap the FUNCTION BUTTON (#12), you will step through the different modes available:
Phono -> USB -> FM Radio -> AM Radio -> AUX -> Bluetooth - Tap the FUNCTION BUTTON (#12) repeatedly to select AUX mode.
- The AUX INDICATOR (#7) will light.
- Turn on and start playing the external device already plugged into the AUX IN JACK (#20).
- Slowly adjust both the volume controls of the SB6057 and the external device until you reach a comfortable listening level.
Notes:
- If you connected the Line-out Jack on your external device then you only need to adjust the volume control of this system. If you connected the Headphone Jack of your external device then you may need to adjust both the volume control of your external device and the volume control of this system to find the most desirable volume setting.
- Tap the STANDBY BUTTON (#11) to turn off the unit when you finish listening. Don’t forget to switch off the power of your external device as well.
You can connect this unit to an external Hi-Fi / AMPLIFIER system by connecting the RCA LINE OUT R/L JACKS (#23) to the auxiliary input jacks on your Hi-Fi / AMPLIFIER system with RCA cables (not included).
Note:
The Volume control on the SB6057 will only adjust the volume of internal speakers and will not adjust the volume of the RCA LINE OUT R/L JACKS (#23).
Plug your headphones (not included) into the HEADPHONE JACK (#19) on the front of the unit for private listening. After plugging in the headphones, the speakers will be automatically disconnected.
WARNING : ALWAYS LOWER THE VOLUME LEVEL BEFORE PUTTING ON YOUR HEADPHONES. OTHERWISE YOUR HEARING COULD BE DAMAGED.
CARE AND MAINTENANCE
RECORD CARE AND MAINTENANCE
To ensure the best sound and the least amount of wear on your records, it’s essential that they are kept clean. Make sure your records, especially older ones are sufficiently cleaned prior to playing them.
Thoroughly clean dust off the stylus and record regularly.
- Use a soft brush(not included) to clean the stylus. Brush from the base to the tip as shown below.
- For records with only light amounts of dust, we recommend brushing them off with a carbon fiber brush(not included) or velvet pad before playing them. Use a good quality record cleaner and brush set to keep your records clean. Carbon fiber brushes, velvet pads and record cleaning kits are available online or in local record stores.

- Using a mild dish soap and warm water for washing your records will also help remove excess dirt and dust that builds up over the years. Use a microfiber cloth when washing and wiping off any excess water from the record once they have been cleaned
NOTE:
Remember, the best cleaning in the world just removes all the dust and dirt. Some records will have scratches and groove wear. No amount of cleaning will fix this. So after cleaning, some records may sound “perfect” and others may not.
SPECIFICATIONS
- AC/DC Adaptor Input: AC 100-240V ~, 50/60Hz, 0.35A
- Output: DC 12V 1A

- Output: DC 12V 1A
- Radio Band FM 88 ~ 108 MHz
- AM 520 ~ 1710 KHz
- Design and specification are subject to change without notice.
TROUBLESHOOTING GUIDE
If you experience difficulties in the use of this clock radio, please check the following or call 1-800-777-5331 for Customer Service and support.
| SYMPTOM | POSSIBLE CAUSE | POSSIBLE SOLUTION |
| Power does not come on | Power adaptor connection is unstable | Reconnect the adaptor |
| No sound | VOLUME control is turned down | Increase the Volume |
| Sound is distorted | Volume level is set to high | Decrease the volume |
| AM or FM no sound | Unit not in AM or FM mode. | Tap the FUNCTION BUTTON (#12) to select AM or FM mode |
| USB player will not play | Unit not in USB function mode. | Tap the FUNCTION BUTTON (#12) to select AM or FM mode |
| Can’t read USB data | USB flash drive fault, change another good one | |
| Bluetooth No Sound | Unit is not linked with your Bluetooth enabled device | Go through “Bluetooth Operations” process to link the speakers |
| Unit placement out of range | Relocate the unit within Bluetooth operating range (30 feet) | |
| Your Bluetooth enabled device Volume set too low | Increase Volume level of your Bluetooth enabled device |
The Bluetooth® word mark and logos are registered trademarks owned by Bluetooth SIG, Inc. and any use of such marks by Spectra Merchandising Intl, Inc. is under license. Other trademarks and trade names are those of their respective owners.
1 YEAR LIMITED WARRANTY AND SERVICE VALID IN THE U.S.A. ONLY
SPECTRA MERCHANDISING INTERNATIONAL, INC. warrants this unit to be free from defective materials or factory workmanship for a period of 1 year from the date of original customer purchase and provided the product is utilized within the U.S.A. This warranty is not assignable or transferable. Our obligation under this warranty is the repair or replacement of the defective unit or any part thereof, except batteries, when it is returned to the SPECTRA Service Department, accompanied by proof of the date of original consumer purchase, such as a duplicate copy of a sales receipt.
You must pay all shipping charges required to ship the product to SPECTRA for warranty service. If the product is repaired or replaced under warranty, the return charges will be at SPECTRA’s expense. There are no other express warranties other than those stated herein. This warranty is valid only in accordance with the conditions set forth below:
- The warranty applies to the SPECTRA product only while:
- It remains in the possession of the original purchaser and proof of purchase is demonstrated.
- It has not been subjected to accident, misuse, abuse, improper service, usage outside the descriptions and warnings covered within the user manual or
non-SPECTRA approved modifications. - Claims are made within the warranty period.
- This warranty does not cover damage or equipment failure caused by electrical wiring not in compliance with electrical codes or SPECTRA user manual specifications, or failure to provide reasonable care and necessary maintenance as outlined in the user manual.
- Warranty of all SPECTRA products applies to residential use only and is void when products are used in nonresidential environment or installed outside the United States.
This warranty gives you specific legal rights, and you may also have other rights which vary from state to state. TO OBTAIN SERVICE please remove all batteries (if any) and pack the unit carefully and send it freight prepaid to SPECTRA at the address shown below. IF THE UNIT IS RETURNED WITHIN THE WARRANTY PERIOD shown above, please include a proof of purchase (dated cash register receipt) so that we may establish your eligibility for warranty service and repair of the unit without cost. Also include a note with a description explaining how the unit is defective. A customer service representative may need to contact you regarding the status of your repair, so please include your name, address, phone number and email address to expedite the process.
It is recommended that you contact SPECTRA first at 1-800-777-5331 or by email at [email protected] for updated information on the unit requiring service. In some cases, the model you have may be discontinued, and SPECTRA reserves the right to offer alternative options for repair or replacement.
SPECTRA MERCHANDISING INTERNATIONAL, INC.
4230 North Normandy Avenue,
Chicago, IL60634, USA. 1-800-777-5331
To register your product, visit the link on the website below to enter your information.
http://www.spectraintl.com/wform.htm




















