LECTROSONICS WM Digital Hybrid Wireless Watertight Belt Pack Transmitter

Product Information
The WM transmitter is a high-quality wireless transmitter designed for use in wet or dusty conditions. It has a solid machined aluminum housing with a corrosion-resistant finish. The transmitter has dual battery compartments, a moisture-sealed control panel with backlit LCD, and enlarged membrane switches. The antenna is made of an extremely durable, multistrand alloy that will withstand heavy abuse. The input preamp section includes very high quality, low noise components with a wide range of gain adjustment in 1 dB increments and a DSP-controlled input limiter. Output power is adjustable to provide either extended operating range or extended battery life as needed for the application. The transmitter works with all Digital Hybrid receivers and is backward compatible for use with Lectrosonics IFB receivers and some other brands of analog wireless receivers.
Product Usage Instructions
- Insert batteries into the dual battery compartments.
- Connect a microphone to the input jack using the appropriate cable.
- Turn on the transmitter by pressing the power button.
- Adjust the gain level using the dual color LEDs on the control panel to ensure an accurate audio input level.
- Select the desired output power level to provide either an extended operating range or extended battery life as needed for the application.
- Monitor the transmitter’s LCD screens for setup and adjustments.
- Use the transmitter with a compatible receiver to receive the transmitted audio signal.
- When not in use, turn off the transmitter and remove the batteries to preserve battery life.
Introduction
The WM transmitter is designed to resist damage when used in wet or dusty conditions and also offer a comprehensive feature set that makes it equally at home in film and television production and on stage. A solid machined aluminum housing with a corrosion resistant finish hosts dual battery compartments, a moisture-sealed control panel with backlit LCD and enlarged membrane switches. Recessed seats for the O-rings in the battery caps and input jack allow the caps and mic connector to be tightened securely without excessive deformation of the O-rings. The antenna is made of an extremely durable, multi-strand alloy that will withstand heavy abuse. It is mounted with a compression-sealed strain relief that prevents dust and moisture from entering the housing. As the first stage in the signal processing chain, the input preamp section includes very high qual-ity, low noise components with a wide range of gain adjustment in 1 dB increments and a DSP-controlled input limiter. Dual color LEDs on the control panel accurately indicate the audio input level for precise gain adjustment. Easily accessed screens on the LCD simplify setup and adjustments. Output power is adjustable to provide either extended operating range or extended battery life as needed for the application. The Digital Hybrid Wireless® design (US Patent 7,225,135) combines 24-bit digital audio with analog FM resulting in a system that has the same operat-ing range as analog systems, the same spectral efficiency as analog systems, the same long battery life as analog systems, plus the excellent audio fidelity typical of pure digital systems. The DSP-based design works with all Digital Hybrid receivers, and is backward compatible for use with Lectrosonics IFB receivers and some other brands of analog wireless receivers.
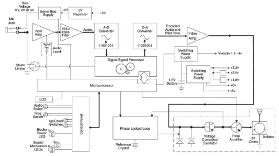
General Technical Description
Servo Bias Input
The voltage and current requirements of the wide variety of electret microphones used in professional applications has caused confusion and compromis-es in the wiring needed for wireless transmitters. To address this problem, the unique Servo Bias input circuit provides an automatically regulated voltage over a very wide range of current for compatibility with all microphones.
Digital Hybrid Wireless® Technology
All wireless links suffer from channel noise to some degree, and all wireless microphone systems seek to minimize the impact of that noise on the desired signal. Conventional analog systems use compand-ors for enhanced dynamic range, at the cost of subtle artifacts (typically “pumping” and “breathing”). Wholly digital systems defeat the noise by sending the audio information in digital form, at the cost of some combi-nation of power, bandwidth and resistance to interfer-ence. Digital Hybrid systems overcome channel noise in a dramatically new way, digitally encoding the audio in the transmitter and decoding it in the receiver, yet still sending the encoded information via an analog FM wireless link. This proprietary algorithm is not a digital implementation of an analog compandor but a technique that can be accomplished only in the digital domain, even though the inputs and outputs are analog. Because it uses an analog FM link, the Digital Hybrid system enjoys all the benefits of conventional FM wireless systems and it does away with the analog compandor and its artifacts.
No Pre-Emphasis/De-Emphasis
The Digital Hybrid design results in a signal-to-noise ratio high enough to preclude the need for convention-al pre-emphasis (HF boost) in the transmitter and de-emphasis (HF roll off) in the receiver. This eliminates the potential for distortion of signals with abundant high-frequency information.
Low Frequency Roll-Off
The low frequency roll-off can be set for a 3 dB down point at 35, 50, 70, 100, 120 and 150 Hz to control subsonic and very low frequency audio content in the audio. The actual roll-off frequency will vary slightly depending upon the low frequency response of the microphone. Excessive low frequency content can drive the transmitter into limiting, or in the case of high output sound systems, it can even cause damage to loud-speaker systems. The roll-off is normally adjusted by ear while listening as the system is operating.
Input Limiter
A DSP-controlled analog audio limiter is employed before the A-D converter. The limiter has a range of more than 30 dB for excellent overload protection. A dual release envelope makes the limiter acoustically transparent while maintaining low distortion. It can be thought of as two limiters in series, a fast attack and release limiter followed by a slow attack and release limiter. The limiter recovers quickly from brief transients, with no audible side effects, and also recovers slowly from sustained high levels to keep audio distortion low while preserving short term dynamics.
Signal Encoding and Pilot Tone
In addition to controlling the limiter, the DSP also encodes the digitized audio from the A/D converter and adds an ultrasonic pilot tone to control the squelch in the receiver. A pilot tone squelch system provides a reliable method of keeping a receiver output muted (audio mute) even in the presence of significant interference. When the system is oper-ating in the Nu Hybrid mode, a different pilot tone frequency is generated for each carrier frequency to prevent inadvertent squelch problems in multi-channel systems.
Microprocessor Control
A microprocessor monitors user command inputs from the control panel buttons and numerous other internal signals. It works intimately with the DSP to ensure the audio is encoded according to the se-lected Compatibility Mode and that the correct pilot tone is added to the encoded signal.
Compatibility Modes
Along with providing peerless audio quality with wide frequency response and dynamic range in
Nu Hybrid mode, the technology used in the WM Transmitter includes compatibility modes for Lectro-sonics Mode 3 and IFB receivers. WM/E01, E02 and X transmitters are designed to operate with Lectro-sonics Digital Hybrid receivers and will yield the best performance when doing so, however, due to the flexibility of digital signal processing, they can also operate with Lectrosonics Euro version IFB receiv-ers. See Specifications for details.
Control Panel
The control panel includes four membrane switches and an LCD screen to adjust the operational settings. Multi-color LEDs are used to indicate audio signal levels for accurate gain adjustment and for battery status.
Variable Power Output
This advanced feature allows the operator to opti-mize the transmitter for maximum battery life, or for maximum operating range. Power output is selected using the LCD in a setup mode while the RF output of the transmitter is turned off.
Battery Operation
Switching power supplies convert battery voltages to operate various circuit stages with maximum effi-ciency. The firmware “remembers” the settings when the batteries are exhausted. After new batteries are installed, a quick press of the AUDIO and FREQ buttons will turn the power back on and return to the previous settings. This is a unique behavior that takes place only when the batteries fail during operation. If the unit is turned off manually, a quick press of the buttons will turn it on in the “standby” mode instead.
Because the battery caps make contact with the battery before the cap is seated, the power does not turn back on automatically. This allows both bat-teries to be installed and the caps tightened before power is restored.
Frequency Blocks
Lectrosonics established a “block” numbering system years ago to organize the range of frequen-cies available from the low end at 470 MHz band to the upper end at 862 MHz. Each block includes 256 frequencies in 100 kHz steps, which is the maximum switching range of the transmitters.
Output Circulator/Isolator
The RF output circuit includes a magnetically polarized ferrite called an isolator that suppresses IM (intermodulation) that can take place in the final am-plifier. IM in this case would result from external RF signals from outside sources entering a transmitter through its antenna and appearing in the final ampli-fier. These signals can then mix with the transmit-ter’s output signal to create new interfering signals. The isolator works like a one-way “check valve” that lets the intended signal generated in the transmit-ter travel to the antenna to be transmitted, but it directs RF signals coming back into the antenna from outside sources to ground and keeps them from entering the final amplifier. This greatly reduces IM produced when multiple transmitters are used in close proximity to one another (several feet apart). The isolator also provides additional RF output stage protection against static shock.
Controls and Functions

LCD Screen
The display is a highly visible, backlit LCD with screens for making all setup and level adjustments. The transmitter can be powered up with or without the RF output turned on. With the RF output turned off, all adjustments can be made without creating in-terference for other wireless systems in the vicinity. For normal powering up and down, a countdown appears in the LCD. The buttons must be pressed for the duration of the countdown, which helps to prevent accidentally turning the transmitter on or off.
Power LED
The PWR LED glows green when the battery is good. The color changes to red when there is about 30 minutes of operation left with the recommended lithium battery. When the LED begins to blink red, there are only a few minutes of life.
Note: A NiMH rechargeable battery will give little or no warning when it is depleted. If you wish to use NiMH batteries, we recommend trying fully charged batteries in the unit and using the battery timer feature available in most receivers to determine the available A weak battery will sometimes cause the PWR LED to glow green immediately after the unit is turned on, but will soon discharge to the point where the LED will turn red or the unit will turn off completely. When the transmitter is in SLEEP mode, the LED blinks green every few seconds.
Audio Input Jack
This is a threaded locking connector that accepts the Lectrosonics watertight WP connector.
Battery Compartment and Thumb Screw
The large knurled thumbscrews are retain the batter-ies and maintain solid battery contact. The lanyard keeps the battery caps attached, but it can be removed if desired using a 1/16 inch hex key (Allen wrench).
Modulation LEDs
Proper input gain adjustment is critical to ensure the best audio quality. Two red/green LEDs will glow to accurately indicate modulation levels. The input cir-cuitry includes a wide range DSP-controlled limiter to prevent distortion during high peak levels.
It is important to set the gain (audio level) high enough to achieve full modulation during louder peaks in the audio. The DSP-controlled limiter can handle peaks over 30 dB above full modulation, so with an optimum setting, the LEDs will flash red dur-ing use. If the LEDs never flash red, the gain is too low. The -20 LED turns red at 0 dB (full modulation).
AUDIO Button
The AUDIO button is used to display the gain and low frequency roll-off settings. The UP and DOWN arrows adjust the values. This button is also used with the FREQ button to enter standby mode and to power the transmitter on or off.
FREQ Button
The FREQ Button displays the selected operating frequency and also toggles the LCD between dis-playing the actual operating frequency in MHz and a two-digit hexadecimal number that corresponds to the equivalent Lectrosonics Frequency Switch Set-ting. This button is also used with the AUDIO button to enter standby mode and to power the transmitter on or off.
Up/Down Arrows
The Up and Down arrow buttons are used to select the values on the various setup screens and to lock out the control panel. Pressing both arrows simul-taneously enters the lock countdown. When an at-tempt is made to change a setting while the control panel is locked, a message will flash on the LCD as a reminder that the unit is locked. Once locked, the buttons can only be unlocked by removing the bat-teries, or with the RM remote control.
Antenna
The fixed whip antenna is constructed with a flex-ible, woven, galvanized steel mesh cable.
About Batteries
The transmitter is powered by two AA batteries. Lithium batteries are recommended for longest life, which typically provides over 7.5 hours of operation at room temperature with the output set to 250 mW. At 50 mW, the runtime is typically over 14 hours with lithium batteries. Rechargeable NiMH batteries can also be used, but the capacity diminishes over time with each suc-cessive recharging cycle. Test the batteries by fully charging them and then running them down in the transmitter to determine the available running time. Most Lectrosonics receivers have a timer function that will automatically stop when the transmitter shuts down at the end of battery life, so you will be able to accurately see the time available. Alkaline batteries can also be used, but the runtime is shorter at the full output power. The available runtime also varies significantly with different brands of AA alkaline batteries.
Note: Standard zinc-carbon batteries marked “heavy-duty” or “long-lasting” are not adequate.
PWR LED glows green when the battery is good. The color changes to red at a mid-point of operating life, and will continue to glow red until the battery gets close to the end of its life. When the LED begins to blink red, there are only a few minutes remaining.
The exact point at which the LED turns red will vary with battery brand and condition, temperature and current drain. The LED is simply a reminder intended to catch your attention, not an exact indicator of remaining time.
WARNING: Risk of explosion if the battery is replaced by an incorrect type.
Battery Compartments
The battery compartments are a rugged, straight-forward design with a recessed entry that captures the O-ring on the cap. The spring contact on the cap maintains solid contact on the battery regardless of its exact length.
The O-rings should be kept clean and dry, and coat-ed with petroleum jelly on a regular basis. See page 18 for more information on preventing corrosion.
Input Connector
The threaded WP watertight plug on the microphone cable fits into a recessed jack on the top panel. The recess in the opening retains the O-ring when the plug is tightened. The Lectrosonics M152WP lavaliere microphone is supplied with the WP plug already installed. Other microphones can also be terminated with this plug by following the instruc-tions included with the WP connector kits.
Equivalent Input Circuit Diagram

Operating Instructions
Power Up and Boot Sequence
Simultaneously press and hold the AUDIO and FREQ buttons until the startup count is completed. The screen will display a count from 1 to 3 as the unit boots up, then it switches to the Audio screen. As the unit turns on, the Modulation LEDs and PWR LED all glow red, then green, and then revert to nor-mal operation.
The LCD displays a boot sequence which consists of four screens ending with the audio screen similar to this example:
- Company name: Lectro
- Frequency block/Firmware Ver.: b22r2.4
- Power level: Pr 100
- Compatibility mode: CP IFB
- Audio (Input gain): Aud 22
Power Down
Simultaneously press and hold the AUDIO and FREQ buttons while observing that the word “OFF” appears in the LCD along with a counter. The screen will display a countdown from 3 to 1 and the unit will then turn off.
Note: If the AUDIO and FREQ buttons are released before the LCD goes blank at the end of the countdown, the unit will not turn off. Instead, it will stay energized and the display will return to the previous screen.
Standby Mode

With the unit off, quickly press both AUDIO and FREQ buttons, and release before counter reaches “0” to enter the “standby” mode. In this mode the RF output is turned off so adjustments can be made without interfering with other systems operating in the same location. The LCD displays rf OFF to remind you that the unit is not transmitting. Use the AUDIO and FREQ buttons to access the various setup screens. When the adjustments are complete, press both the AUDIO and FREQ buttons briefly to save the settings and turn the unit off.
Lock/Unlock the Keypad
The control panel buttons can be locked out to avoid inadvertent changes in the settings or turning the unit off unintentionally. Simultaneously pressing and holding both the UP and DOWN arrow buttons during normal operation starts a countdown timer.
The timer starts at three and counts down to zero. When the timer reaches zero, the transmitter’s con-trols are locked. With the controls locked, the AUDIO and FREQ but-tons can still be used to display current settings. Any attempt to change a setting by pressing either the Up or Down arrow button will result in an on- screen Loc reminder that the controls are locked.
Once the transmitter is locked, it cannot be un-locked or powered off using the buttons. The only ways to unlock a locked transmitter are to remove the battery or unlock it via the RM remote control.
There are four locations for setup options and settings accessed with the control panel:
- UP Arrow Menu and Settings
- DOWN Arrow Menu and Settings
- AUDIO button settings
- FREQ button settings
UP Arrow Settings
With the unit turned off, hold the UP arrow button and simultaneously press the AUDIO and FREQ buttons. Each successive press of the AUDIO button will step through the setup screens.
- Compatibility Mode
- Input Type
- RF Power Output
- LCD Backlight
- Frequency Step Size
Use the UP and DOWN arrow buttons to scroll through the options. The selected options will automatically be stored when the power is turned off. Press both the AUDIO and FREQ buttons to exit the menu and turn the power off.
Note: The unit is automatically set to “standby” in this setup mode; with rF OFF not displayed.
Compatibility Mode
These modes provide DSP-based emulations for use with earlier Lectrosonics equipment and with some models from other manufacturers.
- CP NU Hybr: Nu Hybrid mode
- CP IFb: IFB Series mode
- CP 3: Mode 3 (contact the factory for details)
NOTE: If your Lectrosonics receiver does not have Nu Hybrid mode, set the receiver to Euro Digital Hybrid Wireless® (EU Dig. Hybrid).
Input Type
The input can be configured for electret or dynamic microphones or a line level input. The transmitter features unique Servo Bias input circuitry that automatically adjusts the current to maintain a selected bias voltage for electret mi-crophone. This effectively overcomes a traditional problem with variations in output levels and power supply currents of different microphones. Press the UP and DOWN arrows to select the de-sired input type:
- LInE Bias turned off; line level impedance
- PH oFF Bias turned off for dynamic mics
- PH 2 Bias at 2 volts for electret mics
- PH 4 Bias at 4 volts for electret mics
The correct bias is specified by the microphone manufacturer. 4 volts is typical for most electret lavaliere microphones. 2 volts is preferred by some mic manufacturers such as Countryman for the very small B6 and E6 models.
RF Power Output

This setting provides an option for the trade-off between operating range and battery life. The lowest power setting provides maximum battery life, and the highest power setting provides maximum operating range and can also help to suppress some types of interference from broadband RF noise.
NOTE: See the specifications for typical operating times for each power level. (10 mW is the only option for E02.)
- Pr 50 for maximum battery life
- Pr 100 is an intermediate setting
- Pr 250 for maximum operating range
LCD Backlight

The backlight on the display can be set to stay on all the time or to turn off after either 30 seconds or 5 minutes of inactivity on the panel switches. The backlight will turn on and the timer will start over when a button is pressed. Use the UP and DOWN arrow buttons to select the desired setting.
- bl 5 Stay on for five minutes
- bl 30 Stay on for 30 seconds
- bl on Stay on continuously
Frequency Step Size

This menu item allows frequencies to be selected in either 25 kHz or 100 kHz increments. If the desired frequency ends in .025, .050 or .075 MHz, the 25 kHz step size must be selected. Normally, the receiver is used to find a clear op-erating frequency. All Lectrosonics Digital Hybrid receivers provide a scanning function to quickly find prospective frequencies with little or no RF interfer-ence. In other cases, a frequency may be specified by officials at a large event such as the Olympics or a major league ball game. Once the frequency is determined, set the transmitter to match the associ-ated receiver.
- Stp 100 Frequency steps in 100kHz increments
- Stp 25 Frequency steps in 25 kHz increments
DOWN Arrow Settings
Hold the DOWN arrow button and simultaneously press the AUDIO and FREQ buttons. Each succes-sive press of the AUDIO button will step through the setup screens.
- Remote Control
- Auto Power Restore
- Audio Mute
Use the UP and DOWN arrow buttons to scroll through the options. The selected options will au-tomatically be stored when the power is turned off. Press both the AUDIO and FREQ buttons to exit the menu and turn the power off.
Remote Control

Transmitter settings can be configured using special tones generated by a smartphone using a remote control application such as Lectro RM (available on the AppStore or Google Play). Enable this feature on the transmitter with the following menu items:
- rc on Enables the remote function
- rc oFF Disables the remote function
If a remote control signal is detected but the func- tion is turned off, the message rc oFF will be dis-played briefly on the transmitter’s LCD to confirm that a valid signal was received, but that the trans-mitter is not configured to respond to it.
Auto Power Restore

This setting determines how the transmitter is powered up again after the batteries have become exhausted in normal operation. When this function is turned on, the unit will power up to normal operation with a brief press of the AU-DIO and FREQ buttons after the batteries have been replaced. When this function is turned off, the AUDIO and FREQ buttons need to be held in for the comple-tion of the count to turn the unit back on for normal operation. This is a unique behavior that takes place only when the batteries fail during operation. If the unit is turned off manually, a quick press of the buttons will turn it on in the “standby” mode instead. The firmware is written this way because the battery caps make contact with the battery before the cap is seated, and the fact that there are two separate battery caps to tighten. This allows both batteries to be installed and the caps tightened before power is restored. It also makes turning the unit back on easier when wearing gloves since the buttons do not need to be held in.
- PbAc 1 Turns power restore ON
- PbAc 0 Turns power restore OFF
Audio Mute

Beginning with firmware v2.6 on the US version, the AUDIO button can be configured to work as a mute button by turning this setting on. A quick press of the AUDIO button will then mute the audio and a message will appear on the LCD confirming that the audio is muted. Another quick press turns the audio back on.
- At on Enables the audio mute func-tion
- At oFF Disables the audio mute func-tion
During operation, the LCD will continuously display the state of audio muting as a reminder, showing the audio as ON or OFF.
The AUDIO button will still work to set Input Gain by pressing and holding it in for a few seconds, how-ever, if the audio is muted, no sound will be heard during the adjustment. If the transmitter is in “standby,” the Low Frequency Roll-off can be adjusted whether or not the audio mute function is enabled. When the audio mute function is enabled and the unit is turned on and transmitting, only the audio level (input gain) can be adjusted by holding the AUDIO button in for a few seconds.
The frequency can be displayed either in MHz or as a two-digit hexadecimal number and it can be set when the unit is in “standby” or when the transmitter is powered up in the normal operating mode.
The hexadecimal numbering system is unique to Lectrosonics where two alphanumeric characters correspond to the left and right switch settings on earlier analog transmitters that had mechanical rotary switches to adjust frequency.
- Press the FREQ button repeatedly to toggle between either the MHz screen or the Hex Code screen.
- While holding the FREQ button, use the UP or DOWN arrow buttons to move the operating frequency up or down from the current setting.
The two-digit hex code is easier to remember, which can be handy when setting up a multi-channel system.
Low Frequency Roll-off

It is possible that the low frequency roll-off point could affect the gain setting, so it’s generally good practice to make this adjustment before adjusting the input gain. Press and hold the AUDIO button while selecting the desired roll-off frequency with the UP and DOWN arrows.
- LF 35 35 Hz
- LF 50 50 Hz
- LF 70 70 Hz
- LF 100 100 Hz
- LF 120 120 Hz
- LF 150 150 Hz
The roll-off is often adjusted by ear while monitoring the audio.
Input Gain

Properly set, this adjustment maximizes the signal to noise ratio of the system, and prevents loud peaks from being distorted. The input gain can be adjusted with the unit in the “standby” mode or while powered up in normal operation. The control panel Modulation LEDs indicate the audio level and limiter activity. This gain adjustment matches the transmitter gain with the microphone’s output level, the user’s voice level and the position of the microphone. It is desirable to to set the gain so that some limiting occurs on louder peaks. The limiter is very trans-parent and its effect is not audible until the system is close to overload. In other words, don’t be shy about turning up the gain. You can turn the gain up to maximum and listen for distortion or compression to get a feel for how much headroom is available.
Note: Different voices will usually require different gain settings, so check this adjustment as each new person uses the system. If several different people will be using the transmitter and there is not time to make the adjustment for each individual, adjust it for the loudest voice.
Warning: If the wireless system is connected to a live sound system, turn the sound system level down first to avoid severe feedback.
- Position the microphone in the loca-tion where it will be used in actual operation.
- Place the transmitter in the “standby” mode or turn it on for normal use.
- While speaking or singing into the microphone at the same voice level that will be used, observe the LEDs on the control panel. Hold the AUDIO button and press the UP or DOWN arrow buttons to adjust the gain until the -20 LED flickers red on louder peaks. This LED turns red at the instant full modulation takes place and the very onset of limiting. The red color does not indicate overload or clip-ping.

If the unit was set up in “standby” mode, it will be necessary to turn the transmitter off, then power it up again in normal operation so the RF output will be on. Then the other components in the sound or recording system can be adjusted.
LectroRM
By New Endian LLC
LectroRM is a mobile application for iOS and An-droid operating systems. Its purpose is to remotely control a variety of Lectrosonics transmitters. The app remotely changes settings on the transmit-ter through the use of encoded audio tones, which when received by the attached microphone, will alter the configured setting. The app was released by New Endian, LLC in September 2011. The app is available for download and sells for $25 US on the Apple App Store and Google Play Store. LectroRM’s remote control mechanism is the use of an audio sequence of tones (dweedles) that are interpreted by the transmitter as a configuration change. The settings available in LectroRM are:
- Audio Level (input gain)
- Frequency
- Sleep Mode
- Lock Mode
- RF output power
- Low frequency roll-off
- LEDs ON/OFF
User Interface
The user interface is different between the iOS and Android versions, although the available settings are essentially the same.
iOS

The iOS version keeps each available setting on a separate page with the list of options for that set-ting. The “Activate” toggle switch must be enabled to show the button which will then generate the “dweedle” tone. The iOS version’s default orienta-tion is upside-down but can be configured to orient right-side up. The purpose for this is to orient the device’s speaker, which is at the bottom of the de-vice, closer to the transmitter microphone.
Android
The Android version keeps all settings on the same page and allows the user to navigate between the activation buttons for each setting. The activation button must be long pressed to activate. The Android version also allows users to keep a configu-rable list of full sets of settings.
Activation
For a transmitter to respond to remote control audio tones, the transmitter must meet certain require-ments:
- The transmitter must be turned on in either standby or operating mode.
- The WM transmitter must have firmware ver-sion 2.4 or later for all settings to be available.
- The transmitter microphone must be within range.
- The transmitter must be configured to enable remote control activation.
Please be aware this app is not a Lectrosonics product. It is privately owned and operated by New Endian LLC, www.newendian.com.
Troubleshooting
Before going through the following chart, be sure that you have a good battery in the transmitter. It is important that you follow these steps in the sequence listed.
SYMPTOM
- TRANSMITTER PWR LED OFF
- Battery is inserted backwards or dead.
- Transmitter not powered up. (See Operating Instructions, Power UP and Boot Sequence.)
- TRANSMITTER PWR LED BLINKS GREEN EVERY FEW SECONDS, TRANSMITTER DOES NOT RESPOND OTHERWISE
- Transmitter has been put to sleep by the remote control. Either use the remote control to wake it up again or remove and reinsert the transmitter battery.
- AUDIO LEVEL LEDs NOT LIGHTING
- Gain control set to minimum.
- Wrong input type selected (such as Line instead of PH 4)
- Batteries are dead or installed backwards. Check PWR LED.
- Mic capsule is damaged or malfunctioning.
- Mic cable damaged or mis-wired.
- RECEIVER RF INDICATOR OFF
- Transmitter not turned on, or is in Standby mode.
- Transmitter battery is dead.
- Receiver antenna missing or improperly positioned.
- Transmitter and receiver not on same frequency or block. Check switches/display on transmitter and receiver.
- Operating range is too great.
- Defective transmitter antenna.
- NO SOUND (OR LOW SOUND LEVEL), RECEIVER INDICATES PROPER AUDIO MODULATION
- Receiver output level set too low.
- Receiver output disconnected, or cable defective or mis-wired.
- Sound system or recorder input is turned down
- DISTORTED SOUND
- Transmitter gain (audio level) is far too high. Check audio level LEDs and receiver audio levels during use.
- Receiver output may be mismatched with the sound system orrecorder input. Adjust output level on receiver to the correct level for the recorder, mixer or sound system. (Use the receiver’s Tone function to check level.)
- Transmitter is not set to same frequency as receiver. Check that operating frequency on receiver and transmitter match.
- Receiver/Transmitter Compatibility mode mismatched
- EXCESSIVE FEEDBACK
- Transmitter gain (audio level) too high. Check gain adjustment and/or reduce receiver output level.
- Talent standing too close to speaker system.
- Mic is too far from user’s mouth.
- HISS AND NOISE — AUDIBLE DROPOUTS
- Transmitter gain (audio level) far too low.
- Receiver antenna missing or obstructed.
- Transmitter antenna broken or missing.
- Operating range too great.
- Signal interference. Turn off transmitter. If receiver’s signal strength indicator does not drop to nearly zero, this indicates an interfering signal may be the problem. Try a different operating frequency.
- “Loc” APPEARS IN DISPLAY WHEN ANY BUTTON IS PRESSED
- Control Panel is locked. (See Operating Instructions, Lock/Unlock the Keypad)
- “Hold” APPEARS IN DISPLAY WHEN ARROW BUTTONS ARE PRESSED
- Reminder that it is necessary to hold down the AUDIO or FREQ button to make adjustments to the audio gain or frequency settings. “PLL” APPEARS IN DISPLAY 1) Indication that the PLL is not locked. This is a serious condition that requires factory repair. It may be possible to operate on another frequency far removed from the one that was selected when the condition was indicated.
- TRANSMITTER WON’T RESPOND TO REMOTE CONTROL
- If LCD blinks “rc oFF”, transmitter has not been configured to respond to the remote control. See Down Arrow Settings and LectroRM.
- If LCD blinks “- – – – – -”, transmitter is already set as requested by the remote control.
- If transmitter does not respond at all, try moving the remote control closer to the microphone or increasing the remote control’s loudness setting.
- Make sure transmitter is not in Sleep mode.
Supplied Accessories
40096
(2) Alkaline batteries. Brand may vary.
Replacement O-rings
Model ORINGKIT/WM Includes replacement O-rings for battery caps and microphone plug with WM style connector, and petroleum jelly pouch.
To order separate parts:
- P/N 35877 O-ring; .433” ID x .623” OD
- P/N 35750 O-ring; .312” ID x .437” OD
- P/N 32408 petroleum jelly pouch; 5 grams
Spring Loaded Belt Clip
Model WMBCSL spring loaded belt clip. Includes hardware kit shown below.
M152/5P
Electret lavaliere microphone. High-performance onmidirectional capsule; locking 5-pin plug (Switchcraft TA5F).
AMMxx
Lectrosonics provides dipole “whip” antennas for use with the WM transmitter. The antennas are cut to the frequency range that matches the unit ordered and include a 50 Ohm SMA connector.
Optional Accessories
Replacement battery caps
Model WMDESIKIT includes replacement battery caps, O-rings, lanyards, thumbscrew and fallen wrench.
Wire Belt Clip
Model WMBCWIRE includes hardware kit shown below.
Belt Clip Hardware Kit
Included with SL and WIRE type belt clips. Provides mounting of belt clips with either set screws using allen wrench, or thumb screws.
WPMC-3
Watertight connector kit, 3 piece, to terminate lavaliere microphones for use with the WM transmitter.
WPMC-10
Watertight connector kit,10 piece, to terminate lavaliere microphones for use with the WM transmitter.
Straight Whip Antennas
This is a full size cutting template used to cut the length of the whip for a particular frequency. Lay the uncut antenna on top of this drawing and trim the whip length to the desired frequency. After cutting the antenna to the desired length, mark the antenna by installing a color cap or sleeve to indicate the color listed in the table below.
The supplied caps can be used several different ways:
- A color cap on the end of the whip
- A color sleeve next to the connector with a black cap on the end of the whip (trim the closed end of the colored cap off with scissors to make a sleeve).

| 470 | 470.100 – 495.600 | Black w/ Label | 5.67” |
| 19 | 486.400 – 511.900 | Black w/ Label | 5.23” |
| 20 | 512.000 – 537.500 | Black w/ Label | 4.98” |
| 21 | 537.600 – 563.100 | Brown w/ Label | 4.74” |
| 22 | 563.200 – 588.700 | Red w/ Label | 4.48” |
| 23 | 588.800 – 614.300 | Orange w/ Label | 4.24” |
| 24 | 614.400 – 639.900 | Yellow w/ Label | 4.01” |
| 25 | 640.000 – 665.500 | Green w/ Label | 3.81” |
| 26 | 665.600 – 691.100 | Blue w/ Label | 3.62” |
| 944 | 944.100 – 951.900 | Black-w/Label | 2.62” |
NOTE:
Not all Lectrosonics products are built on all of the blocks covered in this table. Factory supplied antennas precut to length include a label with the frequency range. Label is not supplied with this kit.
Preventing Corrosion
Whenever the transmitter has been exposed to moisture or perspiration, follow the instructions below to minimize the risk of corrosion. DRY THE UNIT BEFORE REMOVING THE MICROPHONE CONNECTOR OR BATTERY CAPS. If the transmitter has been exposed to salt water, rinse it with fresh water and then dry the exterior of the transmitter thoroughly with a clean paper towel or cloth. Remove all moisture around the battery caps and microphone cable connector.After removing the battery caps and microphone connector, wipe off any residual moisture around the battery compartment and microphone jack openings and on the battery caps and microphone connector. The O-rings should be coated with Vaseline® or an equivalent petroleum jelly* before each use to ensure the seals are watertight. DO NOT USE ANYTHING OTHER THAN PURE PETROLEUM JELLY TO LUBRICATE THE O-RINGS. Silicon-based lubricants will dissolve the O-rings. Store the unit with no batteries installed, battery caps removed and the microphone disconnected to allow any buildup of humidity and moisture to evaporate. Also see the section in the back of this manual entitled Desiccant Battery Caps.
Desiccant Battery Caps
Early WM transmitters were shipped with standard battery caps. Later engineering developed an up-dated battery cap design that contained moisture absorbing desiccant beads to protect the interior of the transmitter from excess humidity. These caps are available as a kit to update early WM transmit-ters, or to replace lost or damaged caps.
These battery doors on the WM will absorb small amounts of moisture and humidity from the inside of the transmitter. You must still be careful to keep moisture out of the WM by opening it only in dry or sheltered areas and by making sure the battery surfaces are dry before installing them. Always use the WP waterproof mic connector in wet conditions. The desiccant doors will only remove a few drops of moisture.
Battery Door Update
Early WM transimitters were supplied with standard battery door caps. The newer battery caps include a drying agent in a cavity to help absorb moisture inside the transmitter. The caps are available in a kit for updating older transmitters.
Kit consists of pre-assembled battery doors with thumbscrew and hex key (Allen Remove old center screw with the supplied hex key (Allen wrench).
Install new battery caps and tighten the thumb screw by hand. The thumbscrew is removed to re-condition (dry out) the desiccant beads.
Eventually, the desiccant beads absorb enough moisture that they will become ineffective and turn green or blue instead of the normally dry color of amber/orange. To recharge the desiccant, it must be heated to 200 to 400 degrees F for at least an hour, preferably more. The desiccant, the silicone O-ring seals and the doors can withstand maximum tem-peratures up to 400 degrees F (205 degrees C). The doors can be put into an oven at 200 degrees F for several hours. As the heat drives out the ab-sorbed moisture, the desiccant will turn back to its normal amber/orange color.Do not put the WM transmitter itself into any oven or heating device. After heating, particularly at higher temperatures, the O-rings will likely need a tiny dab of petroleum jelly (Vaseline*) to replace the lubricant that may migrate in the heat. *Vaseline is a registered trademark of Conopco, Inc.
Re-conditioning (drying out) the caps and desiccant beads
An easy way to heat the doors is to use a coffee mug warmer, which typically costs about $10. The surface temperature of about 220 degrees (F) will dry the doors and desiccant, but it will not disturb any light lubricant (like the Vaseline petroleum pro-vided with the WM) that is on the O-ring seals.
It is also possible to use the mug warmer to dry out the doors without removing them from the case as shown below. Do not place the transmitter on this heated surface. Lay it to one side as shown.
The mug warmer used for testing consumed 17 watts, so it could even be used on a sound cart AC supply without being a huge drain on the batteries. The color of the desiccant beads can be observed by shining a pen light on one edge of the battery cap to illuminate the desiccant. Ideally, they will be an amber/orange color at room temperature.
Specifications
Operating frequencies:
- WM:
- Block 470 470.100 – 495.600 Block 21 537.600 – 563.100
- Block 19 486.400 – 511.900 Block 22 563.200 – 588.700
- Block 20 512.000 – 537.500 Block 23 588.800 – 614.300
- WM/E01:
- Block 470 470.100 – 495.600 Block 23 588.800 – 614.300
- Block 19 486.400 – 511.900 Block 606 606.000 – 631.500
- Block 20 512.000 – 537.500 Block 24 614.400 – 639.900
- Block 21 537.600 – 563.100 Block 25 640.000 – 665.500
- WM/E02*:
- Block 470 470.100 – 495.600 Block 25 640.000 – 665.500
- Block 19 486.400 – 511.900 Block 26 665.600 – 691.100
- Block 20 512.000 – 537.500 Block 27 691.200 – 716.700
- Block 21 537.600 – 563.100 Block 28: 716.800 – 742.300
- Block 22 563.200 – 588.700 Block 29: 742.400 – 767.900
- Block 23 588.800 – 614.300 Block 30: 768.000 – 793.500
- Block 606 606.000 – 631.500 Block 31: 793.600 – 819.100
- Block 24 614.400 – 639.900 Block 32: 819.200 – 844.700
- Block 33: 844.800 – 861.900 Frequency usage varies by country.
- WM/X:
- Block 470 470.100 – 495.600 Block 23 588.800 – 614.300
- Block 19 486.400 – 511.900 Block 606 606.000 – 631.500
- Block 20 512.000 – 537.500 Block 24 614.400 – 639.900
- Block 21 537.600 – 563.100 Block 25 640.000 – 665.500
- Block 22 563.200 – 588.700 Block 26 665.600 – 691.100
NOTE: It’s the user’s responsibility to select the approved frequencies for the region where the transmitter is operating Block 22 563.200 – 588.700 Block 26 665.600 – 691.100
Channel Spacing:
- WM: 25 kHz or 100 kHz
- WM/E01: 100 kHz
- WM/E02: 100 kHz
- WM/X: 25 kHz or 100 kHz
- Frequency selection: Control panel mounted membrane switches
- RF Power output: WM: Switchable; 50, 100 or 250 mW
- WM/E01: 50 mW
- WM/E02: 10 mW
- WM/X: Switchable; 50, 100 or 250 mW
- Compatibility Modes WM: Nu Hybrid, IFB, Mode 3
- WM/E01: Digital Hybrid Wireless® and IFB
- WM/E02: Digital Hybrid Wireless® and IFB
- WM/X: Nu Hybrid, Digital Hybrid Wireless® , IFB, Mode 3, Mode 4, Mode 6
- Pilot tone: 3.5 kHz deviation (Nu Hybrid) 25 to 32 kHz; 3 kHz deviation (Digital Hybrid Mode)
- Frequency stability: ± 0.002%
- Spurious radiation: WM: Compliant with ETSI EN 300 422-1 v1.4.2 WM E01/E02/X: 60 dB below carrier
- Equivalent input noise: –125 dBV, A-weighted
Input level:
- Dynamic mic: 0.5 mV to 50 mV before limiting. Greater than 1 V with limiting.
- Electret lavaliere mic: 1.7 uA to 170 uA before limiting. Greater than 5000 uA (5 mA) with limiting.
- Line level input: 17 mV to 1.7 V before limiting. Greater than 5 V with limiting.
Input impedance:
- Dynamic mic: 300 Ohms
- Electret lavaliere: Input is virtual ground with servo adjusted constant current bias
- Line level: > 2.7 k Ohms
- Input limiter: Soft limiter, 30 dB range
- Bias voltages: Selectable; 2V, 4V and Off
- Gain control range: 44 dB; panel mounted membrane switches
- Modulation indicators: Dual bicolor LEDs indicate modulation of –20, -10, 0, +10 dB referenced to full modulation
- Controls: Control panel with LCD and four membrane switches
- Low frequency roll-off: Adjustable from 35 to 150 Hz

- Audio Frequency Response: 35 Hz to 20 kHz, +/-1 dB (The low frequency roll-off is adjustable – see graph above)
- Signal to Noise Ratio (dB):
(Note: the dual envelope “soft” limiter provides exceptionally good handling of transients using variable attack and release time constants. The gradual onset of limiting in the design begins below full modulation, which reduces the measured figure for SNR without limiting by 4.5 dB)
| OFF | 103.5 | 108.0 |
| NORMAL | 107.0 | 111.5 |
- Total Harmonic Distortion: 0.2% typical (Nu Hybrid mode)
- Audio Input Jack: 2.5 mm locking micro; threaded for stainless sleeve on WP connector
- Antenna: Flexible, unbreakable steel cable.
- Batteries: 1.5 Volt AA (lithium recommended)
Power Setting: Battery Life: (HH:MM) 50 mW (2 AA): 13:00 100 mW (2 AA): 10:45 - Weight: 5.33 oz. (151 grams) with lithium batteries
- Housing Dimensions: 2.98 x 2.55 x 0.77 inches 75.7 x 64.8 x 19.6 mm (including battery caps)
- Emission Designator: WM: 110KF3E
- WM/E01: 180KF3E
Specifications subject to change without notice.
CE Declaration of Conformity
R&TTE Directive (1999/5/EC)

The WM/E01 may be operated in:
| AT | BE | BG | CH | CY | CZ |
| DE | DK | EE | FI | FR | GR |
| HU | IE | IS | LT | LU | LV |
| MT | NL | NO | PT | RO | SE |
| SI | SK | UK |
The use of the WM/E01 requires a license and is subject to national restrictions on frequency selection and channel spacing.
Service and Repair
If your system malfunctions, you should attempt to correct or isolate the trouble before concluding that the equipment needs repair. Make sure you have followed the setup procedure and operating instructions. Check the interconnecting cables and then go through the Troubleshooting section in this manual. We strongly recommend that you do not try to repair the equipment yourself and do not have the local repair shop attempt anything other than the simplest repair. If the repair is more complicated than a broken wire or loose connection, send the unit to the factory for repair and service. Don’t attempt to adjust any controls inside the units. Once set at the factory, the various controls and trimmers do not drift with age or vibration and never require readjustment. There are no adjustments inside that will make a malfunctioning unit start working. LECTROSONICS’ Service Department is equipped and staffed to quickly repair your equipment. In warranty re-pairs are made at no charge in accordance with the terms of the warranty. Out-of-warranty repairs are charged at a modest flat rate plus parts and shipping. Since it takes almost as much time and effort to determine what is wrong as it does to make the repair, there is a charge for an exact quotation. We will be happy to quote ap-proximate charges by phone for out-of-warranty repairs.
Returning Units for Repair
For timely service, please follow the steps below:
- DO NOT return equipment to the factory for repair without first contacting us by email or by phone. We need to know the nature of the problem, the model number and the serial number of the equipment. We also need a phone number where you can be reached 8 A.M. to 4 P.M. (U.S. Mountain Standard Time).
- After receiving your request, we will issue you a return authorization number (R.A.). This number will help speed your repair through our receiving and repair departments. The return authorization number must be clearly shown on the outside of the shipping container.
- Pack the equipment carefully and ship to us, shipping costs prepaid. If necessary, we can provide you with the proper packing materials. UPS is usually the best way to ship the units. Heavy units should be “double-boxed” for safe transport.
- We also strongly recommend that you insure the equipment, since we cannot be responsible for loss of or damage to equipment that you ship. Of course, we insure the equipment when we ship it back to you.
Lectrosonics USA:
- Mailing address: Lectrosonics, Inc. PO Box 15900 Rio Rancho, NM 87174 USA
- Web: www.lectrosonics.com
Lectrosonics Canada:
Mailing Address: 720 Spadina Avenue, Suite 600 Toronto, Ontario M5S 2T9
Shipping address: Lectrosonics, Inc. 561 Laser Rd. Ste. 102 Rio Rancho, NM 87124 USA
- E-mail: [email protected]
Telephone
- (416) 596-2202
- (877) 753-2876 Toll-free
- (877-7LECTRO)
- (416) 596-6648 Fax
E-mail:
- Sales: [email protected]
- Service: [email protected]
Self-Help Options for Non-Urgent Concerns
Our Facebook groups and weblists are a wealth of knowledge for user questions and information. Refer to: Lectrosonics General Facebook Group: https://www.facebook.com/groups/69511015699
D Squared, Venue 2 and Wireless Designer Group: https://www.facebook.com/groups/104052953321109 The Wire Lists: https://lectrosonics.com/the-wire-lists.html
LIMITED ONE YEAR WARRANTY
The equipment is warranted for one year from date of purchase against defects in materials or workmanship provided it was purchased from an authorized dealer. This warranty does not cover equipment which has been abused or damaged by careless handling or shipping. This warranty does not apply to used or demonstrator equipment. Should any defect develop, Lectrosonics, Inc. will, at our option, repair or replace any defective parts without charge for either parts or labor. If Lectrosonics, Inc. cannot correct the defect in your equipment, it will be replaced at no charge with a similar new item. Lectrosonics, Inc. will pay for the cost of returning your equipment to you. This warranty applies only to items returned to Lectrosonics, Inc. or an authorized dealer, shipping costs prepaid, within one year from the date of purchase. This Limited Warranty is governed by the laws of the State of New Mexico. It states the entire liablility of Lectrosonics Inc. and the entire remedy of the purchaser for any breach of warranty as outlined above. NEITHER LECTROSONICS, INC. NOR ANYONE INVOLVED IN THE PRODUCTION OR DELIVERY OF THE EQUIPMENT SHALL BE LIABLE FOR ANY INDIRECT, SPECIAL, PUNITIVE, CONSEQUENTIAL, OR INCIDENTAL DAMAGES ARISING OUT OF THE USE OR INABILITY TO USE THIS EQUIPMENT EVEN IF LECTROSONICS, INC. HAS BEEN ADVISED OF THE POSSIBILITY OF SUCH DAMAGES. IN NO EVENT SHALL THE LIABILITY OF LECTROSONICS, INC. EXCEED THE PURCHASE PRICE OF ANY DEFECTIVE EQUIPMENT. This warranty gives you specific legal rights. You may have additional legal rights which vary from state to state.
- 581 Laser Road NE
- Rio Rancho, NM 87124 USA
- www.lectrosonics.com (505) 892-4501
- (800) 821-1121
- fax (505) 892-6243
- [email protected]























