DEWALT DCS334 18v XR Cordless Brushless Jigsaw









Congratulations!
You have chosen a DEWALT tool. Years of experience, thorough product development and innovation make DEWALT one of the most reliable partners for professional power tool users.
Technical Data
| Voltage | VDC | 18 | 18 |
| Type | 1 | 1 | |
| Battery type | Li‑Ion | Li‑Ion | |
| No‑load speed | min‑1 | 0–3200 | 1000–3200 |
| Stroke length | mm | 26 | 26 |
| Cutting depth in: | |||
| wood | mm | 135 | 135 |
| aluminum | mm | 25 | 25 |
| steel | mm | 10 | 10 |
| Bevel angle adjustment (l/r) | ˚ | 0–45 | 0–45 |
| Weight (without battery pack) | kg | 2.1 | 2.0 |
Noise values and vibration values (triax vector sum) according to EN62841‑2‑11:
| LPA (emission sound pressure level) | dB(A) | 85 | 85 |
| LWA (sound power level) | dB(A) | 96 | 96 |
| K (uncertainty for the given sound level) | dB(A) | 3 | 4 |
| While cutting board | |||
| Vibration emission value ah,B = | m/s2 | 5.2 | 7.7 |
| Uncertainty K = | m/s2 | 1.5 | 1.5 |
| While cutting sheet metal | |||
| Vibration emission value ah,M = | m/s2 | 4.9 | 7.7 |
| Uncertainty K = | m/s2 | 1.6 | 3.1 |
The vibration and/or noise emission level given in this information sheet has been measured in accordance with
a standardized test given in EN62841 and may be used to compare one tool with another. It may be used for a preliminary assessment of exposure.
WARNING: The declared vibration and/or noise emission level represents the main applications of the tool. However if the tool is used for different applications, with different accessories or poorly maintained, the vibration and/or noise emission may differ. This may significantly increase the exposure level over the total working period.
An estimation of the level of exposure to vibration and/or noise should also take into account the times when the tool is switched off or when it is running but not actually doing the job. This may significantly reduce the exposure level over the total working period.
Identify additional safety measures to protect the operator from the effects of vibration and/or noise such as: maintain the tool and the accessories, keep the hands warm
(relevant for vibration), organisation of work patterns.
EC‑Declaration of Conformity
Machinery Directive
Jigsaw
DCS334, DCS335
DEWALT declares that these products described under Technical Data are in compliance with:
2006/42/EC, EN62841‑1:2015, EN62841‑2‑11: 2016.
These products also comply with Directive 2014/30/EU and 2011/65/EU. For more information, please contact DEWALT at the following address or refer to the back of the manual.
The undersigned is responsible for compilation of the technical file and makes this declaration on behalf of DEWALT.
Markus Rompel
Vice‑President Engineering, PTE‑Europe
DEWALT, Richard‑Klinger‑Straße 11,
D‑65510, Idstein, Germany
25.02.2020
WARNING: To reduce the risk of injury, read the instruction manual.
Definitions: Safety Guidelines
The definitions below describe the level of severity for each signal word. Please read the manual and pay attention to these symbols.
DANGER: Indicates an imminently hazardous situation which, if not avoided, will result in death or serious injury.
WARNING: Indicates a potentially hazardous situation which, if not avoided, could result in death or serious injury.
CAUTION: Indicates a potentially hazardous situation which, if not avoided, may result in minor or moderate injury.
NOTICE: Indicates a practice not related to personal injury which, if not avoided, may result in property damage.
Denotes risk of electric shock.
Denotes risk of fire.
| Batteries | Chargers/Charge Times (Minutes) | ||||||||||||
| Cat # VDC Ah Weight (kg) | DCB104 DCB107 DCB112 DCB113 DCB115 DCB116 DCB117 DCB118 DCB132 DCB119 | ||||||||||||
| DCB546 | 18/54 | 6.0/2.0 | 1.05 | 60 | 270 | 170 | 140 | 90 | 80 | 40 | 60 | 90 | X |
| DCB547 | 18/54 | 9.0/3.0 | 1.46 | 75* | 420 | 270 | 220 | 135* | 110* | 60 | 75* | 135* | X |
| DCB548 | 18/54 | 12.0/4.0 | 1.44 | 120 | 540 | 350 | 300 | 180 | 150 | 80 | 120 | 180 | X |
| DCB181 | 18 | 1.5 | 0.35 | 22 | 70 | 45 | 35 | 22 | 22 | 22 | 22 | 22 | 45 |
| DCB182 | 18 | 4.0 | 0.61 | 60/40** | 185 | 120 | 100 | 60 | 60/45** | 60/40** | 60/40** | 60 | 120 |
| DCB183/B | 18 | 2.0 | 0.40 | 30 | 90 | 60 | 50 | 30 | 30 | 30 | 30 | 30 | 60 |
| DCB184/B | 18 | 5.0 | 0.62 | 75/50** | 240 | 150 | 120 | 75 | 75/60** | 75/50** | 75/50** | 75 | 150 |
| DCB185 | 18 | 1.3 | 0.35 | 22 | 60 | 40 | 30 | 22 | 22 | 22 | 22 | 22 | X |
| DCB187 | 18 | 3.0 | 0.54 | 45 | 140 | 90 | 70 | 45 | 45 | 45 | 45 | 45 | 90 |
| DCB189 | 18 | 4.0 | 0.54 | 60 | 185 | 120 | 100 | 60 | 60 | 60 | 60 | 60 | 120 |
GENERAL POWER TOOL SAFETY WARNINGS
WARNING: Read all safety warnings, instructions, illustrations and specifications provided with this power tool. Failure to follow all instructions listed below may result in electric shock, fire and/or serious injury.
SAVE ALL WARNINGS AND INSTRUCTIONS FOR FUTURE REFERENCE
The term “power tool” in the warnings refers to your mains‑operated (corded) power tool or battery‑operated (cordless) power tool.
- Work Area Safety
- Keep work area clean and well lit. Cluttered or dark areas invite accidents.
- Do not operate power tools in explosive atmospheres, such as in the presence of flammable liquids, gases or dust. Power tools create sparks which may ignite the dust or fumes.
- Keep children and bystanders away while operating a power tool. Distractions can cause you to lose control.
- Electrical Safety
- Power tool plugs must match the outlet. Never modify the plug in any way. Do not use any adapter plugs with earthed (grounded) power tools.
Unmodified plugs and matching outlets will reduce risk of electric shock. - Avoid body contact with earthed or grounded surfaces, such as pipes, radiators, ranges and refrigerators. There is an increased risk of electric shock if your body is earthed or grounded.
- Do not expose power tools to rain or wet conditions.
Water entering a power tool will increase the risk of electric shock. - Do not abuse the cord. Never use the cord for carrying, pulling or unplugging the power tool. Keep cord away from heat, oil, sharp edges or moving parts. Damaged or entangled cords increase the risk of electric shock.
- When operating a power tool outdoors, use an extension cord suitable for outdoor use. Use of a cord suitable for outdoor use reduces the risk of electric shock.
- If operating a power tool in a damp location is unavoidable, use a residual current device (RCD) protected supply. Use of an RCD reduces the risk of electric shock.
- Power tool plugs must match the outlet. Never modify the plug in any way. Do not use any adapter plugs with earthed (grounded) power tools.
- Personal Safety
- Stay alert, watch what you are doing and use common sense when operating a power tool. Do not use a power tool while you are tired or under the influence of drugs, alcohol or medication. A moment of inattention while operating power tools may result in serious personal injury.
- Use personal protective equipment. Always wear eye protection. Protective equipment such as a dust mask, non‑skid safety shoes, hard hat or hearing protection used for appropriate conditions will reduce personal injuries
- Prevent unintentional starting. Ensure the switch is in the off‑position before connecting to power source and/or battery pack, picking up or carrying the tool. Carrying power tools with your finger on the switch or energizing power tools that have the switch on invites accidents.
- Remove any adjusting key or wrench before turning the power tool on. A wrench or a key left attached to a rotating part of the power tool may result in personal injury.
- Do not overreach. Keep proper footing and balance at all times. This enables better control of the power tool in unexpected situations.
- Dress properly. Do not wear loose clothing or jewellery. Keep your hair and clothing away from moving parts. Loose clothes, jewellery or long hair can be caught in moving parts.
- If devices are provided for the connection of dust extraction and collection facilities, ensure these are connected and properly used. Use of dust collection can reduce dust‑related hazards
- Do not let familiarity gained from frequent use of tools allow you to become complacent and ignore tool safety principles. A careless action can cause severe injury within a fraction of a second.
- Power Tool Use and Care
- Do not force the power tool. Use the correct power tool for your application. The correct power tool will do the job better and safer at the rate for whichit
was designed. - Do not use the power tool if the switch does not turn it on and off. Any power tool that cannot be controlled with the switch is dangerous and must be repaired.
- Disconnect the plug from the power source and/ or remove the battery pack, if detachable, from the power tool before making any adjustments, changing accessories, or storing power tools. Such preventive safety measures reduce the risk of starting the power tool accidentally.
- Store idle power tools out of the reach of children and do not allow persons unfamiliar with the power tool or these instructions to operate the power tool. Power tools are dangerous in the hands of untrained users.
- Maintain power tools and accessories. Check for misalignment or binding of moving parts, breakage of parts and any other condition that may affect the power tool’s operation. If damaged, have the power tool repaired before use. Many accidents are caused by
poorly maintained power tools. - Keep cutting tools sharp and clean. Properly maintained cutting tools with sharp cutting edges are less likely to bind and are easier to control.
- Use the power tool, accessories and tool bits etc. in accordance with these instructions, taking into account the working conditions and the work to be performed. Use of the power tool for operations different from those intended could result in a hazardous situation.
- Keep handles and grasping surfaces dry, clean and free from oil and grease. Slippery handles and grasping surfaces do not allow for safe handling and control of the tool in unexpected situations.
- Do not force the power tool. Use the correct power tool for your application. The correct power tool will do the job better and safer at the rate for whichit
- Battery Tool Use and Care
- Recharge only with the charger specified by the manufacturer. A charger that is suitable for one type of battery pack may create a risk of fire when used with another battery pack.
- Use power tools only with specifically designated battery packs. Use of any other battery packs may create a risk of injury and fire.
- When battery pack is not in use, keep it away from other metal objects, like paper clips, coins, keys, nails, screws or other small metal objects, that can make a connection from one terminal to another. Shorting the battery terminals together may cause burns or a fire.
- Under abusive conditions, liquid may be ejected from the battery; avoid contact. If contact accidentally occurs, flush with water. If liquid contacts eyes, additionally seek medical help. Liquid ejected from the battery may cause irritation or burns.
- Do not use a battery pack or tool that is damaged or modified. Damaged or modified batteries may exhibit unpredictable behaviour resulting in fire, explosion or risk of injury.
- Do not expose a battery pack or tool to fire or excessive temperature. Exposure to fire or temperature above 130 °C may cause explosion.
- Follow all charging instructions and do not charge the battery pack or tool outside the temperature range specified in the instructions. Charging improperly or at temperatures outside the specified range may damage the battery and increase the risk of fire.
- Service
- Have your power tool serviced by a qualified repair person using only identical replacement parts. This will ensure that the safety of the power tool is maintained.
- Never service damaged battery packs. Service of battery packs should only be performed by the manufacturer or authorized service providers
Additional Safety Warnings for Jigsaws
- Hold the power tool by insulated gripping surfaces, when performing an operation where the cutting accessory may contact hidden wiring. Cutting accessory
contacting a “live” wire may make exposed metal parts of the power tool “live” and could give the operator an electric shock. - Use clamps or another practical way to secure and support the workpiece to a stable platform. Holding the workpiece by hand or against your body leaves it unstable and may lead to loss of control.
- Keep hands away from cutting area. Never reach underneath the workpiece for any reason. Do not insert fingers or thumb into the vicinity of the reciprocating blade and blade clamp. Do not stabilize the saw by gripping the shoe.
- Keep blades sharp. Dull or damaged blades may cause the saw to swerve or stall under pressure. Always use the appropriate type of saw blade for the workpiece material and type of cut.
- When cutting pipe or conduit, make sure that they are free from water, electrical wiring, etc.
- Do not touch the workpiece or the blade immediately after operating the tool. They can become very hot.
- Be aware of hidden hazards, before cutting into walls, floors or ceilings, check for the location of wiring and pipes.
- The blade will continue to move after releasing the switch. Always switch the tool off and wait for the saw blade to come to a complete standstill before putting the tool down.
Residual Risks
In spite of the application of the relevant safety regulations and the implementation of safety devices, certain residual risks cannot be avoided. These are:
- Impairment of hearing.
- Risk of accidents caused by the uncovered parts of the saw blade.
- Health hazards caused by breathing dust developed when sawing wood, especially oak, beech and MDF.
- Risk of personal injury due to flying particles.
- Risk of burns due to accessories becoming hot during operation.
- Risk of personal injury due to prolonged use.
Chargers
DEWALT chargers require no adjustment and are designed to be as easy as possible to operate.
Electrical Safety
The electric motor has been designed for one voltage only. Always check that the battery pack voltage corresponds to the voltage on the rating plate. Also make sure that the voltage of your charger corresponds to that of your mains.
Your DEWALT charger is double insulated in accordance with EN60335; therefore no earth wire is required.
If the supply cord is damaged, it must be replaced only by DEWALT or an authorized service organization.
Mains Plug Replacement (U.K. & Ireland Only)
If a new mains plug needs to be fitted:
- Safely dispose of the old plug.
- Connect the brown lead to the live terminal in the plug.
- Connect the blue lead to the neutral terminal.
WARNING: No connection is to be made to the earth terminal.
Follow the fitting instructions supplied with good quality plugs. Recommended fuse: 3 A.
Using an Extension Cable
An extension cord should not be used unless absolutely necessary. Use an approved extension cable suitable for the power input of your charger (see Technical Data). The minimum conductor size is 1 mm2; the maximum length is 30 m.
When using a cable reel, always unwind the cable completely.
Important Safety Instructions for All Battery Chargers
SAVE THESE INSTRUCTIONS: This manual contains important safety and operating instructions for compatible battery chargers (refer to Technical Data).
- Before using charger, read all instructions and cautionary markings on charger, battery pack, and product using battery pack.
WARNING: Shock hazard. Do not allow any liquid to get inside charger. Electric shock may result.
WARNING: We recommend the use of a residual current device with a residual current rating of 30mA or less.
CAUTION: Burn hazard. To reduce the risk of injury, charge only DEWALT rechargeable batteries. Other types of batteries may burst causing personal injury and damage.
CAUTION: Children should be supervised to ensure that they do not play with the appliance.
NOTICE: Under certain conditions, with the charger plugged into the power supply, the exposed charging contacts inside the charger can be shorted by foreign material. Foreign materials of a conductive nature such as, but not limited to, steel wool, aluminum foil or any buildup of metallic particles should be kept away from charger cavities. Always unplug the charger from the power supply when there is no battery pack in the cavity. Unplug charger before attempting to clean.
- DO NOT attempt to charge the battery pack with any chargers other than the ones in this manual. The charger and battery pack are specifically designed to work together.
- These chargers are not intended for any uses other than charging DEWALT rechargeable batteries. Any other uses may result in risk of fire, electric shock or electrocution.
- Do not expose charger to rain or snow.
- Pull by plug rather than cord when disconnecting charger. This will reduce risk of damage to electric plug and cord.
- Make sure that cord is located so that it will not be stepped on, tripped over, or otherwise subjected to damage or stress.
- Do not use an extension cord unless it is absolutely necessary. Use of improper extension cord could result in risk of fire ,electric shock, or electrocution.
- Do not place any object on top of charger or place
the charger on a soft surface that might block the ventilation slots and result in excessive internal heat. Place the charger in a position away from any heat source. The charger is ventilated through slots in the top and the bottom of the housing. - Do not operate charger with damaged cord or plug—have them replaced immediately.
- Do not operate charger if it has received a sharp blow, been dropped, or otherwise damaged in any way. Take it to an authorized service centre.
- Do not disassemble charger; take it to an authorized service centre when service or repair is required. Incorrect reassembly may result in a risk of electric shock, electrocution or fire.
- In case of damaged power supply cord, the supply cord must be replaced immediately by the manufacturer, its service agent or similar qualified person to prevent any hazard.
- Disconnect the charger from the outlet before attempting any cleaning. This will reduce the risk of electric shock. Removing the battery pack will not reduce this risk.
- NEVER attempt to connect two chargers together.
- The charger is designed to operate on standard 230V household electrical power. Do not attempt to use it on any other voltage. This does not apply to the vehicular charger.
Charging a Battery (Fig. B)
- Plug the charger into an appropriate outlet before inserting battery pack.
- Insert the battery pack 11 into the charger, making sure the battery pack is fully seated in the charger. The red (charging) light will blink repeatedly indicating that the charging process has started.
- The completion of charge will be indicated by the red light remaining ON continuously. The battery pack is fully charged and may be used at this time or left in the charger. To remove the battery pack from the charger, push the battery release button 12 on the battery pack.
NOTE: To ensure maximum performance and life of lithium‑ion battery packs, charge the battery pack fully before first use.
Charger Operation
Refer to the indicators below for the charge status of the battery pack.
* The red light will continue to blink, but a yellow indicator light will be illuminated during this operation. Once the battery pack has reached an appropriate temperature, the yellow light will turn off and the charger will resume the charging procedure.
The compatible charger(s) will not charge a faulty battery pack. The charger will indicate faulty battery by refusing to light.
NOTE: This could also mean a problem with a charger.
If the charger indicates a problem, take the charger and battery pack to be tested at an authorized service centre.
Hot/Cold Pack Delay
When the charger detects a battery pack that is too hot or too cold, it automatically starts a Hot/Cold Pack Delay, suspending charging until the battery pack has reached an appropriate temperature. The charger then automatically switches to the pack charging mode. This feature ensures maximum battery pack life.
A cold battery pack will charge at a slower rate than a warm battery pack. The battery pack will charge at that slower rate throughout the entire charging cycle and will not return to maximum charge rate even if the battery pack warms.
The DCB118 charger is equipped with an internal fan designed to cool the battery pack. The fan will turn on automatically when the battery pack needs to be cooled. Never operate the charger if the fan does not operate properly or if ventilation slots are blocked. Do not permit foreign objects to enter the interior of the charger.
Electronic Protection System
XR Li‑Ion tools are designed with an Electronic Protection System that will protect the battery pack against overloading, overheating or deep discharge.
The tool will automatically turn off if the Electronic Protection System engages. If this occurs, place the lithium‑ion battery pack on the charger until it is fully charged.
Wall Mounting
These chargers are designed to be wall mountable or to sit upright on a table or work surface. If wall mounting, locate the charger within reach of an electrical outlet, and away from a corner or other obstructions which may impede air flow. Use the back of the charger as a template for the location of the mounting screws on the wall. Mount the charger securely using drywall screws (purchased separately) at least 25.4 mm long with a screw head diameter of 7–9 mm, screwed into wood to an optimal depth leaving approximately 5.5 mm of the screw exposed. Align the slots on the back of the charger with the exposed screws and fully engage them in the slots.
Charger Cleaning Instructions
WARNING: Shock hazard. Disconnect the charger from the AC outlet before cleaning. Dirt and grease may be removed from the exterior of the charger using a cloth or soft non‑metallic brush. Do not use water or any cleaning solutions. Never let any liquid get inside the tool; never immerse any part of the tool into a liquid.
Battery Packs
Important Safety Instructions for All Battery Packs
When ordering replacement battery packs, be sure to include catalogue number and voltage.
The battery pack is not fully charged out of the carton. Before using the battery pack and charger, read the safety instructions below. Then follow charging procedures outlined.
READ ALL INSTRUCTIONS
- Do not charge or use battery in explosive atmospheres, such as in the presence of flammable liquids, gases or dust. Inserting or removing the battery from the charger may ignite the dust or fumes.
- Never force battery pack into charger. Do not modify battery pack in any way to fit into a non‑compatible charger as battery pack may rupture causing serious personal injury.
- Charge the battery packs only in DEWALT chargers.
- DO NOT splash or immerse in water or other liquids.
- Do not store or use the tool and battery pack in locations where the temperature may fall below 4 ˚C (34 ˚F) (such as outside sheds or metal buildings in winter), or reach or exceed 40 ˚C (104 ˚F) (such as outside sheds or metal buildings in summer).
- Do not incinerate the battery pack even if it is severely damaged or is completely worn out. The battery pack can explode in a fire. Toxic fumes and materials are created when lithium‑ion battery packs are burned.
- If battery contents come into contact with the skin, immediately wash area with mild soap and water. If battery liquid gets into the eye, rinse water over the open eye for 15 minutes or until irritation ceases. If medical attention is needed, the battery electrolyte is composed of a mixture of liquid organic carbonates and lithium salts.
- Contents of opened battery cells may cause respiratory irritation. Provide fresh air. If symptoms persists, seek medical attention.
WARNING: Burn hazard. Battery liquid may be flammable if exposed to spark or flame.
WARNING: Never attempt to open the battery pack for any reason. If battery pack case is cracked or damaged, do not insert into charger. Do not crush, drop or damage battery pack. Do not use a battery pack or charger that has received a sharp blow, been dropped, run over or damaged in any way (i.e., pierced with a nail, hit with
a hammer, stepped on). Electric shock or electrocution may result. Damaged battery packs should be returned to service centre for recycling.
WARNING: Fire hazard. Do not store or carry the battery pack so that metal objects can contact exposed battery terminals. For example, do not place the battery pack in aprons, pockets, tool boxes, product kit boxes, drawers, etc., with loose nails, screws, keys, etc.
CAUTION: When not in use, place tool on its side on a stable surface where it will not cause a tripping or falling hazard. Some tools with large battery packs will stand upright on the battery pack but may be easily knocked over.
Transportation
WARNING: Fire hazard. Transporting batteries can possibly cause fire if the battery terminals inadvertently come in contact with conductive materials. When transporting batteries, make sure that the battery terminals are protected and well insulated from materials that could contact them and cause a short circuit. NOTE: Lithium‑ion batteries should not be put in checked baggage.
DEWALT batteries comply with all applicable shipping regulations as prescribed by industry and legal standards which include UN Recommendations on the Transport of Dangerous Goods; International Air Transport Association (IATA) Dangerous Goods Regulations, International Maritime Dangerous Goods
(IMDG) Regulations, and the European Agreement Concerning The International Carriage of Dangerous Goods by Road
(ADR). Lithium‑ion cells and batteries have been tested to section 38.3 of the UN Recommendations on the Transport of Dangerous Goods Manual of Tests and Criteria.
In most instances, shipping a DEWALT battery pack will be excepted from being classified as a fully regulated Class
9 Hazardous Material. In general, only shipments containing a lithium‑ion battery with an energy rating greater than 100 Watt Hours (Wh) will require being shipped as fully regulated Class 9.
All lithium‑ion batteries have the Watt Hour rating marked on the pack. Furthermore, due to regulation complexities, DEWALT does not recommend air shipping lithium‑ion battery packs alone regardless of Watt Hour rating. Shipments of tools with batteries (combo kits) can be air shipped as excepted if the Watt Hour rating of the battery pack is no greater than 100 Wh. Regardless of whether a shipment is considered excepted
or fully regulated, it is the shipper’s responsibility to consult the latest regulations for packaging, labeling/marking and documentation requirements.
The information provided in this section of the manual is provided in good faith and believed to be accurate at the time the document was created. However, no warranty, expressed or implied, is given. It is the buyer’s responsibility to ensure that its activities comply with the applicable regulations.
Transporting the FLEXVOLTTM Battery
The DEWALT FLEXVOLTTM battery has two modes: Use and Transport.
Use Mode: When the FLEXVOLTTM battery stands alone or is in a DEWALT 18V product, it will operate as an 18V battery. When the FLEXVOLTTM battery is in a 54V or a 108V (two 54V batteries) product, it will operate as a 54V battery.
Transport Mode: When the cap is attached to the FLEXVOLTTM battery, the battery is in Transport mode. Keep the cap or shipping.
When in Transport mode, strings of cells are electrically disconnected within the pack resulting in 3 batteries with a lower Watt hour (Wh) rating as compared to 1 battery with a higher Watt hour rating. This increased quantity of 3 batteries with the lower Watt hour rating can exempt the pack from certain shipping regulations that are imposed upon the higher Watt hour batteries.
For example, the Transport Example of Use and Transport Label Marking Wh rating might indicate
3 x 36 Wh, meaning 3 batteries of 36 Wh each. The Use Wh rating mightindicate 108 Wh (1 battery implied).
Storage Recommendations
- The best storage place is one that is cool and dry away from direct sunlight and excess heat or cold. For optimum battery performance and life, store battery packs at room temperature when not in use.
- For long storage, it is recommended to store a fully charged battery pack in a cool, dry place out of the charger for optimal results.
NOTE: Battery packs should not be stored completely depleted of charge. The battery pack will need to be recharged before use.
Labels on Charger and Battery Pack
In addition to the pictographs used in this manual, the labels on the charger and the battery pack may show the following pictographs:
- Read instruction manual before use.
- See Technical Data for charging time.
- Do not probe with conductive objects.
- Do not charge damaged battery packs.
- Do not expose to water.
- Have defective cords replaced immediately.
- Charge only between 4 ˚C and 40 ˚C.
- Only for indoor use.
- Discard the battery pack with due care for the environment.
- Charge DEWALT battery packs only with designated DEWALT chargers. Charging battery packs other than the designated DEWALT batteries with a
- DEWALT charger may make them burst or lead to other dangerous situations.
- Do not incinerate the battery pack.
- USE (without transport cap). Example: Wh rating indicates 108 Wh (1 battery with 108 Wh).
- TRANSPORT (with built‑in transport cap). Example: Wh rating indicates 3 x 36 Wh (3 batteries of 36 Wh).
Battery Type
The DCS334, DCS335 operates on an 18 volt battery pack. These battery packs may be used: DCB181, DCB182, DCB183, DCB183B, DCB184, DCB184B, DCB185, , DCB546, DCB189 DCB546, DCB548, DCB187, DCB547. Refer to Technical Data for more information.
Package Contents
The package contains:
- 1 Cordless jigsaw
- 1 Anti‑scratch shoe cover
- 1 Dust port
- 1 Dust shroud
- 1 Dust chute
- 1 Li‑Ion battery pack (C1, D1, L1, M1, P1, S1, T1, X1, Y1 models)
- 2 Li‑Ion battery packs (C2, D2, L2, M2, P2, S2, T2, X2, Y2 models)
- 3 Li‑Ion battery packs (C3, D3, L3, M3, P3, S3, T3, X3, Y3, models)
- 1 Instruction manual
NOTE: Battery packs, chargers and kitboxes are not included with N models. Battery packs and chargers are not included with NT models. B models include Bluetooth® battery packs.
NOTE: The Bluetooth® word mark and logos are registered trademarks owned by the Bluetooth®, SIG, Inc. and any use of such marks by DEWALT is under license. Other trademarks and trade names are those of their respective owners.
- Check for damage to the tool, parts or accessories which may have occurred during transport.
- Take the time to thoroughly read and understand this manual prior to operation.
Markings on Tool
The following pictograms are shown on the tool:
- Read instruction manual before use.
- Wear ear protection.
- Wear eye protection.
Date Code Position (Fig. A)
The date code 10 , which also includes the year of manufacture, is printed into the housing.
Example:
2019 XX XX
Year of Manufacture
Description (Fig. A)
WARNING: Never modify the power tool or any part of it. Damage or personal injury could result.
- Speed trigger (DCS334), On/Off switch (DCS335)
- Lock‑off button (DCS334 only)
- Speed control dial
- Blade release latch
- Finger guard
- Orbital action lever
- Shoe
- Shoe bevel lever
- Handle
- Date code
Intended Use
Your DCS334 and DCS335 jig saws are designed for professional cutting of wood, steel, aluminum, plastic and ceramic material at various work sites (i.e., construction sites).
DO NOT use under wet conditions or in the presence of flammable liquids or gases.
These heavy‑duty jigsaws are professional power tools.
DO NOT let children come into contact with the tool. Supervision is required when inexperienced operators use this tool.
- Young children and the infirm. This appliance is not intended for use by young children or infirm persons without supervision. (XE requirement ‑ English only)
- This product is not intended for use by persons (including children) suffering from diminished physical, sensory or mental abilities; lack of experience, knowledge or skills unless they are supervised by a person responsible for their safety. Children should never be left alone with this product.
ASSEMBLY AND ADJUSTMENTS
WARNING: To reduce the risk of serious personal injury, turn tool off and disconnect battery pack before making any adjustments or removing/installing attachments or accessories. An accidental start‑up can cause injury.
WARNING: Use only DEWALT battery packs and chargers.
Inserting and Removing the Battery Pack from the Tool (Fig. B)
NOTE: Make sure your battery pack 11 is fully charged.
To Install the Battery Pack into the Tool Handle
- Align the battery pack 11 with the rails inside the tool’s handle (Fig. B).
- Slide it into the handle until the battery pack is firmly seated in the tool and ensure that you hear the lock snap into place.
To Remove the Battery Pack from the Tool
- Press the release button 12 and firmly pull the battery pack out of the tool handle.
- Insert battery pack into the charger as described in the charger section of this manual.
Fuel Gauge Battery Packs (Fig. B)
Some DEWALT battery packs include a fuel gauge which consists of three green LED lights that indicate the level of charge remaining in the battery pack.
To actuate the fuel gauge, press and hold the fuel gauge button 16 . A combination of the three green LED lights will illuminate designating the level of charge left. When the level of charge in the battery is below the usable limit, the fuel gauge will not illuminate and the battery will need to be recharged. NOTE: The fuel gauge is only an indication of the charge left on the battery pack. It does not indicate tool functionality and is subject to variation based on product components, temperature and end‑user application.
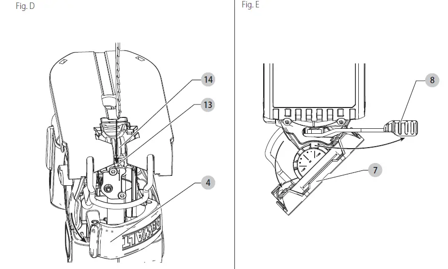
Blade Installation and Removal (Fig. D, J)
To Install a Blade
NOTE: This jig saw uses only T‑shank jig saw blades.
NOTE: The DT2074 flush cutting blade is for use with DEWALT DCS334 and DCS335 jig saws only.
NOTE: When installing flush cutting blades (DT2074), the anti‑splinter insert ( 12 , Fig. J) must be removed and the shoe must to be in the 0 ° positive stop position.
NOTE: The correct saw blade must be selected for the material being cut.
- Hold open the blade release latch 4 as shown in Figure D.
- Insert the T‑shank blade into the clamp mechanism 13 while guiding the back of the blade into the groove of the guide rollers 17 .
- The T‑shank should be completely inside the clamp mechanism.
- Release the blade release latch.
To Remove a Blade
CAUTION: Do not touch used blades, they may be hot. Personal injury may result.
- Hold open the blade release latch 4 .
- With a slight shake the blade will drop out.
- Release the blade release latch.
Beveling the Shoe (Fig. E)
To Bevel the Shoe
- Remove the dust extraction accessories if they are mounted to the tool as the tool will not bevel if they are attached. Refer to Dust Extraction section.
- Unlock the shoe by pulling the shoe bevel lever 8 to the side.
- Slide the shoe 7 forward to release it from the 0 ° positive stop position.
NOTE: The shoe can be beveled to the left or to the right at a maximum of 45 ° in either direction. There are visible detents at 15 ° and 30 °. - Once the desired bevel angle is achieved, lock the shoe
in position:- For 0 ° and 45 ° bevel angles, slide the shoe back and lock the shoe by moving the bevel lever back under the body of the jig saw.
- For all angles between 0 ° and 45 °, lock with bevel lever only.
Cutting Action—Orbital or Straight (Fig. F)
This jig saw is equipped with four cutting actions, three orbital and one straight. Orbital action has a more aggressive blade motion and is designed for cutting in soft materials like wood or plastic. Orbital action provides a faster cut, but with a less smooth cut across the material. In orbital action, the blade moves forward during the cutting stroke in addition to the up and down motion.
NOTE: Metal or hardwoods should never be cut in orbital action. To adjust the cutting action, move the orbital action lever 6 between the four cutting positions: 0, 1, 2, and 3. Position 0 is straight cutting. Positions 1, 2, and 3 are orbital cutting. The aggressiveness of the cut increase as the lever is adjusted from one to three, with three being the most aggressive cut.
Dust Blower (Fig. G)
The dust blower 16 helps clear the cutting area of debris created from the blade.
Dust Extraction (Fig. A, H)
WARNING: Dust can be hazardous to health. Always work with a dust extractor. Always observe the national regulations for work with dust emitting tools.
The dust extraction chute in combination with the dust extraction shroud helps extract dust from the workpiece surface, when connected to a suitable dust extraction system.
NOTE: The tool will not bevel if the dust extraction accessories are attached to the tool.
- Place the dust extraction shroud 15 onto the finger guard 5 (Fig. A) until it clicks into place.
- Slide the dust chute 17 from the back of the tool until it snaps into the dust shroud. Be sure the adapter end is facing up.
- To connect a vacuum to the dust chute 17 , place a DEWALT AirLock (DWV9000), found on all full size DEWALT vacuum hoses, over the dust collection port, and twist the collar to lock it into place. The dust chute will also fit a standard 35 mm connector.
Removeable Anti‑Scratch Shoe Cover (Fig. I)
The anti‑scratch shoe cover 19 should be used when cutting surfaces that scratch easily, such as laminate, veneer or paint. To attach anti‑scratch shoe cover 19 , place the front of the shoe 7 into the front of the anti‑scratch shoe cover and lower the jig saw. The anti‑scratch shoe cover will click securely onto the rear of the shoe.
To remove anti‑scratch shoe cover, grasp the anti‑scratch shoe cover from the bottom; holding onto the two rear tabs 21 remove the anti‑scratch shoe cover.
Anti‑Splinter Insert (Fig. I, J)
NOTE: Do not use the anti‑splinter insert with the flush cutting blade DT74.
The anti‑splinter insert 18 should be used when trying to minimize tear‑out, especially when cutting veneer, laminate, or finished surfaces, such as paint. The anti‑splinter insert should be installed into the anti‑scratch shoe cover 19 . If the no‑mar cover is not used, install anti‑splinter insert into shoe 7 .
Setting the Electronic Sawing Speed
(Fig. A, K)
DCS334
To preset the sawing speed, turn the speed control dial 3 to the desired level. The higher the number on the speed control dial, the higher the sawing speed. The sawing speed varies with the pressure exerted on the variable speed trigger 1 , but will not exceed the speed that is set by the speed control dial 3 . The required setting depends on the thickness and kind of material.
NOTE: Use high speeds for sawing soft materials such as wood.
DCS335
The speed control dial 3 can be used for advance setting of the required range of speed.
- Turn the electronic control dial to the required level. The DCS335 will turn on at that speed when the on/off switch is moved to the ON position. The required setting depends on the thickness and kind of material.
NOTE: Use high speeds for sawing soft materials such as wood.
OPERATION
Instructions for Use
WARNING: Always observe the safety instructions and applicable regulations.
WARNING: To reduce the risk of serious personal injury, turn tool off and disconnect battery pack before making any adjustments or removing/installing attachments or accessories. An accidental start‑up can cause injury.
WARNING: Always wear proper personal hearing protection. Under some conditions and duration of use, noise from this product may contribute to hearing loss.
WARNING:
- Make sure your workpiece is well secured. Remove nails, screws and other fasteners that may damage the blade.
- Check that there is sufficient space for the blade underneath the workpiece. Do not cut materials that are thicker than the maximum cutting depth.
- Use sharp saw blades only. Damaged or bent saw blades must be removed immediately.
- Never run your tool without a saw blade.
- For optimal results, move the tool smoothly and constantly over the workpiece. Do not exert lateral pressure on the saw blade. Keep the shoe flat on the workpiece. When sawing curves, circles or other round shapes, push the tool gently forward.
- Wait until the tool has come to a standstill before removing the saw blade from the workpiece. After sawing the blade may be very hot. Do not touch.
Proper Hand Position (Fig. L)
WARNING: To reduce the risk of serious personal injury, ALWAYS use proper hand position as shown.
WARNING: To reduce the risk of serious personal injury, ALWAYS hold securely in anticipation of a sudden reaction.
Proper hand position requires one hand on the main handle 17 .
Lock‑Off Button and Variable Speed Trigger (Fig. A)
DCS334
To lock the variable speed trigger 1 , press the lock‑off button 2 . When the lock‑off button is depressed to the lock icon, the unit is locked.
Always lock the trigger switch when carrying or storing the tool to eliminate unintentional starting.
To unlock the trigger switch, press the lock‑off button. When the lock‑off button is depressed to the unlock icon, the unit is unlocked.
NOTE: The lock‑off button is colored red to indicate when the switch is in its unlocked position.
To start the DCS334 jig saw, squeeze the variable speed trigger 1 .
To slow and stop the jig saw, release the trigger.
As the trigger is pressed in, the strokes‑per‑minute continue to increase, but up to the maximum speed of the tool. As the trigger is released, the blade strokes‑per‑minute reduce.
NOTE: This tool has no provision to lock the switch in the ON position, and should never be locked ON by any other means.
On/Off Switch (Fig. A)
DCS335
CAUTION: Move the on/off switch 1 to the OFF position before inserting the battery pack.
To start the DCS335 jig saw, move the on/off switch 1 to the ON position. To turn the jig saw off, move the on/off switch to the OFF position.
Worklights
The worklights are located on either side of the blade. To turn on the worklight, depress the trigger (DCS334) or switch on the on/off switch (DCS335). Worklights will remain on 20 seconds after the tool is turned on, or as long as your cut lasts.
NOTE: The worklights are for lighting the immediate work surface and are not intended to be used as a flashlight.
Cutting
WARNING: The jig saw should not be operated with the shoe removed or serious personal injury may result.
Pocket Cutting (Fig. L)
A pocket cut is an easy method of making an inside cut. The saw can be inserted directly into a panel or board without first drilling a lead or pilot hole. In pocket cutting, measure the surface to be cut and mark clearly with a pencil. Next tip the saw forward until the front end of the shoe sits firmly on the work surface and the blade clears the work through its full stroke. Switch the tool on and allow it to attain maximum speed. Grip the saw firmly and lower the back edge of tool slowly until the blade reaches its complete depth. Hold the shoe flat against the wood and begin cutting. Do not remove blade from cut while it is still moving. Blade must come to a complete stop.
Flush Cutting (Fig. M)
A flush cut is necessary when finishing off cuts up to a wall or an obstacle, such as back‑splash. One of the easiest ways to accomplish the flush cut is to use a flush cutting blade (DT2074). The flush cutting blade provides the reach necessary to cut right up to the front edge of the jig saw shoe. Remove the anti‑splinter insert and return the shoe to the 0 ° positive stop position before installing and using the flush cutting blade. For the best cut quality the flush cutting blade should be used in the 0 or 1 orbital position. The flush cutting blade should not be used to start the cut because the flush cutting blade prevents the shoe from being supported by the work surface. Use wood cutting practices explained below.
Wood Cutting
Support the workpiece adequately at all times. Use the higher speed setting for cutting wood. Do not attempt to turn the tool on when blade is against material to be cut. This could stall the motor. Place the front of shoe on the material to be cut and hold the jig saw shoe firmly against the wood while cutting. Don’t force the tool; let the blade cut at its own speed. When the cut is complete, turn the jig saw off. Let blade come to a complete stop and then lay the saw aside before loosening the work.
Metal Cutting
In cutting thin gauge sheet metals, it is best to clamp wood to the bottom of sheet metal; this will insure a clean cut without the risk of vibration or tearing of metal. Always remember to use a finer blade for ferrous metals (for those that have a high iron content); and use a coarser blade for non‑ferrous metals (those that do not have an iron content). Use a high speed setting for cutting soft metals (aluminum, copper, brass, mild steel, galvanized. pipe, conduit sheet metal, etc.). Use lower speed to cut plastics, tile, laminate, hard metals, and cast iron.
MAINTENANCE
Your power tool has been designed to operate over a long period of time with a minimum of maintenance. Continuous satisfactory operation depends upon proper tool care and regular cleaning.
WARNING: To reduce the risk of serious personal injury, turn tool off and disconnect battery pack before making any adjustments or removing/installing attachments or accessories. An accidental start‑up can cause injury.
The charger and battery pack are not serviceable.
Lubrication
Your power tool requires no additional lubrication.
Lubricating the Guide Roller (Fig. D)
Apply a drop of oil to the guide roller 14 at regular intervals to prevent jamming.
Cleaning
WARNING: Blow dirt and dust out of the main housing with dry air as often as dirt is seen collecting in and around the air vents. Wear approved eye protection and approved dust mask when performing this procedure.
WARNING: Never use solvents or other harsh chemicals for cleaning the non‑metallic parts of the tool. These chemicals may weaken the materials used in these parts. Use a cloth dampened only with water and mild soap. Never let any liquid get inside the tool; never immerse any part of the tool into a liquid.
Optional Accessories
WARNING: Since accessories, other than those offered by DEWALT, have not been tested with this product, use of such accessories with this tool could be hazardous. To reduce the risk of injury, only DEWALT recommended accessories should be used with this product.
Consult your dealer for further information on the appropriate accessories.
These include:
- DE3241 Parallel guide
- DE3242 Trammel bar
Protecting the Environment
Separate collection. Products and batteries marked with this symbol must not be disposed of with normal household waste.
Products and batteries contain materials that can be recovered or recycled reducing the demand for raw materials. Please recycle electrical products and batteries according to local provisions. Further information is available at www.2helpU.com.
Rechargeable Battery Pack
This long life battery pack must be recharged when it fails
to produce sufficient power on jobs which were easily done before. At the end of its technical life, discard it with due care for our environment:
- Run the battery pack down completely, then remove it from the tool.
- Li‑Ion cells are recyclable. Take them to your dealer or a local recycling station. The collected battery packs will be recycled or disposed of properly.


















