
USER GUIDE

1300MM DC MOTOR CEILING
FAN WITH LIGHT & REMOTE
KA52DCCFLRS, KA52DCCFLRW, KA52DCCFLRB
SAFETY AND WARNINGS
- Make sure that the mains voltage matches the voltage stated on the rating label of the appliance.
- Check the power cord regularly for visible If the cord is damaged, cease use contact Kogan support, in order to avoid danger.
WARNING: Do not use the appliance if its cord, plug, or housing is damaged, or if it malfunctions or has been dropped or damaged in any way.
- Do not use the appliance in confined spaces with explosive or toxic
- The appliance is not intended to be used by children under the age of 8. It can be used by children over the age of 8, as long as they are given continuous
- This appliance is not intended to be used by persons with reduced physical, sensory, or mental capabilities, or lock of experience or knowledge, unless they have been given supervision or instruction concerning the use of the appliance in a safe way by a person responsible for their safety, and understand the hazards
- Supervise young children to make sure that they do not play with the appliance. Close supervision is necessary when the appliance is being used by or near
- Keep the appliance and its cord out of reach of children under the age of 8.
- Do not try to repair the appliance by yourself. Contact Kogan Support for advice.
- Cleaning and maintenance must be carried out according to this instruction manual to make sure the appliance functions properly. Turn off and unplug the appliance before cleaning it
- Cleaning and maintenance tasks must not be carried out by children.
- Make sure the fan is not placed near drapes, curtains, or any object that may be drowning in the fan.
- Never attach the fan to a PowerPoint, but to the ceiling
- The minimum distance between the fan blades and the floor must be3 m. The minimum carrying capacity of the outlet box from which the fan is hung must be 45 kg.
- Make sure you install an all•poles disconnection switch with a minimum distance of 3 mm between poles in the supply wiring to the ceiling fan.
- Make sure the installation site will not allow the rotating fon blades to come into contact with any object and that there is a minimum distance of 150mm (61 from the blade tip to the wall or Please note that the bigger this distance is, the more airflow the fan will produce.
- Switch off the power before connecting or repairing the fan.
- The electrical wiring must be in accordance with the local regulations. The fan must be properly grounded to avoid the risk of electric
- Never mount the fan in a moist or wet room. Be careful when working near the rotating blades.
- This appliance must be installed in accordance with the national electrical installation
IMPORTANT: Shut off the main electric switch during installation or maintenance. It is recommended to switch off the plug of the automatic switch before the fan (It is not enough to switch off).
WARNING: In order to ensure your children’s safety, please keep all packaging (plastic bags, boxes, polystyrene, etc.) out of their reach.
- Do not use outdoors. The product must be installed in a dry place, where it is not exposed to water or moisture.
- Do not connect the fan motor to a dimmer switch. This could result in malfunction or motor damage.
- It is not recommended that ceiling fans and gas appliances operate in the same room at the same time.
- The fan must be completely turned off and stopped before reversing the fan This will prevent the fan motor and controller from getting damaged. (if installed).
- Do not insert any object into the fan blades during operation. This will damage the blades and upset the balance of the fan causing the unit to wobble.
- After the fan is completely installed make sure all base and fan blade fixings are secured and tightened to prevent any problems.
- Some of the connections may loosen due to the fan’s natural movement. Check the support connections brackets and blade attachments twice a year to make sure they remain secure. If any are loose, tighten.
- Do not touch the appliance with wet hands or feet
- Never expose the appliance to atmospheric conditions (rain, sun…).
- Do not use the device next to potentially explosive or inflammable liquids or gases.
- This product is intended for household use ONLY and not for commercial/industrial or outdoor use.
- Keep batteries out of the reach of children and animals, they could cause damage if swallowed. If they were swallowed, contact your doctor immediately.
- If any visible signs of damage, holes, or deterioration are observed, avoid direct contact between batteries and skin or eyes. If batteries leak and come into contact with your eyes, immediately wash them with clean water and contact your doctor.
OVERVIEW
Components (included)

- Mounting bracket
- Down rod and hanging ball
- Canopy
- Fan motor housing
- LED light
- Glass shade
- Blades
- Screw kit, mounting bracket hardware (wire nuts, rubber washers), and attachment hardware.
- Remote control
Additional tools and material required (not included)
- Screwdriver
- Step ladder
- Flat-blade screwdriver
- Wirecutter
- Adjustable pliers or wrench
- Electrical tape
Unpack your ceiling fan carefully, remove all parts and components, and lay on a cloth or soft surface to avoid damage. Do not lay the motor housing on its side, the housing may get damaged. Before commencing installation, check that all parts are included.
Warning: All electrical tasks should only be undertaken after the disconnection of electricity by removing fuses or turning off the circuit breaker to avoid the risk of electric shock.
Installation of The Mounting Bracket

The hanger bracket must be screwed onto a firm, flat surface. The structure to which it is installed must be able to withstand ten times the static weight of the fan.
If you intend to install the ceiling fan onto a wooden joist, 2 self-tapping screws provided should be enough to support the ceiling fan. The washers provided must be placed in the following order:
- Screw Head
- Round Washer
- Spring Washer
- Mounting Bracket
- Ceiling
Screw the mounting bracket to the ceiling and make sure all connections are secure to prevent the fan from falling. Loosen the two canopy screws from the mounting bracket.
Note: Self-tapping screws are only suitable for wooden ceilings. In the case of installing the ceiling fan to concrete ceilings or joists, use a drill for making the holes and stoppers or expansion screws (not included).
Installation of The Down Rod and Hanger Ball

Unscrew the screw on the down rod’s hanger ball, then loosen the hanger ball. Remove the stop pin from inside the down rod and remove the hanger ball from the rod.
Remove the clevis pin and hairpin clip from the down rod.
If you prefer using the longer down rod, install the hanger ball on it and make sure to move the earth wire from one to the other. Pass the electrical supply leads from the top of the motor all the way through the down rod until they come out the other end.
Insert the down rod into the motor housing’s hole and turn it in order to align the holes on both sides with the holes on the down rod.
Pass the clevis pin through the holes so that it passes through the down rod too, be careful not to damage any of the wires. Pass the hairpin clip through the clevis pin so that
it is securely fixed.
Tighten all the screws set up to the moment. This will ensure minimum rod and fan tumbling.
If screws are not properly tightened, the motor might oscillate. This could be dangerous.
Once the above steps are all finished, install the hanger ball onto the down rod, insert the stop pin in the down rod and lift up the hanger ball. Then, tighten all the screws firmly so that all the elements are completely and securely fixed
Hanging The Fan to The Mounting Bracket and Attaching the Blades
Lift the fan up to the mounting bracket, insert the hanger ball in the mounting bracket through the opening and carefully let it rest.
Rotate the ball and make sure that the tab located in the mounting bracket is aligned with the hanging balls slot.
When aligned, the fan will automatically sit in its correct position. This will prevent the rotation of the rod and fan when the unit is operating.

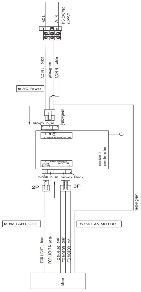
Remote Control and Wiring Instruction
Place the receiver through the hanging bracket and connect the wires following the color codes.
Connect the push connectors from the fan to the remote control as stated below:
- Insert the 3P connector of the hanger bracket into the AC POWER INPUT socket of the receiver
- Insert the 2P light connector of fan motor assembly into the 2P LIGHT socket of the receiver
- Insert the 3P motor connector of fan motor assembly into the 3P MOTOR socket of the receiver


Refer to the full wiring diagram on the following page for detailed information.
- Learning Code Matching Mode is used between remote control and receiver. Turn “ON” the supply power within 30 seconds and press the remote control’s “Fan ON/OFF” button for 5 seconds, it can load normally after hearing a long “beep” sound, indicating Learning Successful, it is working normally.
(Note: Learning Mode is not accepted after the power supply has been on for longer than 30 seconds). - If the remote control cannot control the receiver, check if the battery switch is connected correctly, with correct polarity (positive/negative), and that the batteries have life.
- If the remote control cannot control the receiver, please check if there are any similar remote-controlled products nearby, then check whether they are working. Remote-controlled products with the same frequency will interfere with each other.
- The low voltage of the battery will affect the sensitivity of the remote control and the signal reception accordingly. The indicator light will flash a warning when the battery gets low voltage), must replace if the battery is getting low voltage.
- If left unused for a long time, remove the battery from the remote control.
- For the maximum load of lighting see the below “Power Parameter List”.
Note: Ensure the ground wire is connected correctly, otherwise it may cause the light micro-light or flash.
- When installing the fan, ensure the fan ceiling cover doesn’t press the antenna (or other wire). Doing so may cause damage to the wire or short-circuiting.

Remote control notes
Adopt RF wireless digit emission technique, biunique controlled, the coincident code rate is less than one-millionth, Contact Kogan.com support for maintenance if the remote control or receiver is damaged.
The remote control can be controlled by any angle of the emitter in prescriptive space, unrestricted by direction.
With the memory function, the controller can save the status (light and direction) while the supply power is OFF and resume to original after reloading the power supply.
Blade Assembly
Remove the three screws and the lamp holder from the fixing panel.

Insert the blades through the motor housing’s side slots and align them with the 3 holes.
Secure the blades with 3 blade screws and ensure that the 3 blade screws are tightened properly. Do not over-tighten the screws as this can damage the blades. Repeat this process for all blades.
Note: if installing more than 1 fan, be careful not to mix blades and screws as each model is designed with specific materials and parts.

Installing the LED Light and Glass Shade
Align the lamp holder’s screw holes with those on the motor and attach both parts by means of the screws provided.

Connect the LED light’s wires to the fan motor’s wires.
Carefully install the glass shade into the main body and turn it clockwise to lock it.
WARNING: Do not over-tighten when installing the glass shade.

Balancing Kit
The Balancing Kit should only be used if there is an unacceptable amount of fan wobble after completing the previous installation steps.
- Turn the fan on and set the speed control setting to a speed at which the wobble is the greatest.
- Turn off the fan and allow it to come to a complete stop. Select one blade and place the balancing clip on it, halfway between the blade holder and the blade tip on the trailing edge of the blade.
- Turn the fan on. Note whether the wobble has increased or decreased. Turn the fan off, move the clip to another blade, and retest. Repeat this procedure on all blades noting the blade on which the greatest improvement is achieved.
- Move the clip back to the blade that showed the greatest improvement. Move the clip inward and outward on this blade and operate the fan to find the position where the clip gives the greatest improvement.
- Remove the clip and install a balancing weight to the top of the blade along the centerline near the point where the clip was positioned.
- If the fan wobble problem has not been corrected, you may wish to try to improve the balancing further by using the balancing clip and additional weights
OPERATION
The direction switch on the fan body controls airflow:
- Winter function: Press the switch UP for the blades to move warm air near the ceiling around.
- Summer function: Press the switch DOWN for blades to create a breeze and improve air circulation.
Warning: Before using the direction switch, turn the fan off and make sure the fan has stopped rotating in order to prevent possible injuries and motor damage.
Change direction by pushing the switch up or down when the fan is off.
Remote Control
Use the remote control to turn the fan on and off and to change speed.

Changing the Light Mode
The light has three inbuilt color modes. You can cycle through these by turning the light on and off with the button on the remote.
The color options are: cool white, yellow, and natural.
CLEANING&CARE
To replace the remote control batteries, press the battery cover and slide it towards the arrow direction.
This remote control requires 1 x A23 12V battery.
Reassemble the battery compartment cover.
- Always ensure the battery compartment cover is closed properly.
- Never leave the remote control directly exposed to sunlight.
- Do not try recharging the discharged batteries by heating them or with a battery
- Rechargeable batteries are always specified as so.
- Do not throw batteries to fire, it could cause an explosion.
Always turn disconnect the fan from the power supply and allow it to stop before cleaning it.
Clean the outside surface with a soft damp cloth.
- Do not immerse then fan in water.
- Never use scouring pads, abrasive or chemical cleaners.
- Clean your fan periodically. Use only a cloth or brush. Metal finishes are finished with a lacquer to prevent tarnishing.
- Do not allow the product’s inside parts to get wet (especially the circuit board), this could be very dangerous and damage the fan.
- While the product is not in use, make sure it is unplugged from the power supply. To store it, place it in its original box and save it in a fresh and dry place until it is used
- In case of fault or doubt, do not try to repair the fan by yourself to avoid the risk of fire or electric shock.
SPECIFICATION
| Voltage | Fan (Max.) | Lamp (Max.) |
| 220-240V | 45W | 140W |
| 120V | 45W | 50W |
Troubleshooting
| Problem | Troubleshooting Steps |
| The fan does not startup | 1. Check all the fuses or circuit breakers. 2. Turn off the electrical power and check all wire connections. |
| The fan emits noises | 1. Always allow a few days “break-in” time for any new fan at medium or high speed. Try to diagnose the exact location of the noise by listening carefully from several sides (blades, motor, light kit, etc.) The fan noise can come from a light kit. |
| The fan does not produce much air | 1. The fan may be running in reverse, so air is directed upward. 2. The room may contain items that obstruct the airflow. 3. The fan may be too small for the size of the room. |
| Fan wobbling | Note: a small amount of wobble is considered acceptable and should not be considered a defect. |

Need more information?
We hope that this user guide has given you
the assistance needed for a simple setup.
For the most up-to-date guide for your product,
as well as any additional assistance you may require,
head online to heip.kogan.com
Kogan.com

















