SOMOGYI ELECTRONIC FKF-54202 Smart Wall-Mounted Fan Heater Instruction Manual
PRODUCT DESCRIPTIONS



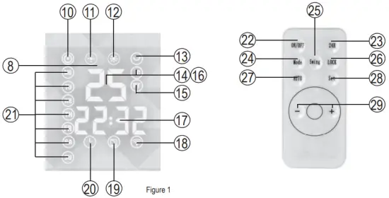
| EN | |
| STRUCTURE (Figure 1.) | |
| 1. | cold air inlet opening |
| 2. | main switch |
| 3. | quick heating switch / WIFI reset |
| 4. | power cable |
| 5. | mounting points |
| 6. | warm air outlet opening |
| 7. | swinging air deflector blade |
| 8. | display |
| 9. | screws, dowels |
| 10. | ready status indicator |
| 11. | heating stage indicator – 1000 W |
| 12. | heating stage indicator – 2000 W |
| 13. | continuous air deflection indication |
| 14. | temperature indicator |
| 15. | measured temperature (Room Temperature) |
| 16. | set temperature (Set Temperature) |
| 17. | time |
| 18. | WIFI indicator |
| 19. | window opening indicator |
| 20. | 2-hour timer indicator |
| 21. | the days of the week, in English |
| 22. | ON/OFF – ON/OFF switch |
| 23. | 24H – ON/OFF switch timer |
| 24. | Mode – heating stage selector |
| 25. | Swing – continuous air deflection switch |
| 26. | LOCK – display ON/OFF |
| 27 | AUTO – window opening indicator switch ON/OFF |
| 28 | Set – set the time |
| 29 | +/- – selector buttons |
IMPORTANT SAFETY INSTRUCTIONS
READ THE INSTRUCTION MANUAL CAREFULLY BEFORE USE AND RETAIN IT FOR LATER REFERENCE!
WARNINGS
- Before using the product for the first time, please read the instructions for use below and retain them for later reference. The original instructions were written in the Hungarian language.
- Children below the age of 3 years should be kept away from the appliance, except where they are under constant supervision. Children between the age of 3 and 8 may only switch the appliance on/off provided that it has been set up and installed in the normal operating position and they are under supervision, or have been instructed how to operate the appliance safely and understand the hazards associated with use. This appliance may only be used by persons with impaired physical, sensory or mental capabilities, or lacking in experience or knowledge, as well as children from the age of 8, if they are under supervision or have been given instruction concerning use of the appliance by a person responsible for their safety and they have understood the hazards associated with use. Children should not be allowed to play with the unit. Children may only clean or perform user maintenance on the appliance under supervision. WARNING:
Parts of this appliance can become very hot and could cause burns. Extra care should be taken when children or handicapped persons are around. - Make sure, the appliance has not damaged during transport!
- Do not use this heater if it has been dropped!
- Do not use if there are visible signs of damage to the heater!
- Mount the unit only on vertical surface!
- When locating and mounting the unit, please take into account the wall material and its bearing capacity!
- The heater should be mounted at a height of least 2 meters above the floor!
- Never locate the unit directly in corners and observe the minimum mounting distances indicated in Figure 2.
Take into consideration the valid safety regulation of the county of use! - Before powering on the appliance, confirm that the unit is mounted securely on the wall!
- The appliance should be used as intended for warming air, not for general heating purposes.
- The stream of warm air should not be directed to curtains or other flammable materials!
- Do not place it close to flammable materials! (min. 100 cm)
- Do not use in locations where flammable vapours or explosive dust may be released. Do not use near flammable materials or in potentially explosive environment!
- Operate only under constant supervision!
- It is forbidden to use it near children unattended!
- Only for indoor use, in a dry place. Protect from humidity (e.g. bathrooms, swimming pools)!
- It is prohibited to use the unit near bathtubs, basins, showers, swimming pools or saunas!
- It is prohibited to use the appliance in motor vehicles or in tight (< 5 m2 ) spaces such as elevators!
- When not planning to use the unit for an extended period of time, switch it off then remove the power plug from the outlet. Store the appliance in a cool, dry place!
- Before moving the heater, always unplug it from the mains!
- It is not allowed to locate the appliance directly below a wall outlet.
- If any irregular operation is detected (e.g., unusual noise or burnt odor from unit), immediately switch it off and un-plug it!
- Make sure that no foreign objects or liquid can enter the unit through the openings!
- Protect from dust, humidity, sunlight and direct heat radiation!
- Unplug the unit from the mains before cleaning!
- Never touch the appliance and the power cable with wet hands!
- Unwind the power cable totally!
- The appliance may only be connected to properly grounded 230 V~ / 50 Hz electric wall outlets!
- Do not use extension cords or power strips to connect the unit!
- Do not lead the power cable on the appliance or near the openings where air vents in and out!
- The appliance should be located so as to allow easy access and removal of the power plug!
- The battery should be replaced by adults only.
- Insert the batteries observing the polarity.
- Do not use different kinds of batteries and/or used and new batteries together.
- After replacing the batteries fasten the battery compartment’s lid.
- Remove the battery if you are not planning to use the product for an extended period of time.
- If there is any liquid flown out from the battery, wear protective gloves and clean the battery compartment with a dry cloth.
- Immediately remove the depleted battery.
- Warning! Risk of explosion in case of incorrect battery replacement! It can be replaced only with the same or a replacement type.
- Do not expose the batteries to direct heat radiation and sunshine. It is forbidden to open them up, to throw them into fire or to short-circuit them.
- Non-rechargeable batteries must not be charged. Risk of explosion!
- Do not insert an accumulator instead of the battery, because it provides significantly lower voltage and efficiency.
- Do not weld or solder directly to the battery.
- Store unused batteries in their original packaging, away from metal objects.
- Do not mix batteries which have already been unpacked. The appliance should be located so as to allow easy access and removal of the power plug.
- The unit is for household use only! No industrial use is permitted!
- Due to continuous improvements, the technical data and design may change without any prior notice.
- The actual instruction manual can be downloaded from www.somogyi.hu website.
- We don’t take the responsibility for printing errors which may occur, and apologize for them.
CAUTION: RISK OF ELECTRIC SHOCK!
Do not attempt to disassemble or modify the unit or its accessories. In case any part is damaged, immediately power off the unit and seek the assistance of a specialist.
In the event that the power cable should become damaged, it should only be replaced by the manufacturer, its service facility or similarly qualified personnel.
DO NOT COVER!
COVERING THE UNIT CAN CAUSE OVERHEATING, FIRE OR ELECTRIC SHOCK.
THE REMOTE CONTROL IS NOT A TOY. KEEP OUT OF REACH OF CHILDREN.
THIS REMOTE CONTROL INCLUDES A BUTTON BATTERY. IT IS FORBIDDEN TO SWALLOW THE BATTERY, RISK OF CHEMICAL BURN. IN CASE OF INGESTION, IT MAY CAUSE STRONG INTERNAL BURN WITHIN 2 HOURS AND MAY LEAD TO DEATH. KEEP THE NEW AND USED BATTERIES OUT OF REACH OF CHILDREN. IF THE COVER OF THE BATTERY COMPARTMENT CANNOT GET CLOSED SECURELY, DO NOT CONTINUE TO USE THE PRODUCT AND KEEP IT AWAY FROM CHILDREN. IF YOU THINK THAT A BATTERY HAS BEEN SWALLOWED OR GOT INTO ANY BODY PARTS, SEEK MEDICAL ATTENTION IMMEDIATELY.
Order of MOUNTING ON WALL, INSTALLING
- Before switching on for the first time, carefully remove the packaging material taking care not to damage the appliance and power cable. Do not use the product if it is damaged in any way!
- The device may only be used in dry indoor conditions!
- The free flow of warm air must be ensured for proper operation, therefore, please select the location for wall mounting according to Figure 2. Do not locate the appliance directly below a wall outlet!
- In order to insert the wall studs, drill holes with appropriate size into the wall, at least 200 cm from the floor, along a horizontal line and 325 mm from each other.
- Insert the studs into the holes then drive the enclosed screws into the studs so that the screw heads
- extend approx. 10 mm from the wall surface.
- Hang the unit’s rear panel onto the screw heads at the holes, let it down, till stop. Make sure that the heater is hanging securely on the wall!
- Connect the unit’s power cable into a standard grounded wall outlet!
CLEANING, MAINTENANCE
In order to ensure optimum functioning, the unit may require cleaning at least once a month, depending on the manner of use and degree of contamination.
- Switch off and power off the unit by unplugging it from the electric outlet before cleaning.
- Allow the appliance to cool (for at least 30 minutes).
- Use a vacuum cleaner with a brush attachment to clean the air inlet and outlet openings.
- Use a slightly moistened cloth to clean the unit’s exterior. Do not use any aggressive cleaners. Avoid getting water inside the unit and on the electric components!
TROUBLESHOOTING
| Malfunction | Possible solution |
| The unit does not heat in heating mode. | Check the section on overheating protection! |
| Check the thermostat settings! | |
| Overheating protection activates frequently. | Clean the appliance! |
| The unit does not respond to the remote control’s signal. | Check the remote control’s batteries! |
DISPOSAL
Waste equipment must be collected and disposed separately from household waste because it may contain components hazardous to the environment or health. Used or waste equipment may be dropped off free of charge at the point of sale, or at any distributor which sells equipment of identical nature and function. Dispose of product at a facility specializing in the collection of electronic waste. By doing so, you will protect the environment as well as the health of others and yourself. If you have any questions, contact the local waste management organization. We shall undertake the tasks pertinent to the manufacturer as prescribed in the relevant regulations and shall bear any associated costs arising.
DISPOSING OFALKALINEAND RECHARGEABLE BATTERIES
Batteries, whether alkaline or rechargeable, must not be handled together with regular household waste.
It is the legal obligation of the product’s user to dispose of batteries at a nearby collection center or at a retail shop. This ensures that the batteries are ultimately neutralized in an environment friendly way.
Simplified EU Declaration of Conformity
Somogyi Elektronic Ltd. certifies that the FKF 54202 radio equipment complies with the 2014/53 / EU directive.
The full text of the EU Declaration of Conformity is available at the following web address: [email protected].
FEATURES
- wall mounted PTC* fan heater for heating the air or indoor premises
- adjustable output (1000 / 2000 W)
- controllable with free smartphone application
- operating modes: warm, hot air
- switchable air deflection
- built-in thermostat
- overheating protection
- 24-hour ON/OFF switch timer
- weekly program
- hidden display
- remote control
OPERATION
The appliance can be controlled with the buttons on it, by remote control or the free smartphone application.
Setting the exact time
You can set the current time using your device’s remote control, or if it the appliance is paired with the free smartphone application, then it sets the current time and the day of the week automatically.
After connecting the appliance to the mains, switch it on with its main switch (2). Then it beeps shortly, the ready status indicator lights faintly.
Use the remote control’s ON/OFF (22) button, to switch the appliance on. The unit switches on in fan mode, it does not heat. The display shows the room temperature in °C and the WIFI indicator is blinking. Setting the time with the remote control: When switching on for the first time, the appliance will display Monday (MO) and 00:00. With the help of the remote control‘s Set (28) button and +/- (29) selector buttons, you can set the days of the week and the current time – firstly the day, then the hour and last the minute.
| MO | TU | WE | TH | FR | SA | SU |
| Monday | Tuesday | Wednesday | Thursday | Friday | Saturday | Sunday |
General use, regardless of the smartphone application
You can switch the appliance’s display ON or OFF anytime by pressing the remote control’s LOCK (26) button.
You can switch the appliance on by pressing the ON/OFF (22) button of the remote control. The appliance then switches on in fan mode and does not heat. The display shows room temperature in °C. Use the Mode (24) button on the remote control to switch the heating stages or choose fan mode. Low heating stage is indicated by
, high is by
on the display. If none of the indicators illuminate, the appliance does not heat. With the help of the remote control’s selector button (29) you can set the desired between 10-49 °C. If the room temperature drops 2 ° C below the set value, the appliance will start heating. If the room temperature reaches or exceeds the set temperature, the the appliance switches to fan mode.
You can switch the device on anytime without remote control, with the quick heating (3) button at the back of the appliance, without remote control, then it operates in high stage with continuous air circulation. You can switch off the appliance by pressing the same button again.
You can switch on/off continuous air circulation with the the remote control’s Swing (25) button. If the function is active, the display shows its indication (13).
With the remote control’s Lock (26) button, you can switch on/off the appliance’s display anytime. The functions of the appliance can only be set when the display is switched on.
Using the remote control’s 24H (23) button, in case of the appliance is switched on, you can set switch off timer, and in the case of the appliance is switched off, you can set switch on timer after pressing the Lock (26) button and by this turning the display on; hourly, for up to maximum 24 hours. The appliance switches on in the most recently used mode and thermostat value. If the timer is active, its indicator (20) is visible on the display.
You can switch on/off automatic window opening sensor with the remote control’s AUTO (27) button. If the function is active, its indication (19) is visible on the display. In this case, if the temperature measured by the appliance decreases at least 3 °C within a minute, then the appliance switches off. You can switch the device on again with the remote control’s ON/OFF (22) button.
After switching off the appliance, it may still operate at fan mode for about 30 seconds, then the fan mode indicator blinks. Do not turn off the power until it stops, as this may damage the appliance.
Pairing the appliance with the smartphone application.
When the appliance is switched on for the first time, the WIFI indicator (18) is blinking rapidly on its display.
If the WIFI indicator is not blinking, or is you want to pair the previously paired product to another wireless network, then you can reset the factory setting by pressing long the quick heating switch / WIFI reset (3) button on the backside of the appliance. By pressing the button long, the appliance beeps and the WIFI indicator starts blinking.
The mobile phone must be connected to the Internet.
- Scan the QR code with your phone (Figure 3.), then download and install the „Tuya Smart” application.
- Select the country code and enter your mobile phone number, then press the „Get” button.
- Enter the („verification code”) you received in SMS, and enter the password you want to use for the application containing numbers and letters.
- Enter the application: „Login”
- Make sure that your device and smartphone are as close as possible and connected to the WIFI router.
- Press the „+” button to add the new appliance to the program.
- Select the type of the appliance: „Small home appliances” → „Heaters (other)”.
- Enter the password of the WIFI network you want to use on your appliance, then press the „Next” button.
- Select in the application, whether the heater’s indicator is blinking fast or slow.
- In case of rapid blinking, select the corresponding icon and pairing runs.
- In case of slow blinking, select the corresponding icon
- Press the „Go to Connect” button, then select the SmartLife-XXXX network among the WLAN networks on your phone. If the state is “connected”, then press the back button of the phone.
- The „Connecting now” screen runs and the appliance gets connected to the cloud-based network.
- The WIFI indicator on the appliance blinks either slowly or rapidly, press the WIFI reset button (3) long and switch to another mode after the beep.
With the smartphone application, you can switch ON/OFF the appliance, you can set the desired thermostat value, you can see the current room temperature, and, besides all other functions that can be set with the remote control, you can set the desired switch ON/OFF time, the desired thermostat value and other operating parameters to any days of the week, to any combination of the days of the week, minute exactly.
After blackout, power off or switching main switch off, the set current time and date will be deleted. After switching it back on, if it is possible, the appliance automatically connects to the previously set WIFI network, reset the current time, resume operation according to the program set in the application.
In case of overheating, the overheating protection function will switch off the unit, for example, when the air inlets and outlets are covered. Power off the unit by unplugging it from the electric outlet. Allow the appliance to cool (for at least 30 minutes). Check whether the air inlets and outlets are obstructed or not, and clean them if necessary. Switch on the unit again. If the overheating protection activates again, power off the unit by unplugging it from the electric outlet and contact the service facility.
SPECIFICATIONS
power supply: 230 V / 50 Hz
output: 1000 / 2000 W
maximum output: 2000 W
IP protection: IP20: Not protected against ingress of water.
transmission frequency/output: 2,4 GHz / 1 mW
dimensions of heater: 54 x 18,5 x 12 cm
weight: 2,4 kg
length of power cable: 1,55 m
noise level: 56 dB(A)
* The PTC (Positive Temperature Coefficient – positive temperature coefficient) is a ceramic polycrystalline semiconductor, alloyed with barium and titanium. The real advantage is that it has temperature self-regulating ability, so you do not need any precautions against overheating, and the device is considerably energy-saving.
COTACT US
producer. Somogyi Elektronic Kft.
H – 9027 3.
www.somogyi.hu
Distribútor: Somogyi Elektronic Slovensko s. r. o.
Ul. gen. Klapku 77, 945 01 Komárno, SK,
Tel.: +421/0/35 7902400
www.somogyi.sk
Distribuitor: S.C. SOMOGYI ELEKTRONIC S.R.L.
J12/2014/13.06.2006 C.U.I.: RO 18761195
Cluj-Napoca, judeţul Cluj, România, Str. Prof. Dr. Gheorghe Marinescu, nr. 2, Cod poştal: 400337
Tel.: +40 264 406 488,
Fax: +40 264 406 489
www.somogyi.ro
Producător: Somogyi Elektronic Kft
Uvoznik za SRB: ELEMENTA d.o.o.
Jovana Mikića 56, 24000 Subotica, Srbija
Tel:+381(0)24 686 270
www.elementa.rs
Zemlja uvoza: Mađarska • Proizvođač: Somogyi Elektronic Kft.
Uvoznik za HR: ZED d.o.o.
Industrijska c. 5, 10360 Sesvete, Hrvatska
Tel: +385 1 2006 148
www.zed.hr
Uvoznik za BiH: DIGITALIS d.o.o.
M.Spahe 2A/30, 72290 Novi Travnik, BiH
Tel: +387 61 095 095
www.digitalis.ba
Proizvođač: Somogyi Elektronic Kft, Gesztenyefa ut 3, 9027 Gyor, Mađarska





















