CRAFTSMAN CMXEVBE175840 Vacuum Cleaner Owner’s Manual
Definitions: Safety Alert Symbols and Words
This instruction manual uses the following safety alert symbols and words to alert you to hazardous situations and your risk of personal injury or property damage.
DANGER: Indicates a hazardous situation which, if not avoided, will result in death or serious injury.
WARNING: Indicates a hazardous situation which, if not avoided, could result in death or serious injury.
CAUTION: Indicates a hazardous situation which, if not avoided, may result in minor or moderate injury. (Used without word) Indicates a safety related message.
NOTICE: Indicates a practice not related to personal injury which, if not avoided, may result in property damage.
Components
- ON/OFF Switch
- Carry Handle/Power Cord Wrap
- Powerhead Assembly
- Hose Storage Clips
- Inlet Port
- Dust Drum
- Caster Foot w/Storage
- Caster
- Drain
- Drum Latch
- Power Cord
- Blowing Port
WARNING: Read all safety warnings and all instructions. Failure to follow the warnings and instructions may result in electric shock, fire and/or serious injury.
WARNING: Never modify the product or any part of it. Damage or personal injury could result.
WARNING: To reduce the risk of injury, read the instruction manual.
If you have any questions or comments about this or any product, call CRAFTSMAN toll free at: 1-888-331-4569.
IMPORTANT SAFETY INSTRUCTIONS
When using this Vac, always follow basic safety precautions including the following:
WARNING: To reduce the risk of fire, electric shock, or injury:
- Read and understand this manual and all labels on the Vac before operating.
- Use only as described in this manual.
- Do not leave Vac running while unattended – you may fail to notice important signs indicating abnormal operation such as loss of suction, debris/liquid exiting exhaust, or abnormal motor noises. Immediately stop using Vac if you notice these signs.
- Do not leave Vac when plugged in. Unplug from outlet when not in use and before servicing.
- Sparks inside the motor can ignite flammable vapors or dust. To reduce the risk of fire or explosion, do not use near combustible liquids, gases, or dusts, such as gasoline or other fuels, lighter fluid, cleaners, oil-based paints, natural gas, coal dust, magnesium dust, grain dust, aluminum dust, or gun powder.
- Do not vacuum anything that is burning or smoking, such as cigarettes, matches, or hot ashes.
- To avoid the risk of self-ignition of drum debris, empty drum after each use. Combustible materials, such as rags or saw dust containing stain or urethane, can be sources of such overheating.
- Do not vacuum drywall dust, cold fireplace ash, or other fine dusts with standard filter. These may pass through the filter and be exhausted back into the air. Use a fine dust filter instead.
- To reduce the risk of inhaling toxic vapors, do not vacuum or use near toxic or hazardous materials.
- This Wet/Dry Vac is not intended for use by persons (including children) with reduced physical, sensory, or mental capabilities, or lack of experience and knowledge, unless they have been given supervision or instruction concerning use of the appliance by a person responsible for their safety.
- To reduce the risk of electric shock, do not expose to rain or allow liquid to enter motor compartment. Store indoors.
- Do not allow to be used as a toy. Close attention is necessary when used by or near children.
- Do not use with a torn filter or without the filter installed except when vacuuming liquids as described in this manual. Dry debris ingested by the impeller may damage the motor or be exhausted into the air.
- Turn off Vac before unplugging.
- To reduce the risk of injury from accidental starting, unplug power cord before changing or cleaning filter.
- Do not unplug by pulling on cord. To unplug, grasp the plug, not the cord.
- Do not use with damaged cord, plug, or other parts. If your Vac is not working as it should, has missing parts, has been dropped, damaged, left outdoors, or dropped into water, call customer service at 1-888-331-4569 (Mexico 001-881-331-4569).
- Do not handle plug, switch, or the Vac with wet hands.
- Do not pull or carry by cord, use cord as handle, close a door on cord, or pull cord around sharp edges or corners. Do not run Vac over cord. Keep cord away from heated surfaces.
- Use only extension cords that are rated for outdoor use. Extension cords in poor condition or too small in wire size can pose fire and shock hazards. To reduce the risk of these hazards, be sure the cord is in good condition and that liquid does not contact the connection. Do not use an extension cord with conductors smaller than 1,3 mm2 (16 AWG) in size.
- This Vac is double-insulated, eliminating the need for a separate grounding system. Use only identical replacement parts. Read the instructions for Servicing Double-Insulated Wet/Dry Vacs.
- Do not put any object into ventilation openings. Do not vacuum with any ventilation openings blocked; keep free of dust, lint, hair, or anything that may reduce air flow.
- Keep hair, loose clothing, fingers, and all parts of body away from openings and moving parts.
- To reduce the risk of falls, use extra care when cleaning on stairs.
- To reduce the risk of back injury or falls, do not lift a Vac that is heavy with liquid or debris. Partially empty by scooping debris or draining liquid.
- To reduce the risk of personal injury or damage to Vac, use only CRAFTSMAN recommended accessories.
- When using as a blower:
- Direct air discharge only at work area.
- Do not direct air at bystanders.
- Keep children away when blowing.
- Do not use blower for any job except blowing dirt and debris.
- Do not use as a sprayer.
- To reduce the risk of eye injury, wear safety eyewear. The operation of any utility Vac or blower can result in foreign objects being blown into the eyes, which can result in severe eye damage.
- To reduce the risk of being struck by, or pulled down by, a rolling Vac, block the casters when using on any uneven or sloped surface.
CAUTION:
- To reduce the risk of hearing damage, wear ear protectors when using for extended time or in a noisy area.
- For dusty operations, wear dust mask.
- Static shocks are common when the relative humidity of the air is low. Vacuuming fine debris with your Vac can deposit static charge on the hose or Vac. To reduce the frequency of static shocks in your home or when using this Vac, add moisture to the air with a humidifier
Observe the following warnings that appear on the motor housing of your Vac:
DOUBLE INSULATED – GROUNDING NOT REQUIRED. WHEN SERVICING USE ONLY IDENTICAL REPLACEMENT PARTS.
WARNING:
- For your own safety, read and understand Instruction Manual.
- Do not run unattended.
- Do not pick up hot ashes, coals, flammable, combustible / self-igniting, toxic, or other hazardous materials.
- Do not use around explosive liquids or vapors.
WARNING: To reduce the risk of electric shock – do not expose to rain – store indoors.
FREE WARNING LABEL REPLACEMENT: If your warning labels become illegible or are missing, call 1-888-331-4569 for a free replacement.
INTRODUCTION
This Wet/Dry Vac is intended for house-hold use. It may be used for vacuuming of wet or dry media and may be used as a Blower.
Read this Instruction Manual to familiarize yourself with the product features and to understand the specific usage of your new Wet/Dry Vac.
CARTON CONTENTS (Fig. B)
| Key | Description | CMXEVBE1758406 Gallon(22.5 Liter) | CMXEVBE1759009 Gallon(34 Liter) | CMXEVBE17594012 Gallon(45 Liter) | CMXEVBE17595016 Gallon(60 Liter) | CMXEVBE17596020 Gallon(75 Liter) |
| A | Vac Assembly | 1 | 1 | 1 | 1 | 1 |
| B | Hose Assembly | 1 | 1 | 1 | 1 | 1 |
| C | Utility Nozzle | 1 | 1 | 1 | 1 | 1 |
| D | Wet Nozzle | Not Included | 1 | 1 | 1 | 1 |
| E | Car Nozzle | 1 | 1 | 1 | 1 | 1 |
| F | Crevice Tool | Not Included | Not Included | Not Included | Not Included | 1 |
| G | Extension Wands | 2 | 2 | 2 | 2 | 2 |
| H | Muffler/Diffuser | Not Included | Not Included | Not Included | Not Included | 1 |
| I | Caster Foot w/Storage | 4 | 4 | 4 | 4 | 4 |
| J | Caster | 4 | 4 | 4 | 4 | 4 |
| K | Hose Clip Assembly | Not Included | Not Included | 2 | 2 | 2 |
| L | Carry Handle | 1 | 1 | 1 | 1 | 1 |
| M | Disposable Filter Bag | 1 | 1 | 1 | 1 | 1 |
| N* | Qwik Lock Filter | 1 | 1 | 1 | 1 | 1 |
| O | Instruction Manual | 1 | 1 | 1 | 1 | 1 |
Items may come preassembled.
Images shown may not reflect actual part
Remove entire contents of carton. Check each item against the Carton Contents List.
If any parts are damaged or missing, immediately call customer service at 1-888-331-4569 (Mexico 001-881-331-4569).
20 Gallon (75 Liters) Shown
Tools Required:
- Phillips Screwdriver

INSTALLATION
Caster/Caster Foot Assembly (Fig. C)
- Remove the Powerhead Assembly from the Dust Drum and set aside.
- Turn the Dust Drum upside down on the floor.
- Insert the Caster Feet into the bottom of Drum, as shown (4 places).
- Push on the Caster Foot until the Foot is flush with bottom of the Dust Drum.
- Insert the Caster Stem into the Socket of the Caster Foot, as shown (4 places).
- Push on the Caster until the Ball on the Caster Stem is inserted all the way into the Socket. You will hear the Ball snap into the Socket and the Caster will swivel easily when positioning is correct.
- Turn the Drum upright.

Hose Clip Assembly (Fig. D)
(Models CMXEVBE175940, CMXEVBE175950, CMXEVBE175960)
- Align the Hose Clips in the recessed areas on the Powerhead Assembly.
- Insert Screw and tighten to fasten the Hose Clip to the Powerhead Assembly.

Carry Handle Assembly (Fig. E)
- Place the Carry Handle on the Wet/Dry Vac Powerhead Assembly.
- Tighten both Screws to assemble the Carry Handle on the Powerhead Assembly.

20 Gallon (75 Liters) Shown
Vac Assembly (Fig. F)
- Line up front (label side) of Powerhead Assembly with Vac Inlet located on the front of the Drum
NOTE: Powerhead Assembly must be aligned with Drum for proper attachment. - Place Powerhead Assembly on top of Drum.
- Be sure Powerhead Assembly completely covers the top of the Drum so leakage does not occur.
- Press down on the Lid Latches to securely attach the Powerhead Assembly to the Drum.
- To remove the Powerhead Assembly, first unplug the unit from the electrical outlet. Then lift up on the Lid Latches and remove from Drum

20 Gallon (75 Liters) Shown
Insert Hose (Fig. G)
Insert the Locking End of the Hose Assembly into the Vac Inlet. The Hose should snap into place.
To remove the Hose from the Vac, press the Release Button on the Hose Assembly and pull the Hose out of the Vac Inlet, as shown.
20 Gallon (75 Liters) Shown
Accessory Storage (Fig. H)
Your Accessories may be stored in the Caster Feet or in the storage locations on the Powerhead Assembly (in applicable models).
The Hose may also be stored by wrapping it around theunit and securing it into the Hose Clips (in applicable models).
CAUTION:
Do not operate vacuum while the hose is still wrapped around the powerhead assembly in the storage position.
WARNING:
Do not put any object into ventilation openings. Do not vacuum with any ventilation openings blocked; keep free of dust, lint, hair or anything that may reduce air flow.
20 Gallon (75 Liters) Shown
OPERATION
WARNING:
To reduce the risk of fire, explosion, or damage to Vac:
- Do not leave Vac running while unattended – you may fail to notice important signs indicating abnormal operation such as loss of suction, debris/liquid exiting the exhaust, or abnormal motor noises. Immediately stop using Vac if you notice these signs.
- Do not leave Vac plugged in when not in use.
- Do not continue running when float has cut off suction.
- Sparks inside the motor can ignite airborne flammables. Do not operate Vac near flammable liquids or in areas with flammable gases, vapors, or explosive airborne dust. Flammable liquids, gases, and vapors include: lighter fluid, solvent-type cleaners, oil-based paints, gasoline, alcohol, and aerosol sprays. Explosive dusts include: coal, magnesium, aluminum, grain, and gun powder.
- Do not vacuum up explosive dusts, flammable liquids, or hot ashes.
- Do not leave sawdust or rags with stain orpolyurethane residue inside Vac. Empty drum after picking up these potentially self-heating material.
WARNING:
To reduce the risk of electric shock or injury:
- Do not expose to rain or allow liquid to enter motor compartment. Store indoors.
- Do not handle plug, switch, or Vac with wet hands.
- Unplug Vac before servicing. If your Vac is not working as it should, has missing parts, has been dropped, damaged, left outdoors, or dropped into water, call customer service at 1-888-331-4569 (Mexico 001-881-331-4569).
- When using an extension cord, use only outdoor-rated cords that are in good condition. Do not allow the connection to come into contact with liquid.
CAUTION:
To reduce the risk of hearing damage, wear ear protectors when using the Vac / Blower for extended time or in a noisy area.
Polarized Plug
To reduce the risk of electric shock, this Vac has a PolarizedPlug (one blade is wider than the other). This Plug will fit in a Polarized Outlet only one way. If the Plug does not fit fully in the Outlet, reverse the Plug. If it still does not fit, contact a qualified electrician to install the proper Outlet. Do not change the Plug in any way.
After you Plug the Power Cord into the Outlet, turn the Unit on by pushing the Switch from position “O” to position “l”. The symbols used on the Switch Actuator are International “On & Off” Symbols:
Vacuuming Dry Materials
- The Filter must always be in correct position to reduce the risk of leaks and possible damage to Vac.
- When using your Vac to pick up very fine dust, it will be necessary for you to empty the Drum and clean the Filter at more frequent intervals to maintain peak Vac performance.
NOTE: A dry Filter is necessary to pick up dry material. If you use your Vac to pick up dust when the Filter is wet, the Filter will clog quickly and be very difficult to clean.
Vacuuming Liquids
WARNING:
Do not operate without filter cage and float, as they prevent liquid from entering the impeller and damaging the motor. For dry material pick-up, do not operate without the filter in place to reduce the risk of damage to the motor.
WARNING:
To reduce the risk of fire or explosion, do not vacuum flammable or combustible liquids, gases or dust.
- When picking up small amounts of liquid the Filter may be left in place.
- When picking up large amounts of liquid we recommend that the Filter be removed. If the Filter is not removed, it will become saturated and misting may appear in the exhaust.
- After using the Vac to pick up liquids, the Filter must be dried to reduce the risk of possible mildew and damage to the Filter.
- When the liquid in the Drum reaches a predetermined level, the Float mechanism will rise automatically to cut off air-flow. When this happens, turn off the Vac, unplug the Power Cord, and empty the Drum. You will know that the Float has risen because Vac airflow ceases and the Motor noise will become higher in pitch, due to increased Motor Speed.
IMPORTANT: To reduce the risk of damage to the Vac do not run Motor with Float in raised position
Emptying the Drum (Fig. I)
- Remove the Powerhead Assembly. Pull Latches to release from the Drum.
- Lift the Powerhead Assembly up and away from the Drum.
- Lay Powerhead Assembly upside down on a clean areawhile emptying the Drum.
- Dump the Drum contents into the proper waste disposal container.
- If the Vac comes equipped with a Drain, simply unscrew the Drain Cap and lift the opposite side slightly to empty the Drum.
WARNING:
To reduce the risk of back injury or falls, do not lift a Vac heavy with liquid or debris. Scoop or drain enough contents out to make the Vac light enough to lift comfortably.
20 Gallon (75 Liters) Shown
Moving the Wet/Dry Vac (Fig. J)
Should it become necessary to pick the Vac up to move it, use the Dust Drum Latch Handles.
To maneuver the Vac, the Carry Handle on top of the Powerhead Assembly should be used.
20 Gallon (75 Liters) Shown
Muffler / Diffuser (Fig. K)
Depending on your Model, your Vac may come with a Muffler/Diffuser. Insert the Muffler/Diffuser Locking Endinto the Vac Blowing Port, when the Vac is not being used as a Blower. The Muffler/Diffuse should snap into place. To Remove the Muffler/Diffuser from the Blowing Port, press the Muffler/Diffuser Release Button and pull out of the Blowing Port.
20 Gallon (75 Liters) Shown
Blowing Feature (Fig. L)
Your Vac features a Blowing Port. It can blow sawdust and other debris. Follow the following steps to use your Vac as a Blower.
- Locate Blowing Port of your Vac.
- Insert the Locking End of the Hose Assembly into the Vac Blowing Port. The Hose should snap into place. To Remove the Hose from the Vac, press the Release Button in the Hose Assembly and pull the Hose out of the Vac Blowing Port.
- (Optional) Attach the Extension Wand to opposite end of Hose, then place the Car Nozzle on the Wand.
- Turn Vac on and you are ready to use your Vac as a Blower.
WARNING:
Always wear safety eyewear complying with ANSI Z87.1 (or in Canada, CSA Z94.3) before using as a blower.
WARNING:
To reduce the risk of injury to bystanders, keep them clear of blowing debris.
CAUTION:
Wear a dust mask if blowing creates dust which might be inhaled.
CAUTION:
To reduce the risk of hearing damage, wear ear protectors when using the Vac / Blower for extended time or in a noisy area.
20 Gallon (75 Liters) Shown
MAINTENANCE
Filter
WARNING:
To reduce the risk of injury from accidental starting, unplug power cord before changing or cleaning filter.
NOTE: This Filter is made of high quality paper designed to stop very small particles of dust. The Filter can be used for wet or dry pick up. Handle the Filter carefully when removing to install or clean. Creases in the Filter pleats may occur from installation but creases will not affect the performance of the Filter.
Removal and Installation of the Qwik Lock™ Filter (Fig. M)
IMPORTANT: To reduce the risk of damage to the Blower Wheel and Motor, always reinstall the Filter before using the Vac for dry material pickup.
Filter Removal
- Hold the Filter Tabs of the Qwik Lock™ Filter in each hand.
- With one thumb on the Qwik Lock™ Stud, which protrudes through the integrated Filter Plate, lift up on the Filter Tabs while pushing down on the Stud.
- This action will cause the Filter to release from the Filter Cage. Slide Filter off Cag.
WARNING:
Do not operate without a filter cage and float, as they prevent liquid from entering the impeller and damaging the motor.
Filter Installation
- Carefully slide the Qwik Lock™ Filter over the Filter Cage and press down on the outside edge of the Filter until the Rubber Gasket on the bottom of the Filter seats securely around the base of the Filter Cage and against the Powerhead Assembly.
- Align the small Center Hole in the top of the Filter over the Qwik Lock™ Stud on the Filter Cage. Press firmly on top of the Filter near the Stud to allow the Filter to snap over the Ball on the end of the Stud. The Filter is now attached.

NOTE: Failure to properly seat the bottom Gasket could result in debris bypassing the Filter.
Filter Bag
WARNING:
To avoid health hazards from vapors or dust, do not vacuum toxic, carcinogenic or other hazardous materials such as asbestos, arsenic, barium, beryllium, lead, pesticides or other health endangering materials
CAUTION:
To avoid spilled debris, when picking up heavy or sharp material, monitor bag volume and do not overfill.
Filter Bag Installation (Fig. N)
A Filter Bag may be used in place of or in addition to the Qwik Lock™ Cartridge Filter.
Replacement Filter Bags are available:
NOTE: See Repair Parts List for Part Number
NOTE: When picking up dry debris a Filter Bag or Cartridge Filter must be properly installed.
- Filter Bag to be used to pick up dry debris only.
- Correct positioning of Cardboard Collar is required to assure proper seal.
- Locate two Ribs on Inlet Tube, inside Drum.
- Slide Cardboard Collar onto Inlet Tube and position Cardboard Collar between the two Ribs.
- With the Cardboard Collar securely installed, unfold and position Filter Bag inside Drum, as shown

Filter Bag Removal (Fig. O)
- Slide Cardboard Collar toward center of Vac Drum.
- Remove Filter Bag from Vac Drum and discard.
- Install new Filter Bag.

Filter Cleaning
Your Filter should be cleaned often to maintain peak Vac performance.
Cleaning A Dry Filter
- Some removal of dry debris can be accomplished without removing the Filter from the Vac. Slap your hand on top of the Powerhead Assembly while the Vac is turned off.
- For best cleaning results due to accumulated dust, clean the Filter in an open area. Cleaning SHOULD be done outdoors and not in the living quarters.
- After Filter removal from Vac, remove the dry debris by gently tapping Filter against the inside wall of your Dust Drum. The debris will loosen and fall.
- For thorough cleaning of dry Filter with fine dust (no debris), run water through it as described under “Cleaning A Wet Filter”
Cleaning A Wet Filter
After Filter is removed, run water through the Filter from a hose or spigot. Take care that water pressure from the hose is not strong enough to damage Filter. IMPORTANT: After cleaning, check the Filter for tears or small holes. Tears and holes in the Filter can cause debris and dust to be blown from the Vac. Do not use a Filter with holes or tears. Replace immediately. Allow the Filter to dry before reinstalling and storing the Vac or picking up dry debris.
Cleaning and Disinfecting the Wet/Dry Vac
To keep your Wet/Dry Vac looking its best, clean the outside with a cloth dampened with warm water and mild soap.
To clean the Drum:
- Dump debris out.
- Wash Drum thoroughly with warm water and mild soap.
- Wipe out with dry cloth.
Before prolonged storage or as needed (i.e., waste water pick up) the Drum should be disinfected.
To disinfect the Drum:
- Pour 1 gallon (4 L) of water and 1 teaspoon (5 mL) chlorine bleach into the Drum.
- Let solution stand for 20 minutes, carefully swishing every few minutes, making sure to wet all inside surfaces of the Drum.
- Empty Drum after 20 minutes. Rinse with water until bleach smell is gone. Allow Drum to dry completely before sealing the Motor on the Drum.
Casters
If your Casters are noisy, you may put a drop of oil on the Roller Shaft to make them quieter.
Storage
Before storing your Vac, the Drum should be emptied and cleaned. The Power Cord should be wrapped around the Carry Handle and the Hose should be stored as described in this manual. Accessories should be kept in the same area as the Vac so they can be readily available. The Vac should be stored indoors.
WARNING:
To assure product SAFETY and RELIABILITY, any other maintenance, repairs and adjustments should be performed by Authorized Service Centers, always using CRAFTSMAN replacement parts.
WARNING: SERVICING OF DOUBLE-INSULATED WET/DRY VAC
In a double-insulated Wet/Dry Vac, two systems of insulation are provided insteadof grounding. No grounding means is provided on a double-insulated appliance, nor should a means for grounding be added. Servicing a double-insulated Wet/Dry Vac requires extreme care and knowledge of the system, and should be done only by qualified service personnel. Replacement parts for a double-insulated Wet/Dry Vac must be identical to the parts they replace. Your double-insulated Wet/Dry Vac is marked with the words “DOUBLE INSULATED” and the symbol
(square within a square) may also be marked on the appliance.
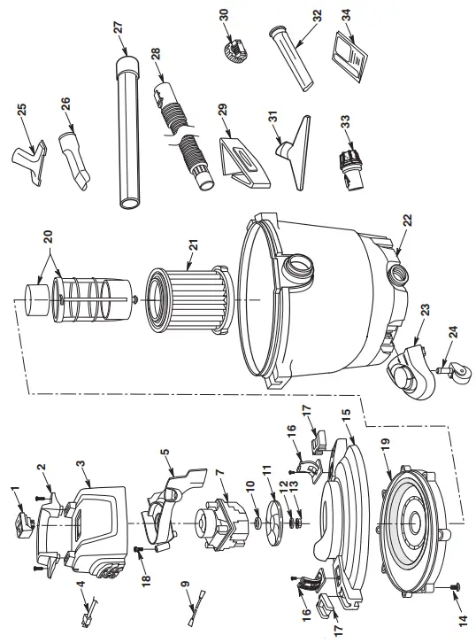
SERVICE / REPAIR PARTS
6 Gallon (22.5 Liter) Wet/Dry Vac
Model Number: CMXEVBE175840
Electrical Rating: 120 V~ 7.5 A 60 Hz
9 Gallon (34 Liter) Wet/Dry Vac
Model Number: CMXEVBE175900
Electrical Rating: 120 V~ 8.3 A 60 Hz
12 Gallon (45 Liter) Wet/Dry Vac
Model Number: CMXEVBE175940
Electrical Rating: 120 V~ 10.5 A 60 Hz
16 Gallon (60 Liter) Wet/Dry Vac
Model Number: CMXEVBE175950
Electrical Rating: 120 V~ 12 A 60 Hz
20 Gallon (75 Liter) Wet/Dry Vac
Model Number: CMXEVBE175960
Electrical Rating: 120 V~ 12 A 60 Hz
| Key No. | 6 Gal. / 22.5 L CMXEVBE175840 | 9 Gal. / 34 L CMXEVBE175900 | 12 Gal. / 45 L CMXEVBE175940 | 16 Gal. / 50 L CMXEVBE175950 | 20 Gal. / 75 L CMXEVBE175960 | Description |
| 1 | 841579-1 | 841579-1 | 841579-1 | 841579-1 | 841579-1 | Switch |
| 2 | 510700 | 510700 | 510701 | 510701 | 510701 | Top Handle & Hardware (2 screws) |
| 3 | 510702 | 510703 | 510704 | 510705 | 510706 | Motor Cover with Labels |
| 4 | 829719-17 | 829719-17 | 829719-14 | 829719-17 | 829719-17 | Cord with Terminal |
| 5 | 841522 | 841522 | 841364 | 841364-1 | 841364-1 | Duct, Exhaust |
| 6 | 832630 | 832630 | Not Included | Not Included | Not Included | Upper Motor Gasket |
| 7 | 841655 | 841455 | 829693-1 | 510379 | 510379 | Motor Assembly |
| 8 | 841517 | 841517 | Not Included | Not Included | Not Included | Lower Motor Gasket |
| 9 | Not Included | Not Included | 819260-13 | 819260-13 | 819260-13 | Lead Assembly |
| 10 | Not Included | Not Included | 818961 | 818961 | 818961 | Spacer |
| 11 | Not Included | Not Included | 818413-2 | 818413 | 818413 | Blower Wheel |
| 12 | Not Included | Not Included | 315534-1 | 315534-1 | 315534-1 | Washer |
| 13 | Not Included | Not Included | 826817 | 826817 | 826817 | Nut, Hex Flange 5/16-18 |
| 14 | Not Included | Not Included | 820563-5 | 820563-5 | 820563-5 | Screw, Pan Hd Typ “AB” 10 x 1-1/4 (32mm) Ser. |
| 15 | 841521-1 | 841521-1 | 510559 | 510567 | 510567 | Lid / Lid Assembly |
| 16 | Not Included | Not Included | 510582 | 510582 | 510582 | Hose Clip Assembly with Screws |
| 17 | Not Included | Not Included | 841265 | 841265 | 841265 | Lid Latch |
| 18 | 820563-4 | 820563-4 | 820563-4 | 820563-4 | 820563-4 | Screw, Pan Hd Typ “AB” 10 x 3/4 (22mm) Ser. |
| 19 | 841454 | 841454 | 840321 | 840321 | 840321 | Collector |
| 20 | 833521-1 | 833521-1 | 823201-2 | 823201-2 | 823201-2 | Filter Cage Assembly |
| 21 | CMXZVBE38754 | CMXZVBE38754 | CMXZVBE38754 | CMXZVBE38754 | CMXZVBE38754 | Replacement Filter |
| 22 | 842913 | 510707 | 510708 | 510709 | 510710 | Drum |
| 23 | 832836 | 832836 | 828460 | 828460 | 828460 | Caster Foot with Storage |
| 24 | 73137 | 73137 | 73102 | 73102 | 73102 | Caster |
| 25 | CMXZVBE38676 | CMXZVBE38676 | CMXZVBE38630 | CMXZVBE38630 | CMXZVBE38630 | Utility Nozzle |
| 26 | CMXZVBE38681 | CMXZVBE38681 | CMXZVBE38620 | CMXZVBE38620 | CMXZVBE38620 | Car Nozzle |
| 27 | CMXZVBE38675 | CMXZVBE38675 | CMXZVBE38606 | CMXZVBE38606 | CMXZVBE38606 | Extension Wand |
| 28 | CMXZVBE38761 | CMXZVBE38761 | CMXZVBE38763 | CMXZVBE38763 | CMXZVBE38763 | Hose Assembly |
| 29 | CMXZVBE39970 | CMXZVBE39970 | CMXZVBE38735 | CMXZVBE38749 | CMXZVBE38749 | Disposable Filter Bag |
| 30 | Not Included | 73185 | 73185 | 73185 | 73185 | Cap, Drain |
| 31 | Not Included | CMXZVBE38683 | CMXZVBE38621 | CMXZVBE38621 | CMXZVBE38621 | Wet Nozzle |
| 32 | Not Included | Not Included | Not Included | Not Included | CMXZVBE37035 | Crevice Tool |
| 33 | Not Included | Not Included | Not Included | Not Included | CMXZVBE38660 | Diffuser |
| 34 | SP7075 | SP7075 | SP7075 | SP7075 | SP7075 | Instruction Manual |
6 Gallon (22.5 Liter) Wet/Dry Vac
Model Number CMXEVBE175840
OR
9 Gallon (34 Liter) Wet/Dry Vac
Model Number CMXEVBE175900
WARNING: To reduce the risk of injury, unplug power cord before servicing the Wet/Dry Vac.
WARNING: All disassembly and repairs should be performed by qualified personnel.
Always order by Part Number – Not by Key Number
2 Gallon (45 Liter)
Wet/Dry Vac
Model Number
CMXEVBE175940
OR
16 Gallon (60 Liter)
Wet/Dry Vac
Model Number
CMXEVBE175950
OR
20 Gallon (75 Liter)
Wet/Dry Vac
Model Number
CMXEVBE175960
Always order by Part Number – Not by Key Number
CRAFTSMAN® LIMITED WARRANTY – 3 YEARS
This limited warranty is provided by Emerson Tool Company, a division of Emerson Electric Co., (“We” or “Our” or “Us”) to the original consumer owner (“Customer” or “You” or “Your”) of the CRAFTSMAN product with which this limited warranty is provided (the “CRAFTSMAN Product”).
What is Covered
We warrant to You that your CRAFTSMAN Product will be free from defects inmaterials and workmanship when used under normal conditions in accordance with the terms of the Instruction Manual provided to You with the CRAFTSMAN Product, subject to the exclusions described below, for a period of three years commencing on the date of purchase by You (the “Warranty Period”). This limited warranty terminates if the original purchaser transfers the CRAFTSMAN Product to any other person or entity.
What is not Covered
This limited warranty does not extend to and expressly excludes:
- Normal wear and tear and/or replacement attachments or accessories, including, without limitation, power cords, hoses, filters, and other attachments or accessories that may be offered for sale by Us for use with the CRAFTSMAN Product.
- Damage or burnout of the CRAFTSMAN Product motor resulting from failure to clear a blockage occurring during the normal course of use.
- Loss or damage to the CRAFTSMAN Product resulting from conditions beyond Our control including without limitation, misuse, accident, abuse, neglect, negligence (other than Our’s), overuse beyond intended capacity as set forth in the Instruction Manual, or modifications or alterations made by anyone other than Us.
- Loss or damage to the CRAFTSMAN Product resulting from failure to use the CRAFTSMAN Product in accordance with the written instructions, guidelines, and terms and conditions set forth in the Instruction Manual.
- TO THE EXTENT PERMITTED BY LAW, IN NO EVENT SHALL WE BE LIABLE FOR ANY INCIDENTAL, SPECIAL, INDIRECT, OR CONSEQUENTIAL DAMAGES, INCLUDING ANY ECONOMIC LOSS, WHETHER RESULTING FROM NONPERFORMANCE, USE, MISUSE OR INABILITY TO USE THE CRAFTSMAN PRODUCT OR FOR THE NEGLIGENCE OF ETC.
How to Obtain Service
US and Canada – To obtain warranty benefits contact us toll free at 1-888-331-4569 (Mexico 001-881-331-4569). We will direct you to the nearest service center to review your vacuum for inspection, repairs or replacement. Mexico – To obtain warranty benefits contact us toll free at 001-881-331-4569. We will direct you to the nearest service center to review your vacuum for inspection, repairs or replacement.
No Other Express Warranty Applies
This limited warranty is the sole and exclusive warranty provided to You. No other express warranty, written or verbal, applies including, WITHOUT LIMITATION, WARRANTIES OF MERCHANTABILITY OR FITNESS FOR A PARTICULAR PURPOSE. No employee, agent, dealer, or other person is authorized to alter this limited warranty or make any other warranty on behalf of Us.
What We will do to Correct Problems
YOUR SOLE AND EXCLUSIVE REMEDY UNDER THIS LIMITED WARRANTY SHALL BE LIMITED TO REPAIR, REPLACEMENT, REFUND OF THE CRAFTSMAN PRODUCT
After You have contacted CRAFTSMAN Product Customer Service Department, We will initiate warranty proceedings, including a physical inspection, subject to the exclusions and the Warranty Period stated herein, to determine whether to repair or replace the CRAFTSMAN Product or provide You with a refund.
The decision to repair or replace your CRAFTSMAN Product or to provide a refund is at Our sole discretion. Repair or replacements provided to You by ETC are at no cost to You if covered under this limited warranty. If we are unable to provide You with a suitable repaired or replacement CRAFTSMAN Product, we will provide you with a refund equal to the purchase price of your CRAFTSMAN Product or a credit to be used toward the purchase of a new CRAFTSMAN Product.
In the event of any dispute between CUSTOMER AND US, either party may choose to resolve the dispute by binding arbitration. THIS MEANS IF EITHER CUSTOMER OR US CHOOSE BINDING ARBITRATION, NEITHER PARTY SHALL HAVE THE RIGHT TO LITIGATE SUCH CLAIM IN COURT OR HAVE A JURY TRIAL. DISCOVERY AND APPEAL RIGHTS ARE LIMITED. This limited warranty gives you specific legal rights, and you may also have other rights, which vary from State to State. Some states do not allow the exclusion of incidental or consequential damages, so the above limitation may not apply.
CRAFTSMAN®
is a registered trademark of Stanley Black & Decker, Inc., used under license.
2019 CRAFTSMAN
Product Manufactured by: EMERSON TOOL COMPANY
![]()






















