Refrigerators Fresher Food
User Manual
MRF-440W
MRF-440W Refrigerators Fresher Food
Dear customer,
Thank you for purchasing our product. Please read the following instructions carefully before first use and keep this user manual for future reference. Pay particular attention to the safety instructions. If you have any questions or comments about the device, please contact the customer line.
✉ www.alza.co.uk/kontakt
✆ +44 (0)203 514 4411
Importer
Alza.cz a.s., Jankovcova 1522/53, Holešovice, 170 00 Praha 7, www.alza.cz
Dear users, this manual contains the product’s basic knowledge, how to use it, fault diagnosis and basic troubleshooting methods. In order to better understand and use this product, please take good care of this manual and read it carefully.
Safety
- It is hazardous for anyone other than authorized service personnel to carry out servicing or repairs which involves the removal of covers. To avoid the risk of an electric shock do not attempt to repair this appliance yourself.
- Risk of fire / flammable materials.
- Do not use electrical appliances such as a hair dryer or heater to defrost your Fridge/Freezer.
- Containers with flammable gases or liquids can leak at low temperatures.
- Do not store any containers with flammable materials, such as spray cans, fire extinguisher refill cartridges etc. in the Fridge/Freezer.
- Do not place carbonated or fizzy drinks in the Freezer compartment. Ice lollies can cause “Frost/Freeze burns”. If consumed straight from the Fridge/Freezer.
- Do not remove items from the Fridge/Freezer compartment if your hands are damp/wet, as this could cause skin abrasions or “Frost/Freezer burns”. Bottles and cans must not be placed in the Freezer compartment as they can burst when the contents freeze.
- Manufacturer’s recommended storage times should be adhered to. Refer to relevant instructions.
- Do not allow children to tamper with the controls or play with the Fridge/Freezer. The Fridge/Freezer is heavy. Care should be taken when moving it. It is dangerous to alter the specification or attempt to modify this product in any way.
- Do not store inflammable gases or liquids inside your Fridge/Freezer.
- If the power cable is damaged, it must be replaced by the manufacturer, its service agent or similarly qualified persons in order to avoid a hazard.
- This appliance can be used by children aged from 8 years and above and persons with reduced physical, sensory or mental capabilities or lack of experience and knowledge if they have been given supervision or instruction concerning use of the appliance in a safe way and understand the hazards involved. Children shall not play with the appliance. Cleaning and user maintenance shall not be made by children without supervision.
- This refrigerating appliance is not intended to be used as a built-in appliance.
- This appliance is intended to be used in household and similar applications such as:
- staff kitchen areas in shops, offices and other working environments.
- farmhouses and by clients in hotels, motels and other residential type environments.
- bed and breakfast type environments.
- catering and similar non-retail applications.
- Keep ventilation openings, in the appliance enclosure or in the built-in structure, clear of obstruction.
- Do not use mechanical devices or other means to accelerate the defrosting process, other than those recommended by the manufacturer.
- Do not damage the refrigerant circuit.
- Do not use electrical appliances inside the food storage compartments of the appliance, unless they are of type recommended by the manufacturer.
- Do not store explosive substances such as aerosol cans with a flammable propellant in this appliance.
- This appliance is not intended for use by persons (including children) with reduced physical, sensory or mental capabilities, or lack of experience and knowledge, unless they have been given supervision or instruction concerning use of the appliance by a person responsible for their safety. Children should be supervised to ensure that they do not play with the appliance.
- WARNING: Keep ventilation openings, in the appliance enclosure or in the built-in structure, clear of obstruction.
- WARNING: Do not use mechanical devices or other means to accelerate the defrosting process, other than those recommended by the manufacturer.
- WARNING: Do not damage the refrigerant circuit.
- WARNING: Do not use electrical appliances inside the food storage compartments of the appliance, unless they are of the type recommended by the manufacturer.
- WARNING: Refrigerating appliances – in particular a refrigerator-freezer Type I – might not operate consistently (possibility of defrosting of contents or temperature becoming too warm in the frozen food compartment) when sited for an extended period of time below the cold end of the range of temperatures for which the refrigerating appliance is designed.
- WARNING: The necessity that, for doors or lids fitted with locks and keys, the keys be kept out of the reach of children and not in the vicinity of the refrigerating appliance, in order to prevent children from being locked inside.
- WARNING: The refrigerant used in your appliance and insulation materials requires special disposal procedures.
- WARNING: When positioning the appliance, ensure the supply cord is not trapped or damaged.
- WARNING: Do not locate multiple portable socket-outlets or portable power supplies at the rear of the appliance
- Children aged from 3 to 8 years are allowed to load and unload refrigerating appliances.
- To avoid contamination of food, please respect the following instructions:
- Opening the door for long periods can cause a significant increase of the temperature in the
- compartments of the appliance.
- Clean regularly surfaces that can come in contact with food and accessible drainage systems.
- Clean water tanks if they have not been used for 48 h; flush the water system connected to a water supply if water has not been drawn for 5 days.
- Store raw meat and fish in suitable containers in the refrigerator, so that it is not in contact with or drip onto other food.
- Two-star frozen-food compartments are suitable for storing pre-frozen food, storing or making icecream and making ice cubes.
- One-, two- and three-star compartments are not suitable for the freezing of fresh food.
- If the refrigerating appliance is left empty for long periods, switch off, defrost, clean, dry, and leave the door open to prevent mold developing within the appliance.
Electrical Connection
WARNING
This appliance should be properly grounded for your safety. The power cord of this appliance is equipped with a three-prong plug which mates with the standard three prong wall outlets to minimize the possibility of electrical shock.
Do not, under any circumstances, cut or remove the third ground prong from the power cord supplied.
This refrigerator appliance requires a standard 220-240VAC 50Hz electrical outlet with three-prong ground. This refrigerator appliance is not designed to be used with an inverter.
The cord should be secured behind the appliance and not left exposed or dangling to prevent accidental injury.
Never unplug the refrigerator by pulling the power cord. Always grip the plug firmly and pull straight out from the receptacle.
Do not use an extension cord with this appliance. If the power cord is too short, have a qualified electrician or service technician install an outlet near the appliance. Use of an extension cord can negatively affect the performance of the unit.
Improper use of the grounded plug can result in the risk of electrical shock. If the power cord is damaged, have it replaced by an authorized service centre.
Climate Range
The information about the climate range of the appliance is provided on the rating plate. It indicates at which ambient temperature (that is, room temperature, in which the appliance is working) the operation of the appliance is optimal (proper).
| Climate range | Permissible ambient temperature |
| SN | from +10°C to +32°C |
| N | from +16°C to +32°C |
| ST | from +16°C to +38°C |
| T | from +16°C to +43°C |
Note: Given the limit values of the ambient temperature range for the climate classes for which the refrigerating appliance is designed and the fact that the internal temperatures could be affected by such factors as location of the refrigerating appliance, ambient temperature and the frequency of door opening, the setting of any temperature control device might have to be varied to allow for these factors, if appropriate.
Note: When operating in an environment other than the specified climate type (i.e., beyond the rated ambient temperature range), the appliance may not be able to maintain the desirable compartment temperatures.
Locks
If your Refrigerator is fitted with a lock, keep the key out of reach and not in the vicinity of the appliance to prevent children being entrapped. When disposing of an old Refrigerator, break off any old locks or latches as a safeguard.
Freon-free
The Freon-free refrigerant (R600a) and the foaming insulation material (cyclopentane) that is environmentally friendly are used for the refrigerator, causing no damage to the ozone layer and having very small impact on the global warming.R600a is flammable, and sealed in a refrigeration system, without leakage during normal use. But, in case of refrigerant leakage due to the refrigerant circuit being damaged, be sure to keep the appliance away from open flames and open the windows for ventilation as quickly as possible.
Product Features
This is an inverter fridge-freezer adopting the multiple-door design. Its upper part is the fridge compartment for fresh food storage, such as fruits, vegetables, eggs, milk, cooked foods, etc.; and its lower part is the freezer compartment where fish, meat, etc. can be frozen for the long-term storage.
Computer control
Adopting the electronic temperature control mode, the fridge-freezer is designed with a LED display screen, by which the temperature of each compartment and the working parameterscan be managed and set.
Inverter technology
Integrated with precise frequency conversion, noise reduction, energy saving, precise temperature control and other technologies, the fridge-freezer boasts of superior performances. Furthermore, working efficiency of the inverter compressor can be automatically adjusted according to the ambient temperature and the set temperature, so as to keep the fridge-freezer operating in its optimal state.
LECO
The fridge-freezer is internally configured with the LECO device for the net flavor and fresh-keeping purpose, with the preservation time of fruits and vegetables effectively extended.
Green technology
The Freon-free refrigerant and foaming insulation material are used for the fridge-freezer, causing no damage to the ozone layer and having a very small impact on the global warming, so it is the environmentally friendly product.
Stylish appearance
Adopting the optimized man-machine engineering design, the side-by-side four-door refrigerator has an elegant and novel appearance, and is easy to be opened.
Foldable shelf (optional)
The innovatively foldable shelf can be unfolded for the separate use, or folded for the combined use, thus satisfyingthe diversified storage demands.
More user-friendly designs
Such functions as wide working voltage range, automatic temperature control, power-off memory, power on delay, automatic alarm, fast freezing, and fridge power-off, etc. Are available.

| # | Description |
| 1 | Light |
| 2 | Egg tray |
| 3 | Bottle rack |
| 4 | Refrigerator glass shelf |
| 5 | Salad crisper |
| 6 | Upper freezer drawer |
| 7 | Freezer room glass shelf |
| 8 | Bottom freezer drawer |
| 9 | Adjustable feet |

| # | Description |
| 1 | Light |
| 2 | Egg tray |
| 3 | Bottle rack |
| 4 | Refrigerator glass shelf |
| 5 | Crisper |
| 6 | Upper freezer drawer |
| 7 | Freezer room glass shelf |
| 8 | Bottom freezer drawer |
| 9 | Adjustable feet |
| 10 | Middle bottle rack |
| 11 | Crisper cover |
| 12 | Bottom bottle rack |
| 13 | Fresh-keeping lamp |

| # | Description |
| 1 | Light |
| 2 | Egg tray |
| 3 | Bottle rack |
| 4 | Water tank |
| 5 | Refrigerator glass shelf |
| 6 | Bottom bottle rack |
| 7 | Salad crisper |
| 8 | Upper freezer drawer |
| 9 | Freezer glass shelf |
| 10 | Bottom freezer drawer |
| 11 | Adjustable feet |

| # | Description |
| 1 | Light |
| 2 | Egg tray |
| 3 | Bottle rack |
| 4 | Refrigerator glass shelf |
| 5 | Salad crisper |
| 6 | Upper freezer drawer |
| 7 | Freezer room glass shelf |
| 8 | Bottom freezer drawer |
| 9 | Adjustable feet |
| 10 | Water tank |
| 11 | Crisper cover |
| 12 | Bottom bottle rack |
| 13 | Fresh-keeping lamp |
Due to technological innovation, the descriptions of the product in this manual may not be completely consistent with your refrigerator. Details are in accordance with the material item.
Preparations for Use
Installation location
- Ventilation condition
The position you select for the refrigerator installation should be well-ventilated and has less hot air. Do not locate the refrigerator near a heat source such as cooker, boiler, and avoid it from direct sunlight, thus guaranteeing the refrigeration effect while saving energy consumption. Do not locate the refrigerator in the damp place, so as to prevent the refrigerator from rusting and leaking electricity. The result of the total space of the room in which the refrigerator is installed being divided by the refrigerant charge amount of the refrigerator shall not be less than 8 g/ M3.
Note: The amount of refrigerant charged for the refrigerator can be found on the nameplate. - Heat dissipation space
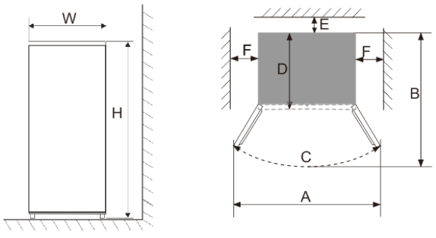
When working, the refrigerator gives off heat to surroundings. Therefore, at least 30mm of free space should be spared at the top side, more than 100mm on both sides, and above 50mm at the back side of the refrigerator. Dimensions in mm
| W | D | H | A | B | C(°) | E | F |
| 785 | 717 | 1815 | 1274 | 1063 | 125 | 50 | 100 |

Note: Figure 1, Figure 2 only as a product space demand size schematic diagram.
• Level ground
Place the refrigerator on the solid and flat ground (floor) to keep it stable, or else, it will give rise to vibration and noise. When the refrigerator is placed on such flooring materials as carpet, straw mat, polyvinyl chloride, the solid backing plates should be applied underneath the refrigerator, so as to prevent colour change due to heat dissipation.
Unobstructed ventilation shall be maintained around the appliance or in an embedded structure.
Preparations for use
- Standing time After the refrigerator is properly installed and well cleaned, do not switch it on immediately. Make sure to energize the refrigerator after more than 1 hour of standing, so as to ensure its normal operation.
- Cleaning Confirm the accessory parts inside the refrigerator and wipe the inside with a soft cloth.
- Power-on Insert the plug into the solid socket to start the compressor. After 1 hour, open the freezer door, if the temperature inside the freezer compartment drops obviously, it indicates the refrigeration system is working normally.
- Storage of food After the refrigerator runs for a period of time, the internal temperature of the refrigerator will be automatically controlled according to the user’s temperature setting. After the refrigerator is fully cooled, put in foods, which usually need 2~3 hours to be fully cooled. In summer, when the temperature is high, it takes more than 4 hours for the foods to be fully cooled (Try to open the refrigerator door as less as possible before the internal temperature cools down).
If the refrigerator is installed in the moisture place, make sure to check whether the ground wire and leakage circuit breaker are normal. If vibration noises are produced due to the refrigerator contacting the wall or if the wall gets blackened by air convection around the compressor, move the refrigerator away from the wall. Setting up the refrigerator may cause jamming noise or image chaos to the mobile phone, fixedline telephone, radio receiver, television set surrounding it, so try to keep the refrigerator as far away as possible in such case.
Functions 
Function Setting
When the refrigerator system is connected to power supply for the first time, all icons on the display panel gets illuminated for 2s. When all the doors are close, the display gets extinguished automatically if no key operation within 3 minutes. When the display is off, it will light up if any door is opened or any key is pressed.
The following key operations are valid only when the keys are unlocked and gets illuminated on the display.
(refer to Child Lock for unlocking the keys)
Functions
Temperature setting
- Fridge temperature setting
Press the Temp. Zone key to select the fridge zone, with the corresponding icon flickering, and then press the Temp. key to adjust the temperature, finally press the OK/Lock to validate the above temperature setting.
The fridge temperature setting cycles as following:
5℃→6℃→7℃→8℃→OF→2℃→3℃→4℃→5℃;
OF refers to Fridge Off, and when OF takes effect, the fridge will stop cooling.
Take foods out of the fridge compartment before setting this function. - Freezer temperature setting
Press the Temp. Zone key to select the freezer zone, with the corresponding icon flickering, and then press the Temp. key to adjust the temperature, finally press the OK/Lock to validate the above temperature setting.
The freezer temperature setting cycles as following:
-18℃→-17℃→-16℃→-24℃→-23℃→-22℃→-21℃→-20℃→-19℃→-18℃;
LECO
When the refrigerator is powered on, the LECO net flavor function will run automatically on a regular basis, lasting for 20 minutes each time; the LECO system decomposes odors and microorganisms into CO2 and H2O. At the same time, the LECO system releases free radicals to actively eliminate bacteria, creating a cleaner cooling space. - Enabling the LECO function manually
Press the Function key to select LECO until the icon of LECO gets flickering, and then press the OK/Lock key for confirmation. If the OK/Lock key is not pressed within 5s, the current setting will be invalidated. - Exiting of the LECO function
The LECO function gets exited automatically 20 minutes after it is enabled.
Disabling the LECO function manually: Press the Function key to select LECO until the corresponding icon gets flickering, and then press the OK/Lock key to validate the setting.
Fast Freezing
When the Fast Freezing function is enabled, the freezer temperature will be controlled at -32℃automatically, and after 26 hours of running, the Fast Freezing function gets exited. Cooling down the freezer temperature in a rapid manner is beneficial to the prevention of food nutrition against lost and the preservation of freshness.
Under the Fast-Freezing mode, the freezer temperature is subjected to no adjustment.
- Enabling the Fast-Freezing function
Press the Function key to select Fast Freeze until the corresponding icon gets flickering, and then press the OK/Lock key within 5s for confirmation. If the OK/Lock key is not pressed within 5s, the setting will be invalidated. - Exiting the Fast-Freezing function
After a cumulative running period of 26 hours, the Fast Freeze function will exit automatically.
Under the Fast Freeze mode, press the Function key to select Fast Freeze until the corresponding icon gets flickering, and then press the OK/Lock key for confirmation, the Fast Freeze function will get exited.
When the Smart function is enabled, the Fast-Freezing function will be disabled automatically.
Holiday
When the Holiday function is enabled, the fridge temperature will be controlled at 14℃. When you are out for a quite long time, you can set the Holiday function to keep the refrigerator running with low energy consumption, while ensuring the fresh food compartment is free from undesirable smell and the freezer compartment operates normally.
Be sure to take out all foods from the fresh food compartment before setting this function.
Under the Holiday mode, the fridge temperature is subject to no change. - Enabling the Holiday function
Press the Function key to select Holiday until the corresponding icon gets flickering, and then press the OK/Lock key within 5s for confirmation. If the OK/Lock is not pressed within 5s, the setting will be invalidated. - Exiting the Holiday function
Under the Holiday mode, press the Function key to select Holiday until the corresponding gets flickering, and then press the OK/Lock key for confirmation. The Holiday function will get exited. When the Smart function is enabled, the Holiday function will be disabled automatically.
Smart
When the Smart function is enabled, the temperature of the fresh food compartment is controlled at 4℃, and that of the freezer compartment at – 18℃, so that foods can be stored in the best condition while the refrigerator is running more efficiently and with better performance.
Under the Smart mode, the fresh food compartment temperature and the freezer compartment temperature are subject to no change.
- Enabling the Smart function
Press the Function key to select Smart until the corresponding icon gets flickering, and then press the OK/Lock key within 5s for confirmation. If the OK/Lock is not pressed within 5s, the setting will be invalidated. - Exiting the Smart function
Under the Smart mode, press the Function key to select Smart until the corresponding gets flickering, and then press the OK/Lock key for confirmation. The Smart function will get exited.
When the Holiday or Fast Freeze function is enabled, the Smart function will be disabled automatically.
Child Lock
When the Child Lock function is enabled, the temperature and function are subjected to no change to prevent maloperation.
In case of no key operation within 3 minutes, the Child Lock function will be enabled automatically.
Enabling/exiting the Child Lock function manually
Press and hold down the OK/Lock for 3s, then the Child Lock function can be enabled/disabled.
Door open alarm
If any door is open for more than 3 minutes, buzzer alarms will be continuously issued, which can be stopped when any key is pressed, but will be restored after 3 minutes if the door keeps open. The alarms will not be lifted until the door is closed.
Power cut memory
In case of power failure, the refrigerator will maintain the operating state before power failure when power supply is restored.
Power-on delay
In order to protect the refrigerator compressor from being damaged in the case of short-time power failure (i.e., less than 5 minutes), the compressor will not be started immediately after it is powered on.
Over-temperature alarm (only after power outage)
When the refrigerator system is powered on, if the freezer sensor temperature is higher than -10℃, digits of the freezer zone get flickering on the display. The freezer temperature can be displayed when any key is pressed, and the normal display will be restored when any key is pressed again or after 10s.
Fault alarm
In case E0,E1,E2,EH, or EC is displayed on the operation panel, it indicates fault with the refrigerator. Please contact the aftersales person for visiting service in such case.
Heater On/Off
After keys are unlocked, hold down the “Temp.” key, and then press the “Function” key for more than 3 seconds to enter the anti-sweat heater setting program. When “FL” is displayed, press the “Temp. Zone” key to display the state of anti-sweat heater. The heater is On by default (with “1” displayed), and you can press the “Temp.” key to switch between “1” (ON) and “0” (OF) at this time.
Instructions for use of the foldable glass shelf (if applicable)
Pull out the lower glass shelf first. Then move the lower shelf in the manner as illustrated on the picture below. Make sure the shelf isn’t placed in a position as illustrated on the right-most picture, so that it will not come off. 
Tips for Water dispenser
The refrigerator includes a water dispenser which makes it easier to fill your cup of water and have access to cold water almost immediately. The water dispenser includes one tank of 2.5 liters of water which has to be filled out. To use water dispenser, follow the instructions below: 
Open the refrigerator door to ensure the water dispenser fixed well.
Open the filler cover of the water tank, slowly fill the water tank to prevent any spills until the tank is filled. Then close the filler cover of the water tank. See image C.
Once the water tank is full, set the thermostat at the lowest mode or the Fast Cool mode, and one hour later you can dispense water for drinking. See image D.
When using the water dispenser, some water may drip and accumulate at the bottom of the water dispenser. Please wipe it with a cloth when necessary.
The maximum fill must be lower than the tank cover as indicated by the maximum fill line.
NOTE: Don’t take away the cup until the last drop drops.
Instructions for food storage
Precautions for use
- The appliance might not operate consistently (there is possibility of defrosting or temperature becoming too warm in the frozen food compartment) when sited for an extended period of time below the cold limit of the temperature range for which the refrigerating appliance is designed
- The information of climate type of the appliance is provided on the rating plate.
- The internal temperature could be affected by such factors as the location of refrigerating appliance, ambient temperature, and frequency of door open, etc., and if appropriate, a warning that setting of any temperature control device might have to be varied to allow for these factors should be made.
- Effervescent drinks should not be stored in the freezer compartment or the low-temperature compartment, and some products such as water ices should not be consumed too cold.
Food storage location
Due to the cold air circulation in the refrigerator, the temperature of each area in the refrigerator is different, so different kinds of food should be placed in different areas.
The fresh food compartment is suitable for the storage of such foods as need not to be frozen, the cooked food, beer, eggs, some condiments that need cold preservation, milk, fruit juice, etc. The crisper box is suitable for the preservation of vegetables, fruits, etc.
The freezer compartment is suitable for the storage of ice cream, frozen food and the foods to be preserved for a long time.
Use of the fresh food compartment
Set the temperature of the fresh food storage compartment between 2 °C ~ 8 °C and store the foods that are intended for short-term storage, or to be eaten at any time in the fresh food compartment.
Fridge shelf: When removing the shelf, lift it up first, and then pull it out; and when installing the shelf, place it into position before putting it down. (For the two-section shelf, push the first section to the rear end, and then pull the second section out). Keep the shelf rear flange upward, to prevent foods from contact the liner wall. When taking out or putting in the shelf, hold it firmly, and handle with care to avoid damage. Crisper box: Pull out the crisper box for access to food. After using or cleaning the cover plate of the crisper box, be sure to put it back onto the crisper, so that the internal temperature of the crisper box will not be affected.
Use of the crisper humidity regulating rod
The humidity regulating rod of the crisper box is design to maintain the humidity and freshness of the vegetables stored inside. When the humidity regulating rod is slide to the right, with more holes exposed, lower humidity will be kept inside the crisper box. When the humidity regulating rod is slide to the left, with less holes exposed, higher humidity will be kept inside the crisper box.
How to use the ice-making box
Place the ice-making box in the upper position of the freezer compartment, so that it ices up as soon as possible.
Cautions for food storage
You’d better clean the foods and wipe them dry before storing them inside the refrigerator. Before foods are put in the refrigerator, it is advisable to seal them up, so as to prevent water evaporation to keep fresh fruits and vegetables on one hand and prevent taint of odor on the other hand.
Do not put too many or too weight foods inside the refrigerator. Keep enough space between foods; if too close, the cold air flow will be blocked, thus affecting the refrigeration effect. Do not store excessive or overweight foods, to avoid the shelf from being crushed. When storing the foods, keep a distance away from the inner wall; and do not place the water-rich foods too close to the fridge rear wall, lest they get frozen on the inner wall.
Categorized storage of foods Foods should be stored by category, with the foods you eat every day placed
in front of the shelf, so that the door open duration can be shortened and food spoilage due to expiration
can be avoid.
Energy-saving tips: Allow the hot food cool down to the room temperature before putting it in the refrigerator. Put the frozen food in the fresh food compartment to thaw, using the low temperature of the frozen food to cool the fresh food, thus saving energy.
Storage of fruits and vegetables
In the case of refrigerating appliances with chill compartment, a statement to the effect that some types of fresh vegetables and fruits are sensitive to cold and therefore are not suitable for storage in this kind of compartment should be made.
Use of the frozen food storage compartment
The freezer temperature is controlled below -18 ℃, and it is advisable to store the food for long-term preservation in the freezer compartment, but the storage duration indicated on the food packaging should be adhered to.
The freezer drawers are used to store food that needs to be frozen. Fish and meat of large block size should be cut into small pieces and packed into fresh-keeping bags before they are evenly distributed inside the freezer drawers.
- Allow the hot foods to cool down to the room temperature before putting them in the freezer compartment.
- Do not put a glass container with liquid or the canned liquid that is sealed in the freezer compartment, so as to avoid burst due to volume expansion after the liquid gets frozen up.
- Divide the food into appropriately small portions
- You’d better pack the food up before freezing it, and the packing bag used should be dry, in case the packing bags are frozen together. Foods should be packed or covered by such suitable materials as are firm, tasteless, impervious to air and water, non-toxic and pollution-free, to avoid cross-contamination and transfer of odour.
Tips for shopping the frozen foods
- When you are buying frozen food, look at the Storage Guidelines on the packaging. You will be able to store each item of frozen food for the period shown against the star rating. This is usually the period stated as “Best to use them before×”, found on the front of the packaging.
- Check the temperature of the frozen food cabinet in the shop where you buy the frozen foods.
- Make sure the frozen food package is in perfect condition.
- Always buy frozen products last on your shopping trip or visit to the supermarket.
- Try to keep frozen food together whilst shopping and on the journey home, as this will help to keep the food cooler.
- Don’t buy frozen food unless you can freeze it straight away. Special insulated bags can be bought from most supermarkets and hardware shops. These keep the frozen foods cold longer.
- For some foods, thawing before cooking is unnecessary. Vegetables and pasta can be added directly to boiling water or steam cooked. Frozen sauces and soups can be put into a saucepan and heated gently until thawed.
- Use quality food and handle it as little as possible. When foods are frozen in small quantities, it will take less than for them to freeze up and thaw.
- Estimate the amount of foods to be frozen up. When freezing large amounts of fresh food, adjust the temperature control knob to the low mode, with the freezer temperature lowered. So, foods can be frozen up in fast manner, with the food freshness well kept.
Tips for Special Needs
Moving the refrigerator/freezer
- Location
Do not place your refrigerator/freezer near a heat source, e.g. cooker, boiler or radiator. Avoid it from direct sunlight in out-buildings or sun lounges. - Levelling
Make sure to level your refrigerator/freezer using the front levelling feet. If not level, the refrigerator/freezer door gasket sealing performance will be affected, or even it may lead to the operating failure of your refrigerator/freezer. After locating the refrigerator/freezer in position, wait for 4 hours before using it, so as to allow the refrigerant to settle. - Installation
Do not cover or block the vents or grilles of your appliance. When you are out for a long time o If the appliance will not be used for several months, turn it off first, and then unplug the plug from the wall outlet.- Take out all foods.
- Clean and dry the interior thoroughly. To prevent odor and mold growth, leave the door ajar: block it open or have the door removed if necessary.
- Keep the cleaned appliance in a dry, ventilated place and away from the heat source, place the appliance smoothly, and do not place heavy objects on top of it.
- The unit should not be accessible to child’s play.
Maintenance and Cleaning
Before cleaning, unplug the power plug first; Do not plug in or plug out the plug with wet hand, because there is a risk of electric shock and injury. Do not spill water directly on the refrigerator, to avoid rust, electricity leakage and accidents. Do not stretch your hands into the bottom of the refrigerator, since you might be scratched by sharp metal corners.
Internal cleaning and external cleaning
The food residuals in the refrigerator are liable to produce bad odor, so the refrigerator must be cleaned regularly. The fresh food compartment is usually cleaned once a month.
Remove all shelves, crisper box, bottle racks, cover board, and drawers etc., and clean them with a soft towel or sponge dipped in warm water or neutral detergent.
Clear off the dusts accumulated on the rear panel and side plates of the refrigerator often.
After using detergent, be sure to rinse it with clean water, and then wipe it dry.
Do not use bristle brush, steel wire brush, detergent, soap powder, alkaline detergent, benzene, gasoline, acid, hot water and other corrosive or soluble items to cleanse the cabinet surface, door gasket, plastic decorative parts, etc., so as to avoid damage.
Carefully wipe dry the door gasket, clean the groove using a wooden chopstick wrapped with cotton string.
After the cleaning, fix the four corners of the door gasket first, and then embed it segment by segment into the door groove.
Interruption of power supply or failure of the refrigerating system
- Take care of the frozen foods in the event of an extended non-running of the refrigerating appliance (such as interruption of power supply or failure of the refrigerating system).
- Try to open the refrigerator door as less as possible, in this way can food safely and freshly kept for hours even in hot summer.
- If you get the power outage notice in advance:
- Adjust the thermostat knob to the high mode an hour in advance, so that foods get fully frozen (Do not store new food during this time!). Restore the temperature mode to the original setting when power supply becomes normal in a timely manner.
- You can also make ice with a watertight container and put it in the upper part of the freezer, so as to extend the time for fresh food to be stored.
Note: Once the refrigerator is used, you’d better use it continuously; and under normal circumstance, do not stop its use, so as not to affect the service life.
Defrosting
This appliance is designed with automatic defrosting function, thus no need to defrost it manually.
Changing the lamp
The LED lamp is used by the refrigerator for lighting, which features low energy consumption and long service life. In case of any abnormality, please contact the after-sales personnel for visiting service. The lamps can only be replaced by the manufacturer, together with a part of the appliance. Lamp type: LED light Energy efficiency level: F
Safety-check after maintenance
- Is the power cord broken or damaged?
- Is the power plug firmly inserted into the socket?
- Is the power plug abnormally overheating?
Note: Electric shock and fire accident may be caused in case the power cord and plugs damaged or stained by dust. If any abnormality, please unplug the power plug and get in contact with the vendor.
How to dissemble the parts
Fridge door bottle rack: Hold the bottle rack with both hands, and then push it up.
Fridge shelf: Hold one end of the shelf to lift it up, and meantime pull it outward, in this way can the shelf be taken out.
Simple Fault Analysis and Elimination
With regard to the following small faults, not every failure needs to be fixed by the technical service personnel; you can try to solve the problem.
| Case | Inspection | Solutions |
| Completely non- refrigeration | Is power plug off? Are breakers and fuses broken? No electricity or line trip? | Re-plug Opening the door and checking whether the lamp is lit. |
| Abnormal noise | Is refrigerator stable? Does refrigerator contact the wall? | Adjusting refrigerator’s leveling feet. Off the wall. |
| Poor refrigerating efficiency | Do you put hot food or too much food? Do you open the door frequently? Do you clip food bag to the door gasket? Direct sunlight or near a furnace or stove? Is it well-ventilated? Temperature setting in too high? | Putting food into refrigerator when hot food becomes cool. Checking and closing the door. Removing the refrigerator from the heat source. Emptying the distance to maintain good ventilation. Setting to the appropriate temperature. |
| Peculiar smell in refrigerator | Any spoiled food? Do you need to clean refrigerator? Have you packed food of strong flavors? | Throwing away spoiled food. Cleaning refrigerator. Packing food of strong flavors. |
| No key response | Check whether the Child Lock function is enabled on the display panel. | Press & hold the “OK/LOCK” key for 3 seconds to unlock the key, and then conduct the key operation. (For details, refer to the Child Key function.) |
| Temperature setting impossible | Check whether the Smart, Fast Freeze or Holiday function is enabled on the display panel. | Exit the special function mode, and then set up the temperature (for details refer to the Functions section) |
| Freezer temperature displayed on the panel, with the temperature digits flashing | Is power cut before? | Press any key to lift the alarm (refer to the Overtemperature alarm function), and then check the foods inside the fridge and freezer compartments get spoiled. |
Note: If the above descriptions are inapplicable to troubleshooting, do not disassemble and repair it yourself. Repairs carried out by inexperienced persons may cause injury or serious malfunctioning. Contact the local store where your purchase was made. This product should be serviced by an authorized engineer and only genuine spare parts should be used.
When the appliance is not in use for long periods, disconnect from the electricity supply, empty all foods and clean the appliance, leaving the door ajar to prevent unpleasant smells.
Warranty Conditions
A new product purchased in the Alza.cz sales network is guaranteed for 2 years. If you need repair or other services during the warranty period, contact the product seller directly, you must provide the original proof of purchase with the date of purchase.
The following are considered to be a conflict with the warranty conditions, for which the claimed claim may not be recognized:
- Using the product for any purpose other than that for which the product is intended or failing to follow the instructions for maintenance, operation, and service of the product.
- Damage to the product by a natural disaster, the intervention of an unauthorized person or mechanically through the fault of the buyer (e.g., during transport, cleaning by inappropriate means, etc.).
- Natural wear and aging of consumables or components during use (such as batteries, etc.).
- Exposure to adverse external influences, such as sunlight and other radiation or electromagnetic fields, fluid intrusion, object intrusion, mains overvoltage, electrostatic discharge voltage (including lightning), faulty supply or input voltage and inappropriate polarity of this voltage, chemical processes such as used power supplies, etc.
- If anyone has made modifications, modifications, alterations to the design or adaptation to change or extend the functions of the product compared to the purchased design or use of non-original components.
EU Declaration of Conformity
Identification data of the manufacturer’s / importer’s authorized representative: Importer: Alza.cz a.s.
Registered office: Jankovcova 1522/53, Holešovice, 170 00 Prague 7
CIN: 27082440
Subject of the declaration:
Title: Refrigerator with freezer
Model / Type: MRF-440W
The above product has been tested in accordance with the standard(s) used to demonstrate compliance with the essential requirements laid down in the Directive(s):
Directive No. 2014/30/EU
Directive No. 2014/35/EU
Directive No. 2011/65/EU as amended 2015/863/EU
Regulation (EU) No 2019/2016
Regulation (EU) No 2019/2019
Regulation No. 1935/2004 as amended
WEEE
This product must not be disposed of as normal household waste in accordance with the EU Directive on Waste Electrical and Electronic Equipment (WEEE – 2012/19 / EU). Instead, it shall be returned to the place of purchase or handed over to a public collection point for the recyclable waste. By ensuring this product is disposed of correctly, you will help prevent potential negative consequences for the environment and human health, which could otherwise be caused by inappropriate waste handling of this product. Contact your local authority or the nearest collection point for further details. Improper disposal of this type of waste may result in fines in accordance with national regulations.


















