Galaxy 177IMBL7 Immersion Blenders

Safety Warnings & Information
WARNING: In order to limit accidents such as electric shocks or personal injury, and in order to limit material damage due to misuse of the appliance, please read these instructions carefully and follow them strictly. Reading the operating instructions will help you get to know your appliance and enable you to use the equipment correctly, Please read these instructions in their entirety and make sure that anyone else who may use the appliance also reads them beforehand.
UNPACKING & HANDLING
- WARNING: Always take care when handling the blades as they are extremely sharp
CONNECTION
- Always check that your mains supply corresponds to that indicated on the identification plate on the motor unit and that it can withstand the amperage.
- Never plug your appliance into the mains supply before placing it inside the preparation bowl.
USAGE
- Never try to override the safety systems.
- Never insert an object into the preparation.
- Never switch the appliance on unless it has been placed in the preparation bowl.
- Before dismantling the foot, bell, or whisk always check that the power cord is unplugged.
- The appliance should be tilted at a slight angle to prevent the bell from touching the bottom of the container.
WARNING
IF THE IMMERSION BLENDER IS ACCIDENTALLY FULLY IMMERSED DURING USE
- DO NOT touch either the blender, the bowl, or the work surface.
- Unplug the blender’s power cord from the wall socket.
- Remove the immersion blender.
- Tilt the immersion blender to drain off as much liquid as possible.
- DO NOT switch the power mixer back on, as there is still a risk of electrocution.
- Send the power mixer to the approved after-sales service to have the electrical components cleaned and dried.
CLEANING
- As a precaution, always unplug your appliance before cleaning it.
- Always clean the appliance and its attachments at the end of each cycle.
- Never immerse the motor unit in water.
- For parts made from aluminum, use cleaning fluids intended for aluminum.
- For plastic parts, do not use detergents that are too alkaline (e.g. containing too much caustic soda or ammonia).
MAINTENANCE
- Before opening the motor housing it is absolutely vital to unplug the appliance.
- Check the seals and washers regularly and ensure that the safety devices are in good working order.
- It is particularly important to maintain and check the attachments since certain ingredients contain corrosive agents, e.g. citric acid.
- Never operate the appliance if the power cord or plug has been damaged or if the appliance fails to work properly or has been damaged in any way.
- Do not hesitate to contact your local maintenance service if something appears to be wrong.
Operation
- Ensure that the power button is not pressed and keep hand clear.
- Plug the power cord into a 120V wall socket.
- Insert the blade into the food to begin preparation.
- Press and hold the power button to start the blender.
- Release the power button to stop the blender.
- The variable speed dial at the top of the handle can be manipulated to increase or decrease the speed of the blender.
- The variable speed setting is self-regulating.
The selected speed will remain the same even if the consistency of your mixture changes. - It’s recommended to start at a slower speed and increase as you blend.
Working Position
- Hold the immersion blender in one hand and steady the container with the other.
- Keep the blender tilted slightly so that the bell does not touch the bottom of the container.
- Always make sure that the bell is completely submerged to avoid splashing.
- Always make sure that the air vents of the motor unit do not come into contact with any liquid.
- It’s recommended to move the blender around in the preparation to get a homogenous mixture.
Assembly
ATTACHING THE SHAFT TO THE MOTOR UNIT
- Check that the appliance is not plugged in.
- Insert the threaded section of the shaft into the housing of the motor unit.
- Turn the shaft until it is locked into place moderately tightly.
REMOVING THE SHAFT FROM THE MOTOR UNIT
- Check that the appliance is not plugged in.
- Turn the shaft in the opposite direction until it is completely unscrewed.
REMOVING THE BLADE
- Remove the shaft completely from the motor unit using steps above.
- Use an oven glove or thick cloth to grip the blades.
- Use a hexagonal wrench to unscrew the bolt.
- Pull the blade out of the housing.
Cleaning
The equipment must be clean at all stages of production. It is vital to clean all parts of the immersion blender between each job using a detergent or disinfectant.
WARNING: Always unplug your appliance before cleaning it.
WARNING: Check that your detergent is suitable for cleaning plastic parts. Some washing agents are too alkaline (e.g. high levels of caustic soda or ammonia) and totally incompatible with certain types of plastic, causing them to deteriorate rapidly.
WARNING: NEVER immerse the motor unit or its handle in water.
NOTE: After completion of preparation, clean immediately to prevent food from sticking to surfaces.
NOTE: After using the immersion blender in a hot preparation, cool the bottom of the foot in cold water
before dismantling.
RINSING
- Place the foot and bell into a suitable container with water and switch on for a few seconds to rinse.
CLEANING
- Unplug the immersion blender.
- Detach the shaft from the motor unit and set aside.
- Using a damp sponge or cloth, wipe the exterior of the motor unit.
Be careful to avoid getting moisture inside the air vent holes on the side. - Dry motor unit with a clean towel.
- Rinse the shaft under the tap.
- Remove the bell from the shaft.
- Then remove the blades from the bell. Be careful to avoid damaging water-proof seals.
- Use a detergent/disinfectant (diluted per manufacturer’s instructions) to gently scrub each component.
- Rinse all parts.
- Allow to dry completely before reassembly.
Attack tough grease, oil, and carbon with this ready to use decarbonizer and degreaser. Its unique formula is designed to clean ovens, grills, hoods and a wide variety of other surfaces.
Maintenance
- Before every use inspect the power cord to make sure it is undamaged.
- Routinely check the state of all watertight membranes and seals.
Even the slightest cracks will allow liquid to seep in. - Routinely check the state of the blender housing. This should not show any signs of cracking which would allow access to the live components within.
- Routinely check the condition of the blade. If performance begins to decline, the blade, as well as the washer and watertight seals around it, should be replaced. Be careful when inspecting the blade as it is very sharp.
Specifications

Replacement Parts
| Item # | Description |
| 177PIMBL7STK | 7″ Immersion Blender Shaft |
| 177PIMBL9STK | 9″ Immersion Blender Shaft |
Troubleshooting
| Problem | Possible Cause | Action |
|
Blender does not turn on | Unplugged from wall socket | Plug into wall socket |
| Damaged power cord | Replace power cord | |
| Disconnected drive shaft | Unplug the immersion blender. Check to see if shaft is properly screwed into motor base. Remove the bell and test the rotation of the end of the drive shaft manually. | |
| Blade obstruction | Unplug the immersion blender. Inspect the blade area to make sure it is clear of debris. Rotate blades by hand to test. |
Do not use the machine if any of the above occur.
Any troubleshooting corrections should be performed by a qualified technician.
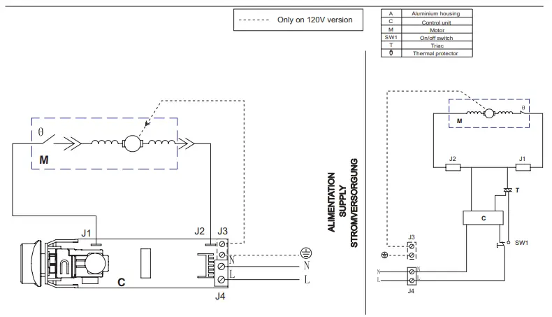
Electrical Diagram

Equipment Limited Warranty
Galaxy warrants its equipment to be free from defects in material and workmanship for a period of 6 months. This is the sole and exclusive warranty made by Galaxy covering your Galaxy brand equipment. A claim under this warranty must be made within 6 months from the date of purchase of the equipment. Only the equipment’s original purchaser may make a claim under this warranty. Galaxy reserves the right to approve or deny the repair or replacement of any part or repair request. The warranty is not transferable. Galaxy Equipment installed in/on a food truck or trailer will be limited to a period of 30 days from the original date of purchase.
To Make a Warranty Claim:
For Warranty Inquiries contact the location where you purchased the product:
- WebstaurantStore.com: Contact [email protected]. Please have your order number ready.
- The Restaurant Store: If you purchased this unit from your local store, please contact your store directly.
- TheRestaurantStore.com: Online purchases, call 717-392-7261. Please have your order number ready.
Failure to contact the designated location prior to obtaining equipment service may void your warranty.
Galaxy makes no other warranties, express or implied, statutory or otherwise, and HEREBY DISCLAIMS ALL IMPLIED WARRANTIES, INCLUDING THE IMPLIED WARRANTIES OF MERCHANTABILITY AND OF FITNESS FOR A PARTICULAR PURPOSE.
This Limited Warranty does not cover:
- Equipment sold or used outside the Continental United States
- Use of unfiltered water (if applicable)
- Galaxy has the sole discretion on wearable parts not covered under warranty
- Equipment not purchased directly from an authorized dealer
- Equipment that has been altered, modified, or repaired by anyone other than an authorized service agency
- Equipment where the serial number plate has been removed or altered.
- Damage or failure due to improper installation, improper utility connection or supply, and issues resulting from improper ventilation or airflow.
- Defects and damage due to improper maintenance, wear and tear, misuse, abuse, vandalism, or Act of God.
Any action for breach of this warranty must be commenced within 6 months of the date on which the breach occurred. No modification of this warranty, or waiver of its terms, shall be effective unless approved in a writing signed by the parties. The laws of the Commonwealth of Pennsylvania shall govern this warranty and the parties’ rights and duties under it. Galaxy shall not under any circumstances be liable for incidental or consequential damages of any kind, including but no limited to loss of profits.



















