intel Agilex Logic Array Blocks and Adaptive Logic Modules

Intel® Agilex™ LAB and ALM Overview
The logic array block (LAB) is composed of basic building blocks known as adaptive logic modules (ALMs). You can configure the LABs to implement logic functions, arithmetic functions, and register functions.
You can use half of the available LABs in the Intel® Agilex™ devices as memory LABs (MLABs). Certain devices may have a higher MLAB ratio.
The Intel Quartus® Prime software and other supported third-party synthesis tools automatically choose the appropriate mode for common functions such as counters, adders, subtractors, and arithmetic functions.
Intel Hyperflex™ Core Architecture, Intel Agilex Device Overview
Provides more information about Hyper-Registers and the Intel Hyperflex™ core architecture. Hyper-Registers are additional registers available in every interconnect routing segment throughout the core fabric, including the routing segments connected to the LAB inputs and outputs.
Intel Hyperflex™ Register
The Intel Agilex device family is based on the Intel Hyperflex™ core architecture.
The Intel Agilex LAB contains Intel Hyperflex registers and other features designed to facilitate retiming. Intel Hyperflex registers are available in ALMs and carry chains. As shown in the Intel Agilex ALM Connection Details figure, the Intel Hyperflex registers are located on the synchronous clear and clock enable inputs to increase or reduce path delay. All the Intel Hyperflex registers can be enabled and are controlled by the Intel Quartus Prime software during retiming.
Intel Agilex LAB and ALM Architecture and Features
The following sections describe the LAB and ALM for Intel Agilex devices.
LAB
The LABs are configurable logic blocks that consist of a group of logic resources. Each LAB contains dedicated logic for driving control signals to its ALMs. The MLAB is a superset of the LAB and includes all the LAB features. There are a total of 10 ALMs in each LAB, as shown in the Intel Agilex LAB and MLAB Structure figure.
Figure 1.
Intel Agilex LAB Structure and Interconnects Overview
This figure shows an overview of the Intel Agilex LAB and MLAB structure with the LAB interconnects.
Related Information
MLAB on page 6
MLAB
Each MLAB supports a maximum of 640 bits of simple dual-port SRAM. You can configure each ALM in an MLAB as a 32 (depth) x 2 (width) memory block, resulting in a configuration of 32 (depth) x 20 (width) simple dual-port SRAM block.
Figure 2.
Intel Agilex LAB and MLAB Structure
Local and Direct Link Interconnects
Each LAB can drive out 60 ALM outputs. A subset of these can directly drive LAB inputs, but any connection to a different row or column must use at least one general-purpose routing wire.
The local interconnect drives the ALM inputs. ALM outputs, as well as column and row interconnects drive the local interconnect.
Figure 3. Intel Agilex LAB Local and Direct Link Interconnect
Carry Chain Interconnects
There is a dedicated carry chain path between the ALMs. Intel Agilex devices include an enhanced interconnect structure in LABs for routing carry chains for efficient arithmetic functions. These ALM-to-ALM connections bypass the local interconnect.
The Intel Hyperflex registers are added to the carry chain to enable flexible retiming across a chain of LABs and the Intel Quartus Prime Compiler automatically takes advantage of these resources to improve utilization and performance.
Figure 4. Carry Chain Interconnects
LAB Control Signals
There are two clock sources in each LAB control block, which generate two LAB clocks (LABCLK[1:0]) and two delayed LAB clocks (LABCLK_Phi1[1:0]) to drive the ALM registers and Hyper-Registers in the LAB. The LAB supports two unique clock enable signals, as well as additional clear signals, for the ALM registers.
The LAB row clocks [5..0] and LAB local interconnects generate the LAB-wide control signals. A low skew clock network distributes global signals to the row clocks [5..0]. The MultiTrack interconnect consists of continuous, performance-optimized routing lines of different lengths and speeds used for routing efficiency. The Intel Quartus Prime Compiler automatically routes critical design paths on faster interconnects to improve design performance and optimizes the device resources.
Clear Logic Control
LAB-wide signals control the logic for the ALM register’s clear signal. The ALM register directly supports both a synchronous and an asynchronous clear. Each LAB supports one synchronous clear signal and two asynchronous clear signals.
Intel Agilex devices provide a device-wide reset pin (DEV_CLRn) that resets all the registers in the device. You can enable the DEV_CLRn pin in the Intel Quartus Prime software before compilation. The device-wide reset signal overrides all other control signals.
Figure 5. Intel Agilex LAB-Wide Control Signals 
ALM
The following sections cover the ALM resources, ALM output, and ALM operating modes.
ALM Resources
Each ALM contains a variety of LUT-based resources that can be divided between two combinational adaptive LUTs (ALUTs), a two-bits full adder, and four registers.
With up to eight inputs for the two combinational ALUTs, one ALM can implement various combinations of two functions. This adaptability allows an ALM to be completely backward-compatible with four input LUT architectures. One ALM can also implement a subset of eight input functions.
One ALM contains four programmable registers. Each register has the following ports:
- Data in
- Data out
- Normal LAB clock
- Delayed LAB clock
- Clock enable
- Synchronous clear
- Asynchronous clear
Global signals, general-purpose I/O (GPIO) pins, or any internal logic can drive the clock enable signal, clock, and asynchronous or synchronous clear control signals of an ALM register. The clock enable signal has priority over synchronous reset signal.
For combinational functions, the registers are bypassed and the output of the look-up table (LUT) and adders drives directly to the outputs of an ALM. Two fast outputs are available for 6 LUT outputs and bottom 5 LUT outputs to bypass the output mux and connect to another LAB for critical path adjustment.
Figure 6. Intel Agilex ALM High-Level Block Diagram
ALM Output
The general routing outputs in each ALM drive the local, row, and column routing resources. Six ALM outputs, including two fast output paths, can drive column, row, or direct link routing connections.
The LUT, adder, or register output can drive the ALM outputs. Both the LUT or adder and the ALM register can drive out of the ALM simultaneously.
Register packing improves device utilization by allowing unrelated register and combinational logic to be packed into a single ALM. The ALM can also drive out registered and unregistered versions of the LUT or adder output.
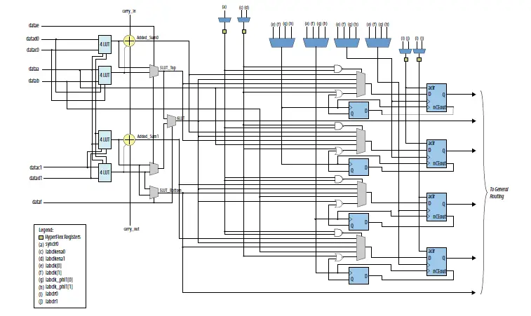
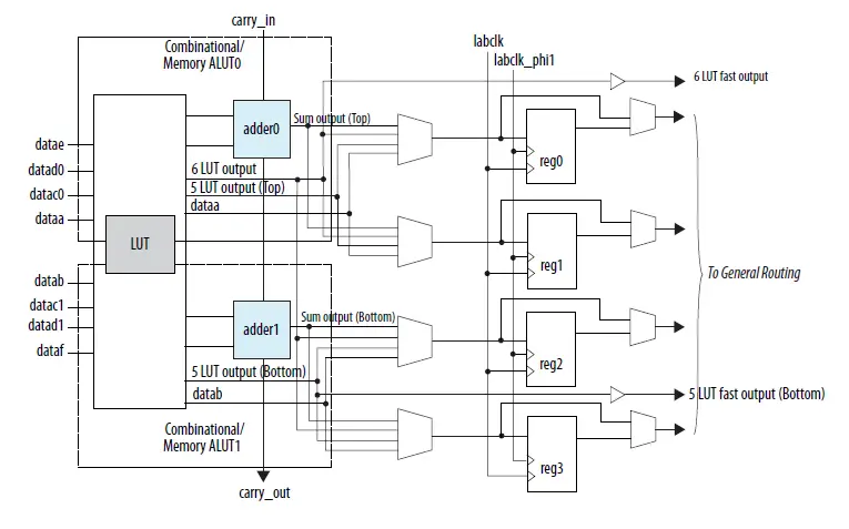
The following figure shows the Intel Agilex ALM connectivity. In the Intel Quartus Prime Resource Property Editor, the entire ALM connection is simplified. Some routings will be routed internally by the Intel Quartus Prime software.
Figure 7. Intel Agilex ALM Connection Details
ALM Operating Modes
The Intel Agilex ALM operates in any of the following modes:
- Normal mode
- Extended LUT mode
- Arithmetic mode
Normal Mode
Normal mode allows two functions to be implemented in one Intel Agilex ALM, or a single function of up to six inputs.
Up to eight data inputs from the LAB local interconnect are inputs to the combinational logic.
The ALM can support certain combinations of completely independent functions and various combinations of functions that have common inputs.
The Intel Quartus Prime Compiler automatically selects the inputs to the LUT. ALMs in normal mode support register packing.
The following figure shows a combination of different input connections for the LUT mode. In your design, the Intel Quartus Prime software may assign different input namings during compilation.
Figure 8. ALM in Normal Mode

Combinations of functions with fewer inputs than those shown are also supported. For example, combinations of functions with the following number of inputs are supported.
- 4 and 3
- 3 and 3
- 3 and 2
- 5 and 2
For the packing of two 5-input functions into one ALM, the functions must have at least two common inputs. The common inputs are dataa and datab. The combination of a 4-input function with a 5-input function requires one common input (either dataa or datab).
In a sparsely used device, functions that could be placed in one ALM may be implemented in separate ALMs by the Intel Quartus Prime software to achieve the best possible performance. As a device begins to fill up, the Intel Quartus Prime software automatically uses the full potential of the Intel Agilex ALM. The Intel Quartus Prime Compiler automatically searches for functions using common inputs or completely independent functions to be placed in one ALM to make efficient use of device resources. In addition, you can manually control resource use by setting location assignments.
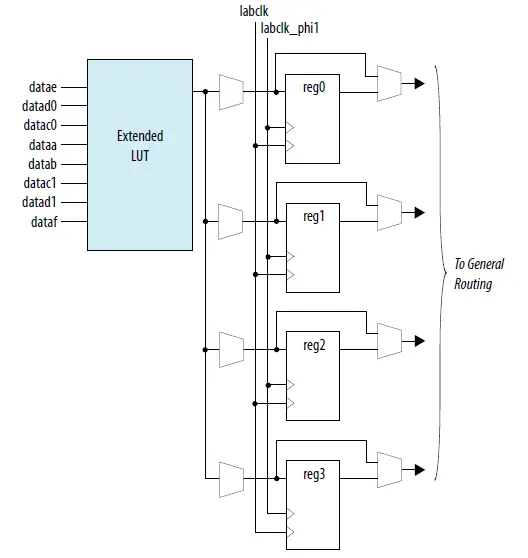
Figure 9. 6-Input LUT Mode Function in Normal Mode
Figure 10. 3-Input LUT Mode Function in Normal Mode
data and data b are available for register packing.
You can implement any three to six input function using the following inputs:
- datae
- datad0
- datac0
- datac1
- datad1
- dataf
- dataa and datab—whereby dataa and datab are shared across both LUTs to provide flexibility to implement a different function in each LUT.
Both dataa and datab inputs support the register packing feature. If you enable the register packing feature, both dataa and datab inputs or either one of the inputs bypass the LUT and directly feed into the register, depending on the packed register mode used. For Intel Agilex devices, the following types of packed register modes are supported:
- 5-input LUT with 1 packed register path
- 5-input LUT with 2 packed register paths
- Two 3-input LUTs with 2 packed register paths
The 3-input LUT with 2 packed register paths is illustrated in the 3-Input LUT Mode Function in Normal Mode figure. For Intel Agilex devices, the 6-input LUT mode does not support the register packing feature.
Extended LUT Mode
Figure 11. Supported 8-Input Functions in the Extended LUT Mode

Certain 8-input functions can be implemented in a single ALM using all the LUT inputs:
- datae
- datad0
- datac0
- dataa
- datab
- datac1
- datad1
- dataf
In the 8-input extended LUT mode, the packed register mode is supported, provided that the packed register shares a dataa or datab input with the 8-input LUT.
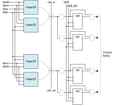
Arithmetic Mode
The ALM in arithmetic mode uses two sets of two 4-input LUTs along with two dedicated full adders. The dedicated adders allow the LUTs to perform pre-adder logic. Therefore, each adder can add the output of two 4-input functions.
Arithmetic mode also offers clock enable, counter enable, synchronous up and down control, add and subtract control, and synchronous clear.
The clear and clock enable options are LAB-wide signals that affect all registers in the LAB. You can individually disable or enable these signals for each pair of registers in an adaptive LUT (ALUT). The Intel Quartus Prime software automatically places any registers that are not used by the counter into other LABs.
Figure 12. Intel Agilex ALM in Arithmetic Mode
Carry Chain
The carry chain provides a fast carry function between the dedicated adders in the arithmetic mode.
The 2-bit carry select feature in Intel Agilex devices splits the propagation delay of carry chains with the ALM. Carry chains can begin in either the first ALM or the sixth ALM in a LAB. The final carry-out signal is routed to an ALM, where it is fed to local, row, or column interconnects.
Document Revision History for the Intel Agilex Logic Array Blocks and Adaptive Logic Modules User Guide
| Document Version | Changes |
| 2022.05.24 | Updated Figure: Intel Agilex ALM High-Level Block Diagram. |
| 2019.11.14 | Updated the description in the LAB Control Signals section. |
| 2019.10.01 |
|
| 2019.04.02 | Initial release. |
Intel Corporation.
All rights reserved. Intel, the Intel logo, and other Intel marks are trademarks of Intel Corporation or its subsidiaries. Intel warrants performance of its FPGA and semiconductor products to current specifications in accordance with Intel’s standard warranty, but reserves the right to make changes to any products and services at any time without notice. Intel assumes no responsibility or liability arising out of the application or use of any information, product, or service described herein except as expressly agreed to in writing by Intel. Intel customers are advised to obtain the latest version of device specifications before relying on any published information and before placing orders for products or services.
*Other names and brands may be claimed as the property of others.
ISO
9001:2015
Registered


















