LUMASCAPE LS9050 Linealux L5 Generation 2 Installation Guide
Please read and follow all safety instructions carefully. Failure to do so will void warranty.
WARNING – Product Warranty is void if product is not installed as per installation instructions and in compliance with all local and provincial codes.
- Ensure installation complies with local electrical rules and regulations.
- All electrical work must be performed by a licensed electrician.
- Protective earth; protective ground (symbol 7).
- For LED Options 2,700K, 3,000K, Red, Green, Blue, RGBA, RGBW, Tunable White: This product contains a light source of energy efficiency class G.
- For LED Options 3,500K, 4,000K, 5,000K: This product contains a light source of energy efficiency class F.
- All luminaires may become hot. Use discretion on where the luminaire is mounted. Take care when setting luminaire as it may become hot.
- Luminaire should only be used complete with protective shield. If protective shield is cracked, immediately stop using luminaire. Isolate light source, keep it dry and immediately contact Lumascape for replacement of protective shield (symbol 10).
- If the external flexible cable or cord of this luminaire is damaged, it shall be exclusively replaced by Lumascape or their service agent in order to avoid a hazard.
- The light source contained in this luminaire shall only be replaced Lumascape or their service agent.
- Do not stare at the operating light source. The luminaire should be positioned so that prolonged staring into the luminaire at a distance closer than 66′ (20 m) is not expected (symbol 13)
- Basic insulation has been maintained between line voltage and the control conductors.
- To reduce the risk of strangulation, the flexible wiring connected to this luminaire shall beeffectively fixed to the wall if the wiring is within arm’s reach.
- Ensure mains input power is surge protected.
- Never make or break connections while the circuit is energized.
- Do not make modifications or alter the product.
- Keep luminaire clean and free of debris.
- Only clean with warm water.
- Do not use chemicals or abrasives to clean luminaire as this may void the product warranty.
- Connections are to be kept clean and dry
Tools Required
Included Components
- Instructions

- Luminaire

- Adjustable Bracket Fixed Bracket

Legend Key:

CAUTION Risk of Electric Shock
- Do Not Use Power Tools on Screws

- Keep Electronics Free From Dirt and Moisture

- Keep Away from Flammable Materials

- Do Not Hose or Pressure Clean

- Do Not Use Silicone On Outside Surface

- Do Not Cut Cable to the Luminaire

Assembly Instructions

OR






Optional Lanyard (Not Supplied)

Asymmetric Optics

Wiring Designations
PowerSync (4-Core) –International
| Designation | Color |
| Line | Brown |
| Neutral | Blue |
| Earth | Green / Yellow |
| Data | Black |
Do not Hi-Pot test
PowerSync (4-Core) – North America
| Designation | Color |
| Line | Black |
| Neutral | White |
| Earth | Green / Yellow |
| Data | Grey or Red |
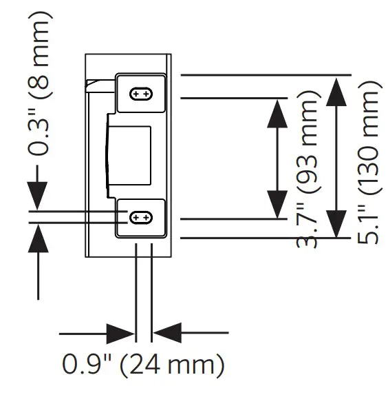
Dimensions

- Fixed Bracket


- Adjustable Bracket


Luminaire Rotation

- MODEL: LS9050
- PART NUMBER: LS9050 – xxx xxx xx xx x x 01 xx xx xxx
LS9050 – xxx xxx xx xx x x 09 xx xx xxx - INSTALLATION TYPE: LINEAR FACADE
- IP RATING: IP66/67 (Passes IP68 Test)
- SUPPLY VOLTAGE: 220-240 ~Vac, 50 Hz
120/277 ~Vac, 60 Hz - INSTRUCTIONS COVER: POWERSYNC
- DIMENSIONS (LxWxH): As per included drawings
- WEIGHT: 15.4 lbs (7.0 kg) for 4 ft section
- MAX. PROJECTED AREA: 0.6 ft² (0.08 m²) for 4 ft section









































