

![]()

ROPOX Toilet lifter Manual
User manual
This manual should always be in close proximity of the product
TF 200.09.0005_ENG / Date 05-10-2022
Symbols used in this manual
Warning!
Indication of potentially hazardous situation. If not avoided, it can result in serious injury or death.
Caution!
Indication of potentially hazardous situation which may result in minor or moderate injury.
It may also be used to alert against unsafe practices.
Notification!
This symbol is used to notify correct use and handling of the product.
General safety
This manual must be read and understood before use and installation. Always keep this manual in close proximity of the product.
The use, installation and service of this product must be in compliance with this manual to avoid accidents and serious personal injury.
Never use or handle this product in other ways specified in this manual as it can result in personal safety hazards and/or cause damage to the product.
Persons installing and/or using this product either as operator or user should have the necessary safety information and access to this manual.
Do not perform repairs, disassembly or assembly operations, add-ons, re-adjustments, or modification of the product beyond what is described in this manual. These must be carried out by Ropox or Ropox authorized personnel. Do not perform service while in use.
This appliance can be used by children aged from 8 years and above and persons with reduced physical, sensory, or mental capabilities or lack of experience and knowledge if
they have been given supervision or instruction concerning use of the appliance in a safe way and understand the hazards involved. Children shall not play with the appliance.
Do not use the product if it has defects or have become damaged before being repaired or replaced.
Make sure cables are undamaged.
The information in this manual is based on correct installation in accordance with installation instructions for this product.
Ropox cannot be held liable if the product is used in any way that differs from stated in this manual and/or installation instruction.
Ropox reserve the right to amend this manual and reference documents without prior notice.
2.1 Product Unit label

| This product is UKCA-marked in accordance with: UK SI 2002 No. 618 – The Medical Devices Regulations 2002, and its amendments UK SI 2008 No. 1597 – The Supply of Machinery (Safety) Regulations 2008, and its amendments | |
| This product is CE-marked in accordance with: European Medical Device Regulation (EU)2017/745 |
| Manufacturer name and address |
| Date of production |
| Stock number |
| Serial number |
| Consult manual for important safety related information, warnings, and safety precautions |
| Do not dispose as unsorted municipal waste. Product must be returned to a designated recycling station |
| Operating and storing temperatures may not exceed 5-40°C |
| Consult the instructions for use |
General requirements
3.1 Product information
| Manufacturer | Ropox A/S Ringstedgade 221, DK-4700 Naestved +45 55 75 05 00 Email: [email protected] | ||
| Product models | Part number | Model | Configuration |
| 40-45026 40-46026 | Toilet lifter Manual Toilet lifter Manual | Floor drain Wall drain | |
| Expected service life | 5 years | ||
| MDR Class 2017/745 | Class I | ||
| Intended environments | This product is to be used only in: Professional Healthcare Environment Homecare Environment | ||
| Maximum user weight according to ISO 17966:2016 | 400kg | ||
| Height adjustment | 400-620mm | ||
| Ambient temperature range | -10 °C to +50 °C Transport and storage +5 °C to +40 °C Operation | ||
| Relative humidity | 20% to 80% – non-condensing | ||
| Materials in contact with patient | Component Covers | Material description ABS/PMMA plastic | |
| Accessories | |
| Item nr. | Model |
| 40-45011 | Height adjustable toiletsupports, Short straight |
| 40-45012 | Height adjustable toiletsupports, Long straight |
| 40-45013 | Height adjustable toiletsupports, Short Wave |
| 40-45014 | Height adjustable toiletsupports, Long Wave |
| 40-45015 | Height adjustable toiletsupports, Bariatric Short straight |
| 40-45016 | Height adjustable toiletsupports, Bariatric Long straight |
| 40-45018 | Height adjustable toiletsupports, Bariatric Long Wave |
| 40-45008 | Clamps, for height adjustment without tools |
| 40-45100 | Backrest long (70cm Toilet) |
| 40-45101 | Backrest short (56cm Toilet) |
| 40-44070 | Wall hung toilet, 56cm |
| 40-44071 | Wall hung toilet, 70cm |
| 40-44074 | Toilet seat w/o lid |
| 40-44075 | Toilet seat w/ lid |
| 40-44276 | Svancare Bidet Elegant |
3.2 Product description
The ROPOX manual toilet lifter can be set in heights ranging from 400-620mm by the use of a crank handle.
This can be done on either side of the toilet lifter if space is limited. Height adjustment will meet different sitting height needs from various patient heights.
3.3 Intended use
The ROPOX height adjustable toilet lifter is intended to be used in both homecare and professional healthcare environments. Adjusting the height will meet ergonomic demands emerging from various patient heights.
The toilet lifter is not intended for playing, or as a training device.
3.4 Intended operator
The intended operator may include all that have read and understood this manual exempt kids.
3.5 Essential performance
The device does not have any function related to basic safety or essential performance. In case of loss or degradation of performance, the user can get of the toilet.
3.6 Non-clinical functions
Height adjusting offers better ergonomics to user and caretaker.
3.7 Clinical functions
This product does not offer clinical benefits for patients, when used as intended by the manufacturer.
3.8 Product dimensions

Instructions for use
4.1 Installation of product
The following instructions describe how to assemble and mount the toilet lifter, as well as optimal placement of water and drain, based on whether the toilet lifter with floor drain or wall drain has been purchased.
4.1.1 Installation interface for water
It is recommended to always place the water connection as shown below. In case of deviations, it’s recommended to place the water within the hatched area.

4.1.2 Installation interface for floor drain
For 40-45026
For the toilet lifter with a floor drain, it’s recommended to place the drain within the hatched area, not deviating further than the shown tolerances. This ensures the best flushing. The drain can be raised up40mm, so as to live up to Säker Vatten.

4.1.3 Installation interface for wall drain
For 40-46026
For the toilet lifter with a wall drain, it’s recommended to place the drain within the hatched area, not deviating further than the shown tolerances. This ensures the best flushing.


4.1.4 Construction

Note!
The toilet lifter is supplied with a set of 6 screws and rawlplugs suitable for mounting in a concrete wall. The fitter should always consider the material, condition, and strength of the wall and use screws and rawlplugs suitable for the specific wall type.
Caution!
Maximum pulling force per screw is 44kg, at 400kg max user weight according to ISO 17966: 2016
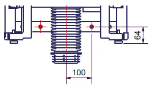
4.1.5 Mounting the product

a. Line up frame with adjustment screws. Mark out 6 holes and drill holes for appropriate rawlplugs. Ensure that the center of the bottom 2 holes is at least 64mm above the floor
b. Connect water hose on wall outlet and electric outlet before securing frame to the wall
c. Secure frame to wall

d1. For 40-45026
If drain is in floor, mount the drain bellow as instructed below. The examples given below to the left, are configurations that will work, but as a general rule, the installation interface in 4.1.2 should be followed.


Mount the bellow as shown below for correct flow
d2. For 40-46026
If drain is in wall, mount the drain bellow in wall drain, mount the accompanying brackets on the wall, so that the toilet flange is held in place.




Rigidity test, sit on the toilet and check screw connections are firm.- Check that full travel of the product goes unhindered.
- Check flushing and leaks.
4.2 Operating the product
Adjusting the height is done by turning the crank.

Warning!
The product should always be able to travel the full range of actuation without colliding with objects. Failing to do so will compromise the product stability. Special care should be taken in ensuring that no children or adults are sited under the product as severe injury from entrapment may occur.
4.3 Residual risks
Be aware that there may be no person or body parts under the toilet when it is driven down, as it is a crushing hazard. |
|
Do not place your hand/fingers between the wall and the movable cover, as you risk crushing your hand/fingers. |
|
In case of incorrect installation of plumbing parts, water leaks can occur on the floor, which may increase the risk of falling. |
|
4.4 Installation of accessories
4.4.1 Installation of height adjustable toilet support arms
a. Attach housing to the profile with 3x M6x12 and 1x M6x16. Use a locking nut on M6x16.

b. Make sure that the plastic cover is pressed as far onto the frame as possible.
Mount 2x M6 buttonhead screws in the back holes on both sides.
Leave 5mm of clearance between underside of screw head to the plastic cover.

c. Slide the assembly onto the two screw heads and attach the assembly with the two M6x30 as shown.
If need be, the two M6x30 can be loosened, and the support arms can be adjusted in height to better fit the user. The screws must be fastened after adjustment.

d. Test the toilet support arms in the horizontal direction. If they can twist significantly, dismount the assembly and leave <5mm between the underside of the screw head to the plastic cover. There should be no clearance between the aluminum bracket and plastic cover. Adjust until the support arms are properly fastened.

4.4.2 Installation of backrest
If Ropox Back Support long is ordered together with Ropox Toilet Lifter, there will be pre-drilled holes in the cover cap. If the back support is ordered later for subsequent mounting, new holes must be drilled. Please see the dimension drawing for the location of holes.
Two M5x16 are used.


4.4.3 Installation of bidet
To mount Svancare Bidet Elegant, see TF 200.01.0025.

Cleaning
Cleaning can be done with lukewarm water and a suitable all-purpose cleaning agent. Use a cloth or soft sponge to wash the product. Dry the product with a wrung cloth.
Notification!
Do not use cleaning agents containing abrasive e.g. scouring powder, steel wool, scouring sponge.
This product is not designed to be sterilized. Autoclaving and sterilization beyond normal means may change the product safety and function.
5.1 Preapproved cleaning products
| Tradename | Solution |
| Acticlor plus | 1000ppm |
| S90 sanirens | 1-3% peracid |
| FUTUR, Alkalisk rens | 1% Solution [pH 9,5] |
Maintenance
Notification!
Failing to comply with periodic maintenance may result in degradation of the product function and safety.
6.1 Periodic maintenance
| Component | Maintenance activity | Maintenance interval | Registration date of maintenance |
| Geberit Sigma 12 cistern | Descaling / change of worn components | 6-12 months dependent on calcium content in water |
6.2 Maintenance of pipes and hoses
If need be, it’s possible to open the lower cover plate, by taking the lifter to the highest position, and sliding the service hatch up. Never attempt to service the toilet lifter while adjusting the height.

Component parts list
Notification!
Ropox will make parts list available for extraordinary maintenance and repair beyond what is described in this manual. Repair beyond what is described in this manual may only be done by Ropox designated service personnel.
Environmental protection
The product is not intended to be disposed as municipal waste. Proper disassembly, sorting and disposal of components must be done by waste disposal professionals.
| Part | Disposal recommendation |
| Frame | Steel |
| Cistern | Hard plastic Polystyrene |
| Covers | Hard plastic (ABS/PMMA) |
| Height adjustable toilet support arms | Steel |
Accident reporting
The manufacturer of this product recommends any accident with this product that meets all the following
criteria reported to the appropriate authority as well as to the manufacturer.
- There has been or could have been an accident
- The medical device is considered to be a contributing factor to the case, and
- The event resulted or could have resulted in one of the following outcomes:
• Death – a patient, a user or a third party’s death
• A serious deterioration of a patient’s health, a user’s health or a third party’s health status in the form of:
o a. Life-threatening disease
o b. Lasting damage or injury
o c. Necessary medical or surgical treatment to divert life-threatening illness, permanent injury
o d. Fetal death, fetal injury, or congenital abnormalities




















