Ruffneck CX1 ProVector Series Explosion Proof Convection Heater

Model Coding

Approved Locations
Electric convection air heaters are cULus listed for the following hazardous locations:
- (without built-in thermostat)
- Class I, Div. 1 & 2, Groups A, B, C & D
- Class I, Zones 1 & 2, Groups IIA, IIB, IIC
- Temperature Code T2A 536°F (280°C),
- T3 392°F (200°C)
- (with built-in thermostat)
- Class I, Div. 1 & 2, Groups A, B, C & D
- Class I, Zones 1 & 2, Groups IIA, IIB, IIC
- Temperature Code T2A 536°F (280°C), T3 392°F (200°C)
For details of hazardous locations with potential for explosion, refer to the Canadian Electrical Code, Part 1, Section 18 or National Electrical Code Articles 500 – 516.
HEATER MAINTENANCE CHECKLIST
WARNING.
- Disconnect heater from the power supply before opening enclosures or servicing heater.
- Lock the switch in the “OFF” (open) position and/or tag the switch to prevent unexpected power application. For heaters marked “IIC”, ensure to loosen the setscrew before removing the cover.
- This heater should only be serviced by personnel with heating and hazardous location equipment experience.
- Periodic (before and as required during heating season)
- Clean
- … Finned Tubes
- … Cabinet top and below unit
- … Remove dust using compressed air. Do not spray with water or solvents. Do not immerse in water or solvents
- Check
… All explosion-proof covers for tightness
- Clean
- Annual
- Mechanical Check
- Check all enclosures. Inside of enclosures must be clean, dry, and free of foreign materials.
- Enclosure joints are metal to metal. Do not use gasket material or sealant in joints.
- … Check the tightness of all hardware. All nuts and bolts must be tight.
- … Turn heater on for a minimum of five minutes.
- Check for warm air exiting heater through top vents.
- Electrical Check
- Check all terminal connections and conductors.
- Tighten loose connections. Conductors with damaged insulation must be replaced.
- Check all explosion-proof conduits. Replace damaged conduits, unions, and plugs. Ensure 5 turns of engagement on all threaded connections.
- Mechanical Check
IMPORTANT NOTICES
WARNING. Read and adhere to the following installation instructions. Failure to do so may result in severe or fatal injury and/or possible voiding of the warranty.
- Read and follow all instructions in this manual.
- Heater is to be used only in atmospheres having an ignition temperature higher than the heater’s maximum rated operating temperature, as shown on the heater data plate. Refer to applicable electrical codes for additional information.
- Heater to be used only in the hazardous locations indicated on the heater data plate.
- Heater is for dry, indoor use only. Do not immerse in water. Do not store or use in areas exposed to rain or snow.
- Maximum ambient operating temperature 104°F (40°C).
- Heater is to be connected and serviced only by a qualified electrician experienced with hazardous location equipment.
- Installation and wiring of the heater must adhere to all applicable codes.
- Before opening any enclosures, disconnect the heater from the power supply. Lock the switch in the “OFF” (open) position and/or tag the switch to prevent unexpected power application.
- External surfaces get hot and can cause burns with prolonged contact.
- Operate the heater only while it is permanently mounted in an upright position. Refer to the C.1 Mechanical, page 4 for details.
- Heater must be kept clean. When operating in a dirty environment, regularly clean the finned tubes, top vents, and keep bottom opening free of obstructions. Follow the recommended maintenance procedures. Refer Section A. Heater Maintenance Checklist, page 3 for details.
- Do not operate the heater in atmosphere corrosive to steel or aluminum.
- Use factory approved replacement parts only.
- Conduit seals are not required in the heater’s factory installed conduits.
- A conduit seal is required within 6″ (153 mm) of field entries.
- If there are any questions or concerns regarding the heater, contact the factory. Refer to the last page of this manual for details.
INSTALLATION
All applicable codes must be adhered to. For optimum heating, the heater should be installed as follows:
Mechanical
- Location
- The air discharge is not directed at a thermostat.
- The air discharge is across areas of heat loss, such as windows.
- If equipment freeze protection is of importance, locate heater as close to equipment as possible.
- Mounting
- Heater must be mounted level on a vertical surface using the factory supplied mounting brackets such that there are no obstructions to impede air inlet or discharge.
- The mounting surface must be strong enough to:
- Support the heater’s weight, refer to Section D. Specifications, page 8.
- Withstand abusive situations such as transportable installations of the heater.
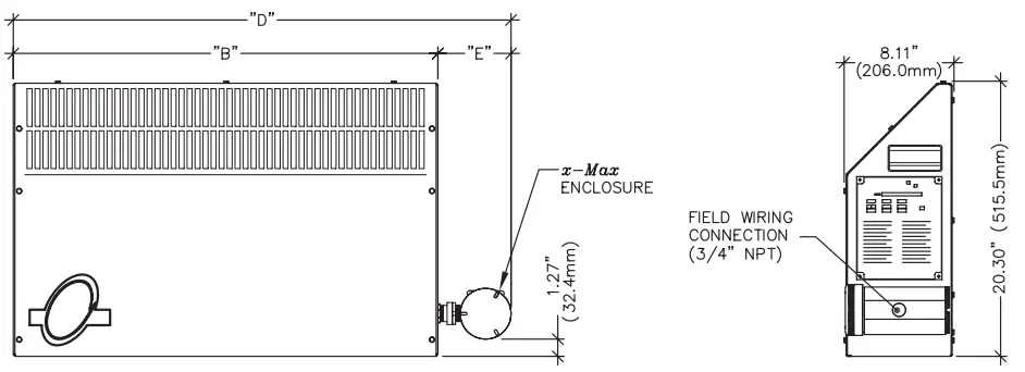
- Secure mounting brackets to vertical surface with the top mounting hole 1.5″ (38 mm) below the desired top surface height (Figure 1, page 4). Refer to Figure 3, page 5, Figure 4 and Figure 5, page 4 for physical dimensions and Figure 5, page 6 for required installation clearances. Mounting brackets are to be spaced to match the slots in the rear panel of heater cabinet.
- After mounting brackets are secured, tilt the heater and lower it onto the top tabs of the mounting bracket such that the tabs go into the mounting slots on the rear panel of the heater cabinet (Figure 2, page 5)

- Carefully swing the bottom of the heater into the mounting brackets so that it is resting on the bottom tab (Figure 2, page 5).
- Insert the securing screw through the bottom mounting bracket tab and into the cabinet to keep the heater from dislodging from the mounting bracket (Figure 2, page 5).
- Caution: Use fasteners with yield stress greater than or equal to 58 ksi (400 MPa).

Physical Dimensions

|
Heater kW Rating | ‘A’ Dimension | ‘B’ Dimension | ‘C’ Dimension | |||||||
| w/o Extension | w/ Extension | w/o Extension | w/ Extension | |||||||
| in | mm | in | mm | in | mm | in | mm | in | mm | |
| 0.75 to 2.69 & 3.6 (T2A) | 36.9 | 938 | 39.0 | 991 | 31.34 | 796 |
5.6 |
142 |
7.7 |
195 |
| 3.01 to 3.59, 3.6 (T3) & 4.8 | 55.0 | 1398 | 57.1 | 1451 | 49.45 | 1256 | ||||
| 4.76, 5.28 to 7.6* | 65.1 | 1653 | 67.2 | 1706 | 59.49 | 1511 | ||||
| 3.13, 3.47, 3.74, 5.0, 6.26, 6.94, 7.47 & 10.0 | 77.4 | 1965 | 79.4 | 2018 | 71.78 | 1823 | ||||

|
Heater kW Rating | ‘D’ Dimension | ‘B’ Dimension | ‘E’ Dimension | |||||||||||
| 1Ø w/o Extension | 1Ø* w/ Extension | 3Ø Units | w/o Extension | w/ Extension | 3Ø Units | |||||||||
| in | mm | in | mm | in | mm | in | mm | in | mm | in | mm | in | mm | |
| 0.75 to 2.69 & 3.6 (T2A) | 37.6 | 954 | 39.6 | 1007 | 38.3 | 973 | 31.34 | 796 |
6.2 |
158 |
8.3 |
211 |
7.0 |
177 |
| 3.01 to 3.59, 3.6 (T3) & 4.8 | 55.7 | 1414 | 57.8 | 1467 | 56.4 | 1433 | 49.45 | 1256 | ||||||
| 4.76, 5.28 to 7.6* | 65.7 | 1669 | 67.8 | 1722 | 66.5 | 1688 | 59.49 | 1511 | ||||||
| 3.13, 3.47, 3.74, 5.0, 6.26, 6.94, 7.47 & 10.0 | 78.0 | 1981 | 80.1 | 2034 | 78.7 | 2000 | 71.78 | 1823 | ||||||
Installation Clearances

Electrical
WARNING.
- Disconnect the power supply before installation of the heater.
- Lock the switch in the “OFF” (open) position and/ or tag the switch to prevent unexpected power application.
- For heaters marked “IIC”, insure to loosen the setscrew before removing the cover. Installation and wiring of the heater must adhere to all applicable codes.
- General
- Use only copper conductors and approved explosion-proof wiring methods during installation. Refer to the Section H.1 1-Phase, page 12 and Section H.2 3-Phase, page 14, or heater data plate for the voltage, amperage and wattage ratings when sizing for the appropriate conductors. All supply conductors should be rated for operating at temperatures up to 194°F (90°C).
- Supply voltage must be within 10% of the data plate rating. External over-current protection is required and must meet data plate ratings for voltage, amperage and frequency.
- Field Wiring
Heater has been supplied with an enclosure that has a 3/4″ NPT or 1″ NPT threaded opening to accommodate the line conductors (see Figure 3, page 5 to for connection details). Use wire connectors rated for minimum 194°F (90°C).
NOTE: If remote thermostats other than the factory supplied are used, ensure that they will not allow the room temperature to exceed ambient temperature limitations of the heater (104°F/40°C) and are suitable for the area’s hazardous atmosphere classification. When using any control devices, ensure that the voltage and amperage ratings match the heater’s electrical ratings. If not, a contactor may be required. - Final Inspection
- Before application of electrical power:
- Check that all connections are secured and comply with the wiring diagram (see Figure 6 and Figure 7, page 7 and applicable code requirements,
- Confirm that the supply voltage and phase is compatible with the data plate specifications,
- Remove any foreign objects from the heater, and
- Ensure all external fittings and enclosure covers are secured.

- Before application of electrical power:
SPECIFICATIONS
| Nominal kW | |||||
| 0.75 – 2.69 & 3.6 (T2A) | 3.01, 3.33, 3.59, 3.6 (T3), 4.8 | 4.76, 5.28, 5.68, 7.6 | 3.13, 3.47, 3.74, 5.0, 6.26, 6.94, 7.47, 10.0 | ||
| Cabinet Length | in | 31.3 | 49.4 | 59.5 | 71.8 |
| mm | 796 | 1256 | 1511 | 1823 | |
| Net Weight | lbs | 55.3 | 80.7 | 92.8 | 117 |
| kg | 25.1 | 36.6 | 42.1 | 53.2 | |
| Shipping Weight | lbs | 65 | 95 | 105 | 142 |
| kg | 30 | 44 | 47.6 | 65.5 | |
Specifications for Models
- Hazardous Locations
- Without Built-in T’Stat*
Class I, Div. 1 & 2, Groups B, C, & D; Zones 1 & 2, Groups IIA, IIB + H2 (Defender® Housing)or, Class I, Div. 1 & 2, Groups A, B, C, & D, Groups IIA, IIB, IIC (x-Max®) - With Built-in T’Stat*
Class I, Div. 1 & 2, Groups C, & D, Zones 1 & 2, Groups IIA, IIB (Defender® Housing) or, Class I, Div. 1 & 2, Groups A, B, C, D, Zones 1 & 2, Groups IIA, IIB. IIC ( x-Max® housing)
- Without Built-in T’Stat*
- Enclosures
- Defender® housing is cast aluminum with bolt on cover, Groups IIB. x-Max® housing is extruded aluminum with two screwed on covers. The x-Max® housing offers IP55 moisture ingress protection, Groups IIC.
- For dry indoor use only.
- Do not immerse in water. Do not store or use in areas exposed to rain or snow.
- Mounting Brackets
Two 14 Ga. (0.075 in) (1.90 mm) galvanized steel. - Heating Elements
Incoloy® sheathed elements. - Cabinet Material
14 Ga. steel. Rear panel is galvanized. Front and side panels are baked greengrey epoxy powder coated with five-stage pretreatment, including iron phosphate. - Temperature
Code Rating T2A 536°F (280°C), T3 392°F (200°C) - Temperature Limitations
- Operational: -49°F to 104°F
- Storage: -49°F to 176°F
*Hazardous location ratings are dependant on the junction box used.
Please consult a customer service representative or the unit data plate for actual location ratings.
PARTS DIAGRAM

1-Phase Wiring
3-Phase Wiring
PARTS LIST
Please have model and serial number available before calling.
| Item No. |
Description | Cabinet Length | |||||||
| 31.5″ (796 mm) | 49.4″ (1256 mm) | 59.5″ (1511 mm) | 71.78″ (1823 mm) | ||||||
| Part No. | Qty. | Part No. | Qty. | Part No. | Qty. | Part No. | Qty. | ||
| 1 | Panel, Front | 6488 | 1 | 6493 | 1 | 6490 | 1 | 12305 | 1 |
| 2 | Panel, Back | 6487 | 1 | 6494 | 1 | 6489 | 1 | 12306 | 1 |
| 3 | Panel, Right – 1Ø units | 6491 | 1 | 6491 | 1 | 6491 | 1 | 6491 | 1 |
| Panel, Right – 3Ø units | 12304 | 1 | 12304 | 1 | 12304 | 1 | 12304 | 1 | |
| 4 | Panel, Left | 6492 | 1 | 6492 | 1 | 6492 | 1 | 6492 | 1 |
| 5 | Bracket, Finned Tube – 1Ø units | 6485 | 1 | 6485 | 1 | 6485 | 1 | 6485 | 1 |
| Bracket, Finned Tube – 3Ø units | 12303 | 1 | 12303 | 1 | 12303 | 1 | 12303 | 1 | |
| 6 | Kit, Wall Mounting | 6602 | 1 | 6602 | 1 | 6602 | 1 | 6602 | 1 |
| 7 | Finned Tube Assy c/w Element | * | 2 | * | 2 | * | 2 | * | 2 |
| 8 | Nut, 3/4 Alum. Lock – 1Ø units | 6449 | 4 | 6449 | 4 | 6449 | 4 | 6449 | 4 |
| Nut, 1″ NPT Lock – 3Ø units | 12676 | 4 | 12676 | 4 | 12676 | 4 | 12676 | 4 | |
|
9 | Union, 3/4 NPT Male/Female – 1Ø units | 6506 | 4 | 6506 | 4 | 6506 | 4 | 6506 | 4 |
| Union, 1″ NPT Female/Female – 3Ø units | 12677 | 2 | 12677 | 2 | 12677 | 2 | 12677 | 2 | |
| Union, 1″ NPT Male/Female – 3Ø units | 12787 | 2 | 12787 | 2 | 12787 | 2 | 12787 | 2 | |
| 10 | Conduit, Element | 6497 | 1 | 6497 | 1 | 6497 | 1 | 6497 | 1 |
| 11 | Plug, 3/4 Ex-Proof | 1443 | 2 | 1443 | 2 | 1443 | 2 | 1443 | 2 |
| 12 | Kit, Group B, (IIB +H2) Enclosure | 6604 | 1 | 6604 | 1 | 6604 | 1 | 6604 | 1 |
| 13 | Enclosure, Convector | 6211 | 1 | 6211 | 1 | 6211 | 1 | 6211 | 1 |
| 14 | Kit, Built-in XCT T’Stat – 1Ø units | 6603 | 1 | 6603 | 1 | 6603 | 1 | 6603 | 1 |
| 15 | Wire Connector, 302°F (150°C) | ** | |||||||
| 16 | Screw, 10-24 x 1/2 in. Thd Ct | 4972 | 20 | 4972 | 21 | 4972 | 22 | 4972 | 24 |
| 17 | Fork Connector, 12-10GA #10 | 2088 | 2 | 2088 | 2 | 2088 | 2 | 2088 | 2 |
| 18 | Wire Connector, 572°F (300°C) | 6529 | + | 6529 | + | 6529 | + | 6529 | + |
| 19 | Tube Extension – 1Ø units | 7202 | 2 | 7202 | 2 | 7202 | 2 | 7202 | 2 |
| 20 | Kit, Built-in XT T’Stat – 1Ø units | 11773 | 1 | 11773 | 1 | 11773 | 1 | 11773 | 1 |
| 21 | Kit, Built-in XT T’Stat – 3Ø units | 13728 | 1 | 13728 | 1 | 13728 | 1 | 13728 | 1 |
| 22 | Reducer Bushing – 3Ø units | 12679 | 2 | 12679 | 2 | 12679 | 2 | 12679 | 2 |
| 23 | Nipple – 3Ø units | 12678 | 2 | 12678 | 2 | 12678 | 2 | 12678 | 2 |
| 24 | Reducer, 3/4 x 1″ Male/Female | 12867 | 2 | 12867 | 2 | 12867 | 2 | 12867 | 2 |
NOTE:
- Contact factory for replacement finned tube kits.
- Customer supplied. Quantity varies: 1 for built-in T’stat option; 2 for remote T’stat option.
+ Quantity varies: 1 for 1Ø, 2 for 3Ø
REPAIR & REPLACEMENT
WARNING. Disconnect the power supply before installation of the heater. Lock the switch in the “OFF” (open) position and/or tag the switch to prevent unexpected power application. Heater surfaces may be hot.
- Finned Tube/Element Assembly
A complete finned tube assembly is available from the factory. Refer to Section E. Parts Diagram, page 9 for item numbers.- Remove the front cabinet panel (Item #1).
- Remove convector enclosure’s cover and disconnect wires.
- De-couple two unions (Item #9) connecting convector enclosure and finned tube extrusion (Item #7).
- Remove the front 3/4″ NPT plug (Item #11) from element conduit (Item #10) and then pull out wire connector and disconnect the wires.
- De-couple remaining two unions and remove element conduit.
- Remove union halves and lock-nut (Item #8) from ends of each finned tube requiring replacement and set aside for re-use on new factory supplied finned/element assemblies.
- Remove bolts from lower tabs of wall mount brackets (Item #6), remove heater from wall mount brackets, and loosen the bolts from the finned tube bracket (Item #5).
- Remove the damaged finned tube/element assemblies and install replacements.
- Re-assemble heater using the reverse order of the preceding instructions.
IMPORTANT: All threaded connections must be wrench tight with a minimum of 5 turns engagement.
- Cabinet Panels and Brackets
Replacement cabinet panels and brackets are available from the factory.
NOTE: For purposes of safety and convenience, all repairs and maintenance must be done with factory authorized parts and materials
CX1 TECHNICAL DATA
1-Phase


Notes
- Or equivalent breaker as per local electrical inspection authority requirements.
- For 3.6 kW heaters rated T3 cabinet length is 49.5″ (1256 mm). 3.6 kW heaters rated T2A cabinet length is 31.3″ (796 mm).
- Ensure supply wire size adheres to applicable local and national electrical codes.
- Heater is functioning normally if, at rated voltage, the current draw is within 10% of the value in this table.
- Operation at lower voltages that rated will result in reduced output and current draw.
- Actual Output (kW) = [(Supply Voltage)2 ÷ (Rated Voltage)2] × Rated Unit Wattage (kW)]
- Add suffix “T” for optional built-in thermostat. Thermostat not available on IIB+H2 models.


- Add suffix “H” for high-temperature ambient storage option. High temperature storage option is not available with thermostat option. Not available on IIB models.
- For IIB model with Defender® built-in thermostat – Class I, Div. 1 & 2, Groups C & D; Zones 1 & 2, Groups IIA and IIB.
- For IIC model with XT built-in thermostat – Class I, Div. 1 & 2, Groups A,B,C & D; Zones 1 & 2, Groups IIA, IIB, IIC.
- IIC Grouping units come with x-Max® housing.
- Remote mounted, Defender, explosion-proof room thermostats are not suitable for Group B & IIC applications.
- Remote contactors are required on all 600V heaters, and heaters with a current draw greater than 22 amps (supplied & installed by others), when utilizing XT-311 remote thermostat.
- Temperature code ratings: T2A – 280°C (536°F), T3 – 200°C (392°F)
3-Phase


Notes
- Or equivalent breaker as per local electrical inspection authority requirements.
- For 3.6 kW heaters rated T3 cabinet length is 49.5″ (1256 mm). 3.6 kW heaters rated T2A cabinet length is 31.3″ (796 mm).
- Ensure supply wire size adheres to applicable local and national electrical codes.
Available for IIB only.
- Heater is functioning normally if, at rated voltage, the current draw is within 10% of the value in this table.
- Operation at lower voltages that rated will result in reduced output and current draw.
- Actual Output (kW) = [(Supply Voltage)2 ÷ (Rated Voltage)2] × Rated Unit Wattage (kW)]
- Add suffix “T” for optional built-in thermostat. Thermostat not available on IIB+H2 models.


- Add suffix “H” for high-temperature ambient storage option. High temperature storage option is not available with thermostat option. Not available on IIB models.
- For IIB model with Defender® built-in thermostat – Class I, Div. 1 & 2, Groups C & D; Zones 1 & 2, Groups IIA and IIB.
- For IIC model with XT built-in thermostat – Class I, Div. 1 & 2, Groups A,B,C & D; Zones 1 & 2, Groups IIA, IIB, IIC.
- IIC Grouping units come with X-MAX® housing.
- Remote mounted, Defender®, explosion-proof room thermostats are not suitable for Group B & IIC applications.
- Remote contactors are required on all 600V heaters, and heaters with a current draw greater than 22 amps (supplied & installed by others), when utilizing XT-311 remote thermostat.
- Temperature code ratings: T2A – 280°C (536°F), T3 – 200°C (392°F)
For further assistance, please call 24hr hotline: 1-800-661-8529 (U.S.A. and Canada) Please have model and serial numbers available before calling
WARRANTY
- Under normal use the Company warrants to the purchaser that defects in material or workmanship will be repaired or replaced without charge for a period of 18 months from date of shipment, or 12 months from the start date of operation, whichever expires fi rst. Any claim for warranty must be reported to the sales offi ce where the product was purchased for authorized repair or replacement within the terms of this warranty.
- Subject to State or Provincial law to the contrary, the Company will not be responsible for any expense for installation, removal from service, transportation, or damages of any type whatsoever, including damages arising from lack of use, business interruptions, or incidental or consequential damages.
- The Company cannot anticipate or control the conditions of product usage and therefore accepts no responsibility for the safe application and suitability of its products when used alone or in combination with other products. Tests for the safe application and suitability of the products are the sole responsibility of the user.
- This warranty will be void if, in the judgment of the Company, the damage, failure or defect is the result of:
- Vibration, radiation, erosion, corrosion, process contamination, abnormal process conditions, temperature and pressures, unusual surges or pulsation, fouling, ordinary wear and tear, lack of maintenance, incorrectly applied utilities such as voltage, air, gas, water, and others or any combination of the aforementioned causes not specifi cally allowed for in the design conditions or,
- Any act or omission by the Purchaser, its agents, servants or independent contractors which for greater certainty, but not so as to limit the generality of the foregoing, includes physical, chemical or mechanical abuse, accident, improper installation of the product, improper storage and handling of the product, improper application or the misalignment of parts.
- No warranty applies to paint fi nishes except for manufacturing defects apparent within 30 days from the date of installation.
- The Company neither assumes nor authorizes any person to assume for it any other obligation or liability in connection with the product(s).
- The Purchaser agrees that all warranty work required after the initial commissioning of the product will be provided only if the Company has been paid by the Purchaser in full accordance with the terms and conditions of the contract.
- The Purchaser agrees that the Company makes no warranty or guarantee, express, implied or statutory, (including any warranty of merchantability or warranty of fi tness for a particular purpose) written or oral, of the Article or incidental labour, except as is expressed or contained in the agreement herein.
LIABILITY
- Technical data contained in the catalog or on the website is subject to change without notice. The Company reserves the right to make dimensional and other design changes as required. The Purchaser acknowledges the Company shall not be obligated to modify those articles manufactured before the formulation of the changes in design or improvements of the products by the Company.
- The Company shall not be liable to compensate or indemnify the Purchaser, end user or any other party against any actions, claims, liabilities, injury, loss, loss of use, loss of business, damages, indirect or consequential damages, demands, penalties, fi nes, expenses (including legal expenses), costs, obligations and causes of action of any kind arising wholly or partly from negligence or omission of the user or the misuse, incorrect application, unsafe application, incorrect storage and handling, incorrect installation, lack of maintenance, improper maintenance or improper operation of products furnished by the Company.
ABOUT COMPANY
- Visit www.thermon.com to contact a Thermon represent
- HEAD OFFICE: 7171 SOUTHWEST PKWY
- BUILDING 300 SUITE 200
- AUSTIN, TX
- 78735
- UNITED STATES
- RUFFNECK: 5918 ROPER ROAD
- EDMONTON, AB
- T6B-3E1
- CANADA

























