SMC PB1313A Air Operated Process Pump

Foreword
Thank you for purchasing SMC’s process pump.
This manual is intended to explain the operation of the product.
This manual will help you to use the product effectively.
Read the operation manual carefully to understand the outline of the product and issues relating to safety. All instructions noted with “Danger”, “Warning” or “Caution” in this manual have to be followed.
Handling
- Be sure to read and follow all instructions noted with “Danger”, “Warning” or “Caution” in this manual.
- This manual is intended to explain the installation and operation of the product.
Only people who understand the basic operation of the product through this manual or who perform installation and operation of or have basic knowledge about industrial machines are allowed to work on the product. - It is strictly prohibited to copy this manual entirely or partially for the use by a third party without prior permission from SMC.
- The product is provided for physical, chemical and industrial equipment. The applicability of this product for medical applications or other applications requiring the consideration of safety must be determined by the customer performing safety confirmation testing.
Safety Instructions
These safety instructions are intended to prevent hazardous situations and/or equipment damage. These instructions indicate the level of potential hazard with the labels of “Caution,” “Warning” or “Danger.”
They are all important notes for safety and must be followed in addition to International Standards (ISO/IEC)*1), and other safety regulations.
*1) ISO 4414: Pneumatic fluid power — General rules relating to systems.
ISO 4413: Hydraulic fluid power — General rules relating to systems.
IEC 60204-1: Safety of machinery — Electrical equipment of machines .(Part 1: General requirements)
ISO 10218-1992: Manipulating industrial robots -Safety. etc.
- Caution indicates a hazard with a low level of risk which, if not avoided, could result in minor or moderate injury.
- Warning indicates a hazard with a medium level of risk which, if not avoided, could result in death or serious injury.
- Danger indicates a hazard with a high level of risk which, if not avoided, will result in death or serious injury.
Warning
- The compatibility of the product is the responsibility of the person who designs the equipment or decides its specifications.
Since the product specified here is used under various operating conditions, its compatibility with specific equipment must be decided by the person who designs the equipment or decides its specifications based on necessary analysis and test results.
The expected performance and safety assurance of the equipment will be the responsibility of the person who has determined its compatibility with the product.
This person should also continuously review all specifications of the product referring to its latest catalog information, with a view to giving due consideration to any possibility of equipment failure when configuring the equipment. - Only personnel with appropriate training should operate machinery and equipment.
The product specified here may become unsafe if handled incorrectly.
The assembly, operation and maintenance of machines or equipment including our products must be performed by an operator who is appropriately trained and experienced. - Do not service or attempt to remove product and machinery/equipment until safety is confirmed.
- The inspection and maintenance of machinery/equipment should only be performed after measures to prevent falling or runaway of the driven objects have been confirmed.
- When the product is to be removed, confirm that the safety measures as mentioned above are implemented and the power from any appropriate source is cut, and read and understand the specific product precautions of all relevant products carefully.
- Before machinery/equipment is restarted, take measures to prevent unexpected operation and malfunction.
- Contact SMC beforehand and take special consideration of safety measures if the product is to be used in any of the following conditions.
- Conditions and environments outside of the given specifications, or use outdoors or in a place exposed to direct sunlight.
- Installation on equipment in conjunction with atomic energy, railways, air navigation, space, shipping, vehicles, military, medical treatment, combustion and recreation, or equipment in contact with food and beverages, emergency stop circuits, clutch and brake circuits in press applications, safety equipment or other applications unsuitable for the standard specifications described in the product catalog.
- An application which could have negative effects on people, property, or animals requiring special safety analysis.
- Use in an interlock circuit, which requires the provision of double interlock for possible failure by using a mechanical protective function, and periodical checks to confirm proper operation.
Caution
- The product is provided for use in manufacturing industries.
The product herein described is basically provided for peaceful use in manufacturing industries.
If considering using the product in other industries, consult SMC beforehand and exchange specifications or a contract if necessary.
If anything is unclear, contact your nearest sales branch.
Limited warranty and Disclaimer/Compliance Requirements
The product used is subject to the following “Limited warranty and Disclaimer” and “Compliance Requirements”.
Read and accept them before using the product.
Limited warranty and Disclaimer
- The warranty period of the product is 1 year in service or 1.5 years after the product is delivered, whichever is first.*2)
Also, the product may have specified durability, running distance or replacement parts. Please
consult your nearest sales branch. - For any failure or damage reported within the warranty period which is clearly our responsibility,
a replacement product or necessary parts will be provided.
This limited warranty applies only to our product independently, and not to any other damage incurred due to the failure of the product. - Prior to using SMC products, please read and understand the warranty terms and disclaimers noted in the specified catalog for the particular products.
*2) Vacuum pads are excluded from this 1 year warranty. A vacuum pad is a consumable part, so it is warranted for a year after it is delivered. Also, even within the warranty period, the wear of a product due to the use of the vacuum pad or failure due to the deterioration of rubber material are not covered by the limited warranty.
Compliance Requirements
- The use of SMC products with production equipment for the manufacture of weapons of mass destruction (WMD) or any other weapon is strictly prohibited.
- The exports of SMC products or technology from one country to another are governed by the relevant security laws and regulations of the countries involved in the transaction. Prior to the shipment of a SMC product to another country, assure that all local rules governing that export are known and followed.
- Do not touch.
Sign warning of possible injury by touching the product surface with hazardous fluid on it, or when the product is hot. - Fluid leakage
Warning of external leakage of circulating fluid. - Warning related to corrosion
Warning indicating risk of chemical corrosion
Read and understand the Material Safety Data Sheet (MSDS) carefully before using the product, and use appropriate protective equipment. - Warning related to inhalation
This symbol indicates a possible risk of inhalation of chemicals
This symbol indicates that serious injury can result from exposure to the atmosphere or inhalation. Read and understand the Material Safety Data Sheet (MSDS) carefully before using the product, and use appropriate protective equipment (e.g. goggles).
Precautions for system design
Warning
- Confirm the specifications.
Fully understand the applications, fluids, environment and other operating conditions to use this product within the specified range shown in this operation manual. - Applicable fluids
- If the fluid contains foreign matter, the inside of the pump will become worn out , causing problems. Eliminate the foreign matter by using an appropriate filter (strainer).As a guide, the appropriate filtration is 80 to 100 mesh (150 to 180mm).
- When circulating coagulable fluids, handle them carefully so that they do not coagulate in the pump.
- Use caution so that the operating fluid does not adhere to the product outer surface. Never use the product with the operating fluid adhering to the product outer surface.
- Water hammer
Sudden operation of the valve may create high pressure due to water hammer. Take measures so that pressure exceeding the specification value is not applied.
<Countermeasures>- Reduce the opening speed of the valve by using a water hammer cushioning valve.
- Use a material for piping such as a rubber hose or an accumulator to absorb the impact pressure.
- Liquid-sealed circuit
Mount a by-pass valve to the system so that it does not form a liquid-sealed circuit.
- Fluid pressure
Feeding the fluid from the suction side into the pump with pressure or drawing it with negative pressure will cause reverse pressure to be applied to the diaphragm and the check valve, causing shortening of the product life. - Provide enough space for maintenance.
Allow sufficient space for maintenance and inspection. - Provide safety measures against fluid leakage.
Take fluid leakage of the product into consideration when using. When transferring flammable fluids or fluids which affect the human body and environment, take measures such as prohibiting ignition sources, and prohibiting entry to the operation area. External leakage of pumping fluid could cause serious injury. - Design the circuit so that reverse flow and reverse pressure are prevented.
Reverse flow or reverse pressure may lead to damage to equipment and operation failure. Take safety measures when designing the circuit. When installing a check valve, use the check valve whose cracking pressure is 0.02MPa or less. Using the check valve of higher cracking pressure, suction failure might be occurred. - Countermeasures against static electricity
Since static electricity may be generated depending on the fluid being used, implement suitable countermeasures. - The pump cannot transfer gas. Do not allow it to idle for a long time.
If the pump is operated for a long time without any fluid inside, the diaphragm may be damaged or the life may be shortened. Do not continue idling longer than 3 minutes. - Pilot port condensation and freezing
Condensation may form in the piping of the AIR SUP port, due to sudden cooling because of the expansion of supply air. The fluid may freeze in winter. Measures should be taken so that the electrical parts and equipment do not get wet due to dripping.
Caution
- Operation stop of the pump
When the operation of the pump is stopped, be sure to exhaust the residual pressure in the pump. When operating this pump, please use a 3-port normally closed (N.C.) solenoid valve to completely exhaust the residual pressure. - Slurry cannot be transferred.
Slurry cannot be transferred due to seating failure and wearing of the check valve and accumulation of particles causing operation failure.
Precautions for installation
Warning
- Use clean air.
- Do not use compressed air which contains chemicals, synthetic oils containing organic solvents, salts or corrosive gases, etc., as this can cause damage or malfunction.
- The quality of the compressed air used should correspond to system No. C to F in Best Pneumatics (5)(P.2 to 3).
(Install a filter with filtration accuracy of 5m. If necessary, install a mist separator with the filter.) - Supply air which has been dried by an air dryer.
(Recommended atmospheric dew point is -10oC or less.) - Supply air in the range of 0.2 to 0.5MPa with sufficient supply capacity.
- When the process pump is used under low temperature, beware of freezing.
The equipment operates by expanding compressed air. During adiabatic expansion, the temperature inside of the product goes down. When the ambient temperature is low, heat cannot be obtained from the surrounding environment. Freezing can result if compressed air containing moisture is used. In this case, the membrane air dryer (IDG etc.) is recommended to prevent freezing. - Do not use in the following environments.
- An environment where corrosive gases, organic solvents, chemicals, or flammable fluids are present.
- Where the product is exposed to sea water, water, or water vapor.
- Where the deterioration of the resin due to ultraviolet or temperature rise is possible because of direct sunlight.
- Where a heat source is present in the surrounding environment and ventilation is poor (shield the heat source with an insulator).
- Where impact or vibration is present.
- Where excess humidity or dust is present.
- Compressed air at low dew point
If ultra dry air is used as pilot air, it can reduce the lubrication characteristics and affect the reliability (life) of the equipment. Contact SMC beforehand. - Mounting of the pump:
Mount the pump securely with four M4 bolts. - Caution for piping of the tube
Support the piping according to JIS B 8370 when piping the tube. Arrange the piping so that tension is not applied to the tube.
Caution
- Assemble after reading the operation manual.
Mount the product after reading the operation manual carefully. Also keep it available whenever necessary. - Check the mounting direction of the product.
Mount the product vertically so that the FLUID OUT port faces upward. Otherwise internal parts will not operate smoothly to achieve the full performance.
Secure all mounting parts properly. If the transmission of vibration is unacceptable, insert an isolating rubber material before installation. - Flush the piping before installing.
Flush and clean the piping before installing the product. Dust and foreign matter left in the piping can cause operating failure and malfunction. - If fittings with metal threads are used, it could break the female thread of the product. For piping the tube fitting, use fittings with resin threads.
- Observe the tightening torque for screws.
When screwing fittings into the product, tighten them with proper tightening torque as shown below. Over-tightening can damage the thread.
PB1313A seriesThread size Proper tightening torque Rc,NPT,G 1/8 1.5 to 2.0 N・m M10 0.8 to 1.0N・m
Maintenance and check
Warning
- The following points must be carefully considered for maintenance
Maintenance shall be performed after obtaining adequate knowledge about the product by reading this operation manual carefully. Improper handling can cause damage and malfunction of equipment and machinery.- When touching the pump for maintenance, wear protective gear such as gloves
which are compatible with the fluid used. There is a risk of chemical burns. - If the pump is stopped for a few hours, exhaust the air from the AIR SUP port.
- During operation of the pump, it is necessary to check air leakage and operating
conditions regularly. If any abnormality is seen, stop operating the product and
contact your local supplier or SMC sales representative.
- When touching the pump for maintenance, wear protective gear such as gloves
- Confirm safety before operation
When the product or the supply/exhaust equipment of the pilot air is removed, cut the supply of compressed air and power, then exhaust compressed air from the system. Discharge or substitute the residual fluid if necessary. When the equipment is to be started again after remounting or replacement, first confirm safety, and then confirm that the equipment can operate normally. - Do not disassemble the product. Disassembled product is not guaranteed.
If overhaul is required, contact SMC or the distributor. - Discharging condensate
Operation with condensate caught in the equipment or the piping may lead to operation failure of the equipment, splashing from the outlet, and unexpected accidents. Remove condensate from air filters regularly.
Caution
- Life of the diaphragm
- When the operation time of the diaphragm exceeds its life, the process pump may be damaged because the diaphragm is deformed. If the process pump is damaged, the operating fluid will leak from the pilot air exhaust port and air will get into the fluid circuit. Replace the pump considering the operating condition of the pump (irregular intake of air, reduction of discharge pressure) and the reference life of the diaphragm.
[Calculation method of the diaphragm life for reference]
Calculate the life based on the operation frequency of the solenoid valve.

| Model | How to operate | Reference life (time) A | The discharge for one cycle. |
| PB1313A | Air operated type | 50 million times | Approx. 3mlNote1) |
Note1) This is not a metering pump. The amount of discharge depends on the operating condition.
Handling Precautions
Warning
- Perform testing before the actual operation.
Verify with the actual equipment used with this product. Even if the test over a short period shows no problem, it may cause a malfunction depending on the components of the fluid. - Storage
When the product is stored for a long period of time after usage, remove the fluid completely from the pump before storage to prevent sticking and deterioration of the pump material. - When not used for extended periods of time, perform trial run before use.
- Operating environment
When dangerous fluid is used, take measures to isolate humans from the pump. External leakage of pumping fluid could cause serious injury. - Countermeasures against liquid leakage
There are some cases where the operating fluid will leak outside the pump, for example when the diaphragm reaches the end of the life. Measures should be taken to avoid leakage, such as installing a drain pan, so that people and equipment will not be adversary affected.
Caution
Operating temperature
The pump can be used within the range from 0 to 50oC. Do not let it freeze.
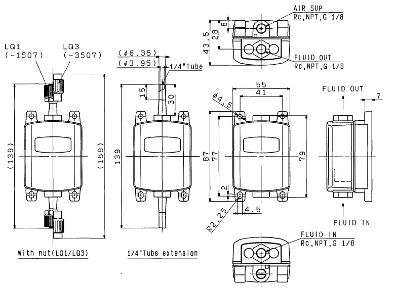
Names and functions of parts
- Air supply port

- Discharge port
Suction port
| Description | Functions |
| Suction port (FLUID IN) | Sucks the fluid to be transferred. Connect suction piping. |
| Discharge port (FLUID OUT) | Discharges the fluid taken in the pump. Connect discharge piping. |
| Air supply port (AIR SUP) | Supplies air of set pressure. Connect the air piping. |
How to use
- Start and stop
- Connect air piping to air supply port ”AIR SUP”, and fluid transfer piping to suction port
“FLUID IN” and discharge port ”FLUID OUT”.
3- port solenoid valve (N.C) needs to be prepared separately to turn ON and OFF the pilot air which is supplied to the air supply port. - Set pilot air pressure within the range 0.2 to 0.5MPa.
Start operation by applying ON/OFF signal repeatedly to the solenoid valve prepared separately. After a while, the fluid will flow from the suction port “FLUID IN” to the exhaust port “FLUID OUT”. It sucks by itself without priming. (Suction pump head : 0.5m Normal temp. / clean water) - To stop the pump, stop the solenoid valve, and make sure to exhaust all the air inside the pump. Although the pump is stopped by closing the valve installed at the discharge side, avoid stopping operation for a long time in this way.
If the valve closes suddenly, surge is generated, shortening the pump life.
- Connect air piping to air supply port ”AIR SUP”, and fluid transfer piping to suction port
- Adjustment of the discharge amount (Typical circuit )
- The flow rate changes by changing the switching time (Operation cycle) of the solenoid valve ON/OFF signal.
- Use the ball valve connected to the discharge side to adjust the flow at the fluid side.
- When exhausting air, using a meter-out will reduce the suction speed of the fluid and so reduce the generation of bubbles.

Specification and how to order
Specification
| Model | PB1313A | |
| Type of operation | Air operated type | |
| Port size | Main fluid Suction/discharge port | Rc,NPT,G 1/8 Female thread, 1/4” PFA tube, LQ1 size 2 with nuts, LQ3 size 2 with nuts |
| Pilot air Supply / Exhaust port | Rc,NPT,G 1/8 Female thread | |
| Material | Body wetted areas | New PFA |
| Diaphragm | PTFE | |
| Check valve | New PFA、PTFE | |
| Liquid contact seals | PTFE | |
| Maximum discharge rate | 1000mL/min Note1) | |
| Average discharge pressure | 0 to 0.4MPa | |
| Pilot air pressure | 0.2 to 0.5MPa | |
| Air consumption | 15L/min(ANR) or less | |
| Suction head | Up to 0.5m | |
| Noise | 71dB(A) or less | |
| Withstand pressure | 0.75MPa | |
| Diaphragm life (Reference) | 50 million times (One time per cycle) | |
| Operating fluid temperature | 0 to 50℃(No freezing, heat cycle is not applied) | |
| Ambient temperature | 0 to 50℃(No freezing, heat cycle is not applied) | |
| Recommended operating cycle | 1 to 5Hz | |
| Pilot air solenoid valve recommended Cv factor | 0.2 Note2) | |
| Weight | 0.3 kg | |
| Mounting orientation | FLUID OUT port at top | |
| Maximum operating viscosity | 100mPa・s | |
| Packaging environment | Double clean packaging | |
The values above are at normal temperature and with clean water.
(Note 1) When the piping length of both the suction side and the discharge side is almost 0m.
It may not be possible to obtain the discharge in the specification depending on the piping conditions. With the air operated type, it may not be possible to obtain the discharge in the specification depending on the piping conditions for the pilot air.
(Note 2) Operation is possible with a valve with small Cv value when the operation cycle is small.
How to Order

Discharge capability
- Flow-rate characteristics

Caution- The above flow characteristic graph is for clean water (viscosity 1mPa・s, specific gravity 1.0). If a fluid with higher viscosity such as oil is used, convert the fluid to clean water with reference to the viscosity characteristic graph.
- The discharge rate is affected by the characteristics of the transported fluid (viscosity, specific gravity) and operating conditions (temperature, pump head, transporting distance). When using the pump, select a pump with adequate capacity for the specification of the device.
- In an application where back pressure is applied from the discharge port “FLUID OUT”, the result of (pilot air pressure – back pressure) is the pilot air pressure on the graph. Also, it should be noted that the discharge rate will be less than the normal condition.
- Air consumption

Caution- If the compressor output is selected based on air consumption, 0.75kW per 100L/min(ANR) is the guide.
- Viscosity characteristics
With reference to the viscosity characteristic graph (shown below), discharge amount of transported fluid with higher viscosity can be calculated.
- How to calculate the pilot air pressure and consumed air flow < Example of required specifications >
- Discharge : 200mL/min -Discharge pressure : 0.2MPa -Viscosity : 15mPa・s
- Solenoid valve cycle : Calculate the pilot air pressure and consumed air flow at 5Hz
- How to calculate the pilot air pressure and consumed air flow < Example of required specifications >
- First, check the ratio of discharge amount to clean water from the graph above when the viscosity is 15mPa・s. From the graph it is approx. 40%.
- Next, convert it to discharge rate of clean water.
40% of the discharge of clean water corresponds to 200mL/min. of required specification. Therefore 200mL/min / 0.40 = approx. 500mL/min, meaning that 500mL/min. of discharge is necessary for clean water. - According to the flow characteristic graph, mark the intersection of discharge pressure 0.2Mpa and discharge amount 500mL/min.The intersection shows that the pilot air pressure is approx. 0.35MPa.
- Based on the air consumption graph, mark the point of pilot air pressure of 0.35MPa. From this point, air consumption is approx. 10.5L/min[ANR].
Caution
- The graph of flow-rate characteristics is in the condition of no piping for suction and discharge. It may not be possible to obtain the discharge in the graph depending on the piping conditions. In air operated type, the discharge is greatly affected by the piping conditions of pilot air.
- The viscosity of the operating fluid depends on the operating conditions (temperature, transportation distance).
The viscosity can also vary due to changes in the ambient temperature. - Fluids of viscosity up to 100 mPa・s can be used.
Troubleshooting
If any abnormality is found, perform checks according to the following list. If the abnormality cannot be eliminated, ask SMC.
Warning
- Discharge dangerous fluid from the pump.
- Do not return the pump with dangerous fluid left in it. Otherwise, the fluid could cause burns and other injuries during transportation. If the product is to be returned, inform SMC or the distributor beforehand.
| Trouble | Possible cause | Remedy | |
| 1)Supply of air cannot move the pump. | -Operation failure of the solenoid valve. | -Replace the solenoid valve with a new one. | |
| 2)The pump starts, but does not discharge fluid. | The pump does not suck fluid. |
|
|
| The pump sucks, but does not discharge. | -Check valve or fitting at discharge side (OUT port) is clogged. | -Cleaning | |
| 3)The discharge amount is insufficient. |
|
|
| 4)A lot of air bubbles come out from the discharge side (OUT port). |
|
|
| 5)Transported fluid flows out from exhaust port. (EXH port) | -Damaged diaphragm | -Replace the pump. |
| 6)Transported fluid or air leaks from jointed part to outside. |
|
|
Outer dimensions

4-14-1, Sotokanda, Chiyoda-ku, Tokyo 101-0021 JAPAN
Tel: + 81 3 5207 8249
Fax: +81 3 5298 5362
URL http://www.smcworld.com



















