Roth 1135006441 Touchline 4 Channel Wireless Connection Module Instruction Manual
Wireless connection module, Touchline
Guidelines for the electrician

DANGER
Mortal danger by electric voltage!
Damage to the insulation or to individual components can be lethal.
- Disconnect power of faulty devices.
- Only electrical specialists may carry out work on the electrical system.
- Before any work, disconnect the wireless connection module and the peripheral devices from the mains and secure against reactivation. Test for absence of voltage!
- Connect power only after complete installation and closed cover.
- Lead all electrical connections downwards and secure with the integrated meander strain reliefs. Cables that cannot be fixed with one of the strain reliefs must be fixed with cord grips installed externally!
- Type Y attachment according to EN 60730.



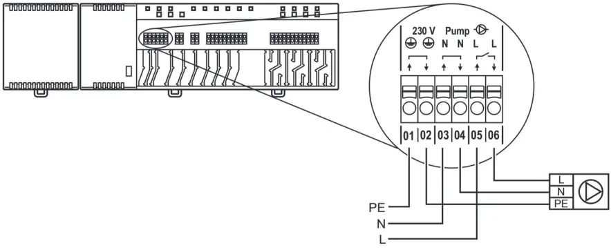
Connect transformer 1 transformer per connection module
Danger! 230 V AC Electrical voltage
Connect pump 230 V AC
Connect thermal actuators 24 V
Connect power 230 V AC
External Communication (LAN)

Addressing room operating unit with one channel or multiple channels

Test addressing

Multiple connection modules

Retain this document

















