KC72B00 RS485 Interface Temperature Controller with Communication Function
User Manual
KC72B00 using the standard RS485 bus MODBUS-RTU protocol, easy access to PLC, DCS, and other instruments or systems for monitoring temperature state quantities. The internal use of high-precision sensing core and related devices to ensure high reliability and excellent long-term stability can be customized RS232, RS485, CAN,4-20mA, DC0~5V\10V, ZIGBEE, Lora, WIFI, GPRS and other output methods.
Technical Parameters
| Technical parameter | Parameter value |
| Brand | KLHA |
| Temperature measuring range | -50℃~120℃ |
| Temperature measuring accuracy | ±0.5℃ @25℃ |
| Communication Interface | RS485 |
| Default baud rate | 9600 8 n 1 |
| Power | AC185~265V 1A |
| Running temperature | -40~80°C |
| Working humidity | 5%RH~90%RH |
Product Size

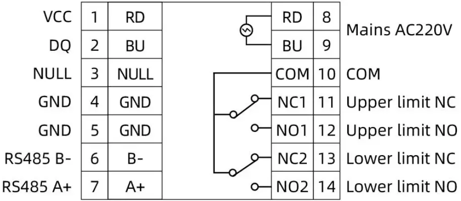
How to wiring?

| Left sensor wiring | Right power supply AC22OV wiring | ||||
| (1)RD | Sensor V+ | (8)RD | PWR+ | ||
| (2)BU | Sensor V- | (9)BU | PWR- | ||
| (4)BK | PWR- | ||||
Application solution

Standard MODBUS-RTU protocol, the default baud rate is 9600, invalid verification, 8 data bits, the software can change parameters such as threshold, and real-time query of temperature data through RS485

KEY OPERATION
- Short press SET and then release to enter the temperature upper limit threshold setting
Press ”
” to select the position, and press “⋀” and “⋁” to adjust the value
Relay 1 will act when the value is lower than the offline threshold Upper threshold: minimum temperature 0, maximum 99 0 - Press the second SET to enter the temperature lower limit threshold setting
Press ”
” to select the position, and press “⋀” and “⋁” 73 X m to adjust the value.
< Relay 2 will act when the value is higher than the upper limit threshold 0 Lower thresholds: minimum temperature -50, maximum 99
• Press SET for the third time to enter the control hysteresis setting
Press ”
” to select the position, and press “⋀” and “⋁” to adjust the value
Return difference: minimum temperature 0, maximum 10 - Press the fourth SET to save the data

The opening and closing process of temperature control equipment
Temperature terminal pull-in action conditions: measured value <lower limit threshold-return difference
Temperature terminal release action condition: measured value>lower limit threshold + return difference value
As shown in the figure above, when the measured value is lower than the lower limit threshold minus the difference, the internal temperature of the controller
The terminal pulls in to turn on the device; when the measured value rises to the lower limit threshold and adds back the difference, the temperature
The degree terminal is disconnected and the device is turned off.

The temperature terminal pull-in action condition: measured value>upper limit threshold + return difference value
Temperature terminal release conditions: measured value <upper limit threshold-return difference
As shown in the figure above, when the measured value is higher than the upper limit threshold and the difference is added back, the internal temperature of the controller
The terminal pulls in to turn on the device; when the measured value drops to the upper limit threshold and subtracts the difference, the temperature
The degree terminal is disconnected and the device is turned off.
How to use it?

Communication Protocol
The product uses RS485 MODBUS-RTU standard protocol format, all operation or reply commands are hexadecimal data. The default device address is 1 when the device is shipped, and the default baud rate is 9600, 8, n, 1
- Read Data (Function id 0x03)
Inquiry frame (hexadecimal), sending example: Query 1# device 1 data, the host computer sends the command:01 03 00 00 00 01 84 0A.Device ID Function id Start Address Data Length CRC16 01 03 00 00 00 01 84 0A For the correct query frame, the device will respond with data:01 03 02 00 79 79 A6, the response the format is parsed as follows:
Device ID Function id Data Length Data 1 Check Code 01 03 02 00 79 79 A6 Data Description: The data in the command is hexadecimal. Take data 1 as an example. 00 79 is converted to a decimal value of 121. If the data magnification is 100, the actual value is 121/100=1.21. Others and so on.
- Data Address Table
Address Start Address Description Data type Value range 40001 00 00 1#temperatureregister Read-only 0~65535 40101 00 64 model code read/write 0~65535 40102 00 65 total points read/write 1~20 40103 00 66 Device ID read/write 1~249 40104 00 67 baud rate read/write 0~6 40105 00 68 mode read/write 1~4 40106 00 69 protocol read/write 1~10 - read and modify device address
(1). Read or query device address
If you don’t know the current device address and there is only one device on the bus, you can use the command FA 03 00 64 00 02 90 5F Query device address.Device ID Function id Start Address Data Length CRC16 FA 03 00 64 00 02 90 5F FA is 250 for the general address. When you don’t know the address, you can use 250 to get the real device address, 00 64 is the device model register.
For the correct query command, the device will respond, for example, the response data is 01 03 02 07 12 3A 79, the format of which is shown in the following table:Device ID Function id Start Address Model Code CRC16 01 03 02 55 3C 00 01 3A 79 The response should be in the data, the first byte 01 indicates that the real address of the current device is, 55 3C converted to decimal 20182 indicates that the current device’s main model is 21820, and the last two bytes 00 01 Indicates that the device has a status quantity.
(2). Change device address
For example, if the current device address is 1, we want to change it to 02, the command is:01 06 00 66 00 02 E8 14.Device ID Function id Start Address Destination CRC16 01 06 00 66 00 02 E8 14 After the change is successful, the device will return information: 02 06 00 66 00 02 E8 27, its format is parsed as shown in the following table:
Device ID Function id Start Address Destination CRC16 01 06 00 66 00 02 E8 27 The response should be in the data, after the modification is successful, the first byte is the new device address. After the general device address is changed, it will take effect immediately. At this time, the user needs to change the query command of the software at the same time.
- Read and Modify Baud Rate
(1). Read baud rate
The device’s default factory baud rate is 9600. If you need to change it, you can change it according to the following table and the corresponding communication protocol. For example, read the current device’s baud rate ID, the command is:01 03 00 67 00 01 35 D5, and its format is parsed as follows.Device ID Function id Start Address Data Length CRC16 01 03 00 67 00 01 35 D5 Read the baud rate encoding of the current device. Baud rate encoding: 1 is 2400; 2 is 4800; 3 is 9600; 4 is 19200; 5 is 38400; 6 is 115200.
For the correct query command, the device will respond, for example, the response data is 01 03 02 00 03 F8 45, the format of which is as shown in the following table:Device ID Function id Data Length Rate ID CRC16 01 03 02 00 03 F8 45 coded according to baud rate, 03 is 9600, ie the current device has a baud rate of 9600.
(2). Change the baud rate
For example, changing the baud rate from 9600 to 38400, ie changing the code from 3 to 5, the command is 01 06 00 67 00 05 F8 1601 03 00 66 00 01 64 15.Device ID Function id Start Address Target Baud Rate CRC16 01 03 00 66 00 01 64 15 Change the baud rate from 9600 to 38400, changing the code from 3 to 5. The new baud rate will take effect immediately, at which point the device will lose its response and the baud rate of the device should be queried accordingly. Modified.
- Read Correction Value
(1). Read Correction Value
When there is an error between the data and the reference standard, we can reduce the display error by adjusting the correction value. The correction difference can be modified to be plus or minus 1000, that is, the value range is 0-1000 or 64535 -65535. For example, when the display value is too small, we can correct it by adding 100. The command is: 01 03 00 6B 00 01 F5 D6 . In the command 100 is hex 0x64 If you need to reduce, you can set a negative value, such as -100, corresponding to the hexadecimal value of FF 9C, which is calculated as 100-65535=65435, and then converted to hexadecimal to 0x FF 9C. The correction value starts from 00 6B. We take the first parameter as an example. The correction value is read and modified in the same way for multiple parameters.Device ID Function id Start Address Data Length CRC16 01 03 00 6B 00 01 F5 D6 For the correct query command, the device will respond, for example, the response data is 01 03 02 00 64 B9 AF, the format of which is shown in the following table:
Device ID Function id Data Length Data value CRC16 01 03 02 00 64 B9 AF In the response data, the first byte 01 indicates the real address of the current device, and 00 6B is the first state quantity correction value register. If the device has multiple parameters, other parameters operate in this way. The same, the general temperature, and humidity have this parameter, the light generally does not have this item.
(2). Change correction value
For example, if the current state quantity is too small, we want to add 1 to its true value, and the current value plus 100 correction operation command is:01 06 00 6B 00 64 F9 FD.Device ID Function id Start Address Destination CRC16 01 06 00 6B 00 64 F9 FD After the operation is successful, the device will return information: 01 06 00 6B 00 64 F9 FD, the parameters take effect immediately after a successful change.
Disclaimer
This document provides all information about the product, does not grant any license to intellectual property, does not express or imply, and prohibits any other means of granting any intellectual property rights, such as the statement of sales terms and conditions of this product, other issues. No liability is assumed. Furthermore, our company makes no warranties, express or implied, regarding the sale and use of this product, including the suitability for the specific use of the product, the marketability, or the infringement liability for any patent, copyright, or other intellectual property rights, etc. Product specifications and product descriptions may be modified at any time without notice.
Contact Us
Company: Shanghai Sonbest Industrial Co., Ltd KLHA Brand Division
Address: Building 8, No.215 Northeast Road, Baoshan District, Shanghai, China
Web: http://www.klha.com
Web: http://www.klha.com
SKYPE: soobuu
Email: [email protected]
Tel: 86-021-51083595 / 66862055 / 66862075 / 66861077
Sha nghai Sonbest Industrial Co., Ltd
KLHA Brand Division
http://www.klha.com/



















