APPENDIX H
USER’S MANUAL
EUT Type: Wireless Charger
FCC ID.: 2AFGCWC-MP01
Application
- A system that receives the battery voltage in the IGN ON state of the vehicle and drives the wireless charging system to transmit power to the target cellular phone with an output of Max 10W.
- Can be used with Qi-certified internal mobile phones.


- Application method: Magnetic induction (Max 10W)
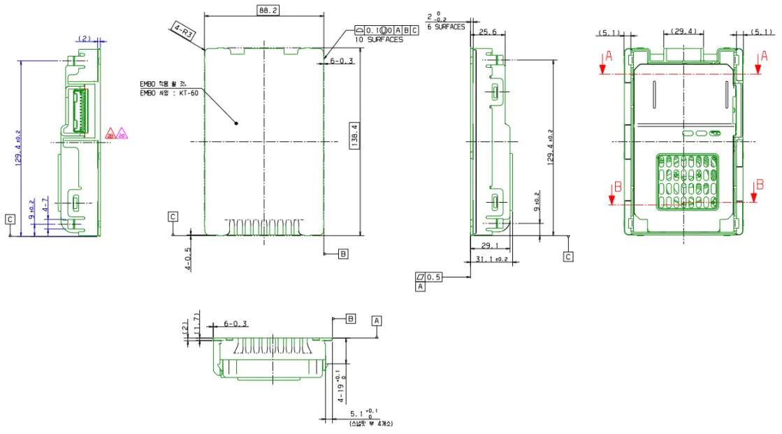
- Module size : 88.2mm x 138.4mm x 31.1mm
- Module weight (WC-MP01/WC-MP01N): 228.5g/228.2g
- MP-A13 Standard coil
User manual
- Wireless charging module Main Connector
MG645877(KET)

| No. | Signal name | Remarks |
| 1 | AND POWER | |
| 2 | ||
| 3 | ||
| 4 | ||
| 5 | ||
| 6 | ||
| 7 | ||
| 8 | ||
| 9 | ||
| 10 | ||
| 11 | IG I | |
| 12 | Battery |
- Single Item Wireless Charging Module Operating Conditions
- Power line connection : No.11,12 Pin(12V), No.1 Pin(GND)
- Power supply
- If you put a wireless rechargeable mobile phone on top of the charger
- Actual car wireless charging module operating condition
▣ How it works
- Close all doors of the vehicle
- Switch the vehicle’s power to IG1 or higher
- Put a wireless rechargeable cell phone on the tray

▣ Development and Results
- During normal charge operation
→ Amber LED on indicator is displayed. - At full charge 100%
→ BLUE LED on indicator is displayed.
[BLUE LED does not display depending on the type of mobile phone] - In case of an internal problem
→ Amber LED on the indicator Flashes at 1-second intervals.
Compliance Statement
Regulatory Compliance
IMPORTANT NOTE: FCC Compliance statement
This device complies with part 18 of the FCC Rules.
IMPORTANT NOTE: FCC RF exposure statement
This equipment complies with FCC radiation exposure limits set forth for an uncontrolled environment. This transmitter must not be co-located or operating in conjunction with any other antenna or transmitter.
This equipment should be installed and operated with a minimum distance of 20 cm (7.8 inches) between the antenna and your body.
Users must follow the specific operating instructions for satisfying RF exposure compliance.
Industry Canada
This device complies with RSS-216 of the Industry Canada Rules. Operation is subject to the following two conditions:
(1)This device may not cause harmful interference, and (2) this device must accept any interference received, including interference that may cause undesired operation.
IMPORTANT NOTE: (For mobile device use)
Radiation Exposure Statement: This equipment complies with IC radiation exposure limits set forth for an uncontrolled environment. This equipment should be installed and operated with a minimum distance of 20cm between the radiator & your body.
User’s Caution Statement
Any changes or modifications to the equipment not expressly approved by the party responsible for compliance could void the user’s authority to operate the equipment.
Order Number: GETEC-C1-22-156
Test Report Number: GETEC-E3-22-048
FCC Part 18



















