ICBCL4850SID Sub-Zero 91CM Classic French Door Refrigerator Freezer Installation Guide

Classic Series Refrigeration
Important Note
To ensure this product is installed and operated as safely and efficiently as possible, take note of the following types of highlighted information throughout this guide: IMPORTANT NOTE highlights information that is especially important.
⚠ CAUTION Indicates a situation where minor injury or product damage may occur if instructions are not followed.
⚠ WARNING States a hazard that may cause serious injury or death if precautions are not followed.
Product Information
Important product information, including the model and serial number, are listed on the product rating plate. The rating plate is located at the top frame of the unit, inside the door. Refer to the illustration below. If service is necessary, contact your authorized Sub-Zero dealer.
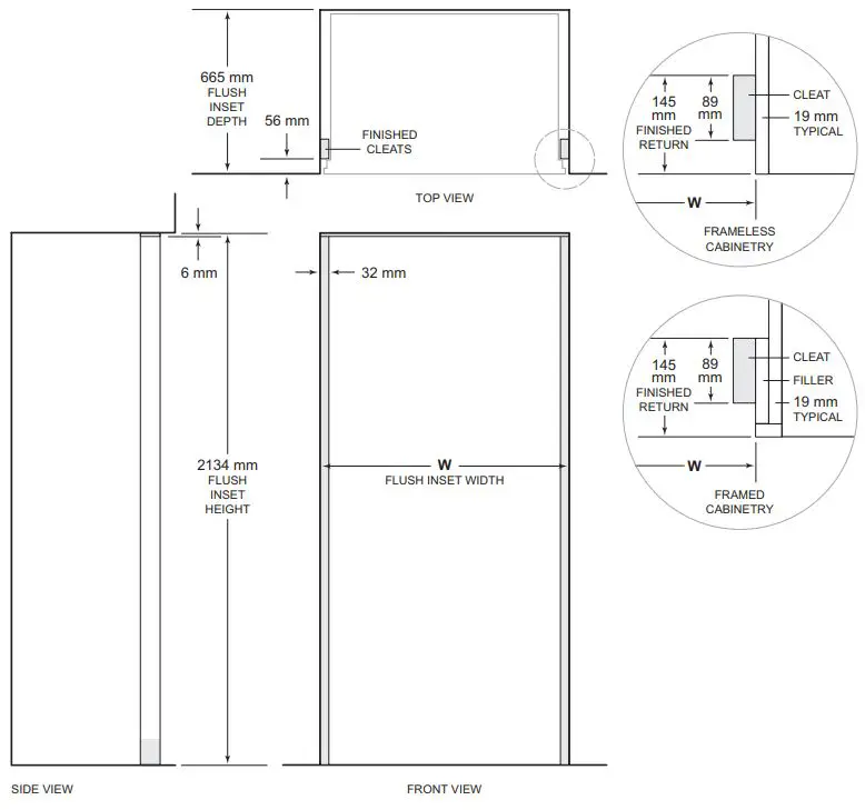
Opening Dimensions
STANDARD INSTALLATION

NOTE: 89 mm finished returns will be visible and should be finished to match cabinetry. Shaded line represents profile of unit.

FLUSH INSET INSTALLATION

NOTE: 89 mm finished returns and shaded areas will be visible and should be finished to match cabinetry. Shaded line represents profile of unit with 19 mm panel.

Dimensions assume a 19 mm panel thickness. If two units are installed side by side, refer to page 4.
DUAL STANDARD INSTALLATION

DUAL FLUSH INSET INSTALLATION

Dual Installation
If two units are installed side by side, a dual installation kit may be required. Installations without a custom filler strip require a dual installation kit. If a dual installation kit is not specified, a 51 mm filler strip is recommended between units. Dual installations without a filler strip can only be accomplished using two units with opposite hinges. Refer to the illustrations below.
Dual installation kits are available through an authorized Sub-Zero dealer. For questions regarding the installation, contact your authorized Sub-Zero dealer.

Electrical Requirements
Installation must comply with all applicable electrical codes and be properly grounded (earthed).
The electrical supply should be located within the shaded area shown in the illustration below. A separate circuit servicing only this appliance is required.
IMPORTANT NOTE: A ground fault circuit interrupter (GFCI) is not recommended and may cause interruption of operation.

⚠ CAUTION The outlet must be checked by a qualified electrician to be sure it is wired with the correct polarity. Verify the outlet is properly grounded (earthed).
⚠ WARNING If the supply cord is damaged, it must be replaced with a special cord or assembly available from the manufacturer or its service agent.
⚠ WARNING Do not locate multiple portable socket-outlets, power strip, or portable power supplies at the rear of the appliance.
⚠ WARNING Do not use an extension cord, two-prong adapter, or remove the power cord ground prong.
Electrical Shock Hazard
Plug power cord directly into a properly grounded (earthed) outlet.
Do not defeat the grounding (earthing) nature of the plug. Do not use adapter or extension cord. Failure to follow these instructions could cause serious injury or death.
See installation instructions
Plumbing Requirements
Installation must comply with all applicable plumbing codes.
The water supply line should be located within the shaded area shown in the illustration below. The water supply line should be connected to the house supply with an easily accessible shut-off valve. Do not use self-piercing valves. The water supply line must not interfere with installation of the anti-tip bracket.
A reverse osmosis system can be used provided there is constant water pressure of 2.48.3 bar supplied to the unit at all times. A copper line is not recommended for this application.

Preparation
Uncrate the unit and inspect for damage. Remove the wood base and discard the shipping bolts and brackets. Remove and recycle packing materials. Do not discard the kickplate, anti-tip brackets, and hardware. Completely retract the front leveling legs to allow the unit to be moved into position. The front and rear leveling legs can be adjusted from the front once the unit is in position. Remove the drain pan from the base of the unit to avoid damage and to allow for proper placement of the appliance dolly. The grille assembly should be removed prior to moving the unit. To remove, pull out on the bottom edge of the grille and rotate upward. Loosen the back two grille mounting screws and remove the front two grille mounting screws. Refer to the illustrations below. With the grille held firmly, pull forward to remove.
Anti-Tip Bracket
WARNING To prevent the unit from tipping forward, the anti-tip brackets must be installed.
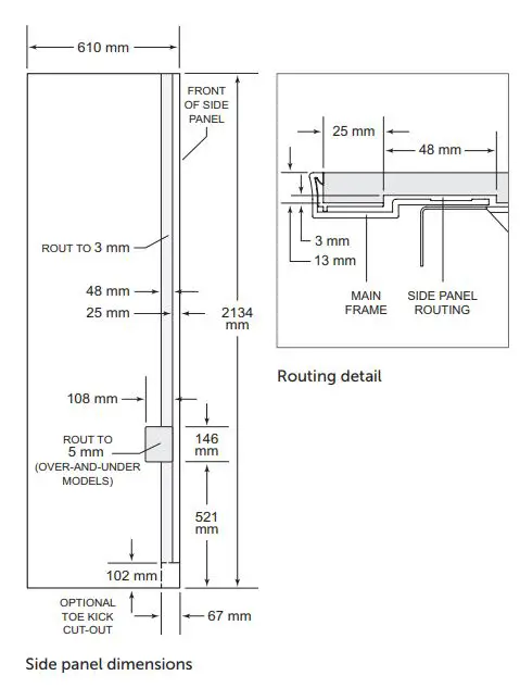
The two anti-tip brackets must be installed exactly 610 mm from the front of the opening to the back of the brackets and a minimum of 102 mm from the sides of the opening. This depth will increase to 665 mm for a flush inset installation based on 19 mm thick panels. Failure to properly position the anti-tip brackets will prevent proper engagement.
Use all anti-tip bracket hardware as instructed for wood or concrete floors. IMPORTANT NOTE: For wood or concrete floor applications, if the #12 screws do not hit a wall stud or wall plate, use the #8 screws and #12 washers with the wall anchors. IMPORTANT NOTE: In some installations the subflooring or finished floor may necessitate angling the screws used to fasten the anti-tip brackets to the back wall.
ANTI-TIP HARDWARE

WOOD FLOOR APPLICATION
After properly locating the anti-tip brackets in the opening, drill pilot holes 5 mm diameter maximum in the wall studs or wall plate. Use the #12 screws and washers to secure the brackets. Verify the screws penetrate through the flooring material and into the wall studs or wall plate a minimum of 19 mm. Refer to the illustration below.
CONCRETE FLOOR APPLICATION
After properly locating the anti-tip brackets in the opening, drill pilot holes 5 mm diameter maximum in the wall studs or wall plate. Drill 10 mm diameter holes into the concrete a minimum of 38 mm deep. Use the #12 screws and washers to secure the brackets to the wall, and use the 3/8″ wedge anchors to secure the brackets to the floor. Verify the screws penetrate the wall studs or wall plate a minimum of 19 mm. Refer to the illustration below.

CONCRETE WEDGE ANCHOR INSTALLATION
- Drill a 10 mm diameter hole any depth exceeding the minimum embedment. Clean the hole or drill additional depth to accommodate the drill fines.
- Assemble the washer and nut flush with the end of anchor to protect threads. Drive the anchor through the material to be fastened until the washer is flush with the surface material.
- Expand the anchor by tightening the nut 35 turns past hand-tight position or to 34 newton-meters of torque.
⚠ WARNING Verify there are no electrical wires or plumbing in the area which the screws could penetrate.
⚠ CAUTION Always wear safety glasses and use other necessary protective devices or apparel when installing or working with anchors. Anchors are not recommended for use in lightweight masonry material such as block or brick, or for use in new concrete which has not had sufficient time to cure. The use of core drills is not recommended to drill holes for the anchors.
Placement
⚠ CAUTION Before moving the unit into position, secure door(s) closed and protect any finished flooring.
Use an appliance dolly to move the unit near the opening.
If the unit has been on its back or side, it must stand upright for a minimum of 24 hours before connecting power.
Plug the power cord into the grounded outlet and roll the unit into position. Verify the anti-tip brackets are properly engaged.
IMPORTANT NOTE: If used, the side panels must be installed before the unit is placed in its final position. Refer to page 9.
Water Line
Approximately .9 m of 6.4 mm plastic tubing is connected to the unit with a preassembled 1/4″ compression connection under the unit. The water line fitting connection kit, provided with the unit, contains a 1/4″ compression union fitting for connection to the household water line.
Purge the water line prior to final connection to the unit. This will remove any debris that may be present in the tubing from installing the new water line.
Place the sleeve and nut on the water line and fasten to the connection at the end of the tubing. Do not over tighten. Check all water line fittings for leaks. Verify the drain pan can be installed and removed without interference with the water line.
IMPORTANT NOTE: If a reverse osmosis system is used, it is recommended the water filtration system be bypassed by removing the filter.
IMPORTANT NOTE: Water lines cannot be exposed to freezing temperatures.
⚠ WARNING Connect to potable water supply only.
Panel Installation
Custom Panels
For overlay and flush inset applications, custom door and grille panels must be installed. The panel size is critical for a proper fit. To verify panel requirements and dimensions, refer to the Sub-Zero Design Guide at subzero.com/specs.
IMPORTANT NOTE: Flush inset applications require a minimum 13 mm reveal on all sides.
Finish all sides of the custom panels. They may be visible when the door is open or through the window of glass door models.
EXTERNAL DISPENSER
For external dispenser models, the dispenser bezel must be removed before the custom panels can be installed.
The bezel will accommodate a minimum 19 mm thick panel. Panels thicker than 19 mm must be routed in the dispenser area to 29 mm (including the backer and spacer panels).
To remove the bezel:
- Lift, rotate, and remove the grille.
- Lift and remove the tray.
- Remove the center posts from the push rivets, then remove the rivets from the bottom of the control panel.
- Rotate the control panel downward and disconnect the wire harness.
- Remove the screws from each corner of the bezel and pull the bezel forward.

DOOR PANELS
To install custom door panels, remove the handle side trim melding. Insert a screwdriver tip into the top corner slot on the handle side and pop out the trim. For the drawer, insert a screwdriver tip into the slot on either side of the trim running along the top of the drawer and pop out the trim. Remove the screws and frame. Refer to the illustrations below.
The door has a 6 mm frame for the custom panel to slide into. If the panel is thicker than 6 mm, rout an edge around the panel or mount the panel on a sheet of 6 mm thick material, then insert into the frame.

A 3 mm space is required between the backer panel and the custom panel to allow the panel to slide into the door frame. Refer to the illustration below for critical dimensions.
Install handle hardware before inserting the panel. Large D-style handles are recommended rather than knobs. Screw heads must be countersunk into the panel.
Slide the panel into the frame.
To reinstall the door trim molding, insert the top of the trim into grooves at the top of the door and work downward, snapping the trim into clips on the door frame. For the drawer, start at one end and move towards the opposite end, snapping the trim into the clips.

GRILLE PANEL
Remove the bottom grille frame by extracting the two lower corner screws from each side of the grille assembly. Refer to the illustration below. With the bottom section removed, slide the custom grille panel into the frame. If the panel is thinner than 6 mm, a filler material will need to be installed to achieve a proper fit. Once the panel is installed, reattach the bottom grille frame by sliding the corner brackets back into position, then reinstall the four corner screws.

SIDE PANEL
When installing a custom side panel, an accessory kit is required and is available through an authorized Sub-Zero dealer. For local dealer information, visit the find a showroom section of our website, subzero.com. Stainless steel side panels are also available from an authorized Sub-Zero dealer.
IMPORTANT NOTE: The use of side panels may change the width of the opening.
A custom side panel must be a minimum of 610 mm deep and 13 mm thick. Routing will be necessary for the side panel to fit flush against the side of the unit. Refer to the illustrations below.
IMPORTANT NOTE: The height of the side panel will vary with the height of the grille. Verify the finished height before modifying the panels.
IMPORTANT NOTE: For over-and-under and French door models, additional routing will be necessary to accommodate the lower hinge plate of the refrigerator.

Alignment
LEVELING
Once the unit is in position, turn the front leveling legs clockwise to adjust the height. The rear height adjustment can be made from the front of the roller base. Using a 3/8″ socket, turn the 3/8″ hex bolt clockwise to raise the unit or counterclockwise to lower. Use the lowest torque setting when using a power drill. Do not turn the rear leveling legs by hand. Refer to the illustration below.
When the unit is properly leveled, door and drawer adjustments are less likely to be necessary.
IMPORTANT NOTE: Level the unit to the floor, not the surrounding cabinetry. This could affect the operation of the unit, such as door closing.

⚠ WARNING
To reduce the possibility of the unit tipping forward, the front leveling legs must be in contact with the floor.
DOOR ADJUSTMENT
Side-by-side and over-and-under doors are adjustable in and out, and side to side tilt. Side-by-side doors only are adjustable up and down and the handle sides are adjustable in and out. To adjust the handle side, rotate the adjustable door bumper. Refer to the illustration below.
To make all other adjustments, loosen the two upper hinge bolts using a 1/2″ wrench. Refer to the illustration below. In-and-Out Adjustment: For left-hinge doors, use a 5/32″ allen wrench to turn the adjustment bolt clockwise to adjust the handle side inward, and counterclockwise to adjust outward. Reverse directions for a right-hinge door. Side-to-Side Tilt Adjustment: For left-hinge doors, use a 3/8″ wrench to turn the adjustment bolt clockwise to adjust the handle side upward, and counterclockwise to adjust downward. Reverse directions for a right-hinge door. Up-and-Down Adjustment: For left-hinge doors, use a 1/4″ allen wrench to turn the adjustment bolt clockwise to raise the door and counterclockwise to lower. Reverse directions for a right-hinge door. Refer to the illustration below.
Completion
GRILLE INSTALLATION
Install the grille assembly and check for proper fit. The grille is designed to rest on the upper door hinge(s) to minimize the reveal between the top of the door and bottom of the grille. To eliminate interference, the grille height can be adjusted. Loosen the four grille adjustment screws (two on each side) and adjust the grille height as needed. Refer to the illustration below.

ANCHORING
After the unit has been leveled and door adjustment completed, anchor the unit to the opening to ensure a proper fit and secure installation.
To anchor the top of the unit, open the grille and install the screws provided through the grille frame into cabinetry. There are several hole locations. Refer to the illustration below. Check for proper door clearance by opening the door.
To anchor the bottom of the unit, drive a screw through the side hole inside each roller base assembly. The screw will need to go in at an angle to attach properly. Refer to the illustration below. Additional material may be needed behind the cleat to ensure sufficient anchoring.
⚠ CAUTION If the screws provided are not suitable for the installation, use adequate screws.
⚠ WARNING To avoid a hazard due to instability of the appliance, it must be fixed in accordance with the instructions.

KICKPLATE INSTALLATION
Reinstall the drain pan and verify it is in the proper position.
Install the kickplate using the magnets to attach it to the brackets on the inside of each roller base. Refer to the illustration below. The kickplate must be removable for service. The floor cannot interfere with removal. Refer to the label mounted on the kickplate support for height clearance.
To turn power on to the unit, touch and hold control panel.

WATER FILTER BYPASS
If the water filtration system will not be used, it can be placed in water filter bypass mode by removing the water filter. Refer to the illustration below. Follow these steps to remove the water filter:
- Pull out on the bottom edge of the grille assembly and tilt the grille frame upward.
- To remove the cartridge, rotate the cartridge counterclokwise one-quarter turn and pull out. Refer to the illustration below.

90° DOOR STOP
The doors of all models open to 110°. A 90° door stop is provided with the unit (located behind the grille). Additional 90° door stop kits are available through an authorized Sub-Zero dealer.
⚠ WARNING
Follow all city and state laws when storing, recycling, or discarding unused refrigerators and freezers.
Sub-Zero, Sub-Zero & Design, Sub-Zero & Snowflake Design, Dual Refrigeration, The Living Kitchen, Great American Kitchens The Fine Art of Kitchen Design, Wolf, Wolf & Design, Wolf Gourmet, W & Design, red colored knobs, Cove, and Cove & Design are registered trademarks and service marks of Sub-Zero Group, Inc. and its subsidiaries. All other trademarks are property of their respective owners in the United States and other countries.

SUB-ZERO, INC. P.O. BOX 44848 MADISON, WI 53744 USA SUBZERO.COM 800.222.7820
![]()


















